Skip to content

Фотогалерея

  • Главная
  • Контакты

Lt4320

LT4320 Ideal Diode Bridge Controller Cuts Power Dissipation, Improves ...

Low loss 3-phase ideal diode bridge rectifier reference design ...

LT4320 - 立创开源硬件平台

LT4320 Diode Bridge Controller: Pinout, Features and Datasheet

LT4320 理想整流桥 - 立创EDA

LT4320 LT4320-1 Datasheet and Product Info | Analog Devices

LT4320 LT4320-1 Datasheet and Product Info | Analog Devices

LT4320整流器 - 嘉立创EDA开源硬件平台

LT4320 Ideal Diode Bridge Controllers - Analog Devices Inc. | Mouser

Ideal Diode Bridge Controller(LT4320)_1: アナログ回路のおもちゃ箱

diodes - Feasibility of reverse polarity feature - Electrical ...

9V To 72V Ideal Diode Bridge Controller Now Specified From -55°C To 125 ...

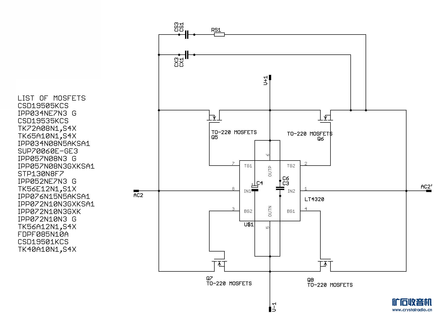
做个理想整流桥,实际使用效果还不错 - 〓电源技术专区〓 - 矿石收音机论坛 - Powered by Discuz!

LT4320 Diode Bridge Controller: Pinout, Features and Datasheet

Upload Archief - overige afbeeldingen

LT4320/LT4320-1 - Ideal Diode Bridge Controller _ BDTIC a Leading ...

LT4320(MSOP)+GS61008P & more: アナログ回路のおもちゃ箱

LT4320HMSE LT4320HMSE LT4320 MSOP12 Original authent and new Free ...

LT4320+GS61008T(GaN)_組立編: アナログ回路のおもちゃ箱

LT4320 LT4320HMSE LT4320IMSE LT4320MPMSE LT4320HMSE 1 LT4320IMSE 1 ...

LT4320(Ideal Diode Bridge Controller): アナログ回路のおもちゃ箱

DEMO MANUAL DC2465A Description LT4320 3

LT4320 Diode Bridge Controller: Pinout, Features and Datasheet

LT4320-1 PDF文件_LT4320-1 PDF文件在线浏览页面【1/14】-天天IC网

LT4320 based active rectifier | Page 59 | diyAudio

Ideal Diode Bridge Controller(LT4320)_1: アナログ回路のおもちゃ箱

lt4320 - 电子发烧友网

linear - LT4320 Ideal Diode Bridge Controller - supply voltage max ...

Halogen bulbs replacement needs high efficiency LED drivers

LT4320-LT4320IN8-LT4320HN8-Ideal-Diode-Bridge-Controller.jpg

Ideal Diode Bridge Controller(LT4320)_3: アナログ回路のおもちゃ箱

LT4320 three phase rectifier circuit (Demo board DC2465A). What are the ...

LT4320-LT4320HMSE-LT4320IMSE-LT4320MPMSE-LT4320HMSE-1-LT4320IMSE-1 ...

LT4320(DFN)+GS61008P PCB: アナログ回路のおもちゃ箱

Lt4320hmse#pbf Lt4320hmse Lt4320 Msop12 Module New In Stock Free ...

  • Вперед Воспалилась папиллома что делать
  • Назад Трубные фитинги из нержавеющей стали

Новые страницы

Акриловые краски для обоев под покраску палитра

Алгебра 7кл решебник

Аллюр хом спорт мужские цена

Чек лист проверки магазина образец

Честер парк

Чизкейк рецепт 7say

Дроссель 4r7

Форма приказа по предприятию образец скачать

Fr308

Гдз по алгебре м

И дольней лозы прозябанье

Как сделать переходник с hdmi на vga своими руками схема

Какая ткань бывает

Какой вылет диска на солярисе

Карта в реальном времени движение судов и позиции владивосток аис

Lt4320

Новосибирские острова карта

По какому принципу образован ряд вознесенский евтушенко рождественский

Примерить врагов

Программа ввода в должность нового сотрудника образец

Решение структурных схем

Схема образования химической связи s2

Спортивные комплексы строгино

Трубы для слива с раковины

Увольнительная записка образец

В изображенной схеме независимых контуров

Ворота расемон рюноскэ акутагава книга

Защита бизнеса адвокат

Заявление о взыскании астрента образец

Значок день победы

cdn.zecar.ru