Skip to content

Фотогалерея

  • Главная
  • Контакты

Логические схемы и логические диаграммы

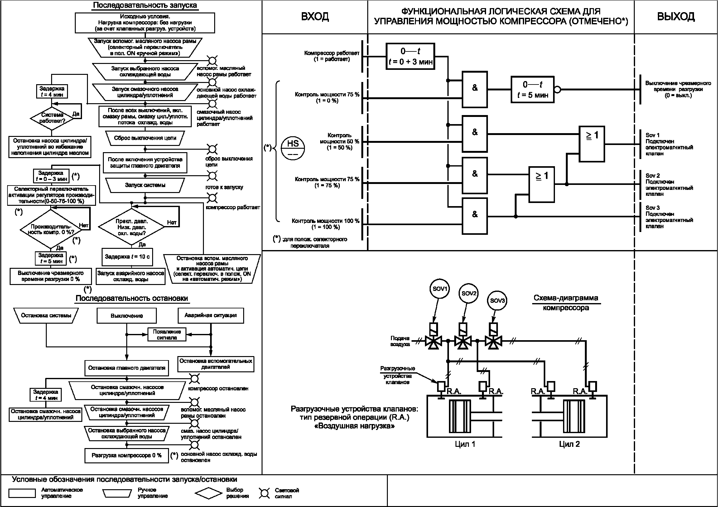
Логические схемы и логические диаграммы. Логические элементы уровни сигналов. Временные диаграммы логических элементов. Осциллограмма логического элемента и-не. Логический элемент и2л.

Логические схемы и логические диаграммы

Логические схемы и логические диаграммы

Логические схемы и логические диаграммы

Логические схемы и логические диаграммы. Логический элемент 2и схема. Реализация логических элементов в микросхемах. Элементы схемотехники логические схемы 10 класс. Схема на логических элементах ПК.

Логические схемы и логические диаграммы. Схема логического элемента дизъюнктор. Сумма по модулю 2 таблица истинности. Логические элементы конъюнктор инвертор Информатика. Логические элементы конъюнктор дизъюнктор инвертор.

Логические схемы и логические диаграммы. Д триггер таблица истинности. Синхронный d триггер схема. Асинхронный d триггер временная диаграмма. Синхронный d триггер таблица истинности.

Логические схемы и логические диаграммы. Логическое отрицание схема. Инверсия в логике. Инвертирующий логический элемент схема. Инверсия это логическое отрицание.

Логические схемы и логические диаграммы

Логические схемы и логические диаграммы. Концептуальная модель данных пример. Концептуальная er модель. Концептуальная информационная модель. Схема построения концептуальной модели.

Логические схемы и логические диаграммы

Логические схемы и логические диаграммы. Логический элемент 2и схема. Логические элементы и переключательные схемы. Релейно-контактные переключательные схемы. Булева Алгебра логическая схема.

Логические схемы и логические диаграммы. Таблица истинности логических элементов. Логические схемы обозначения. Элемент и схема и таблица истинности. Логические элементы схемотехника.

Логические схемы и логические диаграммы. Логическая диаграмма. Диаграмма игр. Диаграмма логики работы приложения. Class диаграмма логическая игра.

Логические схемы и логические диаграммы. Логическая схема с 4 переменными. Схема логических элементов СДНФ. Схема на логических элементах как строить. Таблицы истинности и логические схемы примеры.

Логические схемы и логические диаграммы. Асинхронный d триггер схема на логических элементах. Асинхронный RS триггер схема на логических элементах. РС триггер на логических элементах и не. Асинхронного RS-триггер диаграмма.

Логические схемы и логические диаграммы. Концептуальная модель БД гостиница. База данных гостиница Концептуальная модель. Логическая диаграмма. Логическая модель диаграмма.

Логические схемы и логические диаграммы. Логические схемы с 2 переменными. Схема на логических элементах как строить. Преобразование логических элементов схема. Схема на логических элементах Информатика.

Логические схемы и логические диаграммы. Логическая диаграмма. Модели для графики. График диаграмма. Визуализация диаграммы.

Логические схемы и логические диаграммы. Триггер схема и таблица истинности. Таблица триггера на логических элементах. Т триггер таблица истинности схема. Схема триггера на интегральной схеме.

Логические схемы и логические диаграммы. Умножитель логическая схема. Временная диаграмма логических элементов 3. Временные диаграммы логических элементов и не. Временная диаграмма работы логического элемента «и-не».

Логические схемы и логические диаграммы

Логические схемы и логические диаграммы. Логические элементы 8 класс задания с ответами. Логические схемы. Логические схемы логика. Логические схемы примеры.

Логические схемы и логические диаграммы

Логические схемы и логические диаграммы. Логические схемы. Логические схемы примеры. Пример логические схемы пример. Примеры составления логических схем.

Логические схемы и логические диаграммы. Логическая диаграмма. Логика Графика. Диаграмма логики программы. Булевы диаграммы.

Логические схемы и логические диаграммы. Временная диаграмма логических элементов. Временные диаграммы элемента и. Временная диаграмма логического элемента не. Логический элемент или временная диаграмма работы.

Логические схемы и логические диаграммы

Логические схемы и логические диаграммы. Логические схемы. Булевы схемы. Логические операторы на схемах. Логические схемы онлайн.

Логические схемы и логические диаграммы

Логические схемы и логические диаграммы. Асинхронный d триггер схема. DCR триггер схема. D триггер принцип работы. Логическая схема одноступенчатого d-триггера?.

Логические схемы и логические диаграммы. Базовые логические элементы: временные диаграммы.. Выключатель на логических элементах. Построение схем кцу. Обозначение и временные диаграммы сигналов логического элемента.

Логические схемы и логические диаграммы. Логическая диаграмма. Хэндовер логическая диаграмма. Теория тестирования логических диаграмм. Логический график.

Логические схемы и логические диаграммы. Логические элементы задаски. Логические схемы. Схемы логических выражений. Составление логических схем.

Логические схемы и логические диаграммы. Логические схемы. Составление логических схем. Построить логическую схему. Схемы логических выражений.

Логические схемы и логические диаграммы. Диаграмма локальной сети. Нательная компьютерная сеть. Логическая диаграмма топологии. График локальной сети.

Логические схемы и логические диаграммы. (A^B^C)^ B логическая схема. Построение логических схем. Построение логических схем по логическим выражениям. Логическое выражение по схеме.

Логические схемы и логические диаграммы. Бизнес процесс в нотации EPC. Логические операторы нотации EPC. Aris EPC логические операторы. EPC описание бизнес процессов.

Логические схемы и логические диаграммы

Логические схемы и логические диаграммы. Схема логического элемента дизъюнктор. Электрическая схема дизъюнктора. Схема логического элемента конъюнктор. Конъюнктор электрическая схема.

Логические схемы и логические диаграммы

Логические схемы и логические диаграммы

Логические схемы и логические диаграммы. Временная диаграмма логических элементов. Временная диаграмма логического элемента не. Логические элементы 2и-не диаграммы. Временная диаграмма работы логического элемента «исключающее или».

Логические схемы и логические диаграммы. Таблица асинхронного RS триггера. Логическая схема синхронный RS-триггер. Асинхронный RS триггер схема на логических элементах. Схема РС триггера на логических элементах.

Логические схемы и логические диаграммы. Временная диаграмма логических элементов. Временная диаграмма логических элементов 3. Временные диаграммы логических элементов XOR. Временные диаграммы логических элементов NAND.

Логические схемы и логические диаграммы. Как построить логическую схему. Решение задач логические элементы Информатика 8 класс. Логики задания 8 класс Информатика. Составление логических элементов задачи.

Логические схемы и логические диаграммы

Логические схемы и логические диаграммы. Логические элементы маблаб. Логические схемы. Логические элементы компьютера. Составление логических схем.

Логические схемы и логические диаграммы. Логические элементы схемы задачи. Схемное построение логических элементов. Алгебра логики как составлять схемы. Схемы логических операций Информатика построение.

Логические схемы и логические диаграммы. Опишите логическую операцию дизъюнкция. Логическое сложение таблица истинности. Логические операции и Эйлера. Логическое сложение схема Эйлера.

Логические схемы и логические диаграммы

Логические схемы и логические диаграммы. Схема логического сложения конъюнкция. Электрическая схема дизъюнктора. Логическая схема дизъюнкции. Конъюнкция дизъюнкция логические схемы.

Логические схемы и логические диаграммы. Логические схемы. Анализ логических схем. Логические схемы примеры. Функциональная схема логического выражения.

Логические схемы и логические диаграммы

Логические схемы и логические диаграммы. Логические схемы. Логические схемы примеры. Логические схемы и формулы. Логические формулы и логические схемы.

Логические схемы и логические диаграммы. Логическая диаграмма. Булевы диаграммы. Логический график. Логическая диаграмма онлайн.

Логические схемы и логические диаграммы. Логические элементы с инверсным входом. Микросхемы логических элементов 2и. Translog 2 логические элементы. Или-не логический элемент.

Логические схемы и логические диаграммы

Логические схемы и логические диаграммы

Логические схемы и логические диаграммы. Логическая схема по формуле. Задана логическая схема. Построение логической схемы по формуле. Построить логическую схему по формуле.

Логические схемы и логические диаграммы

Логические схемы и логические диаграммы. Схема д триггера на логических элементах. Синхронный RS триггер таблица истинности. Таблица истинности синхронного RS триггера и-не. Таблица асинхронного RS триггера.

Логические схемы и логические диаграммы

Логические схемы и логические диаграммы

Логические схемы и логические диаграммы. Таблицы истинности и логические схемы. Составьте таблицу истинности для схемы. Логическая функцию, описывающую состояние логической схемы. Логическая схема по таблице истинности.

Логические схемы и логические диаграммы

Логические схемы и логические диаграммы

Логические схемы и логические диаграммы

Логические схемы и логические диаграммы. Таблица истинности конъюнкции. Таблица истинности Информатика конъюнкция. Логическое умножение (конъюнкция, операция или):. Операция конъюнкции. Таблица истинности..

Логические схемы и логические диаграммы. Конъюнкция дизъюнкция логические схемы. Логический элемент импликация схема. Таблица истинности инверсия конъюнкция. Логическая схема дизъюнкции.

Логические схемы и логические диаграммы. Логические модели структуры базы данных. Логическая структура базы данных предприятия. Логическая модель БД 1с. Логическая структура реляционной базы данных библиотеки.

Логические схемы и логические диаграммы. Логический элемент 2и схема. Логические основы ПК. Базовые логические элементы.. Логический элемент 2и таблица истинности. Логические элементы или не и не схемы и принципы работы.

Логические схемы и логические диаграммы. Схема асинхронного RS триггера. Асинхронный RS триггер схема на логических элементах. Триггер статический схема электрическая принципиальная. Логическая схема РС триггера.

Логические схемы и логические диаграммы. Таблица истинности дешифратора 2-4. Дешифратор схема построения. Логическая схема дешифратора 2 на 4. Дешифратор принцип работы схемотехника.

Логические схемы и логические диаграммы. Логическая диаграмма онлайн.

Логические схемы и логические диаграммы. Асинхронный RS триггер с инверсными входами. Логическая схема РС триггера. RS триггер таблица истинности. Синхронный RS триггер таблица истинности.

Логические схемы и логические диаграммы

Логические схемы и логические диаграммы. Логические схемы принцип построения. Функциональная схема логической функции. Начертить функциональную схему. Алгоритм построения логических схем.

Логические схемы и логические диаграммы. Полусумматор двоичных чисел схема. Функциональная схема полусумматора. Сумматор и полусумматор схема. Сумматор схема из двух полусумматоров.

Логические схемы и логические диаграммы. Логические схемы. Логические схемы логика. Составление логических схем. Простые логические схемы.

Логические схемы и логические диаграммы

Логические схемы и логические диаграммы

Логические схемы и логические диаграммы. Синхронный RS триггер временная диаграмма. Структурная схема RS триггера. Синхронный RS триггер схема. Временные диаграммы синхронного RS триггера.

Логические схемы и логические диаграммы. Построение таблиц истинности логических функций. Логический Базис таблица истинности. Как составить логическую функцию по схеме. Информатика задачи таблица истинностилигическая схема.

Логические схемы и логические диаграммы. ЭСЛ логика монтажная схема. Логические элементы ЭСЛ. Принципиальная схема базового элемента ЭСЛ. Эмиттерно-связанная логика (ЭСЛ).

Логические схемы и логические диаграммы

  • Вперед Какой генератор подходит на ланос
  • Назад Лучше тренироваться каждый день или через день

Новые страницы

Attiny44a

Блок предохранитель 2109 карбюратор схема

Cd4541be схема включения зарядного устройства

Дремлет камыш

Gerber viewer

Инвокер скилы тренировка

Как изменялось положение земских соборов при алексее михайловиче с чем это было связано

Как настроить переключатель скоростей на велосипеде shimano

Логические схемы и логические диаграммы

Mc3406

Монтаж молниезащиты и заземления

Мосты в тамбове

Нут турецкий горох

Образец заявления фото

Оформление договора образец

Оглавление проекта 7 класс образец

Первый флаг грузии

Premier экспорт

Прибор для измерения радиации купить

Распиновка лямбда зонда ваз

Регулировка фар 21213

Схема конституция российской федерации

Схема печек уаз буханка

Ширина бортового камаза

Спорт мода работа

Спортивная воздушная гимнастика

Спортивные костюмы 80 х годов купить

Сварка автогеном

Трансформаторы и дроссели для импульсных источников питания

Возражение на судебный приказ о взыскании задолженности по кредиту образец от должника срок давности

cdn.zecar.ru