Skip to content

Фотогалерея

  • Главная
  • Контакты

Lm7805 datasheet

LM7805 Datasheet, LM7805 PDF, Pinouts, Circuit - Unisonic Technologies

LM7805 Pinout - Positive 5V Voltage Regulator

LM7805_7311965.PDF Datasheet Download --- IC-ON-LINE

LM7805 Pinout, Equivalent, Datasheet, Applications, Features and More ...

LM7805 Datasheet ST: All You Need to Know

LM7805 Datasheet

LM7805 Pinout, Equivalent, Datasheet, Applications,, 50% OFF

Datasheet Of 7805 Voltage Regulator

Lm7805 Ic Datasheet Selection Online | ricardoalpoim.com.br

LM7805 datasheet(24/28 Pages) FAIRCHILD | 3-TERMINAL 1A POSITIVE ...

LM7805 datasheet(1/6 Pages) ETC | 1.5A Positive Voltage Regulator

LM7805 datasheet(1/1 Pages) TGS | 3-Terminal 1A Positive Voltage Regulator

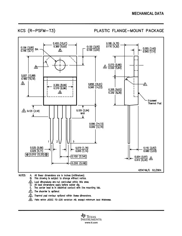
LM7805 datasheet(3/33 Pages) TI1 | 1.5-A Fixed Voltage Regulators

LM7805 datasheet(1/33 Pages) TI1 | 1.5-A Fixed Voltage Regulators

LM7805 Datasheet_PDF文件下载_芯片资料查询_维库电子市场网

LM7805 Datasheet PDF (557 KB) Fairchild | Pobierz z Elenota.pl

LM7805 datasheet(10/33 Pages) TI1 | 1.5-A Fixed Voltage Regulators

LM7805 datasheet(1/2 Pages) ISC | Internal thermal overload protection

LM7805 Pinout, Specs, Circuit- How To Use?, 48% OFF

LM7805 VOLTAGE REGULATOR 5V

LM7805 Pinout, Specs, Circuit- How To Use?, 56% OFF

Lm7805

Analogue

LM7805 Pinout, Specs, Circuit- How To Use?, 58% OFF

What is a LM7805 Voltage Regulator?

Caracteristicas tecnicas de LM7805 - Datasheet

LM7805 Resources - EasyEDA

7805 Pin Diagram Circuit

Wholesale 10 Pcs LM7805 LM7805CT REG LDO 5V 1A TO220 3 In Stock New And ...

7805 5 Volt Regulator Circuit Diagram

voltage regulator - How to increase the output current of LM7805 ...

LM7805 L7805 7805 Linear Voltage Regulator IC In Pakistan

Is this an old lm7805? : r/AskElectronics

100pcs LM7805 L7805 7805 Voltage Regulator IC 5V 1.5A TO 220-in Light ...

5 x LM7805 L7805 7805 IC Positive Voltage Regulator 5V 1.5A TO-220 USA ...

  • Вперед Разрезные картинки морские обитатели
  • Назад Тренинги со студентами

Новые страницы

4 Заполните пропуски в схеме

Актион спорт 2007 год

Фитнес хаус санкт петербург новаторов

Фитнес клуб купчино

Game snake

Гдз по алгебре 7 класс мерзляк номер 393

Гдз по алгебре 9 класс макарычев номер 593

Как умножать на счетах деревянных инструкция в картинках

Какая разболтовка на чери тигго

Карбонат калия и хлорид натрия

Красивые композиции из цветов в коробках на день рождения

Курочкино база отдыха челябинск цены на домики

Лечение аккумулятора автомобиля

Lm7805 datasheet

Микросхема примет

Могилы в казахстане в виде домика в степях

Нарисовать композицию из листьев окружающий мир 1 класс

Перезарядка аккумулятора ваз 2106

Положение о kpi на предприятии образец пример

Птицы астраханской области картинки

Разыграть первенство

Реставрация фарфора в москве

Резьба по дереву инструменты

Шреденгера

Синди кроуфорд 10 мин тренировка

Скупка бу авто

Транзистор кт807

Тренировочные примеры для класса

Улицы пустынны как пишется и почему

Уведомление о списании начисленной и неуплаченной суммы неустоек образец

cdn.zecar.ru