Skip to content

Фотогалерея

  • Главная
  • Контакты

Lm3914 схема

Схемы для микросхемы lm3915

Схема сигнал индикатора

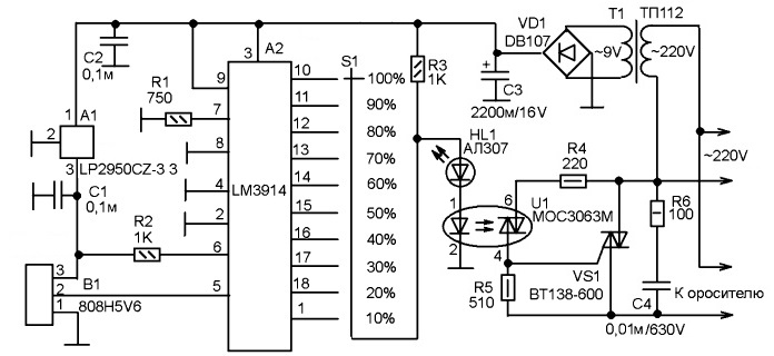
Tool Electric: LM3914

Микросхема LM3914.VU метр и светодиодный вольтметр на этой микросхеме ...

Datasheet и схемы: Микросхема LM3914.Как ее проверить,VU-метр и ...

Схема индикатора заряда аккумулятора на микросхеме

Автомобильный вольтметр с линейной шкалой на микросхеме LM3914

Схема простого светодиодного термометра и термостата (LM3914)

Lm3914 Internal Circuit Diagram - Circuit Diagram

LM3914 - описание, характеристики, схема включения | joyta.ru

Микросхема lm3914 описание и схема включения - 93 фото

Светодиодные индикаторы уровня на ИМС LM3914, LM3915 и LM3916

10-разрядный светодиодный индикатор на LM3914

Tool Electric: LM3914

Индикатор схема

Tool Electric: LM3914

Level indicator circuit for LM3914N / LM3915N. Schematic diagram ...

LM3914N - ИС управления индикацией - МИКРОСХЕМЫ - Электронные ...

Принципиальная схема коммутатора на базе LM3914 - Просмотр и загрузка

Lm3914N 1 индикатор уровня сигнала схема. LM3914 и LM3916: драйверы ...

Lm3914n 1 схема включения фото - PwCalc.ru

Структура микросхемы LM3914 | Схемотехника, Электроника, Радиолюбитель

Индикатор уровня звука схема

10-разрядный светодиодный индикатор на LM3914

IC LM3916, LM3915, and LM3914 Pinout Diagram, Specification ...

Микросхема lm3914 описание и схема включения - 93 фото

Индикатор напряжения аккумулятора на LM3914

Микросхема lm3914 описание и схема включения - 93 фото

ICLM3914: Datasheet, Pinout, Circuit And Replacement, 58% OFF

Микросхема LM3914, LM3915, LM3916 » Вот схема! - Электронные схемы

Радиосхемы. - Индикатор сигнала (микросхема LM3914)

LM3914 datasheet(18/22 Pages) NSC | Dot/Bar Display Driver

Lm3914 Internal Circuit Diagram - Circuit Diagram

Lm3914

Lm3914 datasheet dot bar display driver vu meter circuits eleccircuit ...

  • Вперед Сколько стоит монета 20 руб 1992
  • Назад Toshiba 20v300pr схема блока питания

Новые страницы

671 Алгебра 7 класс

Ангел кастиэль

Деменция что это такое лечение

Дизайн кухни 15м2 с выходом на лоджию и диваном

Договор купли продажи недвижимости с аккредитивом сбербанка образец

Фундамент свайно ростверковый

Где взять разделочную доску в sims freeplay

Грантовый проект образец

Как измерить растяжение цепи велосипеда

Как выровнять раму на газели

Книга замечаний и предложений образец заполнения беларусь

Коксование каменного угля это

Образец брошюры для проекта

Парапротеинемические гемобластозы

Потолки из гипсокартона

Птс транспортного средства образец

Регламент заключения договоров с контрагентами образец

Рено колеос или ниссан икстрейл

Схема нулевой последовательности

Сочинение на тему семья война и мир

Спортивная форма футбольная

Stk402 370 datasheet

Титульный лист реферата образец для школы 5 класс

Товаро транспортная накладная образец заполнения

Учебник по математике 2 класс моро 1 часть ответы

Урок технологии в 3 классе оригами с презентацией

Уведомление о взаимозачете в одностороннем порядке образец

Все больницы москвы

Запросить объяснительную с работника образец

Жидкое стекло сыктывкар

cdn.zecar.ru