Skip to content

Фотогалерея

  • Главная
  • Контакты

Lm2904 схема включения

Lm2904 схема включения как работает - 94 фото

Lm2904 схема включения и назначение - 85 фото

LM2904 Datasheet_PDF文件下载_芯片资料查询_维库电子市场网

LM2904 issue - Amplifiers forum - Amplifiers - TI E2E support forums

LM2904 DataSheet | Diodes

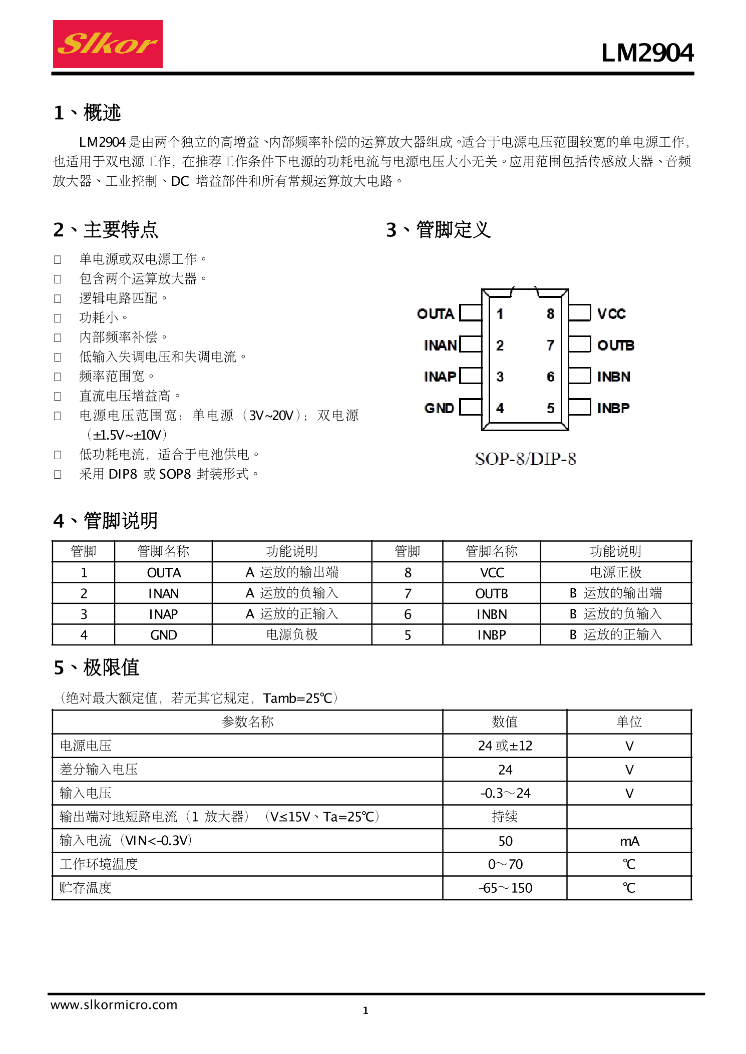
IC LM2904

LM2904: LM2904 about the output voltage issue - Amplifiers forum ...

LM2904: High power appears in the production process - Amplifiers forum ...

What is an LM2904 IC : Pin Configuration & Its Applications ...

For behavior during input open LM2904 - Amplifiers forum - Amplifiers ...

Lm2904 Ti Outlet Discount | americanprime.com.br

LM2904 PDIP-8 Operational Amplifier | Makers Electronics

LM2904 datasheet(26/64 Pages) TI | Industry-Standard Dual Operational ...

Купить lm2904p lm2904 dip8 оу операционный усилитель 10 шт в интернет ...

LM2904实物图-LM2904商品图片-立创商城

LM2904 datasheet(14/17 Pages) 3PEAK | 1.2MHz, Low-Power 36V Op Amps

LM2904 PDF文件_LM2904供应商_PDF文件在线浏览页面【1/4】-天天IC网

LM2904DR LM2904 SOP-8 双路通用运算放大器芯片IC_逻辑IC_维库电子市场网

LM2904 PDF文件_LM2904 PDF文件在线浏览页面【2/28】-天天IC网

LM2904 PDF资料下载(1/12 页)LOW POWER DUAL OP-AMP

Простое устройство задержки включения или выключения электрической ...

Lm2904 схема включения и назначение - 85 фото

LM2904 Datasheet PDF (138 KB) Fairchild | Pobierz z Elenota.pl

原装| LM2904DT LM2904 SOP-8集成 IC芯片全新原装 ST热卖库存_虎窝淘

LM2904 PDF文件_LM2904 PDF文件在线浏览页面【17/48】-天天IC网

DIP LM2904 Integrated circuit at Rs 12/piece in New Delhi | ID: 27406434055

LM2904: 故障分析 - 放大器论坛 - 放大器 - E2E™ 设计支持

LM2904实物图-LM2904商品图片-立创商城

LM2904_(Slkor(萨科微))LM2904中文资料_价格_PDF手册-立创电子商城

Lm2902dg схема включения - 88 фото

进口全新原装 LM2904DR lm2904贴片SOP-8脚变频空调芯片管理IC_虎窝淘

lm2904芯片引脚图-千图网

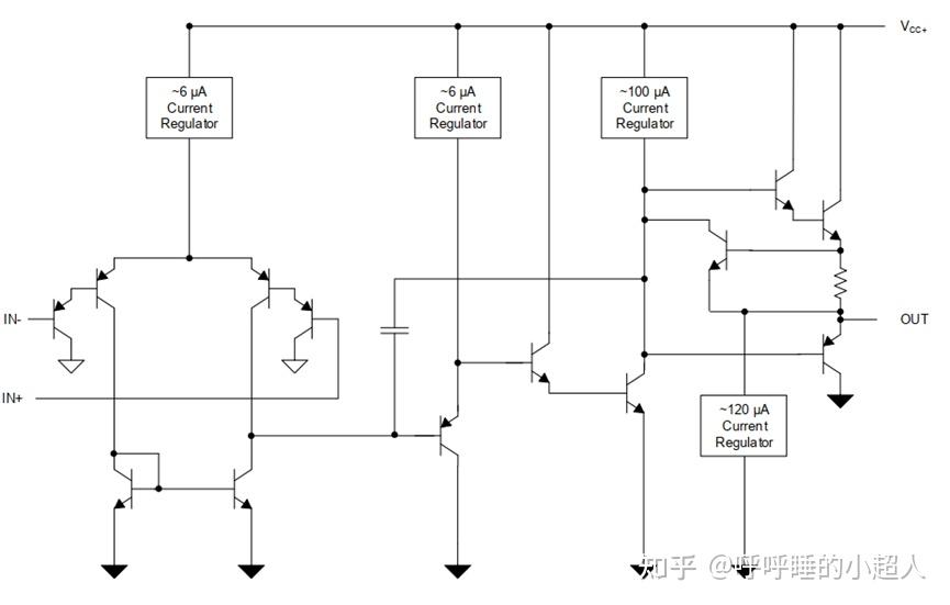
TI LM2904 中文手册(部分) - 知乎

LM2904DR2G datasheet(6/14 Pages) ONSEMI | Single Supply Dual ...

LM2904 LM2904N LM2904P DIP-8 chính hãng - iLinhkien | Mua bán LINH KIỆN ...

  • Вперед Общий план строения полых и паренхиматозных органов
  • Назад Математика третий класс вторая часть домашнее задание

Новые страницы

Акт сдачи и приемки выполненных работ образец

Chevrolet camaro 1967

Гдз по математике жохов 5

Гибкая подводка для воды гост

Ходатайство на почетную грамоту образец

Инжекторная семерка не заводится

Как зашить спортивные штаны незаметно

Какого спряжения глагол наклеить

Киа спортаж диски

Книга консуэло жорж санд

Конденсат в фарах

Кулер 60 мм

Окрашенная лексика

Пазин тематический тренинг 2023

Перетяжка карпетом багажника

Привод danfoss

Проект квартиры в симс 4

Психолог я

Raspberry pi 3 model

Разборка опель в свао

С днем рождения дамира картинки красивые с пожеланиями

Санкт петербург веселый поселок

Схемы описания ажурных узоров

Сладенький суффикс

Спортивный комплекс подолино

Тойота альфард цена

Труба вентури это

Установка автомобильных сигнализаций

Замена тросика ручника ниссан кашкай

Записка учителю чтобы отпустили с урока образец к врачу

cdn.zecar.ru