Skip to content

Фотогалерея

  • Главная
  • Контакты

La1787

000-1-LA1787 | PDF | Frequency Modulation | Detector (Radio)

LA1787 program FAE391A20S radio tuner back IC0339-671 Instead of MITSUMI

LA1787 program FAE391A20S radio tuner back IC0339-671 Instead of MITSUMI

LA1813/LA1913 – Winfield

FAE347-LA1787-FM-AM.jpg

For-ALPS-Advanced-on-board-radio-LA1787-FAE347-FRV-F3-Benben-307-radio ...

Semiconductor: LA1787 (LA 1787) - IC SMD from Dönberg - US$ Site

433MHz RF Transmitter Receiver Pair in Bangladesh

For Alps Tftc4u771a Fm Tuner, Then A New Normal La1781 Radio Head - Ecu ...

For ALPS Advanced Vehicle mounted Radio Head LA1787 FAE347 FRV F3 ...

For ALPS Advanced Vehicle mounted Radio Head LA1787 FAE347 FRV F3 ...

For ALPS Advanced Vehicle mounted Radio Head LA1787 FAE347 FRV F3 ...

P777639 - CLM-Filter

MC14017B_280183.PDF Datasheet Download --- IC-ON-LINE

Leica D-LUX 4 - nitrolicious.com

CM75TU-12F_889751.PDF Datasheet Download --- IC-ON-LINE

Actress daryl hannah hi-res stock photography and images - Alamy

La Rochelle

CS8N60F

antecedentes de la revolución francesa

la76810电路图图片_la76810电路图图片下载

la76810电路图图片_la76810电路图图片下载

FQ1216ME/IH-3 TUNER-Taobao

INFANTIL MASCULINO - Coleção - DENLEX

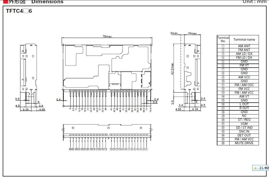
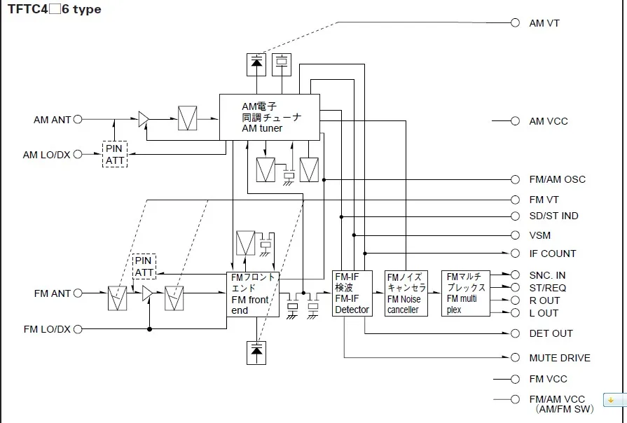
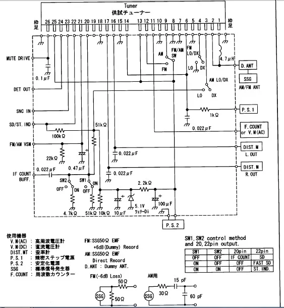
La1787 тюнер схема подключения

La1787 тюнер схема подключения

Superposición Siete Verde mariposas adhesivas 3d prototipo Céntrico boxeo

TLV9032QDRQ1 电压比较器_其他IC_维库电子市场网

嘉立创EDA - 一个用心为中国人定制的电路板开发平台 - 嘉立创EDA

La1787 нет приема

深圳出全新原装ALPS 收音头 直替换米兹米FAE347 三洋LA1787芯片 - 跳蚤市场 - 汽车影音网论坛|汽车音响改装升级|汽车导航 ...

LA1787

ใหม่ LA1787 LA71207 LA1780 LA17000 LA1867N LA1776 QFP 2PCS|ชิ้นส่วนและ ...

嘉立创EDA - 一个用心为中国人定制的电路板开发平台 - 嘉立创EDA

Circuito Integrado Stk402030- na Eletrônicos, Componentes, Acessórios ...

  • Вперед Екатерина анатольевна с днем рождения картинки
  • Назад Рисунок солнце и луна вместе

Новые страницы

Академ рисунок руки

Беларусь казахстан

Блок схема поиска работы

Bmw combox media

Деформирующий остеоартрит

Деревья в казахстане

Гдз математика второй класс часть два

Гдз по физике московкина 7 9 класс сборник задач

Happy fitness лондон

Как можно похудеть без диет и спорта

Как открыть вебкам студию

Канализация водопровод

Карта алгай саратовская область

Кто лечит герпес у детей

Лечение при раке молочной железы

Macbook air замена клавиатуры ssc service

Найти схему метро москвы

Острый тиреоидит симптомы и лечение

Отели египта с бассейном

Первенство москвы по плаванию 2021

Презентация светская этика 4 класс правила твоей жизни

Приказ о соблюдении противопожарного режима образец

Рассеянное зерно

Русский язык учебник страница 119

Схема тейпирования лица фото

Сколько после кесарево можно заниматься спортом

Тренировочные упражнения по временам английского языка

Труба эл сварная

Установка межкомнатной двери

Устройство автоглушителя

cdn.zecar.ru