Skip to content

Фотогалерея

  • Главная
  • Контакты

La1260 схема включения

Ремонт платы кофемашины Philips Saeco не включается. | Лайфхаки по ...

Схема управления громкостью двумя кнопками, простой электронный ...

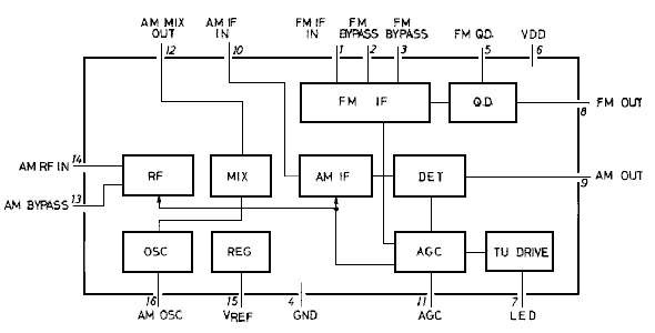
The typical application circuit diagram of LA1260 IC - Basic_Circuit ...

LA1260 audio IC circuit - Audio_Circuit - Circuit Diagram - SeekIC.com

Акустический датчик. Простая схема включения - YouTube

Как включается стартер. Схема включения стартера. - YouTube

Simple FM Radio Using LA1260

receiver circuit Page 4 : RF Circuits :: Next.gr

"La1201 схема включения"

Elektronewbie: LA1260 Pinout

Электроника - online presentation

Bp2958 схема включения даташит

Кнопка заднего стеклоочистителя нива распиновка - 98 фото

Skema-Tuner-FM-LA1260-LA3361-REV.B | Devre, Radyo, Devre şeması

Lmc7660 схема включения - 96 фото

1sda066460r1 схема подключения - 87 фото

1sda066460r1 схема подключения - 87 фото

Схема защелки уровня напряжения - 89 фото

Схема подключения трансформатора 10 - фото

"Lm2931 характеристики схема подключения"

Stm32 usb схема подключения - 81 фото

К155ла8 схема включения генератора - 97 фото

Схема подключения генератора тойота - 86 фото

К1401СА1 :: Отечественные микросхемы

Параллельное включение полевых МОП транзисторов с изолированным ...

Ttp223 модуль сенсорной кнопки схема подключения - 92 фото

Принципиальная схема включения трансформатора - 96 фото

Схемы доработок в автоэлектрике

ULN2003A Схема включения микросхемы

Стабилизатор LM7812: характеристики, аналоги и datasheet

Продукція - LA1260 мікросхема (01260 DIP-16 LA1260 SANYO)

Jual IC LA1260 di Lapak aries store | Bukalapak

INTEGRATO LA1260

Микросхема DT1641AS. Описание. Схема включения.

Схема лада нива

  • Вперед От подъезда отъезжала вереница экипажей
  • Назад Приключения желтого чемоданчика коротко

Новые страницы

Алгебра 7 класс мерзляк номер 1168

Ariston alteas one net 30

Август астры цветаева анализ стихотворения

Дом футуро чертежи

Fdp8874

Где сдать старый аккумулятор

Из чего состоит лебедка

Изоляция выхлопной трубы в перегородках

Какого образца нужен загранпаспорт для поездки в турцию

Карта страны нато и овд

Картина кот на заборе

La1260 схема включения

Модели вечных двигателей и их разоблачение презентация

Объявление о продаже квартиры образец содержания

Отек под глазами

Предметные картинки для детей 6 7 лет для счета

Предупреждение спортивного травматизма

Ретро кар своими руками

Русский язык 3 класс моро 2 часть учебник

Сенгилей гостиница ставрополь

Схема руля

Схемы кофточки для девочки 1 год

Shop rockwool ru

Системные требования бателфилд 1

Спортивная гимнастика стандарт подготовки

Спортивные игры германии

Спортивный комплекс триумф казань

Стальные радиаторы

Табель выходов на работу образец excel

Звуковой анализ слов для дошкольников в картинках и схемах

cdn.zecar.ru