Skip to content

Фотогалерея

  • Главная
  • Контакты

L7805acv

L7805ACV STMicroelectronics | STMicroelectronics L7805ACV, 1 Linear ...

L7805ACV STMicroelectronics - IC: voltage regulator | linear,fixed; 5V ...

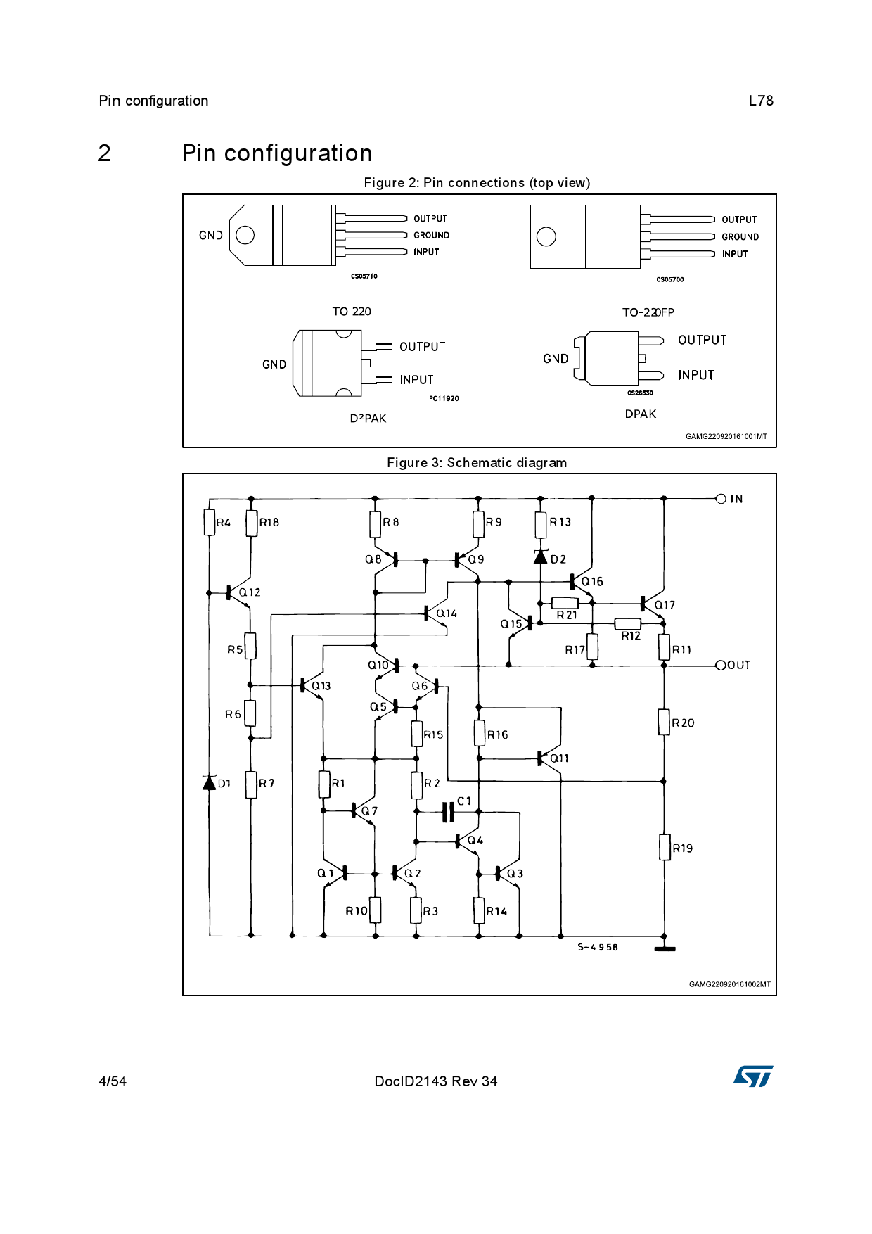
L7805ACV datasheet(1/17 Pages) STMICROELECTRONICS | PRECISION 1A REGULATORS

L7805ACV L7805CV 7805 New Original ST TO-220 5PCS/LOT, IC ...

L7805ACV-DG STMicroelectronics | C472632 - LCSC Electronics

L7805ACV-DG STMicroelectronics | C472632 - LCSC Electronics

De dónde sacar 5V en un coche +Dashcam - Página 2 - Forocoches

12v To 5v Converter Circuit Diagram

L7805ACV ST(SGS) 3P/TO-220 (ROHS) 5V/1A

L7806CV datasheet(6/58 Pages) STMICROELECTRONICS | Positive voltage ...

L7805ACV-DG STMicroelectronics | Mouser India

L7805ACV_(ST(意法半导体))L7805ACV中文资料_价格_PDF手册-立创电子商城

L7805ACV Voltage Regulator: Pinout, Applications and Datasheet

L7805ACV L7805CV 7805 New Original ST TO-220 5PCS/LOT, IC ...

Bộ 5 Linh Kiện Điện Tử L7805Acv L7805 5V TO-220 7805Aav Mới | Shopee ...

Store Home Products Feedback

Electronic Component 7805 L7805 L7805CV L7805ACV LM7805 LM7805CT ...

10 قطعة L7805ABV أو L7805ACV أو L7806ABV أو L7806ACV إلى-220 الدقة 1A ...

碳化硅MOS四引脚封装在应用中的优势 - 知乎

L7805ACV IC REG LDO 5V 1.5A TO 220 L7805AC 7805 L7805 7805A L780 7805AC ...

拆一个银行呼叫键盘 - 拆机乐园 数码之家

10 PCS L78M05CDT 1 L78S05CV L7805ACV L7805CD2T L7808CV L7809ABD2T Power ...

Pet Feeder Controlled Via WiFi - ESP8266 - Share Project - PCBWay

STMicroelectronics L7805ACV, 1 Linear Voltage, Voltage Regulator 1A, 5 ...

TOP 6 MOSFET Circuitos Electrónicos - YouTube

L7805CV Transistor Power Regulator 5 Pack-IN0516

Стабилизатор напряжения l7805cv схема подключения - фото

Audio Amplifier Circuit Using Mosfet Transistor: 4 Steps (with Pictures)

Driver pour moteurs pas à pas bipolaire a base de 74LS194 - Zonetronik

L7809CV datasheet(55/58 Pages) STMICROELECTRONICS | Positive voltage ...

Power supply for Raspberry Pi Zero with 2 seconds delay - Electrical ...

Convertor de tensiune continuă - pe care să îl alegem? | Componente ...

7805 - 5V Voltaj Regülatörü - Prototip Elektronik

SMA35 Interactive DCC Decoders IDEC The Next Generation - Sequencing ...

L7805acv характеристики схема подключения

  • Вперед Лодка пнг картинка
  • Назад Полистиролбетонная стяжка

Новые страницы

Ассоциация водных видов спорта

Автомасла характеристики вязкости

Берсерк рисунки из манги

Дизайн одежда

Эрозия шейки матки лечение

Эстетика желтого цвета рисунки

Геометрия 331

Геометрия 654

Как начертить шестиугольник циркулем

Как подключить фитнес браслет хонор

Как правильно составить бизнес план для малого бизнеса самому образец

Кассетный диктофон panasonic

Клуб гагарин калуга

Line sport

Марьина роща в москве

Морф разбор существительного образец

О повороте решения суда образец заявления

О рассмейтесь смехачи о засмейтесь смехачи

Печка якутск

Передвижение брюхоногих моллюсков

Перетяжка мебели в чите

Полноприводный икс рей

Пословица про болото

Предохранители на чери амулет 2007

Признаки серых схем

Результаты чм по водным видам спорта 2024

Строение атома электронная схема электронная формула

Тренировочный вариант фипи егэ математика профиль

Замена лобового стекла тигуан 2

Золото перу

cdn.zecar.ru