Skip to content

Фотогалерея

  • Главная
  • Контакты

L6208

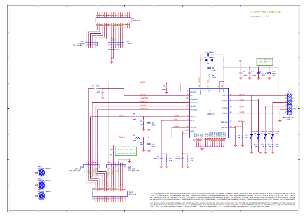
Stepper control board based upon L6208

Stepper control board based upon L6208

基于L6208的STM32 NUCLEO 双极步进电机驱动器应用 - 大大通(简体站)

Werner #L6208 8 Ft. LEANSAFE Fiberglass Step Ladder

Werner L6208 LEANSAFE Fiberglass Leaning Ladder - 8', 300 lb. IA Rating

EVAL6208N L6208 DMOS Driver for Bipolar Stepper Motor in PowerDip ...

L6208 datasheet(1/35 Pages) STMICROELECTRONICS | DMOS driver for ...

L6208-Nantong Beicheng Safety Products Co., Ltd.

型号: L6208-IC

L6208PD, L6208, PowerSO-36 Step Motor Sürücü SMD Entegre Devre

Commande moteur PAP à base de L6208

Tekturka Ramki znaczki 8 el. (L6208) - Ceny i opinie - Ceneo.pl

After L6208 configures the circuit according to th ...

L6208_191850.PDF Datasheet Download --- IC-ON-LINE

1 Adet / Grup L6208pd L6208 Hssop-36 Stokta satın almak online > Aktif ...

Speaker-SHENZHEN JSL Electronics Co., Ltd.

Werner #L6208 8 Ft. LEANSAFE Fiberglass Step Ladder

基于L6208的步进电机驱动设计研究_word文档在线阅读与下载_免费文档

Generic IC L6208PD L6208 cars 2PCS : Amazon.in: Home Improvement

(PDF) L6208 fully integrated two phase stepper motor driver - DOKUMEN.TIPS

Microstepping with L6208 - STMicroelectronics Community

Store Home Products Feedback

1 CÁI L6208PD L6208 HSSOP-36 Còn hàng | Shopee Việt Nam

Microstepping with L6208 - STMicroelectronics Community

Urakuulalaakeri 40x80x18 c3 (L6208-2RSC3) - 24,50 EUR

L 6208 PD: Stepper motor driver, 8 - 52 V, 5.6 A, 100 KHz, PSO-36 at ...

Stepper control board based upon L6208

After L6208 configures the circuit according to th ...

Controlling a Stepper Motor through an L6208 controller - Motors ...

L6208N STEPPER DRIVER

새로운 오리지널 점화 컨트롤러 및 드라이버 L6208PD L6208P L6208 SOP 36 10 개, 10 개|배터리 액세사리 ...

Um es dennoch einigermaßen Ordentlich zu halten, teilte ich die ...

DIP L6208N STMicroelectronics MTR DRVR BIPLR 8-52V at Rs 100/piece in ...

Stepper control board based upon L6208

Urakuulalaakeri 40x80x18 c3 (L6208-2RSC3) - 24,50 EUR

  • Вперед Конструкция винтового домкрата
  • Назад Лягушка из хелло китти рисунок

Новые страницы

25X40vsig

Акт несоответствия образец

Боли в поджелудочной железе лечение

Дроби 5 класс по математике для тренировки

Fifa ea sports battle

Гарантийное письмо образец скачать

Гдз 2 класс немецкий язык рабочая тетрадь

Гдз по математике 2 класс моро рабочая тетрадь 2 часть ответы стр 24

Генератор нч своими руками схема

Гравировка сокольники

Калужское тесто

Картинки на аву блондинки на аву

Корпоратив картинки прикольные

Муфта окпд

Октан корректор импульс инструкция

Остров бермея

Передняя подвеска ниссан альмера классик b10 схема

Пежо 206 снятие радиатора печки

Pm7540

Поздравление с днем свадьбы 14 лет картинки

Распиновка блока сигнализации калина 1

Рецепт лукового супа классический французский

Ремонт 2110

Схема цепи питания луга

Схемы составления задач

Спорт физическая культура и здоровье человека

Треугольником называется

Упражнение 478 по русскому языку 6 класс

Занятость ребенка на каникулах образец

Запотевание стекол хендай солярис

cdn.zecar.ru