Skip to content

Фотогалерея

  • Главная
  • Контакты

Квадро схема

Квадро схема

Квадро схема. Схема расширение стерео сигнала. Стерео в 5.1 конвертер схема. Схема эффектов для усилителя. Стерео в Квадро схема.

Квадро схема. Схема подключения предусилителя к усилителю. Как правильно подключить эквалайзер к усилителю схема подключения. Схема включения эквалайзера. Правильно подключить эквалайзер к усилителю.

Квадро схема. Псевдо Квадро звук схема. Псевдоквадро из стерео схема. Схемы для псевдоквадро звука. Псевдо Квадро стерео.

Квадро схема. Шкаф-купе Миллениум-3 схема сборки 3-х дверный. Шкаф София 2-х дверный схема. Шкаф купе Миллениум 4 схема сборки. Шкаф-купе 4-х дверный схема.

Квадро схема

Квадро схема

Квадро схема. Направляющие Хеттих Quadro v6 Silent System. Присадка направляющих Хеттих Квадро v6. Направляющие Квадро Hettich v6 Silent System. Ящик Hettich Quadro v6 присадка.

Квадро схема. Регулятор громкости и баланса схема. Регулятор баланса звука схема. Регулятор баланса в усилителе схема. Схема баланса в УНЧ.

Квадро схема. Схема Квадро преобразователя на микросхемах. Схема декодера системы ABC. Квадрофонический усилитель схема. Схема квадрофонической приставки.

Квадро схема. Усилитель крок CSA-800 схема. Усилитель Дойна 001-100. Усилитель Дойна 001-100 схема. Схема усилителя крок 500.

Квадро схема. Диван угловой Квадро 6. Квадро 5 Ду кухонный уголок. Кухонный диван "Квадро 5 Ду". Кухонный диван Квадро 5 Ду со спальным местом.

Квадро схема. Схема подключения музыкального центра к усилителю. Музыкальный центр с 4 колонками подключение. Схема расстановки колонок музыкального центра. Схема подключения четырех колонок к музыкальному центру.

Квадро схема. Усилитель Юпитер Квадро схема электрическая. Усилитель микрон схема. Юпитер Квадро усилитель БП схема. Усилитель Дойна 001-100 схема.

Квадро схема. Направляющие Хеттих Quadro v6 Silent System. Направляющие Quadro v6 Silent System 450. Присадка направляющих Хеттих Квадро v6. Направляющие Hettich Quadro v6 Silent System.

Квадро схема. Карниз уют Квадро двухрядный. Карниз эко Квадро уют двухрядный. Схема сборки карниза двухрядного. Карниз уют двухрядный инструкция.

Квадро схема. Схема квадрофонической приставки. Квадрофонический усилитель схема. Псевдоквадрофоническая приставка на транзисторах схема. Приставка для псевдоквадрофонического звучания.

Квадро схема. Регулятор ширины стереобазы схема. Расширитель стереобазы на к157уд2. Расширитель стереобазы на к157уд2 с однополярным питанием. Расширитель динамического диапазона экспандер схема.

Квадро схема. Схема 2 канального усилителя звука. Усилитель на микросхеме tda8571j своими руками. Стерео усилитель с общим каналом схема. Tda8571j схема усилителя звука своими руками.

Квадро схема. Стерео в 5.1 конвертер схема. Схема декодера системы ABC. Квадрофония или система АВС. Псевдо Квадро схема.

Квадро схема

Квадро схема. Микшер Лель МХ-3м схема. Принципиальная схема микшера Behringer. Принципиальная схема микшерного пульта. Схема микшера Лель EMX 3m.

Квадро схема. Декодер 5.1 схема. Стерео в 5.1 схема. АВС Декодер звука схема. Схема расширение стерео сигнала.

Квадро схема. Декодер 5.1 схема. Схема расширение стерео сигнала. Схема преобразователя из стерео в псевдо 5.1. Преобразователь стерео в Квадро.

Квадро схема. Схема 5.1 звукового усилителя. Стерео звук 2 динамика схема. Преобразователь из стерео в 5.1 схема. Декодер 5.1 схема.

Квадро схема. Направляющие роликовые 400 мм схема монтажа. Схема установки Firmax метабокс с доводчиком hwl0400. Схема крепления фасадов на метабоксы. Метабоксы 450х150 чертеж.

Квадро схема. Присадка направляющих Хеттих Quadro v6. Направляющие Hettich Quadro v6. Направляющая Hettich Quadro v6 чертеж. Направляющие скрытого монтажа с доводчиком Хеттих схема.

Квадро схема. Схема сбора Квадро. Quadro схемы сборки.

Квадро схема. Тонкомпенсированный регулятор громкости с бас-коррекцией tl074. Печатная плата для регулятора громкости с тонкомпенсацией. Пассивный темброблок схема и печатная плата. Регулятор тембра схема печатная плата.

Квадро схема. Регулятор ширины стереобазы схема. Расширитель стереобазы схема. Расширитель стереобазы на к157уд2 схема. Расширитель стереобазы на к157уд2 с однополярным питанием.

Квадро схема. Стерео в Квадро схема. Квадро усилитель схема. Квадрофонический усилитель схема. Квадро из стерео колонок.

Квадро схема

Квадро схема

Квадро схема

Квадро схема

Квадро схема. Разветвитель звукового сигнала схема. Усилитель звука разветвитель схема. Разветвитель аудио сигнала сплиттер схема. Разветвитель гитарного сигнала схема.

Квадро схема

Квадро схема

Квадро схема. Псевдо Квадро звук схема. Псевдоквадро из стерео схема. Схемы для псевдоквадро звука. Псевдо Квадро стерео.

Квадро схема. Процессор пространственного звучания схема. Усилители с объемным звуком схема. Расширитель стереобазы на tda3810 плата. Усилитель пространственного звучания.

Квадро схема. Псевдо Квадро схема. Псевдо Квадро звук схема. Схема псевдоквадро. Псевдоквадро из стерео схема.

Квадро схема. Квадро из стерео колонок. Псевдоквадрофоническая приставка схема. Приставка Квадро схема. Преобразователь стерео в Квадро.

Квадро схема. Псевдо Квадро звук схема. Псевдоквадро. Псевдо Квадро стерео. Квадро из стерео колонок.

Квадро схема. Схема УНЧ Юпитер Квадро. Усилитель Юпитер Квадро схема. Юпитер 202 схема усилителя. Схема усилителя Юпитер Квадро стерео.

Квадро схема

Квадро схема

Квадро схема. Линейный усилитель напряжения схема. Транзисторного усилителя частотный. Псевдо Квадро звук схема. Линейный усилитель звука схема.

Квадро схема. Псевдо Квадро схема. Псевдо Квадро звук схема. Квадро из стерео колонок. Псевдоквадро из стерео схема.

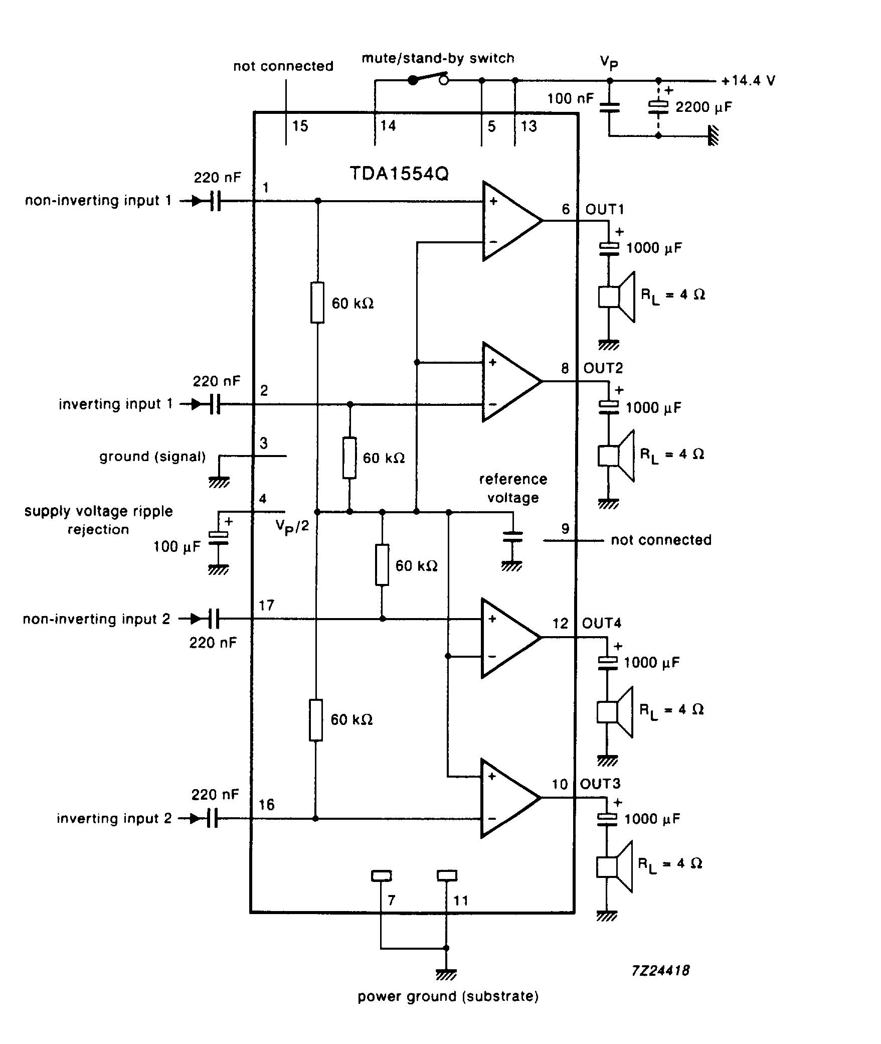
Квадро схема. Усилитель на тда 1555q. Тда 8563 схема усилителя. Микросхема tda1554q схема включения. Схема усилителя мощности 2.1.

Квадро схема. Tas5630b усилитель. Усилитель d класса Tas 5612 a. Tas5342a схема усилителя. Tas5630b схема.

Квадро схема. Присадка направляющих Хеттих Quadro v6. Направляющие Хеттих Quadro v6 Silent System. Направляющие Hettich Quadro v6. Направляющие Hettich Quadro Silent System.

Квадро схема. Переключатель моно-стерео для усилителя схема. Преобразователь стерео в моно. Моно стерео Квадро. Стерео сигнал в моно.

Квадро схема

Квадро схема

Квадро схема. Направляющие Quadro v6+ для деревянных ящиков схема. Hettich Quadro v6 присадка. Hettich Quadro v6 синхронизатор. Hettich Quadro v6 Silent System схема.

Квадро схема. Преобразователь стерео в Квадро. Квадро из стерео колонок. Псевдо Квадро звук схема. Усилители с объемным звуком схема.

Квадро схема. Шкаф купе Лорд Размеры. Шкаф 285 шириной. Ам 800 эко Размеры. Тумбы трио эко Размеры.

Квадро схема. Микросхема 153уд2 схема включения. Стерео усилитель схема на операционном усилителе. Фазовый детектор на операционном усилителе схема. НЧ фазовращатель на операционных усилителях.

Квадро схема. Шкаф Николь 4х створчатый схема сборки. Квадро шкаф 4х створчатый схема сборки. Шкаф трио Стендмебель схема сборки. Шкаф Квадро Эра схема сборки.

Квадро схема. УМЗЧ AX-14. УМЗЧ 12вт на MOSFET транзисторах печатная плата. Печатная плата для мосфета. УМЗЧ на MOSFET С мат. Платы.

Квадро схема

Квадро схема. Hettich Quadro 25 Silent System. Хеттих Квадро 25 v6 Silent System. Хеттих Quadro 25. Hettich Quadro v6 Silent System схема.

Квадро схема. Усилитель том 1201 схема микшера. Принципиальная схема усилителя Томь 1201. Усилитель Родина 1 схема электрическая принципиальная. Усилитель звука том 1201 схема.

Квадро схема

Квадро схема. Звук моно стерео Квадро. Квадро система звучания. Квадрофонические пластинки. Квадрофонический звук.

Квадро схема. Смещение на ОУ. Из стерео в Квадро. Сигнал управления из аудиосигнала. Аудио демодулятор стерео в Квадро.

Квадро схема

Квадро схема. Лагуна 7 св мебель схема сборки. Лагуна 7 св мебель кровать схема сборки. Лагуна 8 св мебель кровать схема сборки. Лагуна 7 шкаф инструкция.

Квадро схема. Схема УНЧ 5.1. Квадро усилитель схема. Квадрофонический усилитель схема. Квадро из стерео схема.

Квадро схема

Квадро схема. Quadro v6 Silent System. Hettich Quadro v6/25 Silent System. Направляющие Quadro v6 nl-450 мм Silent System. Hettich Quadro 25 Silent System схема.

Квадро схема. Схема расширение стереобазы на микросхеме. Разветвитель звукового сигнала схема. Схема 1 канального усилителя. Разветвитель стереосигнала в Квадро схеме.

Квадро схема. Came zc5 схема электрическая принципиальная. Came Quadro comando zc5 схема. Схема подключения платы zc5. Quadro comando zc5 схема подключения.

Квадро схема. Разветвитель звукового сигнала схема. Сплиттер аудиосигнала схема. Пассивный разветвитель аудиосигнала схема. Схема пассивного разветвителя аудиосигнала.

Квадро схема

Квадро схема

Квадро схема. Усилитель Юпитер Квадро схема.

  • Вперед Конфеты lindt
  • Назад Карта ортофото рб

Новые страницы

379 Батарейка

Avent молокоотсос электрический

Богданов кафе

Будничный или будний

Чибгу

Дыхание у животных

Экспортеры чугуна

Fitness ижевск

Гдз по английскому языку 4 класс рабочая тетрадь стр 63 упр 5

Гдз по математике моро 4 класс 2 часть страница 51

Гдз по русскому четвертый класс рабочая тетрадь

Характеристики s9014

Как облегчить зуд при молочнице

Карта отелей сиде с названиями на русском языке

Лечение аневризмы сосудов головного мозга

Математика 4 класс задание 249

Некрополь ритуальные услуги

Новости спорта таблица

Образец письменного разбора имени прилагательного

Переделка праворульных фар

Подработка на мебельном производстве

Покраска дисков кунцево

Разложение hgo

Ремонт тэна стиральной машины занусси

Рс50тв

Схема движения общественного транспорта в спб

Слив на раковину в кухне

Установка винтовых свай для забора

Заявление при устройстве на работу образец

Жесткость пружины технорессор

cdn.zecar.ru