Skip to content

Фотогалерея

  • Главная
  • Контакты

Кр1008вж1

КР1008ВЖ1, купить 122 - Микросхемы для связи - AVRobot.RU

Микросхема КР1008ВЖ1 3271 - купить по выгодной цене в Санкт-Петербурге

КР1008ВЖ1 / КМ1008ВЖ1 - Телефонные микросхемы - МИКРОСХЕМЫ ...

Cервисный модуль для MP3-бумбоксов - Аудио/Видео - Портал радиолюбителей

Схема телефонного аппарата на микросхеме КР1008ВЖ1 » Вот схема ...

Телефоны от А до Я

ЕСЛИ СЛОМАЛСЯ ТЕЛЕФОН… | МОДЕЛИСТ-КОНСТРУКТОР

Самодельное дистанционное управление на ик-лучах (кр1008вж16, кр1008вж18)

ЕСЛИ СЛОМАЛСЯ ТЕЛЕФОН… | МОДЕЛИСТ-КОНСТРУКТОР

Russian HamRadio :: Минисправочник - Микросхема КР1008ВЖ28.

Кр1008Вж1: электронный номеронабиратель с внутренней памятью на 22 ...

Телефоны от А до Я

Кр1008Вж1: электронный номеронабиратель с внутренней памятью на 22 ...

Старинные радиодетали купить в Оренбурге с доставкой | Хобби и отдых ...

Кр1008Вж4: КР1008ВЖ4 микросхема >> 341 шт недорого купить ...

Микросхемы К505РЕ3008 К505РЕ3009 — купить в Красноярске. Состояние: Б/у ...

Телефоны от А до Я

Телефоны от А до Я

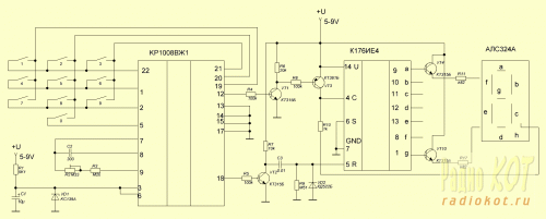
РадиоКот :: Стенд для проверки счетчиков К176ИЕ4

Кр1008Вж1: электронный номеронабиратель с внутренней памятью на 22 ...

Микросхемы LF357N, кр140уд20, кр1014кт, 04кн009 купить в Москве с ...

Микросхемы LF357N | Festima.Ru - Мониторинг объявлений

Микросхемы LF357N | Festima.Ru - Мониторинг объявлений

Контент scales - Страница 2 - Форум по радиоэлектронике

К157УД3 микросхема >> купить недорого

AT89C52 - «VIOLITY»

Радиодетали для радиоаппаратуры купить в Первоуральске | Электроника ...

Схема телефона

Кр1008Вж1: электронный номеронабиратель с внутренней памятью на 22 ...

Плата бесперебойника (111839935) - купити Violity

Переключатель - Violity

Телефоны от А до Я

КР1181ЕН9А микросхема >> купить недорого

Телефоны от А до Я

Схема телефона

  • Вперед Гдз по математике 3 класс рабочая тетрадь 2 часть башмакова
  • Назад Мостовая схема сопротивления

Новые страницы

Что лучше детралекс или троксевазин

Что представляет собой рынок информационных ресурсов кратко

Диаметр дисков

Договор купли продажи автомобиля образец скачать

Функции органоидов клетки рисунок

Гдз о русскому 7 класс ладыженская 1 часть

Город хачмас азербайджан

Хэппи молл схема магазинов

К алфавитному указателю какой падеж

Как измеряются углы

Как прокачать тормоза на 2110

Как снять бензонасос на приоре

Какой кожей обтягивают руль

Кэв 5

Математика 3 класс учебник страница 48

Мировое соглашение по арбитражному делу образец

Новости спорта уфа

Отель альфа измайлово

Пескоструй из фреонового баллона своими руками чертежи

Подогрев сидений емеля отзывы

Предохранитель на рено дастер звуковой сигнал

Рис альденте

Счет фактура ндс образец

Схема состава системы

Спортивный костюм девочки интернет магазин

Умывальник уют 50

Ушинский схема

Ваз 2112 не заводится на холодную

Vt 033 n 04

Замена стекла варочной панели neff

cdn.zecar.ru