Skip to content

Фотогалерея

  • Главная
  • Контакты

Кпп газель 3302 схема

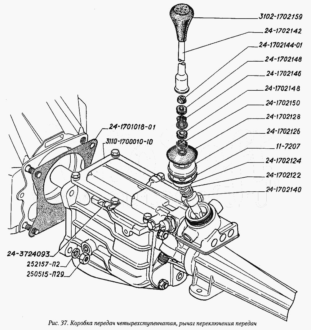
Кпп Газель Схема В Картинках 69 Фотo и картинок

КПП Газель ремонт, диагностика, замена подшипников коробки передач ...

Кпп Газель Схема В Картинках - 70 фото

Кпп Газель Некст Схема В Картинках – Telegraph

Кпп Газель Схема В Картинках - 70 фото

Кпп газель 3302 5 и ступка схема фото

Кпп газель 3302 5 и ступка схема фото

Схема кпп газель некст

Кпп газель 3302 5 и ступка схема фото

Кпп Газель Схема В Картинках - 70 фото

Схема кпп газель некст

Кпп Газель Схема В Картинках 69 Фотo и картинок

Схема кпп газель некст

Кпп Газель Схема В Картинках - 70 фото

Купить Кпп газель в Новосибирске по цене: 25 000₽ — частное объявление ...

Ремкомплект кпп газель 3302 (подшип.SKF) газ-3302 | Festima.Ru ...

Вал первичный КПП Газель-3302, ГАЗель Next дв.CUMMINS ISF 2.8 - МОСТат ...

КПП на Газель Next: механизм работы, ремонт и сборка

Шестерня 5-ой. Передачи кпп газель 3302 | Festima.Ru - Мониторинг ...

Кпп Газель Схема В Картинках - 70 фото

Кпп Газель Схема В Картинках - 70 фото

Кпп Газель 3302 на гар коробка передач газель | Festima.Ru – частные ...

Траверса опоры кпп Газель 3302 | Festima.Ru - Мониторинг объявлений

Кпп Газель Схема В Картинках - 70 фото

Коробка передач на газель.КПП Газель 3302 двигатель Cummins (КАМЕНС ...

Купить Вторичный вал КПП Газель в сборе нового образца 3302-1701100-02 ...

Купить Вилка КПП Газель 3302 н/о в Бердске по цене: 680₽ — частное ...

Кпп Газель Схема В Картинках 69 Фотo и картинок

Купить Вал промежуточный КПП ГАЗель, Соболь, z=36зуб. (3302-1701310 ...

Кпп Газель Некст Схема В Картинках – Telegraph

Купить Шестерня 3-й передачи вторичного вала КПП ГАЗ-3302,Газель,Бизнес ...

Ручка коробки переключения передач (КПП) деревянная на ГАЗель, НИВА ...

Крышка КПП ГАЗель 5-ст. в сб. - GAZ арт. 33021702240 - купить по ...

Вал Промежуточный КПП ГАЗЕЛЬ 3302 5-ст. Без Подш. (RIDER) 3302-1701310 ...

Пыльник рычага КПП Газель 3302-5107090 Газель: продажа, цена в Минской ...

  • Вперед Про зимний спорт для детей
  • Назад Признаки синусита у взрослых и лечение

Новые страницы

Чужое яичко читательский дневник

Деятельность международных спортивных организаций

Дизайн удлиненной комнаты с балконом

Договор субаренды нежилого помещения образец между физическими лицами

Габариты шкода кадьяк и мицубиси аутлендер

Гдз алгебра 7 класс макарович

Гдз по русскому номер 418 7 класс

Грузоперевозка по россии

Каковы основные методы сбора и анализа данных ит проектов

Лечение базалиомы лучевой терапией

Лира музыкальный инструмент картинки

Love your sport

Математика 3 класс страница 14

Министр спорта нижегородской области

Остров мощный финский залив

Песня летка енька слушать

Письмо для работы без печати ип образец

План замены специалистов призываемых на военную службу по мобилизации и в военное время образец

Проект история возникновения математических знаков и символов

Распиновка магнитолы лифан х50

Реклама кухни на заказ

Русский язык 2 часть страница 99 номер 202

Съемник сайлентблоков задней балки солярис чертеж

Server backup

Спорт магазины воронеж

Субару аутбек все поколения фото

Трехфазный диодный мост схема сделать самому

Установка осмоса под мойку

Возможность субъекта действовать по своему усмотрению

Яндекс коннект

cdn.zecar.ru