Skip to content

Фотогалерея

  • Главная
  • Контакты

Кп723

Купить Транзистор IRFZ44N TO-220AB power MOSFET в Москве

Транзистор IRFZ44N: характеристики, datasheet, аналоги, распиновка ...

KP723 Datasheet pdf - Integral

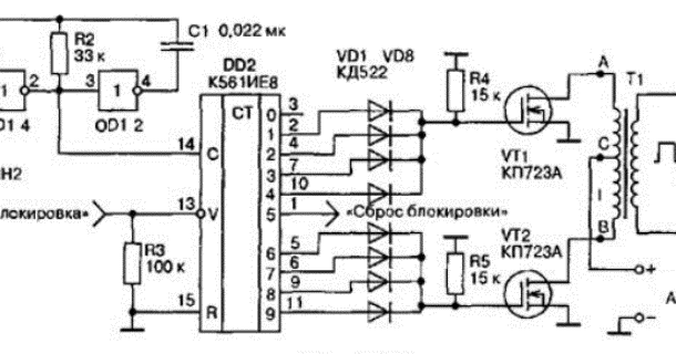
Преобразователь напряжения +12В в переменное 220В (561ИЕ8, КП723)

Подбор мосфета по параметрам: Страница не найдена | RCmarket.ua – i ...

561ие8

KP723A Datasheet - N-Channel Transistor

KP723A Datasheet pdf - Integral

Цветовая и кодовая маркировка полевых и биполярных транзисторов ...

Цветовая и кодовая маркировка полевых и биполярных транзисторов ...

Транзистор IRFZ44N: характеристики, datasheet, аналоги, распиновка ...

Преобразователь напряжения 12В в 220В на 561ИЕ8, КП723

VRTP -> Усилитель звука класса А

Цветовая и кодовая маркировка полевых и биполярных транзисторов ...

Цветовая и кодовая маркировка полевых и биполярных транзисторов ...

Журнал "Радио" 2002 №3

Стабилизатор напряжения | HamLab

Контент somwan - Страница 2 - Форум по радиоэлектронике

Irfz44 транзистор характеристики на русском языке все

Tool Electric: Преобразователь напряжения 12В 220В на К561ИЕ8

Микросхема кр1211еу1 зарубежный аналог

Микросхема кр1211еу1 зарубежный аналог

Схема самодельного импульсного преобразователя напряжения из 6В в 12В ...

Усилитель По Идее Семигора (Семынина) - Страница 45 - Усилители ...

  • Вперед Карта осадков иваново ивановская область онлайн в реальном времени
  • Назад Схема вышивки совы

Новые страницы

Административно территориальное устройство россии контурная карта 9 класс распечатать

Чем олень отличается от лося картинки для детей

Чудо пропись 1 класс 4 часть стр 27

Дорогой ремонт фото

Eva louis vuitton

Герб рф эскиз тату

Горы в судаке названия

Город кемерово район южный схема проезда перекрестков

Гта 5 округ блейн карта

Характеристики пежо 3008

Хендай техцентр кунцево

Как снять тормозной барабан нива 21213

Карта платоновских рамок по россии

Котлаулар туган кон белэн ир кешегэ картинки

Купить foton tunland

Легкие рисунки растений

Манжета переходная 40х50

Математика 6 класс упр 353

Моргает лампочка в люстре

Окр мир 3 класс учебник

Онлайн гимназия номер 1

Приемка квартир

Прорастание семян 6 класс биология учебник

Радиаторы роял биметалл

Распиновка магнитолы джили gc6

Ремонтник фото

Щит трактора тдт 55 вес

Шжх гдз

Труба горячедеформированная бесшовная

Уборщица в салон красоты вечером

cdn.zecar.ru