Skip to content

Фотогалерея

  • Главная
  • Контакты

Корпус пк схема

Корпус пк схема. AEROCOOL PGS vs-9. Компьютерный корпус AEROCOOL vs-9 Black. Корпус AEROCOOL PGS vs-9w Black + VP-550. AEROCOOL PGS vs-9w Black (en57318).

Корпус пк схема. Разъём для подключения звуковых колонок сзади системного блока. Разъем для наушников сзади системного блока. Схема подключения проводов системного блока сзади. USB разъем сзади системного блока.

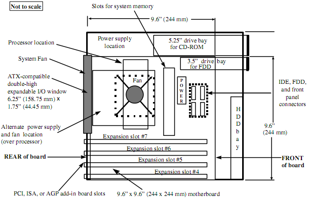
Корпус пк схема. Схема вентиляторов в системном блоке. Блока питания ПК деталь корпуса. Отсек 5.25" для системного блока чертеж. Схема блока питания системного блока компьютера.

Корпус пк схема

Корпус пк схема. Корпус серверный 4u чертеж. Типоразмер корпуса 4u. Корпус 19 дюймов 4u чертеж. Корпус для сервера +2u +чертеж.

Корпус пк схема

Корпус пк схема. Системный блок монтаж материнской платы схемы. Системная плата форм фактора ATX схема. Форм факторы материнских плат LPX. Схема основных узлов системного блока.

Корпус пк схема. Схематическое изображение материнской платы. Схема компонентов материнской платы. Схема основных компонентов системного блока. Материнская плата сборка схема.

Корпус пк схема. Сборка системного блока из комплектующих схема. Системный блок ATX чертеж. Схема сборки игрового ПК. Отсек 5.25" для системного блока чертеж.

Корпус пк схема. Чертеж корпуса ATX NZXT. 204 Х 445 Х 479 мм ШВГ корпуса ПК чертежи системный блок. Сборочный чертеж системного блока. Чертежи системного блока с размерами.

Корпус пк схема

Корпус пк схема. Системный блок состав системного блока схема. Технические характеристики элементов системного блока ПК. Схема подключения системного блока внутри блока. Системный блок схема спереди.

Корпус пк схема

Корпус пк схема. Системный блок LG сзади разъемы. Разъем для наушников сзади системного блока. Виды разъемов на системном блоке сзади. Схема разъема электропитания системного блока.

Корпус пк схема. Технические характеристики элементов системного блока ПК. Схема ИБП системного блока компьютера. Типоразмеры системных блоков. Габариты блока ПК.

Корпус пк схема. Системный блок схема спереди. Схема основных компонентов системного блока. Основные компоненты ПК состав системного блока. Системный блок корпус блок питания системная материнская плата.

Корпус пк схема. Корпус Raspberry Pi 3 чертеж. Чертежи корпуса Raspberry Pi 4b. Корпус Raspberry Pi 4 чертеж. Корпус для Распберри пи 4 чертежи.

Корпус пк схема. Чертеж корпуса ATX NZXT. Корпус NZXT h510 чертёж. Чертеж корпуса АТХ ;. Чертеж корпуса мини АТХ.

Корпус пк схема. Схема внутреннего строения системного блока. Компоненты системного блока схема. Системный блок схема спереди. Системный блок внутри схема.

Корпус пк схема. Состав системного блока компьютера схема. Внутренняя архитектура компьютера. Системный блок старый с описанием сзади. Основные компоненты системного блока ПК таблица.

Корпус пк схема. Схема системного блока компьютера асус. Системныйблог внутри схема. Системный блок внутри схема. Системный блок изнутри изнутри схема.

Корпус пк схема. Трансивер Дружба м схема 4.3. Чертеж корпуса трансивера. Корпус трансивера Дружба м. Схема трансивера Дружба м 4.1.

Корпус пк схема. Схема устройства блока питания ПК. Из чего состоит блок питания ПК. Схема подключения блока питания системного блока компьютера. Из чего состоит блок питания компьютера схема.

Корпус пк схема. Чертежи корпусов Cooler Master. Чертеж корпуса ATX NZXT. 204 Х 445 Х 479 мм ШВГ корпуса ПК чертежи системный блок. Сборочный чертеж системного блока.

Корпус пк схема. Технические характеристики элементов системного блока ПК. Основные составляющие системного блока персонального компьютера.. Составляющие системного блока таблица. Системный блок внутри схема.

Корпус пк схема. Системный блок разъемы сзади. Разъем электропитания системного блока компьютера. Схема разъема электропитания системного блока. Схема разъема проводов питания системного блока.

Корпус пк схема. Системный блок схема спереди. Блок-схема устройства ПК системный блок. Схема разъема электропитания системного блока. Компоненты системного блока схема.

Корпус пк схема

Корпус пк схема. Чертеж корпуса ПК для Автокад. AUTOCAD системный блок. Кулер Автокад блок. Корпус для платы в Автокад.

Корпус пк схема. Корпус для ПК AUTOCAD. Чертежи корпуса системного блока. Чертеж корпуса ПК. Автокад чертеж системного блока.

Корпус пк схема. Системный блок схема спереди. Сборка и разборка системного блока компьютера. Внутренние компоненты системного блока схема. Схема системного блока компьютера асус.

Корпус пк схема

Корпус пк схема. Ремонт ПК схема. Компьютер взрыв-схема. Взрыв схема бытовой техники. Схема ПК В 2х комнатах.

Корпус пк схема. Чертеж корпуса АТХ cdr. Схема сборки системного блока. Габариты корпуса системного блока. Системный блок ATX чертеж.

Корпус пк схема. Отверстия под видеокарту Размеры. Расположение вентиляторов Huawei d15. Расположение вентиляторов а 6 2003. Как организовать охлаждение в корпусе без притока спереди.

Корпус пк схема. Схема сборки системника. Состав системного блока компьютера схема. Блок схема системного блока компьютера. Системный блок схема спереди.

Корпус пк схема. Состав системного блока компьютера схема. Системный блок схема Информатика. Основные устройства системного блока схема. Состав компьютерного блока.

Корпус пк схема. Схема электропитания системного блока. Устройство системного блока схема. Из чего состоит системный блок компьютера схема. Системный блок внутренняя схема.

Корпус пк схема. Чертеж корпуса ATX. Материнская плата Micro ATX чертёж 244*244. Схема отверстий платы ATX. ATX корпус Размеры.

Корпус пк схема. Чертеж корпуса ПК Mini-ITX. HDD 2.5 чертеж. Чертеж корпуса 1195х595.

Корпус пк схема. Схемы состав системного блока ПК. Схема работы системного блока компьютера. Составляющие системного блока схема. Сборка системного блока схема подключения.

Корпус пк схема. Сзади корпуса щель\ъ системный блок. Системный блок Velton схема. Системный блок сзади вектор. Системный блок сбоку элементы.

Корпус пк схема. Схема сборки системного блока компьютера. Схема основных компонентов системного блока. Устройство системного блока схема. Системный блок сбоку провода.

Корпус пк схема. Системный блок схема строения. Находятся в системном блоке стационарного персонального компьютера.. Состав системного блока схема. Схема блока питания системного блока компьютера.

Корпус пк схема. Корпус ПК вид сбоку. Вид корпуса системного блока со стороны монтажа. Системный блок сбоку элементы. Внутренние схема подключения системного блока.

Корпус пк схема. Системный блок сзади схема. Схема разъема электропитания системного блока. Обозначения разъемов системного блока спереди. Устройство схема разъема к которому подключено Электропитание.

Корпус пк схема. Системный блок внутри схема. Схема сборки системника. Схема сбора системного блока. Части корпуса системного блока.

Корпус пк схема. Системный блок компьютера состоит из. Строение компьютерного блока. Схема внутреннего строения системного блока. Схема системного блока компьютера асус.

Корпус пк схема. Системный блок состав системного блока схема. Системный блок схема спереди. Блок схема системного блока компьютера. Системный блок внутри внутри внутри схема.

Корпус пк схема. Чертеж корпуса блока питания ATX. Mini ITX корпус чертежи. Размеры корпуса системного блока компьютера габариты. Типоразмер корпуса Mini ATX.

Корпус пк схема. Чертеж корпуса мини АТХ. JBL 4310 чертеж корпуса. Mini ITX корпус чертежи. Чертеж корпуса трансивера.

Корпус пк схема. Системный блок внутри схема. Системный блок изнутри изнутри схема. Системник сбоку рисунок. Внутренности ПК сбоку.

Корпус пк схема. Системный блок ПЭВМ модель ст. Системный блок INWIN 2014г схема. Системный блок изнутри изнутри схема. Строение системного блока.

Корпус пк схема. Схема основных компонентов системного блока. Состав системного блока компьютера схема. Из чего состоит системный блок компьютера схема. Схема системного блока компьютера асус.

Корпус пк схема. Схема вентиляторов в корпусе. Схема вентилятора ПК. Схема установки вентиляторов в корпусе. Схема установки вентиляторов в корпус пе.

Корпус пк схема. Системный блок корпус блок питания системная материнская плата. Процессор Оперативная память блок питание видеокарта жёсткий диск. Строение системного блока. Компоненты внутри системного блока.

Корпус пк схема. Типоразмер корпуса 4u. Корпус серверный 4u чертеж. Серверный корпус 3u чертёж. Корпус 19 дюймов 6u чертеж.

Корпус пк схема. Порты сзади системного блока. Юсб порт сзади системного блока. Системный блок разъемы сзади. Виды разъемов на системном блоке сзади.

Корпус пк схема. Схема установки вентиляторов в корпус пе. Схема охлаждения блока питания компьютера. Вентиляция ПК корпуса схема. Схема установки вентилятора компьютера.

Корпус пк схема. Габариты корпуса ATX. Габариты компьютерного блока. Размеры корпуса системного блока компьютера габариты. Чертеж корпуса ATX NZXT.

Корпус пк схема. Система охлаждения системного блока ПК схема. Схема вентиляции системного блока ПК. Охлаждение корпуса ПК схема. Схема продувки системного блока.

Корпус пк схема. Размеры блока питания ATX чертежи. Чертеж корпуса блока питания ATX. Габариты блока питания ATX. Размеры блока питания ATX.

Корпус пк схема. Системный блок разъемы сзади. Корпус системного блока сзади. Материнская плата в системном блоке вид сзади. Системный блок сбоку элементы.

Корпус пк схема. Блок питания ПК ТТХ. Параметры компьютерного блока питания. БП компьютера параметры. Состав блока питания ПК.

Корпус пк схема. Кулер на вдув спереди. Охлаждение ПК схема вдув выдув. Вентиляторы на вдув и выдув в системном блоке. Установка вентиляторов в корпус компьютера схема.

Корпус пк схема. Охлаждение компьютера схема кулеры. Схема системы охлаждения системного блока. Схема продувки системного блока. Установка кулера на процессор схема.

Корпус пк схема. Составные части системного блока. Основные составные части системного блока. Системный блок описание. Содержимое ПК блока.

Корпус пк схема. Передняя панель системного блока Iru. Системный блок компьютера вид спереди. Передняя панель системного блока разъемы. Системный блок с корпусом desktop 2 спереди.

Корпус пк схема

Корпус пк схема. Корпус AEROCOOL Top Pro. AEROCOOL распиновка блока. Чертеж системного блока компьютера AEROCOOL. AEROCOOL p7c1 панель управления схема.

Корпус пк схема

Корпус пк схема. Вентиляция ПК корпуса схема. Схема охлаждения корпуса компьютера. Схема вентилятора компьютера в корпусе. Схема воздушной системы охлаждения корпуса ПК.

Корпус пк схема. Организация охлаждения. Актуальность сборки ПК. Сообщение на тему сборка компьютера. Гипотеза о сборке ПК.

Корпус пк схема. Системный блок LG сзади разъемы. Разъем для наушников сзади системного блока. Системный блок сзади вектор. Схема основных компонентов системного блока.

Корпус пк схема. Схема системного блока компьютера. Системный блок схема строения. Системный блок компьютера жесткий диск схема или чертеж. Составляющие системного блока рисунок.

Корпус пк схема. Составляющие ПК железа.

Корпус пк схема. Системный блок ПЭВМ r70. Строение компьютерного блока. Системный блок схема строения. Схема системного блока компьютера.

Корпус пк схема. Система охлаждения компьютера схема. Схема установки вентиляторов в ПК. Схема установки кулеров в ПК. Система охлаждения ПК презентация.

Корпус пк схема. Схема сбора компьютера из комплектующих. Схема сборки системного блока компьютера. Схема сборки материнской платы. Сборка системного блока схема подключения.

Корпус пк схема. Системный блок схема спереди. Вид корпуса системного блока со стороны монтажа. Устройство ПК схема системный блок. Схема системного блока ПК Windows 7.

Корпус пк схема. Схема системы охлаждения системного блока. Вентилятор снаружи сбоку системного блока. Правильная вентиляция корпуса системного блока схема. Схема вентиляторов охлаждения корпуса ПК.

Корпус пк схема. Системный блок схема спереди. Схема структура системного блока компьютера. Схема основных узлов системного блока. Основные устройства системного блока схема.

  • Вперед С днем рождения даниэла картинки красивые
  • Назад Самодиагностика опель корса

Новые страницы

Черный акантоз лечение

Чип и дейл с днем рождения картинки

Чистим дроссельную заслонку

Добыча и экспорт нефти

Двадцатипятиметровый прилагательные

Физическая работоспособность в спорте

Гдз по математике тематический контроль 3 класс голубь

Гдз по русскому языку упр 530

Гдз рабочая тетрадь по чтению

Изготовление баннеров для наружной рекламы

Как работает схема 1 1

Карта для бемиджи драйв россия

Корпус пк схема

Летим на море

Нарисовать созвездие 2 класс окружающий мир примеры

Первым кто разработал схему многоступенчатой ракеты был константин циолковский

Подготовительные упражнения для плавания

Представление на награждение образец

Птицы в израиле

Римская империя на пике могущества карта

Рисованные рисунки

Rotten sour разница

С добрым утром ирочка картинки красивые

Схема 34 маршрута пенза

Служебная записка о привлечении к работе в выходной день образец

Супервайзер резюме образец

Температура во впускном коллекторе

Вантаа финляндия

Выпускали шершавый скот из хлевов

Журнал приема посетителей по личным вопросам образец

cdn.zecar.ru