Skip to content

Фотогалерея

  • Главная
  • Контакты

Конструкция двери

Крепления для дверей как регулировать - Деревология

24 стильных примера использования деревянных решёток в интерьере квартиры

Конструкция двери Мастино

Раздвижные межкомнатные двери: устройство, конструкция

конструкция мдф дверей фото

Двери Папа Карло размеры дверей и проемов.

Как правильно выбирать входную дверь в квартиру

Конструкция металлической двери

Что такое скрытый монтаж межкомнатных дверей

Входные двери: стандартные размеры с коробкой

Основные виды дверей лифтов

Конструкция двери | Сектор-Дорс

Входная дверь Стронг 100М в СПб. Цена завода

Конструкция металлической двери - «First-Doors»

Установка двери в угловой шкаф кухни - фото

Конструкция металлической двери: Конструкция металлической входной ...

Двери царговые межкомнатные из чего делают

Лучшая конструкция входной двери: выбираем надежный вариант

Чертежи входных металлических дверей - Двери Клин - «Двери Клин»

Входные металлические двери в Обнинске с установкой по выгодным ценам ...

Установка двери со скрытым коробом - 83 фото

Раздвижные межкомнатные двери: устройство, конструкция

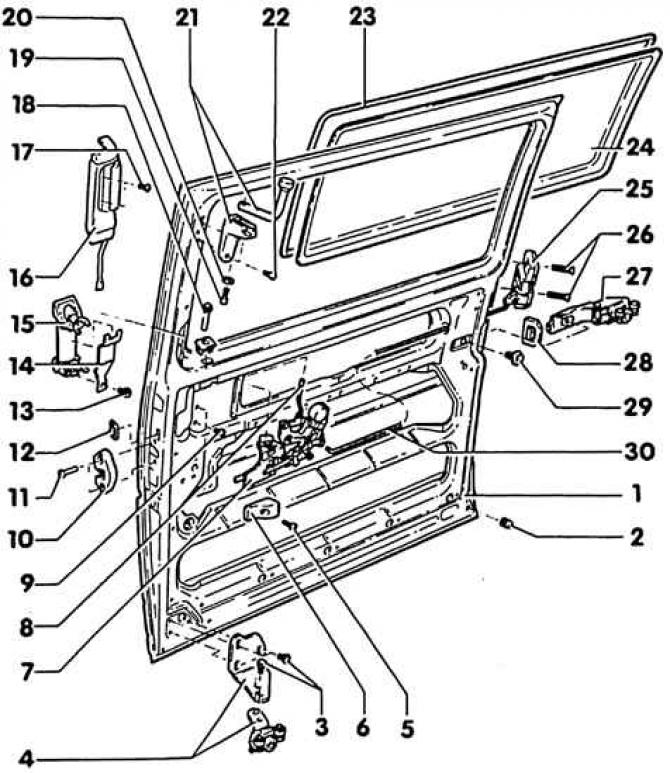
Устройство сдвижной двери (Кузов / Двери и окна / Volkswagen ...

Ремонт стеклянной двери шкафа

Сколько стоит установка входной металлической двери

PDF - Шкаф с комбинированными дверьми 800х400х2000 (Чертеж в PDF ...

Как самому сделать дверь гармошку: пошаговая инструкция

Сварка металлической двери: чертежи, конструкция, инструменты ...

Дверь-гармошка

виды замков для дверей пластиковых дверей

Конструкция двери Гранит в разрезе. - YouTube

Двери для шкафа-купе своими руками, как сделать раздвижные двери ...

Выдвижные двери и межкомнатные перегородки из стены, как сделать их ...

Стеклянная дверь на улицу: раздвижные и сдвижные

Серая эконом дверь с порошковым напылением и ламинат отделкой Е1252 в ...

  • Вперед Карта дальневосточного федерального округа
  • Назад Камаз 5320 схема электрооборудования

Новые страницы

10 Шекелей израиль

Аделина с днем рождения картинки красивые

Бакс бани и лола банни пошлые картинки

Что такое разъем rca

Дмитров водоснабжение

Если болит поджелудочная железа симптомы и лечение

Фото на резюме какое должно быть образец

Инсулинорезистентность диета и лечение

Камеры брейвика в норвегии

Конспект национальная и религиозная политика в 1725 1762

Коррозия вала рулевой рейки

Куприн олеся читательский дневник

Музей гибли

Набоков лолита краткое содержание

Непосредственный впрыск топлива что это

Остроугольные прямоугольные и тупоугольные треугольники

Озеро изумрудное марий эл новотроицк

Падежи у имен прилагательных

Портулак цветы

Приказ о больничном по беременности и родам образец

Природа на реке волга

Рисуем космос гуашью поэтапно

Сайлентблок ваз 2114 признаки неисправности

Схема путепровода

Схема свитера резинкой

Схемы предложений с несколькими придаточными

Смешные картинки с именем даша

Телефон такси вип

Упражнение 106 русский язык 3 класс

Usb кабель схема

cdn.zecar.ru