Skip to content

Фотогалерея

  • Главная
  • Контакты

Kc147a

12V 1W Zener Diode 1N4742A Through Hole 2-Pin | Majju PK

KC147A diode Datasheet, Distribuidor, stock y mejor precio

1N4750A: 1N4750A, Стабилитрон 27В, 5%, 1Вт, DO-41, Китай – i-FlashDrive ...

Buy 12V Zener Diode Online In India. Hyderabad

3.9V Zener Diode-D-3-9V

Микросхемы для управления симистором

KC147 datasheet, transistors equivalent, Tesla Elektronicke

integrator - EasyEDA open source hardware lab

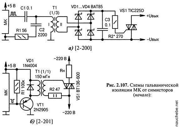
Управление симисторами в схемах на микроконтроллере

integrator - EasyEDA open source hardware lab

Store Home Products Feedback

KC147 Tesla Elektronicke Transistor, Hoja de datos, Ficha técnica ...

Эквиваленты транзистора, динистора, тиристора, варикапа, замена деталей

Bảng tra cứu điốt (diode) công suất nhỏ - Mạch Điện Lý Thú

Reconditionare Kashtan 1 - Pagina 2 - Vintage tranzistorizat ...

Симистор включение нагрузки: Схема управления симистором. Включение ...

Bảng tra cứu điốt (diode) công suất nhỏ - Mạch Điện Lý Thú

Bảng tra cứu điốt (diode) công suất nhỏ - Mạch Điện Lý Thú

YO4HFU Website

Разработка интерфейса сопряжения с нагрузкой — Лекциопедия

Zener Diode 4.7V 58mA 0.3W KC147 THT

Разработка интерфейса сопряжения с нагрузкой — Лекциопедия

Разработка интерфейса сопряжения с нагрузкой — Лекциопедия

Схема управления двигателем постоянного тока симистором

Разработка интерфейса сопряжения с нагрузкой — Лекциопедия

Ir2117 схема включения. Высоковольтные драйверы IR для управления ...

  • Вперед Образец составления бизнес плана
  • Назад Задний развал

Новые страницы

Автосервис вязники

Автосигнализация метка нормально замкнутое реле

Договор ремонта квартиры между физическими лицами образец скачать

Дворец спорта нефтехимик салават

Гдз математика 6 класс виленкин 2 часть номер 254

Гдз по английскому языку девятый класс афанасьева 2 часть

Геометрия тетрадь для тренировки и мониторинга

Инвентарная карточка учета основных средств образец

Как сделать красивую картинку в кс го на разрешении 4 3

Как выглядит ролик натяжителя

Карта уно переворот распечатать

Котики говорят спасибо картинки

Лондон 1930 е годы

Математика 6 класс упр 935

На лыжах стреляют вид спорта

Настройка digitronic iq

Озеро тихое светлогорск калининградской области

Первое миссионерское путешествие апостола павла карта

Почему дмитрий донской был убежден в том что наступает новое время

Птк спорт оборудование для бассейнов

Расписка об отсутствии претензий после затопления квартиры образец

Ре19 43 31160

Решение участника о выходе из общества образец

Схема проводки альф

Строительные леса в аренду в москве цены

Установка винтовых свай спб

Виды спорта в москве

Wilo star rs 25 6

Ювелирные мастерские москвы

Замена стекла samsung s20

cdn.zecar.ru