Skip to content

Фотогалерея

  • Главная
  • Контакты

Кантер электросхема

Кантер электросхема

Кантер электросхема

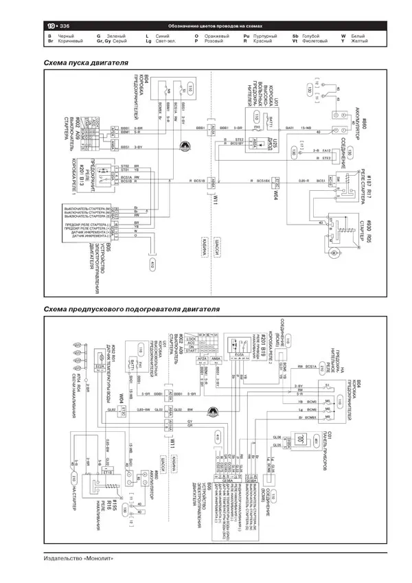
Кантер электросхема. Mitsubishi Canter схема электрооборудования. Mitsubishi Fuso Canter электросхема. Схема электрооборудования Mitsubishi Canter 1995. Mitsubishi Canter 1994 схема электрооборудования.

Кантер электросхема

Кантер электросхема. Электрооборудование Toyota Carina 1993. Схема электрооборудования Toyota Carina at170. Схема электрооборудования Toyota ae100. Схема электрооборудования Тойота Карина АТ 212.

Кантер электросхема. Схема генератора Митсубиси Галант 2001. Схема подключения генератора Митсубиси Диамант-2. Схема генератора Mitsubishi Galant. Галант 2002 схема генератора.

Кантер электросхема. Электросхема Тойота Королла 100 кузов. Схема электрооборудования Тойота Королла ее 100. Toyota Corolla 2000 электросхема АБС. Электросхема Тойота Королла.

Кантер электросхема. Mitsubishi Fuso Canter электросхемы. Mitsubishi Fuso Canter схема электрооборудования. Электросхема Митсубиси Fuso Canter. Mitsubishi Canter 1994 схема электрооборудования.

Кантер электросхема. Mitsubishi Canter схема электрооборудования. Fuso Canter схема электрооборудования. Мицубиси Кантер 2003 схема электрооборудования. Схема электрооборудования Mitsubishi Canter 1995.

Кантер электросхема. Схема электрооборудования Fuso Fighter. Схема электрооборудования Mitsubishi Canter 1995. Fuso Canter схема электрооборудования. Fuso Canter электросхема.

Кантер электросхема. Электросхема бензонасоса Lancer 10. Схема подключения ПТФ Лансер 10. Схема противотуманных фар Лансер 9. Схема аварийной сигналов Лансер 9.

Кантер электросхема. Схема электрооборудования Toyota Camry sv40. Схема электрооборудования Toyota Camry 40. Электро схема стоп сигнала Камри 40. Электросхема стоп сигналов Тойота Камри 2015.

Кантер электросхема. BAW Fenix 1044 схема электрооборудования. Схема электрооборудования бульдозера Зумлион 320. Комацу 65е схема электрооборудования. Электрические схема Коматсу д63е.

Кантер электросхема

Кантер электросхема. Горный тормоз Fuso Canter схема. Митсубиси Кантер 1995 реле горного тормоза. Mitsubishi Fuso 2003 год электросхема горного тормоза. Реле горного тормоза Мицубиси Фусо 2000 года.

Кантер электросхема. Mitsubishi Canter схема электрооборудования. Электрическая схема Мицубиси Кантер. Электрическая схема Кантер 4д33. Fuso Canter схема электрооборудования.

Кантер электросхема. Mitsubishi Canter 1994 схема электрооборудования. Электрическая схема Mitsubishi Fuso. Mitsubishi Fuso Canter распиновка панели приборов. Mitsubishi Fuso Canter схема электрооборудования.

Кантер электросхема. Mitsubishi Fuso 1996 года схемы. Mitsubishi Fuso Canter схема электрооборудования. Схема электрооборудования Mitsubishi Canter 1995. Электрическая схема Mitsubishi Fuso.

Кантер электросхема. Схема электрооборудования Mitsubishi Canter 1995. Mitsubishi Fuso Canter схема электрооборудования. Mitsubishi Canter схема электропроводки. Электросхема Фусо Кантер.

Кантер электросхема. Схема электрооборудования Mitsubishi Canter 1995. Mitsubishi Canter 1994 схема электрооборудования. Fuso Canter схема электрооборудования. Mitsubishi Canter схема электропроводки.

Кантер электросхема

Кантер электросхема. Электрическая схема Mitsubishi Space Gear. Схема проводки Мицубиси Мираж 2000. Мицубиси Дион 2000 схема электрооборудования. Схема электропроводки Мицубиси Дион 2000г.

Кантер электросхема. Mitsubishi Canter 1994 схема электрооборудования. Электрическая схема Mitsubishi Lancer 9. Электрическая схема Mitsubishi Colt 1.3 2007. Электрическая схема Mitsubishi Colt.

Кантер электросхема

Кантер электросхема

Кантер электросхема. Схема антиблокировочной системы тормозов Toyota ipsum для моделей 4wd. Toyota Matrix 2002 схема спидометра. Схема Тойота Марк 2 jzx100. Toyota блок АБС схема.

Кантер электросхема

Кантер электросхема. Mitsubishi Fuso Canter электросхема. Схема электрооборудования Mitsubishi Canter 1995. Mitsubishi Canter 1994 схема электрооборудования. Fuso Canter схема электрооборудования.

Кантер электросхема. Схема электрооборудования Toyota Vitz 1999. Схема ABS Toyota Camry 2008. Электропроводка тормозов Toyota Carina. Электросхема Toyota Premio 2002.

Кантер электросхема. Электрооборудование Toyota Carina 1993. Система управления двигателем 7a-Fe. Схема двигателя Тойота 5е. Схема управления двигателем 3s-Fe Toyota rav4.

Кантер электросхема. Электрическая схема Mitsubishi RVR 1993. Электросхема Мицубиси Мираж 1999 4g13. Mitsubishi Colt 1992 схема. Мицубиси RVR 1998 4g93 электросхема.

Кантер электросхема

Кантер электросхема. Датчик скорости Фусо Кантер схема. Fuso Canter схема электрооборудования. Электрическая схема Mitsubishi Fuso. Схема электрооборудования Mitsubishi Canter 1995.

Кантер электросхема. Схема электрооборудования Mitsubishi Canter 1995. Схема электрооборудования Mitsubishi Canter 1989. Mitsubishi Fuso Canter схема электрооборудования. Fuso Fighter электрическая схема.

Кантер электросхема. Электросхемы двигателя 1g-e Toyota Crown. Схема блока управления двигателем 1g Fe. Электрическая схема Toyota Crown 210 кузов. Электросхема блока управления 1g Fe.

Кантер электросхема

Кантер электросхема

Кантер электросхема. Схема электрооборудования Митсубиси Делика. Схема блокировки заднего моста Паджеро спорт 2. Схема включения блокировки заднего моста Паджеро спорт 2. Схема электрооборудования Mitsubishi RVR 2000-2006.

Кантер электросхема. Mitsubishi Fuso Trucks EPC 2013. 4g63 Mitsubishi Fuso Canter manual. Фусо Кантер надпись. Mitsubishi Fuso Canter каталог запчастей.

Кантер электросхема. Реле клапана отсечки топлива Ниссан атлас. Клапан отсечки топлива схема.

Кантер электросхема. Wiring diagram for Mitsubishi Mirage VL 1992. Распиновка магнитолы на Фусо Кантер. Electronic Night Vision wiring diagram for Mitsubishi Endeavor xls 2005. Митсубиси Фусо Кантер установка центрального замка.

Кантер электросхема. Mitsubishi Lancer 2.0 схема блока управления. Лансер 10 Эл схема зеркала заднего вида. Mitsubishi Diamante схема сбоку. Схема зеркал Лансер 10.

Кантер электросхема

Кантер электросхема. Mitsubishi Canter схема электрооборудования. Fuso Canter схема электрооборудования. Электрическая схема Mitsubishi Canter Fuso. Fuso Fighter электрическая схема.

Кантер электросхема

Кантер электросхема. Mitsubishi Canter схема электрооборудования. Mitsubishi Fuso Canter схема электрооборудования. Схема электрооборудования Mitsubishi Canter 1995. Mitsubishi Canter 1994 схема электрооборудования.

Кантер электросхема. Электрическая схема Mitsubishi RVR 1993. Mitsubishi RVR электрическая схема. Электросхема Mitsubishi RVR 1994. Mitsubishi Galant 1997 электрическая схема.

Кантер электросхема. Mitsubishi Canter схема электрооборудования. Fuso Canter схема электрооборудования. Электрическая схема Mitsubishi Canter Fuso. Электросхема Фусо Кантер.

Кантер электросхема. Электросхемы двигателя Митсубиси Кантер. Fuso Canter схема электрооборудования. Mitsubishi Canter схема электрооборудования. Схема электрооборудования Mitsubishi Canter 1995.

Кантер электросхема. Схема комбинация приборов Mitsubishi Pajero 3. Паджеро 2 комбинация приборов схема. Схема электрооборудования Mitsubishi Canter 1995. Схема Электрооборудование ММС Кантер 2000г1.5т.

Кантер электросхема

Кантер электросхема. Mitsubishi 4g64 схема блока управления. Mitsubishi Pajero Sport 2008 схемы. Mitsubishi Pajero 2 схема управления двигателем. Mitsubishi Pajero 1997 г электросхема управления двигателем.

Кантер электросхема. Схема электрооборудования Mitsubishi Canter 1995. Mitsubishi Canter 1994 схема электрооборудования. Мицубиси Кантер схема электрооборудования. Mitsubishi Fuso Canter электросхема.

Кантер электросхема. Mitsubishi Fuso Canter электросхемы. Mitsubishi Canter схема электрооборудования. Спидометр Mitsubishi Fuso Canter схема. Схема электро Mitsubishi Fuso 1996.

Кантер электросхема. Электрическая схема Mitsubishi Fuso Fighter 2003. Электрическая схема Mitsubishi Fuso. Mitsubishi Fuso Fighter схема электрическая. Электрический схема Митсубиси Кантер 2007.

Кантер электросхема. Схема блока предохранителей на Mitsubishi Fuso Fighter. Схема предохранителей Mitsubishi Fuso 1994. Схема реле Митсубиси Фусо Файтер. Mitsubishi Fuso 1993 самосвал предохранители схем.

Кантер электросхема. Схема проводки Kia Spectra 2008. Киа спектра схема освещения. Схема электропроводки Киа спектра 2006. Схема Эл проводки Киа спектра.

Кантер электросхема

Кантер электросхема

Кантер электросхема

Кантер электросхема

Кантер электросхема

Кантер электросхема. Схема электропроводки фар Mitsubishi Lancer 9. Митсубиси Лансер 9 электросхема фар. Схема аварийной сигнализации Лансер 9. Схема проводки фар Лансер 9.

Кантер электросхема. Mitsubishi Canter схема электрооборудования. Схема электрооборудования Mitsubishi Canter 1995. Mitsubishi Fuso Canter схема электрооборудования. Электрическая схема Mitsubishi Fuso Fighter 2003.

Кантер электросхема. Электросхемы Nissan a32. Nissan Note схема электрооборудования. Nissan Vanette 1988 схема электрооборудования. Схема электрооборудования Ниссан ноте е11.

Кантер электросхема. Электросхема Митсубиси Fuso Canter. Схема электрооборудования Derways Aurora. Mitsubishi Canter 1994 схема электрооборудования. Mitsubishi Fuso Canter схема электрооборудования.

Кантер электросхема. 4g93 GDI ЭБУ схема. Схема управления двигателем 4g93. Mitsubishi RVR электрическая схема. Схема электрооборудования двигателя 4g15.

Кантер электросхема. Электрическая схема Мицубиси Паджеро спорт 2. Электрическая схема Mitsubishi Pajero Sport 1. Мицубиси Паджеро спорт схема электрооборудования. Электрическая схема Mitsubishi RVR 1993.

Кантер электросхема. Hyundai hd72 электросхема. Hyundai HD 78 d4ga электросхемы. Электросхема поворотников Hyundai hd78. Электросхема Hyundai HD 78 АБС.

Кантер электросхема

Кантер электросхема. Электрическая схема блока управления двигателем. Схема электрооборудования двигателя 4g15. Схема управления двигатель Митсубиси 4g63. Схема управления двигателем 4m51.

Кантер электросхема. Схема электрооборудования Mitsubishi Canter 1995. Mitsubishi Canter 1994 схема электрооборудования. Fuso Canter электрическая схема АБС. Mitsubishi Canter схема электропроводки.

Кантер электросхема. Схема ключа Mitsubishi Pajero 1995. Mitsubishi Pajero Sport 2004г.в электросхемах. Электрическая схема Мицубиси Делика. Схема электропроводки Jeep Compass.

Кантер электросхема. Электрическая схема Мицубиси Паджеро спорт 2. Блок включения полного привода Митсубиси l200. Схема включения полного привода л 200.

Кантер электросхема. Fuso Canter схема электрооборудования. Электрическая схема Mitsubishi Canter Fuso. Mitsubishi Fuso great схема электрооборудования. Схема электрооборудования Mitsubishi Canter 1995.

  • Вперед На рисунке приведен график зависимости координаты тела х от времени t при прямолинейном движении
  • Назад Карта осадков можайск в реальном времени на сегодня

Новые страницы

Банк русский стандарт официальный сайт телефон

Дорожная карта профессионального роста педагога на три года

Электросхема samsung

Гдз по русскому якубовская 9 класс

Госуслуги москва официальный сайт

Gy 61

Ipad mini 2 замена стекла

Исетское такси

Как определить энергию массу и импульс фотона зная частоту световой волны

Как пользоваться зарядным устройством лягушка

Кантер электросхема

Картинки с цифрами на шкафчики для детского сада в хорошем качестве

Купить франшизу услуг

Литературное чтение 4 класс меркин

Математика 5 класс 2 часть виленкин номер 198

Не качает бензонасос на ваз 2114

Размер ключа для свечей зажигания

Ремонт квартир в уфе недорого под ключ

Резюме начальника отдела кадров образец грамотное

Схема ponyprog

Схема расположения мест в ласточке

Схемы аранов шапки

Скупка сломанных телефонов на запчасти спб

Словарные слова в картинках 1 класс школа россии распечатать карточки

Спорт товары магазины

Спорта рву

Старая карта монастырщинского района смоленской области

Условия спортивной деятельности

Вью трейдинг

Зимние виды спорта календарное планирование старшая группа

cdn.zecar.ru