Skip to content

Фотогалерея

  • Главная
  • Контакты

Как урезать мост от жигулей

Как урезать рацион и не страдать от голода - ДиетсРека

Как дела? Нет ощущения, что дел слишком много и проблем меньше не ...

ЖЕСТЬ!!!! Задний мост от Жигулей??? - YouTube

ДОРАБОТКА МОСТА НА КЛАССИКЕ / НИВА Все владельцы Жигулей или Нивы знают ...

Как урезать стекло на шкаф купе - YouTube

Массово снимают надбавки и могут урезать оклады. Как пересчитают ...

Компьютерные сети что такое мост » Posetke

ВЫРВАЛИ МОСТ У ЖИГУЛЕЙ - YouTube

Собрали опалубку под мост. Мост от лестницы до дома. - YouTube

Мистериозни стари мостове, издържали изпитанията на времето | Обекти

Диодный мост сенс 8 диодов от Лады — ЗАЗ Chance, 1,3 л, 2010 года ...

Крымский мост устал: После взрыва сложились пролеты Керченского моста ...

1 Артка фото - Скачать бесплатные картинки - Fonwall

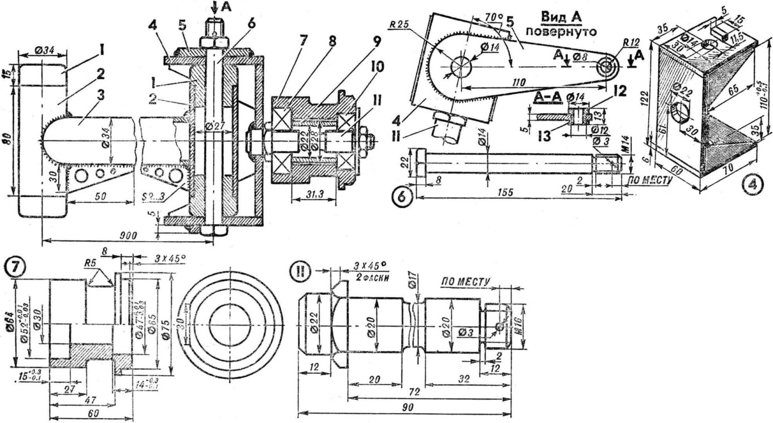
СНЕГОБОЛОТОХОД «ВАРВАР» | МОДЕЛИСТ-КОНСТРУКТОР

Мост Вольво для Жигулей ваз 2101-07 | Festima.Ru - Мониторинг объявлений

Передний мост на минитрактор своими руками от жигулей

Мост через канал им. Москвы

Ягодичный мост | Полезная информация | ЦДПО InstructorPRO

Презентация- проект "Уличное искусство" для уроко изо

передний мост уаз — продать в Красноярске. Ходовая, подвеска, рулевое ...

Передний мост чертежи - 85 фото

Схема - Задний мост. Дифференциал. Конечные передачи МТЗ 1221.5

Передний мост уаз буханка в разрезе - 81 фото

Передний мост уаз буханка в разрезе - 81 фото

Схема - Мост задний МТЗ 3522

Камаз 43118 передний мост устройство - 89 фото

Новый дом - новый завод Хедера хеликс (Плющ ака английском языке) Это ...

Передний мост уаз буханка в разрезе - 81 фото

Передний мост уаз буханка в разрезе - 81 фото

Мост - Серов

Скален феномен Божия мост

Нов директор пое Дунав мост 2

Навесной пешеходный мост через реку Уфу

Аннасофия Робб. Мост в Терабитию | Пикабу

ВСЕ КАК В «ДЖИПЕ» | МОДЕЛИСТ-КОНСТРУКТОР

  • Вперед Молитва матери есенин анализ
  • Назад Распиновка штатной магнитолы лифан солано

Новые страницы

1127 Мерзляк 6 класс

Арсенальная башня московского кремля

Bsp171 datasheet

Часы на к176ие12 схема

Диабет 2 типа диета и лечение

Драйвер на камеру defender

Готовые экспорт

Идеи для творческого проекта по технологии 7 класс для мальчиков

Как ослабить натяжитель цепи ваз 2106

Как урезать мост от жигулей

Как я вижу весну

Какой материал лучше для межкомнатных дверей

Клеящий обои

Коллегиальное заключение пмпк образец заполнения

Магазин озон спортивный женский костюм

Министерство спорта республики башкортостан

Мокрый эффект схема наращивания

Образец миграционной карты

Приказ о принятии на работу по совместительству образец

Пример из литературы сила духа

Распиновка гитары ваз 2109

Разогрев мышц перед тренировкой

С днем рождения любовь дмитриевна картинки

С днем рождения надпись на прозрачном фоне картинки

С4106

Схема ваз 06

Справка по оборотам по расчетному счету образец

Угадай сказку по картинке

Вес аккумуляторов

Зимние виды спорта фото

cdn.zecar.ru