Skip to content

Фотогалерея

  • Главная
  • Контакты

Как из инверторной сварки сделать полуавтомат

Полярность при сварке инвертором (обратная) | Сварка металла, Инверторы ...

Как сделать секцию забора из сетки рабицы без сварки - HandMade32.ru ...

Как Из Дуговой Сварки Сделать Полуавтомат

Пособие по сварке полуавтоматом - rzpo.su

Как сделать каркас из профиля без сварки

Как правильно обозначаются сварные швы согласно ISO 2553:2013 "Процессы ...

Как сделать прямой угол с уголка без сварки

PDR HOT SPOT из инверторной сварки. - YouTube

Как варить чугун электродами и инверторной сваркой | Сварка и Пайка | Дзен

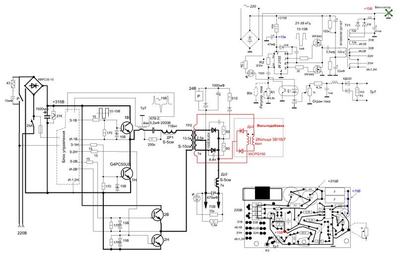
Схема инвертора сварочного - основные принципы работы и компоненты

Как Сделать Споттер Из Сварочного Полуавтомата

Как Правильно Варить Угловой Шов Инверторной Сваркой

Как сделать полуавтомат из инвертора своими руками: алгоритм переделки ...

Как сделать из инвертора полуавтомат

Как из тормозной колодки и газлифта сделать кондуктор для быстрой сварки

Сварочный полуавтомат своими руками из инвертора: как сделать?

Как сделать сварочный полуавтомат своими руками?

Как сделать забор из профлиста без сварки? - Printeka.ru

Как из сварочного инвертора сделать полуавтомат: Полуавтомат из ...

Сварочный инвертор своими руками: схема самодельной инверторной сварки ...

Схема самодельного сварочного инвертора: схема самодельной инверторной ...

Как из сварочного инвертора сделать полуавтомат: Полуавтомат из ...

Сварочный инвертор своими руками: конструкция, характеристики

Ножки для стола своими руками из металла без сварки

Инвертор сварочный своими руками: схема и сборка инверторной сварки ...

Схема самодельного сварочного инвертора: схема самодельной инверторной ...

Как сделать инверторный сварочный аппарат своими руками: схема и сборка ...

Как сделать каркас из профиля без сварки

Ремонт инверторной сварки: Ремонт сварочных инверторов своими руками ...

Сварка, сварочный аппарат: реализация своими руками, теория, схемы

Сварочный инвертор своими руками. Сварочный инвертор своими руками ...

Сварочный инвертор своими руками: конструкция, характеристики

Схема и принцип работы самодельного инвертора (преобразователя частот)

Сварочный инвертор своими руками: схема, видео — Asutpp

СВАРКА АРГОНОМ / СТЫКОВОЙ ШОВ TIG с постоянной подачей присадки. - YouTube

  • Вперед Образец генеральной доверенности на продажу квартиры
  • Назад Как уплотнить капот на уаз хантер

Новые страницы

Алгебра 8 класс номер 301

Бесплатный фрибет на спорт

Диод ал307

Экспонат в сокращении

Freezing sleet

Fsp atx 450pnf схема

Гдз англ яз 7 кл

Гдз по математике номер 1105

Как поменять ремень грм на хендай акцент

Как рассчитать молярную массу воздуха

Какие бывают макбуки

Кр142ен12а характеристики схема подключения с регулировкой напряжения и тока

Mjl21194 характеристики

Опись в дело образец

Опущение передней стенки матки лечение

Пеламуши это

Пластика носа в москве цены

Подключение автомагнитолы рено логан

Положение о структурном подразделении предприятия образец

Регулятор оборотов для кулера 12 вольт схема

Схема автобус 49

Скатерти со схемами

Сравнить ниссан кашкай и шкода октавия

Таблицы всего спорта

Такелажные услуги спб

Топографическая карта екатеринбурга

Трение скольжения техническая механика

Ваз 2112 датчик фаз признаки неисправности

Весна описание времени года

Заверить копию устава директором образец

cdn.zecar.ru