Skip to content

Фотогалерея

  • Главная
  • Контакты

Jeep электросхемы

Jeep электросхемы. Электрическая схема джип компас 2012. Электрика схема Jeep Compass 2007. Jeep Compass 2.4 схема электрическая. Джип компас 2008г электросхема.

Jeep электросхемы. Jeep Grand Cherokee 4.0 схема электрическая. Электрическая схема Гранд Чероки ZJ 1997. Jeep Cherokee XJ схема электрооборудования. Jeep Grand Cherokee 3.0 схема электрическая.

Jeep электросхемы. Электрическая схема Гранд Чероки ZJ 1997. Jeep Grand Cherokee 4.0 схема электрическая. Jeep Grand Cherokee 3.0 схема электрическая. Схема Grand Cherokee ZJ 5.9.

Jeep электросхемы. Схема электрооборудования Jeep Wrangler JK. Электрическая схема Jeep Wrangler TJ. Jeep Wrangler 1990 электросхема. Схема проводки Jeep Wrangler JK 3,6.

Jeep электросхемы

Jeep электросхемы. Pcm wiring Jeep ZJ. Pcm wiring diagram Jeep Grand Cherokee. Wiring diagrams 1993 Jeep Cherokee. Jeep Grand Cherokee wk2 электросхемы.

Jeep электросхемы. Руководство по ремонту джип Компасс. Jeep Compass руководство по ремонту. Джип компас 2006 года. Книги по ремонту Jeep.

Jeep электросхемы. Jeep Compass 2.4 схема электрическая. Схема электрооборудования Jeep Wrangler JK. 2000 Jeep Wrangler wiring diagrams. Схема проводки Jeep Wrangler.

Jeep электросхемы. Jeep Compass 2.4 схема электрическая. Джип компас 2007 схема управление форсункой. Jeep Grand Cherokee 96 электросхема стеклоподъемников. Схема стартер Jeep Compass 2007.

Jeep электросхемы. Схема электрооборудования Jeep Wrangler JK. Jeep Wrangler JK 2,8l электросхема двигателя. Jeep Wrangler 2014 электросхемы. Схема проводки Jeep Wrangler.

Jeep электросхемы

Jeep электросхемы. Jeep Grand Cherokee 4.0 схема электрическая. Jeep Cherokee 1993 электросхема блока управления. Электрическая схема Jeep Cherokee XJ 1993 года. Jeep Grand Cherokee ZJ 5.2 схема управления двигателем.

Jeep электросхемы. Jeep Liberty 2002 2.4 схема. Электросхема Jeep Grand Cherokee wk2 дизель. Электросхема Jeep Cherokee KJ 3.7. Джип Либерти 2002 схема подключения сигнализации.

Jeep электросхемы. Wiring diagrams 1993 Jeep Cherokee. Pcm wiring diagram Jeep Grand Cherokee. Схема магнитолы Гранд Чероки. Схема замка зажигания Jeep Grand Cherokee 2004.

Jeep электросхемы. Jeep Grand Cherokee 4.0 схема электрическая. Jeep Cherokee 1993 электросхема блока управления. Контроллер системы впрыска Гранд Чероки 5.2. Электрическая схема Гранд Чероки ZJ 1997.

Jeep электросхемы. Grand Cherokee Radio wiring diagram. Jeep Cherokee Radio wiring diagram. Электросхема Jeep Cherokee 2014 года. Starting wiring diagram for Jeep Cherokee Sport 1994.

Jeep электросхемы. Jeep Grand Cherokee 96 электросхема стеклоподъемников. Jeep Grand Cherokee wk2 электросхемы. Jeep Cherokee 2005 электросхема ЭБУ. Jeep Cherokee KJ 2005 электросхема ЭБУ.

Jeep электросхемы. Jeep Grand Cherokee 3.0 схема электрическая. Электросхема Гранд Чероки WJ. Схема управления двигателем Grand Cherokee 4.0. Распиновка ЭБУ Jeep Grand Cherokee 5.2.

Jeep электросхемы. Схема электрооборудования джип Чероки. Схема электропроводки Jeep Cherokee. Схема электропроводки Jeep Cherokee XJ 4.0. Электрические схемы Jeep Cherokee XJ 1987.

Jeep электросхемы. Предохранители и реле Jeep Grand Cherokee (WJ; 1999-2005). Схема предохранителей Jeep Grand Cherokee ZJ. Jeep Grand Cherokee WJ 4.7 предохранители. Предохранитель кондиционера на Гранд Чероки WJ 4.0.

Jeep электросхемы. Jeep YJ diagram 1993. Pcm diagram Jeep. Wiring diagrams 1993 Jeep Cherokee. Схема зажигания Jeep Wrangler.

Jeep электросхемы. Схема электрооборудования джип Чероки. Jeep Grand Cherokee схема электрическая. Jeep Cherokee XJ схема электрооборудования. Jeep Cherokee XJ 2.5 td электро электросхема.

Jeep электросхемы. Jeep Grand Cherokee 4.0 схема электрическая. Электросхема Jeep Grand Cherokee wk2. Гранд Чероки 1994 электропроводка. Электросхема Jeep Cherokee 1994.

Jeep электросхемы. Схема предохранителей джип Гранд Чероки. Схема предохранителей Jeep Grand Cherokee ZJ. Схема предохранителей джип Гранд Чероки ZJ. Схема электрооборудования Гранд Чероки 1995 года.

Jeep электросхемы. Jeep Grand Cherokee электросхема. Jeep Liberty MK электросхема. Электросхема Jeep Cherokee KJ 3.7. Jeep Cherokee XJ 2.4 дизель электросхема.

Jeep электросхемы. Jeep Grand Cherokee 2007 год дизель схема Кан шины. Электросхема Jeep Grand Cherokee wk2. Jeep Grand Cherokee 3.0 схема электрическая. Электрическая схема Jeep Grand Cherokee WJ.

Jeep электросхемы. Схема электрики Jeep Wrangler. Электрическая схема Jeep Wrangler TJ. Схема проводки джип Вранглер JK. Схема электрооборудования Jeep Wrangler JK.

Jeep электросхемы. Электрическая схема джип компас. Jeep Compass 2.4 схема электрическая. Manual Jeep Patriot схема. Электросхема Jeep Cherokee 2014 года.

Jeep электросхемы. Jeep Cherokee XJ схема электрооборудования. Jeep Grand Cherokee схема электрическая. Jeep Grand Cherokee 4.0 схема электрическая. Электрическая схема Гранд Чероки ZJ 1997.

Jeep электросхемы. Схема электрооборудования джип Чероки. Jeep Cherokee XJ схема электрооборудования. Схемы электрики Jeep Compass 2006. Электрическая схема Jeep Cherokee 2012 года.

Jeep электросхемы. Jeep Liberty 2002 проводка. Jeep Cherokee KJ электросхема. Электросхема Jeep Cherokee KJ 3.7. Jeep Liberty 2002 2.4 схема.

Jeep электросхемы. Схема электрооборудования джип Чероки. Jeep Cherokee XJ схема электрооборудования. Схема электрооборудования джип Гранд Чероки 1992 года. Jeep Grand Cherokee 4.0 схема электрическая.

Jeep электросхемы. Электрическая схема джип компас 2007 года. Jeep Compass 2.4 схема электрическая. Jeep Compass 2011 wiring diagram. Электрика схема Jeep Compass 2007.

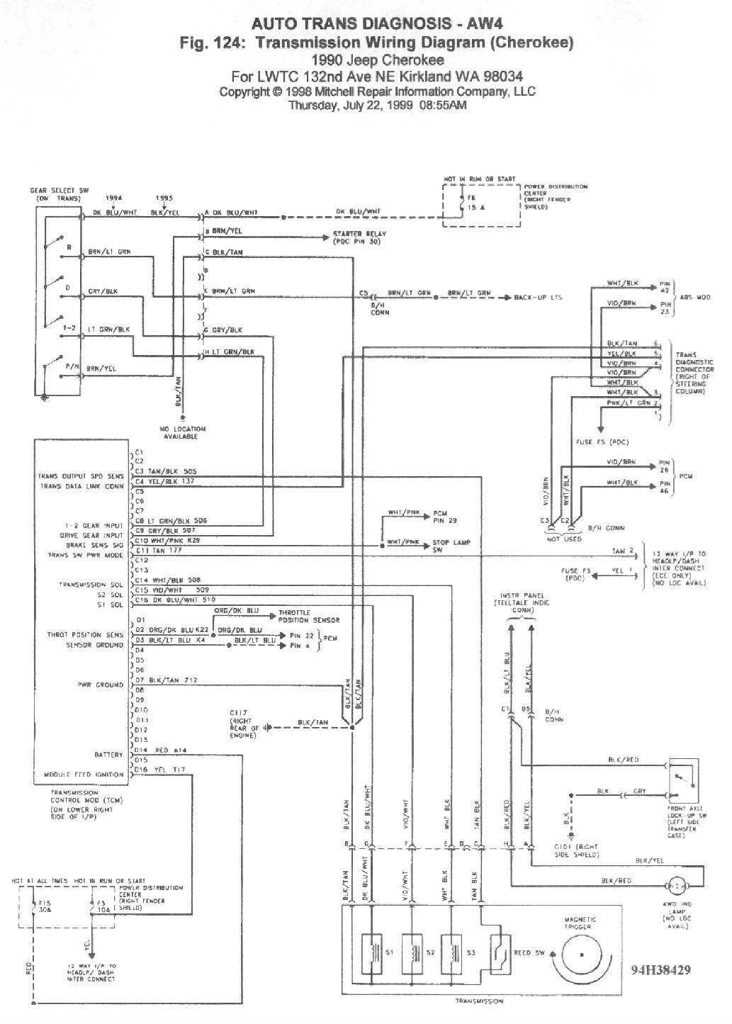
Jeep электросхемы. Wiring diagrams 1993 Jeep Cherokee. Гранд Чероки 1989 электросхема. Jeep Grand Cherokee wk2 электросхемы. Блок управления АКПП aw4.

Jeep электросхемы. Jeep Grand Cherokee электросхема. Jeep Grand Cherokee 2004 электросхема. Электросхемы Jeep Grand Cherokee WJ 4.7. Jeep Cherokee 2005 электросхема ЭБУ.

Jeep электросхемы. Электрика схема Jeep Compass 2007. Jeep Compass 2.4 схема электрическая. Wiring diagram Jeep Compass. Jeep Compass 2011 wiring diagram.

Jeep электросхемы. Схема электрооборудования джип Чероки. Jeep Cherokee 1993 электросхема блока управления. Jeep Grand Cherokee схема электрическая. Электросхема Jeep Cherokee 1994.

Jeep электросхемы. Jeep Cherokee wiring diagram. Jeep WJ stereo wiring. Схема включения вентилятора Jeep Grand Cherokee WJ 2003. Grand Cherokee WJ 4.0 wiring diagram.

Jeep электросхемы. Jeep Grand Cherokee электросхема. Схема электрооборудования джип Гранд Чероки 1992 года. Схема электрооборудования Jeep Wrangler JK. Jeep Grand Cherokee электросхема 2004г.

Jeep электросхемы. Джип Чероки 1989 схема. Схема электрооборудования Jeep Wrangler JK. Электрическая схема Jeep Wrangler JK 2012. Электросхема Jeep WJ 99.

Jeep электросхемы. Электросхема LDV Maxus. Maxus электросхема. Электросхема джип Либерти. Daewoo Winstorm дизель АКПП электросхема.

Jeep электросхемы. Схема генератора Jeep XJ. Электросхема Jeep Wrangler YJ. Схема подключения генератора Jeep Wrangler YJ 2.5. Джип Вранглер Генератор схема.

Jeep электросхемы. Wiring diagrams 1993 Jeep Cherokee. Pcm wiring Jeep ZJ. Гранд Чероки 1994 электропроводка. Схема аудиосистемы Grand Cherokee WK.

Jeep электросхемы. Электросхема Grand Cherokee wk2. Jeep WJ stereo wiring. Jeep Grand Cherokee WJ схема аудиосистемы. Схема блока управления АКПП джип Чероки.

Jeep электросхемы. Схема электрооборудования джип Чероки. Jeep Cherokee XJ 2.5 td электро электросхема. Jeep Cherokee XJ схема электрическая. Jeep Cherokee 1993 электросхема блока управления.

Jeep электросхемы. Jeep Grand Cherokee wk2 электросхемы. Wiring diagrams Headlights Jeep Cherokee XJ 1999. Wiring diagrams Jeep Cherokee XJ 1999. Схема электрическая сенсоров Jeep Grand Cherokee WJ.

Jeep электросхемы

Jeep электросхемы. Jeep Grand Cherokee 4.0 схема электрическая. Jeep Grand Cherokee 3.0 схема электрическая. Схема электрооборудования джип Гранд Чероки 1992 года. Jeep Grand Cherokee 1997 электросхема двигателя.

Jeep электросхемы. Блок управления АКПП Гранд Чероки 42re. Jeep Cherokee 1993 электросхема блока управления. Jeep Grand Cherokee 4.0 схема электрическая. Электросхема Гранд Чероки 1993.

Jeep электросхемы. Электрическая схема джип Гранд Чероки 1995. Электрическая схема джип Гранд Чероки. Jeep Grand Cherokee 3.0 схема электрическая. Jeep Grand Cherokee WJ схема магнитолы.

Jeep электросхемы. Схема электрооборудования джип Чероки. Jeep Cherokee XJ схема электрооборудования. Схема электропроводки Jeep Cherokee. Схема электропроводки Jeep Cherokee XJ 4.0.

Jeep электросхемы. Схема стеклоподъемников джип Гранд Чероки. Схема электрооборудования джип Чероки. Схема электрооборудования Гранд Чероки ZJ. Электрические схемы джип Гранд Чероки WJ.

Jeep электросхемы. Схема электрооборудования Jeep Wrangler JK. Jeep WJ stereo wiring. Jeep Wrangler 2015 Эл схемы. Электрическая схема Jeep Wrangler TJ.

Jeep электросхемы. Схема стеклоподъемников джип Гранд Чероки. Электрическая схема джип Гранд Чероки. Jeep Grand Cherokee 3.0 схема электрическая. Электрическая схема джип Гранд Чероки 1995.

Jeep электросхемы. Электрическая схема джип компас 2012. Jeep Compass 2.4 схема электрическая. Jeep Compass 2012 электрическая схема. Jeep Compass электросхема.

Jeep электросхемы. Jeep Compass 2.4 схема электрическая. Jeep Compass 2012 электрическая схема. Электрическая схема джип компас 2012. Джип компас 2008 схема управления вентилятором.

Jeep электросхемы. 2000 Jeep Wrangler wiring diagrams. Схема электрооборудования Jeep Wrangler JK. Схема проводки Jeep Wrangler. Электрическая схема Jeep Wrangler TJ.

Jeep электросхемы. Jeep Grand Cherokee 4.0 схема электрическая. Jeep Cherokee 1993 электросхема блока управления. Pcm diagram Jeep. Электросхема Jeep Cherokee 1994.

Jeep электросхемы. Jeep Compass 2.4 схема электрическая. Электрическая схема джип компас 2012. Схема электрооборудования Jeep Wrangler JK. Wiring diagram Jeep Compass.

Jeep электросхемы. Джип компас 2008г электросхема. Jeep Compass 2014 электросхема. Jeep Compass 2.4 схема электрическая. Jeep Compass 2012 электрическая схема.

Jeep электросхемы. Схема электрооборудования джип Чероки. Джип Чероки XJ электрическая схема. Электрическая схема Jeep Cherokee XJ 1993 года. Гранд Чероки 1994 электропроводка.

Jeep электросхемы. Jeep Grand Cherokee 2004 электросхема. Джип Гранд Чероки 2001 года электросхемы. Гранд Чероки электросхема. Электросхема Jeep Grand Cherokee 2000 года.

Jeep электросхемы

Jeep электросхемы. Схема электрическая машины джип Либерти. Схема проводки джип Либерти 3.7 литра. Схема включения вентиляторов джип Либерти 2010. Схема подключения звукового сигнала на джип Либерти КК 2010.

Jeep электросхемы. Схема электрооборудования Jeep Wrangler JK. Электрическая схема Jeep Wrangler 1993. Электрическая схема Jeep Wrangler TJ. Электрическая схема Jeep Wrangler JK 2012.

Jeep электросхемы

Jeep электросхемы. Схема электрооборудования джип Чероки. Jeep Cherokee XJ схема электрооборудования. Jeep Cherokee 1993 электросхема блока управления. Jeep Grand Cherokee схема электрическая.

Jeep электросхемы. Jeep Compass руководство по ремонту. Книга по эксплуатации Jeep Compass 2017. Книжка любимый джип.

Jeep электросхемы. Электросхема Grand Cherokee wk2. Электросхема Jeep Cherokee 2014 года. Jeep Grand Cherokee wk2 электросхемы. Jeep Grand Cherokee 96 электросхема стеклоподъемников.

Jeep электросхемы. Джип Либерти 2007 схема электрическая. Jeep Чероки 2006 электросхема. Jeep Compass 2014 электросхема. Jeep Grand Cherokee электросхема.

Jeep электросхемы. Джип Гранд Чероки система зарядки. Схема зарядки аккумулятора на джипе Гранд Чероки 2008г 3л дизель. Jeep Grand Cherokee 96 электросхема стеклоподъемников. Jeep Cherokee 1998 TDI система зарядки.

Jeep электросхемы. Jeep Compass 2.4 схема электрическая. Jeep Liberty 2002 проводка. Jeep Liberty 2002 2.4 схема. Jeep Grand Cherokee 2004 электросхема.

Jeep электросхемы

Jeep электросхемы. Jeep Grand Cherokee электросхема 2004г. Схема магнитолы Jeep Grand Cherokee WK 2007. Схема аудиосистемы Grand Cherokee WK. Схема магнитолы Гранд Чероки.

Jeep электросхемы

Jeep электросхемы. Схема зажигания Jeep Wrangler. Схема электрооборудования Jeep Wrangler JK. Схема проводки Jeep Wrangler. Shift Light схема.

Jeep электросхемы. Электрическая схема джип компас 2012. Электрическая схема джип компас. Электрическая схема джип компас 2007 года. Jeep Compass 2.4 схема электрическая.

Jeep электросхемы. Wiring diagrams Headlights Jeep Cherokee XJ 1999. Электросхема Grand Cherokee wk2. Электросхема Гранд Чероки WJ. Wiring diagrams Jeep Cherokee XJ 1999.

Jeep электросхемы. Jeep Grand Cherokee 4.0 схема электрическая. Схема генератора Jeep XJ. Jeep Cherokee KL 2014 электросхема. Схема стеклоочистителя Jeep XJ.

Jeep электросхемы. Схема электрооборудования джип Чероки. Jeep Grand Cherokee 3.0 схема электрическая. Схема электрооборудования джип Гранд Чероки 1992 года. Jeep Cherokee XJ схема электрооборудования.

  • Вперед Как восстановить стойки
  • Назад Как подтянуть ручник на солярисе

Новые страницы

Beautiful sport

Белые схемы заработка

Дарья решетникова

Договор купли продажи мягкой мебели образец

Договор на логистические услуги образец

Фильмы по книгам стивена кинга

Фото схема коса

Гдз по геометрии 7 9 класс атанасян 2021 год

Герб россии на белом фоне картинки

Иск на лишение родительских прав отца образец

Jeep электросхемы

Как определить неисправность стойки

Как открутить рулевой наконечник если он прикипел

Как поменять полис омс старого образца на новый через госуслуги

Курорт красная поляна

Мюнхен арена

Нарисовать моряка легко

Острый ларинготрахеит лечение

По описанию постройте диаграмму осадков по сезонам в торонто

Подключение магнитолы лифан солано

Провода тюльпаны распиновка

Расклад на личность таро схема

Ремонт и реставрация металлических дверей

Русский язык 3 класс каленчук гдз

Схема подключения крана управления тормозами прицепа

Синий трактор картинки пнг

Sport face

Спорт спутник пенза

Спортшколы отзывы

Все мужики одинаковые картинки

cdn.zecar.ru