Skip to content

Фотогалерея

  • Главная
  • Контакты

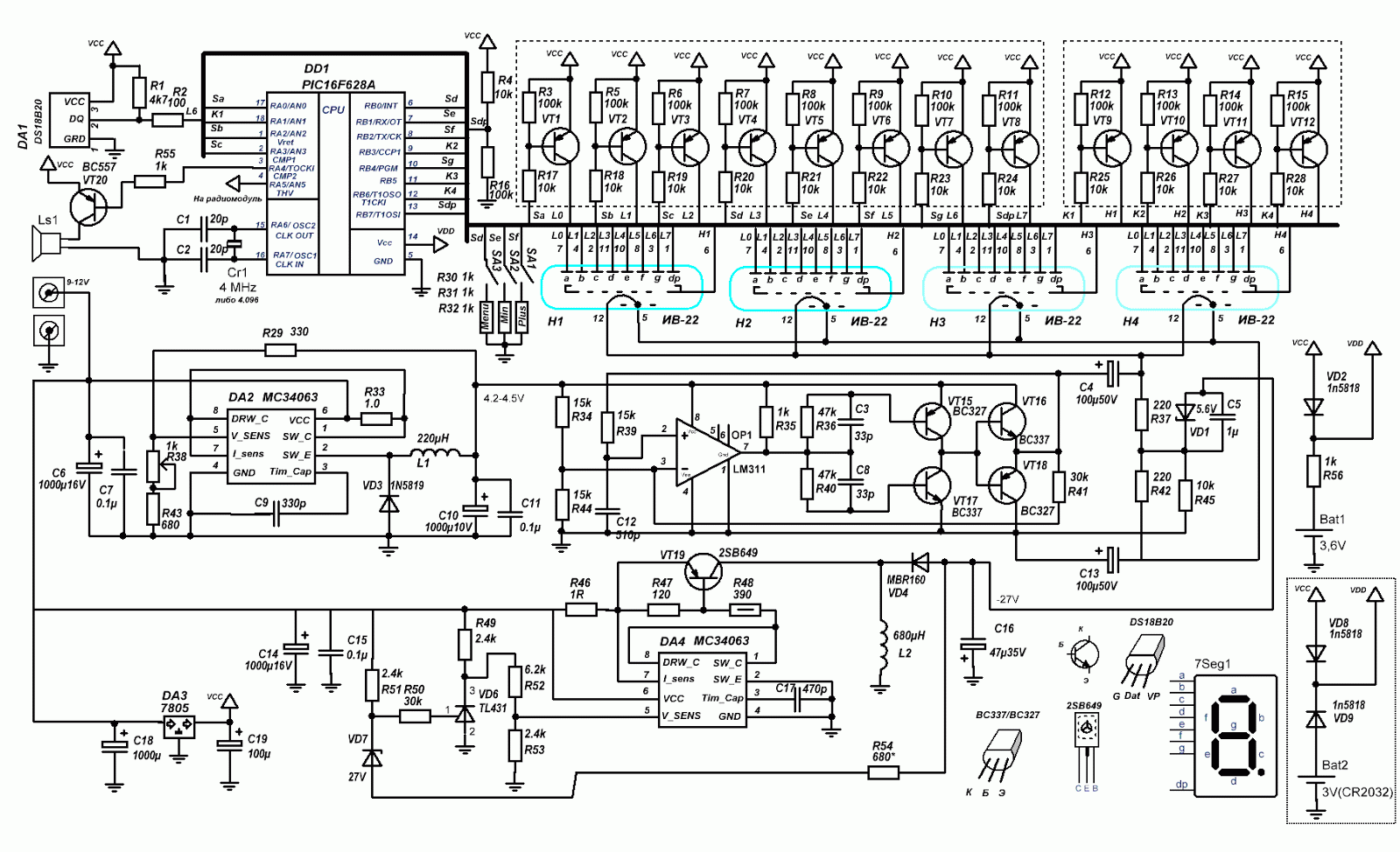
Ив 22

DCF-77 radio controlled clock with VFD display

Ив 22

Часы на ИВ-22 - YouTube

Ретро часы на ИВ-22 (Arduino) — rcl-radio.ru

ИВ-22 clock - EasyEDA open source hardware lab

DCF-77 radio controlled clock with VFD display

Ив-22-индикатор | Festima.Ru - Мониторинг объявлений

Вибратор ив-22

ИВ-22 индикатор >> 318 шт недорого купить

ИВ-22 индикатор купить в Энгельсе цена 100 Р на DIRECTLOT.RU ...

Часы на вакуумно-люминесцентных индикаторах ИВ-22 – Telegraph

Индикаторы ив-22, ив-11, ив-6 | Festima.Ru - Мониторинг объявлений

Индикаторы ив-22 | Festima.Ru - Мониторинг объявлений

15x IV-22 IV22 ИВ-22 VFD indicator | Aukro

Индикатор ив-22 | Festima.Ru - Мониторинг объявлений

Вибратор ИВ-22 - YouTube

NiXIE: Часы на ИВ-22

IV-22 IV22 ИВ-22 Nixie tube vintage soviet VFD indicator ussr for clock ...

6 PCS IV-22 ( ИВ-22 ) NEW REFLECTOR VACUUM TUBE NIXIE VFD | eBay

ИВ-22, Радиолампа вакуумный электролюминесцентный индикатор Россия в ...

Индикатор ив-22 купить в Москве с доставкой | Хобби и отдых | Авито

Индикаторные Лампы ив 22 | Festima.Ru - Мониторинг объявлений

Ин 12,ин 15,ив 22,ин 4,ив 11,ив 6,ив 4,6д8д,2д1с купить в Самаре ...

6 PCS IV-22 ( ИВ-22 ) NEW REFLECTOR VACUUM TUBE NIXIE VFD | eBay

ИВ-22 | МИЗ

Индикаторные лампы ив-6, ив-8, ив-16, ив-22, ив-3А | Festima.Ru ...

Индикатор ИВ-22 - купить в интернет-магазине МОРКНИГА по лучшим ценам ...

ИВ-22 и ИЭЛ-0-IV140-24 индикаторы – купить в Москве, цена 50 руб., дата ...

6pcs IV-22 (IV 22 IV22 ИВ-22) SOVIET NIXIE INDICATOR TUBES / REFLECTOR ...

Изображение

Изображение

Радиодетали лазерные диоды ив 22 сп 5 | Festima.Ru – частные объявления

Индикатор ламповый вакуумный ив-22 | Festima.Ru - Мониторинг объявлений

Юэн МакГрегор разводится после 22 лет брака ради молодой любовницы - KP.RU

Часы на ВЛИ ИВ-22 - YouTube

  • Вперед Геномная днк человека норма у мужчин
  • Назад Фильм пылающая равнина

Новые страницы

Акт о невыходе на работу сотрудника образец 2023

Английский язык шестой класс биболетова гдз

Биография тютчев

Цепи или грязевая резина

Чертежи брони кенши

Даманхур италия

Давай потом картинки

Дмитрий иванович гордеев картины

Этап спортивного совершенствования

Фруктоза подвергается гидролизу

Глухов антон

Гномреган карта с боссами

Как снять омывательный бачок

Карбюратор к 126 на уаз устройство

Карта мозыря с улицами и домами со спутника в реальном времени

Китайский спортивный мотоцикл

Магазин стильных женских спортивных костюмов

Не включается компрессор кондиционера пежо 307

Пераказ нечаканая сустрэча

Перстень под заказ

Плавное включение выключение света

Почему образец называют рыбой

Помпея италия

Прокачка передних тормозов

Расходомер с импульсным выходом

Схема овального стола

Составь схему питания характерную для пустыни

Стихотворение агнии барто про вову и медведя

Высоковольтные транзисторы

Воронка для воды

cdn.zecar.ru