Skip to content

Фотогалерея

  • Главная
  • Контакты

Infiniti схемы

Infiniti схемы. Схема электропроводки Инфинити fx35. Инфинити fx35 электросхема АБС. Электросхема кондиционера Инфинити g35. Инфинити fx35 электросхема топливного насоса.

Infiniti схемы. Infiniti fx50 габариты. Infiniti fx35 чертеж. Чертеж Инфинити fx35. Чертеж для Инфинити ФХ 35.

Infiniti схемы

Infiniti схемы. Габариты Инфинити g25. Инфинити м35 габариты. Инфинити g35 габариты. Infiniti g25 габариты.

Infiniti схемы. Схема проводки qx4. Схема центрального замка Инфинити qx80. Электрическая схема qx56. Wiring diagram сиденья Кайен 2003.

Infiniti схемы. Блок предохранителей Инфинити м35. Схема предохранителей Infiniti m35. Схема предохранителей Инфинити м35. Расположение блоков Инфинити м35.

Infiniti схемы. Infiniti i35 2002 engine реле. Инфинити g25 схема парктроников. Инфинити ФХ 35 1й цилиндр схема расположения. Электросхема Infiniti i30.

Infiniti схемы

Infiniti схемы. Схема реле обогрева заднего стекла Infiniti fx35. Схема обогрева сидений Infiniti QX 4. Обогрев заднего стекла Инфинити qx56 2004. Обогрев заднего стекла Инфинити qx56 2004 как включить.

Infiniti схемы. Электросхема Инфинити fx35. Схема подключения генератора Infiniti fx35.

Infiniti схемы. Инфинити ФХ 45 Габаритные Размеры. Infiniti fx45 габариты. Габариты Инфинити fx35. Габариты Инфинити fx35 s50.

Infiniti схемы. Габариты Инфинити qx50. Infiniti qx50 габариты. Ширина Инфинити qx70. Габариты Инфинити fx35.

Infiniti схемы

Infiniti схемы. Топливная система Infiniti qx4. Система evap Infiniti qx4. Клапан evap Infiniti qx70. Инфинити g35 2008 года схема подачи топлива.

Infiniti схемы. Схема предохранителей Infiniti m35. Infiniti m37 ACC fuse. Схема предохранителей на Инфинити qx70 2016г 3л дизельный. Предохранитель кондиционера Infiniti jx35.

Infiniti схемы. Infiniti fx35 схема электрооборудования. Инфинити фх45 схема системы охлаждения. Инфинити fx35 система охлаждения схема. Электросхема системы охлаждения Infiniti fx50s.

Infiniti схемы. Система охлаждения Infiniti g35. Передняя подвеска Инфинити g35 схема. Инфинити м35 2007 схема термостат. G сенсор Инфинити fx35 расположение.

Infiniti схемы

Infiniti схемы. Схема печки Инфинити qx56. Электрические схемы Инфинити qx70. Электрическая схема qx56. Инфинити qx4 схема фары.

Infiniti схемы. Bank 1 Инфинити g35. Infiniti g35 Coupe расположение BCM. Расположение датчика 1 банк 1 Инфинити g35. Схема проводки Инфинити g35x.

Infiniti схемы. Предохранители стартера Инфинити qx70. Предохранители Инфинити fx37. Схема предохранителей Инфинити ФХ 35. Предохранители Инфинити fx35 схема.

Infiniti схемы. Infiniti g25 VIN табличка. Инфинити g25 схема парктроников. Infiniti g35 чертёж. Infiniti g35 2008 схема люка.

Infiniti схемы. Расположение цилиндров qx56. Расположение цилиндров Инфинити g35. Qx56 Infiniti расположение цилиндров. Схема двигателя Infiniti QX.

Infiniti схемы. Nissan r35 Blueprint. Габариты Инфинити g25. Infiniti g35 чертёж. Nissan Skyline Blueprint.

Infiniti схемы. Infiniti fx35 схема электрооборудования. Infiniti qx70 схема электрооборудования. Схема электропроводки Infiniti fx35 s50. Электрическая схема Инфинити ФХ 35 s50.

Infiniti схемы

Infiniti схемы

Infiniti схемы

Infiniti схемы. Схема управления электроприводом сидений. Схема сидения с электроприводом. Схема управления приводом сидения. Схема электропривода сиденья Infiniti.

Infiniti схемы. Infiniti qx60 чертеж. Габариты Инфинити qx60. Infiniti qx60 габариты. Ширина салона Инфинити qx60.

Infiniti схемы. Infiniti fx35 схема электрооборудования. Распиновка генератора Инфинити fx35. Электрическая схема Инфинити qx56. Схема зарядки Инфинити fx35.

Infiniti схемы. Расположение цилиндров Инфинити g35. Схема цилиндров Инфинити ФХ 35. Система охлаждения Инфинити фх35 схема. Схема двигателя Инфинити g20.

Infiniti схемы

Infiniti схемы. Ряд цилиндров Инфинити ex35. Нумерация цилиндров Инфинити qx80. Схема выхлопной системы Инфинити qx60.

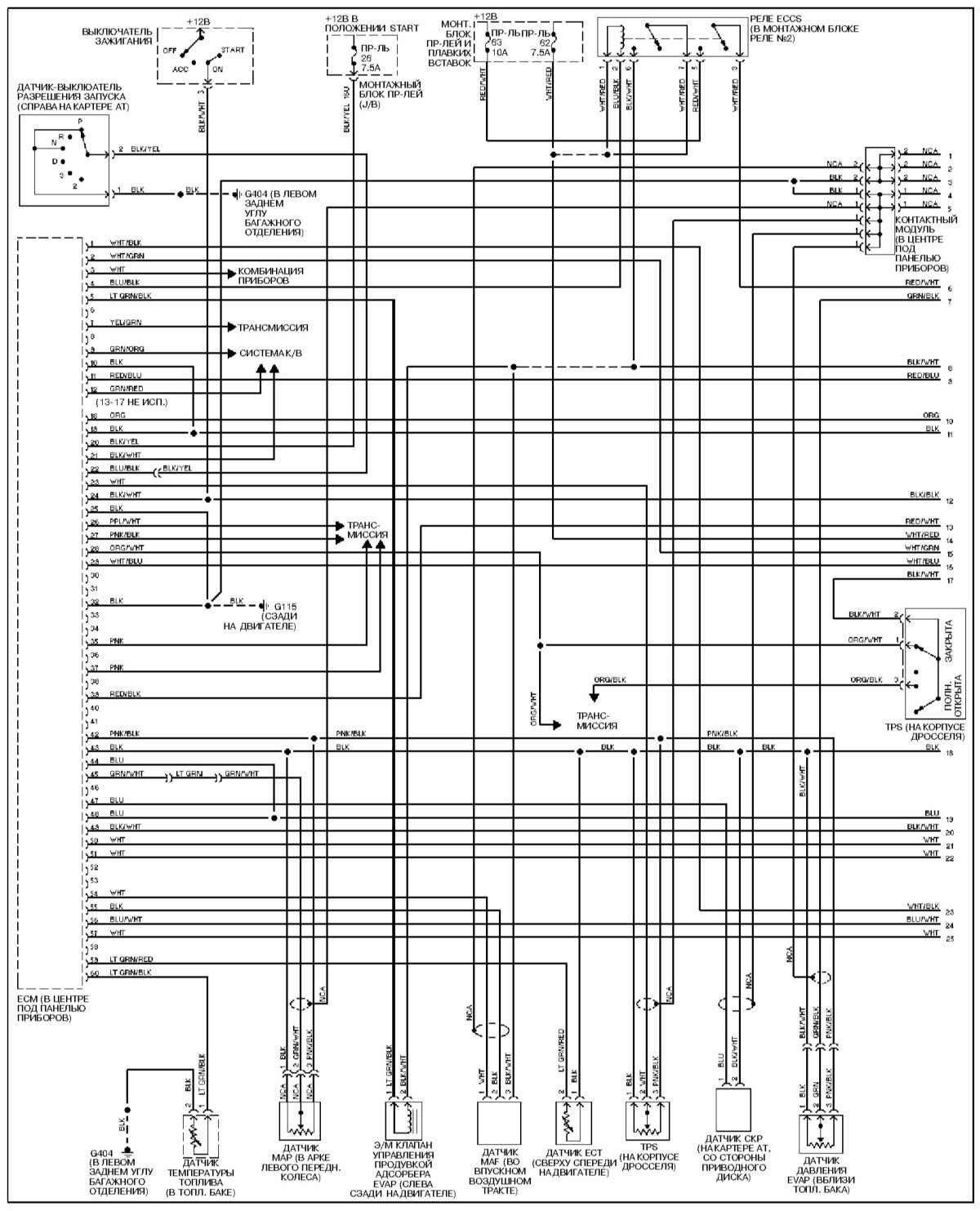
Infiniti схемы. Схема системы управления двигателем Инфинити fx37. Электросхема управления двигателем Infiniti fx45. Схема магнитолы Infiniti qx70. Схема аудиосистемы Инфинити м35 2007 года.

Infiniti схемы. Габариты Инфинити fx35. Infiniti fx50 габариты. Инфинити fx35 Габаритные Размеры. Инфинити ФХ 50 габариты.

Infiniti схемы. Infiniti FX 2002-2006 чертеж. Инфинити fx35 Инфинити Ближний свет. Инфинити fx45 расположение блоков. Задняя буксировочная петля Инфинити ФХ 37.

Infiniti схемы

Infiniti схемы. Схема ремней Infiniti g37 2010. Infiniti g35 схема бардачка. Схема крышки багажника Инфинити g35. Схема дренажа Инфинити ех35.

Infiniti схемы

Infiniti схемы. Электросхема Infiniti qx56. Электросхема отопителя Инфинити qx4. Инфинити qx56 электросхема пневмоподвески. Электросхема бензонасоса Инфинити fx45.

Infiniti схемы. Инфинити qx55 габариты багажника. Ширина салона Инфинити qx70. Инфинити ФХ 35 габариты. Габариты Инфинити fx35.

Infiniti схемы. Схема приборной панели Инфинити ФХ 35. Схема приборной панели fx35. Инфинити фх35 схема панели приборов. Схема приборной панели qx56.

Infiniti схемы

Infiniti схемы

Infiniti схемы. Датчик удара Infiniti qx50 на схеме. Система охлаждения Infinity q50. Система охлаждения в Инфинити q50. Вакуумная система Infinity q50.

Infiniti схемы. Стартер схема проводки Инфинити g35 2002 года. Схема электропроводки Infiniti g35 Coupe мультируль. Бензонасос Инфинити g35 купе схема. Infiniti g25 электросхема клаксона.

Infiniti схемы. Infiniti fx35 чертеж. Чертеж Инфинити fx35. Габариты кузова Инфинити ФХ 35. Габариты Инфинити fx35.

Infiniti схемы. Схема SRS Infiniti fx35. Распиновка генератора Инфинити fx35. Infiniti g35 схема стеклоподъемника. Infiniti fx35 схема багажника.

Infiniti схемы. Инфинити фх35 s50 расположение цилиндров. Системы смазки двигателя Инфинити EFX 35. Чертеж двигателя Infiniti fx35. Датчик охлаждающей жидкости Инфинити ФХ 35 схема.

Infiniti схемы. Схема Инфинити g35. Infiniti g35 чертеж 2007. Infiniti g35 схема проводки. Infiniti g35 купе схема провода.

Infiniti схемы. Схема электропроводки Инфинити qx70. Схема электростеклоподъемника Инфинити qx56. Схема проводки qx4. Схема центрального замка Инфинити qx80.

Infiniti схемы. Инфинити qx4 передняя подвеска. Передняя подвеска Инфинити м35 схема. Подвеска Инфинити qx4. Схема передней подвески Инфинити ФХ 35.

Infiniti схемы. Предохранитель передних габаритов qx70. Qx70 схема передней панели. Схема шасси Infiniti qx70. Инфинити qx80 схема проверки катушки зажигания.

Infiniti схемы

Infiniti схемы. Схема выхлопа Инфинити fx35. Выхлопная система Инфинити fx45 схема. Выхлопная система Инфинити fx35 схема. Выхлопная система Инфинити fx50 схема.

Infiniti схемы

Infiniti схемы

Infiniti схемы

Infiniti схемы. Габариты Инфинити qx80. Габариты Инфинити qx80 2015. Infiniti qx80 габариты. Габариты Инфинити qx80 2014.

Infiniti схемы. Схема электростеклоподъемника Инфинити qx56. Схема проводки qx4. Электрические схемы Инфинити qx70. Infiniti qx70 схема электрооборудования.

Infiniti схемы. Схема цилиндров Инфинити ФХ 35. Схема двигателя fx35. Цилиндры Infiniti fx35 схема. Расположение цилиндров Инфинити м35.

Infiniti схемы

Infiniti схемы. Реле дворников Инфинити m37 2012. 28590c9902 распиновка. Фильтр АКПП Infiniti m35 схема. Схема расположение блоков усилителя звука Bose Infiniti m37.

Infiniti схемы. Расположение цилиндров на Инфинити FX 35 схема. Расположение цилиндров Инфинити fx35. Расположение цилиндров Инфинити fx35 s50. Infiniti fx37 чертеж.

Infiniti схемы

Infiniti схемы. Схема предохранителей Инфинити ФХ 35. Предохранители на Инфинити fx45. Предохранители Infiniti fx35 s50. Предохранители Инфинити fx35 схема.

Infiniti схемы. Габариты Инфинити fx35. Чертеж Инфинити fx35. Infiniti qx70 габариты. Инфинити ФХ 35 габариты.

Infiniti схемы. Подвеска Инфинити fx35 схема. Задняя подвеска Инфинити fx35 схема. Передняя подвеска Инфинити fx35 схема. Схема задней подвески Инфинити м35.

Infiniti схемы. Система охлаждения Инфинити фх35 схема.

Infiniti схемы

Infiniti схемы. Разъем магнитолы Инфинити qx56 1 поколение. Магнитола Инфинити fx35 схема. Инфинити g25 схема парктроников. Инфинити fx35 2003 схема разъёмов магнитолы.

Infiniti схемы. Ширина Инфинити fx35. Габариты Инфинити fx35. Infiniti fx35 чертеж. Инфинити fx37 чертеж.

Infiniti схемы

Infiniti схемы. Расположение блоков управления Инфинити qx56. Блок предохранителей в салоне Infiniti qx4. Расположение блоков Инфинити fx35. Qx4 блок управления сидений.

Infiniti схемы

Infiniti схемы. Инфинити qx60. Система кондиционирования. Реле ПТК Инфинити qx60. Инфинити qx60 схема система охлаждения. Инфинити qx60. Система кондиционирования схему.

Infiniti схемы. Infiniti fx35 схема электрооборудования. Электрическая схема Инфинити ФХ 35 s50. Схема электропроводки Infiniti fx35 s50. Infiniti ex35 электросхема двигателя.

Infiniti схемы. Инфинити g25 схема парктроников. Инфинити qx50  схема. Схема системы управления двигателем Инфинити fx37. Электрическая схема Инфинити qx56.

Infiniti схемы

Infiniti схемы. Murano z51 блок ipdm расположение. Схема ipdm Infiniti fx37. Ipdm Infiniti g35 2003. Блок ipdm Мурано 51.

Infiniti схемы. Инфинити м35 габариты. Infiniti m35 чертеж модели. Infiniti g35 чертёж.

Infiniti схемы. Электросхема Infiniti fx35. Схема магнитолы Infiniti fx35. Infiniti fx35 схема электрооборудования. Схема магнитолы Инфинити ФХ 35.

Infiniti схемы

  • Вперед Отит уха симптомы и лечение
  • Назад Игрушки для девочки 7 лет на день рождения

Новые страницы

Блок контактов на магнитный пускатель

Большая часть австралии лежит в южном полушарии

Доброе субботнее весеннее утро картинки красивые с надписями

Гдз русскому 4 класс учебник 2 часть

Грудная невралгия лечение

Иллюстратор adobe

Infiniti схемы

Иж что удумал

Как нарисовать красивые рисунки

Как пользоваться съемником шаровых опор

Картинка 2д класс для группы

Книга бег владлен татарский

Купить spirit fitness spirit

Маршрут 33 схема движения

Металлическая кнопка с подсветкой

Парку победы уфа

Положение о персональных данных работников образец

Поселок заводской приморский край карта

Расположение мест в драмтеатре астрахань схема

Регулировка фар на рено сандеро

Ремонт авто фенов

Ремонт стиральных машин бош в климовске

Шиномонтаж коломна

Сколько весит колесный диск

Согласие на наставничество образец

Татьяна викторовна с днем рождения картинки

У плюшкина крестьяне мрут как мухи

Вафельная картинка ты мой день и ночь мой свет и дождь

Вывоз мусора старой мебели

Заявление о пропуске исковой давности по коммунальным платежам образец

cdn.zecar.ru