Skip to content

Фотогалерея

  • Главная
  • Контакты
2SK3878, mosfet - Árwill Elektronic

2Sk3878

A fitness марата. Olymp сеть спортивных клубов. Олимп на Марата. Фитнес на Марата Олимп. Olimp вывеска.

A fitness марата

Александра Лобанова снялась в шоу Шария – новости Днепра

Александра лобанова

Ангина за 3 дня - YouTube

Ангина как лечить

(Решено)Упр.2 Часть 2 ГДЗ Быстрова Кибирева 6 класс по русскому языку

Английский язык 6 класс упр 2 стр 92

Бочка для мойки высокого давления в гараж своими руками

Бочка для мойки высокого давления в гараж своими руками

Топливный насос «BOSCH» 0580454138 (110 л/ч) — belais

Bosch 0580454138 характеристики производительность

Бригада Сварщиков электрозавода | Учите правило левой руки 2024 | ВКонтакте

Бригада сварщиков вакансия

Часа самсунг фитнес. Браслет Samsung Gear fit2. Браслет самсунг Gear Fit 2. Samsung Galaxy Gear fit2 Pro. Смарт браслет самсунг галакси фит 2.

Часа самсунг фитнес

DHT11 Датчик температуры и влажности для Arduino (с индикатором питания ...

Dht11 датчик

Форма договора аренды транспортного средства

Договор безвозмездной аренды транспортного средства с физическим лицом образец

Домашнее задание без слёз и истерик: 10 простых советов, как помочь ...

Домашнее задание по географии

"Доверенность в ифнс образец"

Доверенность для фнс от организации образец

Судья Дредд 1995 - Coub - The Biggest Video Meme Platform

Дредд ноут

ГДЗ 92 Страница учебника Моро 1 класс 1 часть по Математике | GDZbomb.ru

Гдз математика страница 92

(Решено)Упр.802 ГДЗ Мерзляк 8 класс по алгебре

Гдз по алгебре номер 802

Решебник по математике 7 класс виленкин алгебра | Лучшие домашние ...

Гдз по алгебре виленкин 7 класс

(Решено)Упр.598 ГДЗ Рыбченкова Александрова 6 класс по русскому языку

Гдз по русскому упр 598

Русский язык 9 класс Учебник Бархударов Крючков читать онлайн

Гдз русский 9 класс крючков

Грамота образец для распечатки

Грамота образец для распечатки

Стеклоподъемники — Lada Гранта, 1,6 л, 2013 года | поломка | DRIVE2

Гранта стеклоподъемники неисправности

Инженер | Магазин и сервисный центр | Сыктывкар 2024 | ВКонтакте

Инженер сервисный

Инженер-технолог/конструктор (металлообработка) | ВКонтакте

Инженер технолог металлообработка

Образец рецензии по литературе - 90 фото

Как написать рецензию на статью образец

Ответы Mail.ru: Помогите, пожалуйста. История России, 8 класс.

Как помещики получали доходы от своих хозяйств какие товары производились в помещичьих

Как правильно отрегулировать рулевую рейку на гранте - Лада Гранта Фан-клуб

Как правильно отрегулировать рулевую рейку

Как строит дом фото и схема. Готовые проекты домов. План коттеджа. Загородный дом план. Коттедж планировка проекты.

Как строит дом фото и схема

Подбор Шин И Дисков Для Нивы 2121

Какую грязевую резину на ниву

Карта тренинга. Схема дорожной карты проекта. Карта обучающего курса. Дорожная карта нового сотрудника. Создание дорожной карты проекта.

Карта тренинга

Картинки с днем свадьбы 12 лет вместе

Картинки с днем свадьбы 12 лет вместе

Ключ лула Форс 34-36

Ключ 34 36

Кровеносная система рыб схема. Кровеносная система рыб замкнутая один круг кровообращения. Строение кровеносной системы у рыбы на рисунке. Кровеносная система рыб схема круги кровообращения. У рыб двухкамерное сердце и один круг кровообращения.

Кровеносная система рыб схема

Нагрузочное тестирование «1С-Битрикс» - YouTube

Нагрузочное тестирование 1с

Шаблон Для Подписи Конверта А4 Лучшая Фото Подборка

Образец подписи конверта

Калькулятор расчета индексации сумм по ст. 208 ГПК

Образец заявление об индексации присужденных сумм в порядке ст 208 гпк рф

Обриета многолетняя чарующий марокко посадка и уход

Обриета многолетняя чарующий марокко посадка и уход

Кадьяк

Остров кодиак

Отдых на природе с палатками

Отдых на природе с палатками

Паяльники для полипропиленовых труб: конструктивные и эксплуатационные ...

Паяльники для труб полипропилена фирмы и цены

Правильные ответы на тренировочные задания

Правильные ответы на тренировочные задания

Характеристика в суд от друзей образец

Прения в суде по гражданскому делу образец от ответчика

Престиж фитнес расписание. Расписание занятий фитнес. Расписание занятий в тренажерном зале. Расписание фитнес клуба. Расписание групповых занятий в фитнес клубе.

Престиж фитнес расписание

Проведение аср на железнодорожном транспорте план конспект

Проведение аср на железнодорожном транспорте план конспект

Прямой эфир евроспорт 2 россия. Австралиан опен 2020. Australian open, Australian open 2020,. Австралия теннис 2020. АТР Австралия опен 2020.

Прямой эфир евроспорт 2 россия

Пуловер сетка крючком схемы и описание

Пуловер сетка крючком схемы и описание

Образец путеводителя - softlusonexlenroa’s diary

Путеводитель образец

Распиновка предохранителей volkswagen caddy

Распиновка предохранителей шевроле вива

Развертки геометрических фигур схемы. Стереометрические фигуры развертки. Макеты геометрических фигур. Бумажные геометрические фигуры. Конструирование геометрических форм.

Развертки геометрических фигур схемы

Родственные связи кто кому кем приходится схема

Родственные связи кто кому кем приходится схема

Секретарши москвы

Секретарши москвы

Схема метро москвы румянцево. Автовокзал Саларьево на карте Москвы. От метро Саларьево до аэропорта Внуково. Автобусы до Внуково от Рассказовки. Маршрут от метро Саларьево до автовокзала Саларьево.

Схема метро москвы румянцево

Схема предохранителей хавал ф7 на русском языке - фото

Схема предохранителей ссангйонг кайрон

Схема созвездия льва

Схема созвездия льва

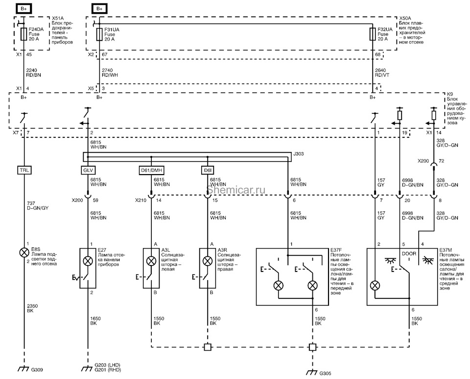
Электросхема разъема X210 на внутреннее освещение и датчики Шевроле ...

Шевроле круз электросхема подключения аудиосистемы

Скупка сотовых телефонов в Спб, скупка б/у телефонов, продать мобильный ...

Скупка бу сотовых телефонов в клину

Согласование проекта электроснабжения в Ростехнадзоре

Согласование проекта в ростехнадзоре

Спортивная школа 1 липецк. Галина Ильинична гимнастика Липецк. Галина Ильинична тренер. ДЮСШ гимнастика Липецк. Спортивная гимнастика Липецк.

Спортивная школа 1 липецк

Спортивные способности ребенка. ОФП для детей. Спортивные занятия для детей. Физкультура в зале. ОФП для дошкольников.

Спортивные способности ребенка

Спортивный летающий диск 6 букв

Спортивный летающий диск 6 букв

Структура экспорта австралии. Экспорт и импорт Австралии. Структура экспорта и импорта Австралии на карте. Эксперт и импорт Австралии. Экспорт и импорт Австралии диаграмма.

Структура экспорта австралии

Ура вечер пятницы картинки прикольные

Ура вечер пятницы картинки прикольные

Забил сарай отель дубай

Забил сарай отель дубай

the engine compartment of a red sports car

Задиры в цилиндрах киа спортейдж

Загорают в парках

Загорают в парках

<< < 16306 > >>
cdn.zecar.ru