Skip to content

Фотогалерея

  • Главная
  • Контакты

Hx5008nl pulse

HX5008NL PULSE Other Components - Veswin Electronics

HX5008NL Pulse - Transformers - Distributors, Price Comparison, and ...

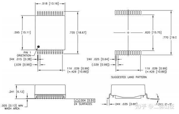
HX5008NL - Pulse - datasheet

[图]供应HX5008NL HX5008 PULSE SOP24 全新原装现货,维库电子市场网

HX5008NL datasheet(3/4 Pages) PULSE | 1000BASE-T MAGNETICS MODULE

HX5008NL datasheet(4/4 Pages) PULSE | 1000BASE-T MAGNETICS MODULE

HX5008NL Drawing Datasheet by Pulse Electronics Network | Digi-Key ...

网络变压器的检测设备:LCR 测量仪检测元器件原理与使用方法(2) - 知乎

HX5008NL Datasheet PDF - PULSE

HX5008NL Pulse - Datasheet PDF, Footprint, Symbol & Technical Specs

HX5008NL, Микросхема Pulse Electronics Corp. в каталоге интернет ...

HX5008NL Drawing Datasheet by Pulse Electronics Network | Digi-Key ...

HX5008NL Pulse - Datasheet PDF, Footprint, Symbol & Technical Specs

HX5008NL, Телекоммуникационный трансформатор Ethernet, 4pair PoE 30W ...

HX5008NL ,1000BASE-T MAGNETICS MODULE Original supply, US $ 1.00-1.50 ...

HX5008NL IC Original supply, US $ 1.06-1.30 , MCU, MPU, DSP, DSC, SoC ...

HX5008NL|HX5008NL| - AliExpress

HX5008NL 普思Pulse 网络变压器_hx5008nl参考电路-CSDN博客

Pulse HX5008NL Compatible LINK-PP LP5008ANLE 10/100/1000 Base-T Single ...

如何玩儿转千兆以太网?1000BASE-T1是1000BASE-T的升级版吗?信号地如何接到PE?-腾讯云开发者社区-腾讯云

HX5008NL Drawing Datasheet by Pulse Electronics Network | Digi-Key ...

HX5008NL datasheet(1/4 Pages) PULSE | 1000BASE-T MAGNETICS MODULES ...

网络变压器的检测设备:LCR 测量仪检测元器件原理与使用方法(2) - 知乎

如何玩儿转千兆以太网?1000BASE-T1是1000BASE-T的升级版吗?信号地如何接到PE? - 技术阅读 - 半导体技术

HX42000-31RT批发供应采购技术参数-114ic电子网

HX5008NL datasheet(1/4 Pages) PULSE | 1000BASE-T MAGNETICS MODULE

100% original HX5008NL-in Replacement Parts & Accessories from Consumer ...

HX5008NL, Телекоммуникационный трансформатор Ethernet, 4pair PoE 30W ...

HX5008NL datasheet(2/4 Pages) PULSE | 1000BASE-T MAGNETICS MODULE

Pulse & Shockwave - Vuurwerkshop.com

J00 0065nl: J00-0065NL, Модульный разъем, Cat5/Cat6, RJ45, Гнездо, 8 ...

Placement Pulse In: Fresher Jobs & Internships Alerts - Placement Pulse

Ryvalmedia Digital Pulse (Vol. 20)

Reaching a Pulse Point: Melody Nixon Interviews Rushi Vyas | The Common

网络变压器的检测设备:LCR 测量仪检测元器件原理与使用方法(2) - 知乎

  • Вперед Коллективное обращение в управляющую компанию образец
  • Назад Какое утверждение верно для схемы

Новые страницы

Акт о безучетном потреблении воды образец

Декларация соответствия на продукцию это

Декоративная штукатурка на потолок своими руками

Доработка печки приора без кондиционера

Энигма фитнес

Hx5008nl pulse

Ишак ресторан рублевское

Картинка жена дома и на работе перевертыш

Кд509

Крепление колесных пар при перевозке автотранспортом

Математика третий класс вторая часть страница 95 номер четыре

Маяк кировский завод

Научная статья оформление образец

Не выключается габариты ваз 2114

Оцените положительные и отрицательные стороны советской экономической модели

Оппозитное расположение цилиндров схема

Озеро с двойным дном

Письмо о смене назначения платежа образец

План контроля качества образец

Пляж рублево

Протокол разбора запущенного случая по онкологии образец

Рено дастер датчики на панели приборов

Самсунг в москве

Схема игры за воина каламити

Схема метро со станциями пересадок

Щенок пнг картинка

Сколько будет стоить компьютер

Спорт экспресс читать электронную версию

Унитазы с выпуском в пол

Ваз 2115 не горят габариты

cdn.zecar.ru