Skip to content

Фотогалерея

  • Главная
  • Контакты

Hm9102d

HM9102D Datasheet - TONE/PULSE SWITCHABLE DIALER ( Pinout )

приемник FM на TDA7021, TDA7040 TDA7050 - MBS Electronics

HM9102D DATASHEET PDF

‫دیتاشیت HM9102‬

HM9102D HM9102|2d| - AliExpress

Changhong DVB-2000 digital satellite receiver switching power supply ...

电话机的电路结构及实用电路分享-巨人通讯

Радио-телефонный интерфейс.

5pcs/lot HM9102D DIP 18 original authentic-in Integrated Circuits from ...

HM9102D datasheet(2/5 Pages) ETC1 | HM9102D

5pcs/lot HM9102D HM9102 DIP 16-in Integrated Circuits from Electronic ...

HM9102D datasheet(3/5 Pages) ETC1 | HM9102D

‫مشخصات، دیتاشیت، قیمت و خرید HM9102D‬

VRTP -> Управление нагрузками DTMF-сигналом

FP5453外形及内部电路框图 - 集成电路内部结构_电工电气学习网

HM9102D Datasheet PDF ( Pinout ) - (HM9102C) TONE/PULSE SWITCHABLE ...

Микросхема HM9102D – купить по цене 94 грн в Киеве и Украине | VsePlus ...

Kit 10 peças - Circuito Integrado HM9102D DIP-18 (PTH) * Circuitos ...

模拟技术中的LC227与LC227A集成电路的引脚排列 - 将睿

1pcs/lot HM628512ALP 7 HM628512LP 5 HM628512BLP 7 HM628512 DIP 28 In ...

Circuito Integrado HM9102D - Ponto da Eletrônica

Tone/pulse switchable dialer with redial DIP-18 | Elektronik Lavpris Aps

HM9102D Original supply, US $ 0.96-1.6 , [HMC] HMC Electronics, HM9102D ...

Układ scalony HM9102D 9229B | Gdynia | Kup teraz na Allegro Lokalnie

Buy HM9102D IC chips Online, Best price | Iainventory

KIT COM 05 PEÇAS - CIRCUITO INTEGRADO DIP 18 PINOS HM9102D - Gold News ...

KIT COM 05 PEÇAS - CIRCUITO INTEGRADO DIP 18 PINOS HM9102D - Gold News ...

Układy scalone różne - MEDITRONIK

HM9102D_311975.PDF Datasheet Download --- IC-ON-LINE

20PCS HM9102D HM9102 DIP 18 new original|origin blue|origin ...

Freeshipping HM9102D HM9102| | - AliExpress

Плата управления зарядным устройством - Мастерок

Budowa aparatu telefonicznego - elektroda.pl

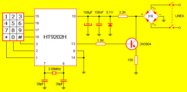
Микросхема hm9102d схема включения

Livraison gratuite HM9102 HM9102D | AliExpress

  • Вперед Гранд витара внедорожник или кроссовер
  • Назад Как проверить компрессию на дизельном двигателе

Новые страницы

Чем отличается клапан адсорбера калины от гранты

Что можно слепить из воздушного пластилина картинки

Дэу нексия не горят фары

Доставка воды зеленодольск

Гдз русский язык 3 класс 2 часть упр 183

Hm9102d

Honda freed характеристики

Как лечить диатез у новорожденных

Как поменять опорный подшипник на калине

Какие системы отсчета называют инерциальными

Картинки на кроватки в детский сад с цифрами

Кингсмен 3

Лечение гастрита желудка у взрослых

Легкие абстрактные рисунки карандашом

Ленточная пила по дереву своими руками в домашних условиях чертежи фото пошаговая инструкция

Match the sports to the pictures

Образуйте от глаголов деепричастия

Песня вези меня извозчик по гулкой мостовой

Природный парк в сингапуре

Программа в виде блок схем

Рак in situ

Тема доли

Турция инстаграмм

Упр 200 по русскому языку 2 класс

Уста это историзм или архаизм

Величина экспорта

Велоспорт женщины

Внутренняя и внешняя политика алексея михайловича романова таблица

We use the past simple for actions which happened at a time in the past

Замена стекол в курске

cdn.zecar.ru