Skip to content

Фотогалерея

  • Главная
  • Контакты

Хайлюкс электросхема

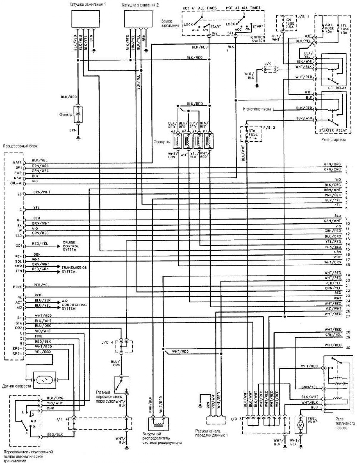
Хайлюкс электросхема. Toyota 4runner 130 схема электропроводки. Toyota passo схема электрооборудования. Электрическая схема Тойота Хайлюкс 2012. Схема электрооборудования Toyota Hilux 2012 года.

Хайлюкс электросхема

Хайлюкс электросхема

Хайлюкс электросхема. Toyota 4runner 130 схема электропроводки. Toyota Vitz 2001 схема электрооборудования. Электрическая схема Toyota Hilux 2002 года. Схема электрооборудования Toyota Hilux 2012 года.

Хайлюкс электросхема. Электрическая схема Toyota Surf 185. Toyota Hilux Surf 185 электросхемы. Схема электропроводки на Сурф 130. Электросхема Toyota Surf 130 2lte.

Хайлюкс электросхема. Электросхема Тойота Королла 120 кузов. Схема управления двигателем Toyota 3l. Схема электрооборудования Тойота Надия 3s FSE. Тойота Королла 120 схема электрооборудования.

Хайлюкс электросхема. Toyota Runner 2002 3vz-Fe engine wiring diagrams. Система управления двигателем 5vz Fe. Toyota Grand Hiace схемы электрооборудования. Электрическая схема Toyota Prado 5vz.

Хайлюкс электросхема. Схема включения 4wd Surf 130. Схема включения полного привода раздатки Сурф 130. Схема Surf 130 блок управления раздаткой. Схема блока управления 4вд Сурф 130.

Хайлюкс электросхема. Toyota Hilux Surf 185 электросхемы. Toyota 4runner 130 схема электропроводки. Схема электрооборудования Тойота Hilux.

Хайлюкс электросхема

Хайлюкс электросхема

Хайлюкс электросхема. Тойота Секвойя 2008 электросхемы. Тойота Хайс 2002 электросхемы. Sequoia Toyota электрическая схема. Toyota Sequoia 2000 электросхема ABS.

Хайлюкс электросхема

Хайлюкс электросхема

Хайлюкс электросхема

Хайлюкс электросхема. Схема электрооборудования Тойота. Схема ABS Toyota Camry 2008. Toyota Hilux схема электрооборудования. Электрическая схема Toyota Hilux 2002 года.

Хайлюкс электросхема. Схема электрооборудования Toyota Hilux 2012 года. Toyota 4runner схемы. Электросхема Тойота 4runner. Toyota 4runner 130 схема электростеклоподъемников.

Хайлюкс электросхема

Хайлюкс электросхема. Схемы электрооборудования ЭБУ ДВС 1kz. Схема управления двигателем 2l-te. Электросхема управления двигателем 2lte. Схема управления двигателем Toyota 3l.

Хайлюкс электросхема

Хайлюкс электросхема. Toyota Land Cruiser 100 электросхема. Ленд Крузер 100 схема электрическая. Ленд Крузер 70 схема электрооборудования. Электросхема на Тойота ленд Крузер 100.

Хайлюкс электросхема. Электрическая схема Toyota Hilux 2002 года. Тойота Hilux 2010 электросхемы. Электросхема Toyota Hilux Surf 1993. Схема электрооборудования Toyota Hilux 2012 года.

Хайлюкс электросхема

Хайлюкс электросхема

Хайлюкс электросхема. Toyota Hilux 2014 схема фар. Toyota Hilux 2020 электросхемы. Toyota Fortuner схема электрическая.

Хайлюкс электросхема. Toyota Hilux 2012 wiring diagram. Toyota Hilux 2009 wiring diagram System. Toyota Hilux wiring diagram. Toyota Tundra Repair manual pdf.

Хайлюкс электросхема

Хайлюкс электросхема

Хайлюкс электросхема. Схема электрооборудования Toyota Hilux 2012 года. Toyota Hilux 1990 схема электрооборудования. Электрооборудование Тойота Дюна 200 1993 года. Toyota Dyna схема электрооборудования.

Хайлюкс электросхема. Электрическая схема Toyota Hilux 2002 года. Toyota Hilux электрические схемы. Тойота Hilux 2010 электросхемы. Toyota 4runner 130 схема электропроводки.

Хайлюкс электросхема. Электропроводка Тойота Хайлюкс Ln 106. Схема проводки Тойота Хайлюкс. Toyota Hilux 2013 электросхема. Схема управления двигателем Toyota Surf.

Хайлюкс электросхема. Схема электрооборудования Toyota Camry 40. Toyota Camry v40 электросхема центрального. Электросхема Camry 2003. Тойота Камри 40 электропроводка фар.

Хайлюкс электросхема. Тойота Ипсум схема электрооборудования 10. Toyota 4runner 130 схема электропроводки. Toyota Alphard 2.4 схемы электрооборудования. Электросхемы Тойота Хайлюкс 2012г.

Хайлюкс электросхема

Хайлюкс электросхема

Хайлюкс электросхема. Тойота Хайлюкс 2017 реле передних ПТФ. Toyota Fortuner схема электрическая. Тойота фортунер реле схема противотуманных фар. Электрическая схема противотуманок Toyota Fortuner 2.

Хайлюкс электросхема

Хайлюкс электросхема

Хайлюкс электросхема. Тойота Хайлюкс 1989 система зарядки. Схема зарядки Тойота Хайлюкс 2014 год. Схема зарядки Хайлюкс 130. Электросхема Toyota Surf Hilux 130.

Хайлюкс электросхема. Toyota 4runner 130 схема электропроводки. Электросхемы Тойота Хайлюкс 2015г. Toyota Hilux Surf 185 электросхемы. Схема электрооборудования Тойота Hilux.

Хайлюкс электросхема. Схема электрооборудования Toyota Hilux 2012 года. Тойота Hilux 2010 электросхемы. Электрическая схема Toyota Hilux 2002 года. Toyota Hilux 2015 схема электрооборудования.

Хайлюкс электросхема. Схема электрооборудования Toyota Hilux 2012 года. Электропроводка для Toyota Hilux 2011. Toyota Vitz 2001 схема электрооборудования. Электрическая схема Toyota Hilux 2002 года.

Хайлюкс электросхема. Электросхема Тойота Крузер 200. Электросхема Тойота ленд Крузер 70. Электросхемы Land Cruiser 80. Toyota Land Cruiser 200 схема SRS.

Хайлюкс электросхема. Схема электрооборудования Toyota Hilux 2012 года. Toyota Alphard 2.4 схемы электрооборудования. Электрическая схема Toyota Hilux 2002 года. Электрическая схема Toyota Dyna 2002 года дизель автомат.

Хайлюкс электросхема

Хайлюкс электросхема

Хайлюкс электросхема. Схема проводки Тойота Хайлюкс. Схема электрооборудования Toyota Hilux 2012 года. Toyota Hilux 2012 года схема проводки. Электропроводка для Toyota Hilux 2011.

Хайлюкс электросхема

Хайлюкс электросхема

Хайлюкс электросхема. Тойота Сурф 1 электросхема. Toyota Hilux Surf 185 электросхемы. Surf 130 1kz блок реле. Схема фар Toyota Surf 130.

Хайлюкс электросхема

Хайлюкс электросхема. Электрическая схема Toyota Surf 185. Схема электрооборудования Toyota Hilux 2012 года. Электрическая схема Toyota Hilux 2002 года. Электросхемы Тойота Хайлюкс 2012г.

Хайлюкс электросхема. Схема ABS Toyota Camry 2008. Toyota Sienna 2001 ABS Pin Toyota diagrams. 3rz Fe ЭБУ. Схема ЭБУ 4a-Fe.

Хайлюкс электросхема. Электрическая схема Toyota Hilux 2002 года. Электропроводка Тойота Хайлюкс Ln 106. Toyota Hilux электрические схемы. Схема электрооборудования Toyota Hilux 2012 года.

Хайлюкс электросхема. Схема электрооборудования Toyota Hilux 2012 года. Электрическая схема Toyota Hilux 2002 года. Электросхемы Тойота Хайлюкс 2012г. Электрическая схема Toyota Probox 2003.

Хайлюкс электросхема

Хайлюкс электросхема

Хайлюкс электросхема

Хайлюкс электросхема. Схема управления двигателем 2lte Surf 1991. Схема управления двигателем 2l-te. Схема электропроводки двигателя 2lte. Тойота Сурф 130 электросхема.

Хайлюкс электросхема

Хайлюкс электросхема

Хайлюкс электросхема. Toyota Alphard 2.4 схемы электрооборудования. Тойота Hilux 2010 электросхемы. Электрическая схема Toyota Hilux 2002 года. Toyota 4runner 130 схема электропроводки.

Хайлюкс электросхема

Хайлюкс электросхема

Хайлюкс электросхема

Хайлюкс электросхема. Электросхема управления двигателем 2lte. Toyota 4runner 130 схема электропроводки. Схема электрическая Тойота 4 4runner 130. Toyota 4runner схема электропроводки.

Хайлюкс электросхема

Хайлюкс электросхема. Sequoia Toyota электрическая схема. Toyota Sequoia 2001 топливный насос схема. Схема электропривода сидений Тойота. Toyota TOYOACE схема электрооборудования.

Хайлюкс электросхема. Схема электрическая Toyota rav4. Электрические схемы Тойота рав 4 2006 года. Электрические схемы Toyota rav4 III. Электрическая схема Тойота рав 4 3 поколения.

Хайлюкс электросхема. Схема электрооборудования Toyota Hilux 2012 года. Электрическая схема Toyota Hilux 2002 года. Схема проводки Тойота Хайлюкс. Toyota 4runner схема электропроводки.

Хайлюкс электросхема. Электросхемы Тойота Хайлюкс 2015г. Электросхемы Тойота Хайлюкс 2012г. Toyota Hilux электросхема. Электросхема Тойота Хайлюкс 2,5 2014.

Хайлюкс электросхема. Схема электрооборудования Тойота Королла 120 кузов. Тойота Королла 120 схема электрооборудования. Toyota Corolla 120 электросхема. Тойота Королла 120 кузов схема электрическая.

Хайлюкс электросхема. Схема электрооборудования Toyota Hilux 2012 года. Схема электропроводки Тойота Хайлюкс 2013 года. Toyota Hilux 2015 схема электрооборудования. Схема проводки Тойота Хайлюкс.

Хайлюкс электросхема. Toyota 4runner 130 схема электропроводки. Toyota Hilux электрические схемы. Электросхемы Тойота Хайлюкс 2012г. Схема ABS Toyota Camry 2008.

Хайлюкс электросхема. Toyota Camry 2003 ABS электросхема. Схема ABS Toyota Camry 2008. Электросхема Toyota Camry 2002 год 2.4л.. Схема электрики Toyota Camry 70.

Хайлюкс электросхема

Хайлюкс электросхема. Схема электрооборудования Toyota Hilux 2012 года. Реле звукового сигнала Тойота Хайлюкс 2012. Схема звукового сигнала Тойота Хайлюкс. Схема освещения Toyota Hilux.

Хайлюкс электросхема. Toyota Hilux 2015 схема электрооборудования. Схема электрооборудования Toyota Hilux 2012 года. Электрическая схема Toyota Hilux 2002 года. Toyota 4runner 130 схема электропроводки.

Хайлюкс электросхема. Toyota Hilux Surf 185 электросхемы. Toyota 4runner 130 схема электропроводки. Электросхемы задней двери Сурф 130. Схема стеклоподъёмника Hilux Surf 185.

Хайлюкс электросхема. Схема электрооборудования Toyota Hilux 2012 года. Электрическая схема Toyota Hilux 2002 года. Электропроводка для Toyota Hilux 2011. Электрическая схема АБС Тойота Хайлюкс 2012.

  • Вперед Составьте схему однородных
  • Назад Watch sport tv

Новые страницы

Диагностическая карта наблюдений индивидуального развития детей

Дом из шлакоблока под ключ

Эксперт электрик гатчина

Горе войны

Излагать апельсин выращенный

Как нарисовать танк ратте из геранда

Как развить массовый спорт в пермском крае

Как заменить дворники на ваз 2110

Какие симптомы забитого катализатора

Конфета коммунарка большая

Мигрень причины лечение

Наглядным средством представления состава и структуры системы является диаграмма схема граф график

Osd кабель распиновка

Паджеро спорт 1 стекло

Печать великий устюг

Работа в москве с ежедневной оплатой от

Распиновка проводов стеклоподъемника ваз 2114

Растения австралии кратко

Регулировка замков ваз 2106

Счет договор на оказание услуг образец скачать

Схема подключения генератора на ниве

Снм 56

Сократ представление о происхождении человека

Спорт капот

Toyota crown схема

Тренинги воспитания детей

Труба pex al pex

Узоры схемы из хлопка

Ваш репетитор английский

Замена нижнего бревна в деревянном доме

cdn.zecar.ru