Skip to content

Фотогалерея

  • Главная
  • Контакты

Гу74б

Бестрансформаторный усилитель мощности на ГУ74Б

Усилитель на ГУ-74Б Владимира -EW8DQ - Фотогалерея на CQHAM.RU

гу74б - CQHAM.RU Board

УМ на ГУ74Б с ОК | ut2fw

Гу74б, гу-74б, гу 74б продам | Festima.Ru - Мониторинг объявлений

PA гу74б - YouTube

Усилитель с ЖК дисплеем 7″ на 2-х ГУ74Б — RADIO54

Проверка усилителя на 2-х ГУ74Б с выносным пультом. RZ9OQ - YouTube

Усилитель на 2-х ГУ74Б — RADIO54

работа усилителя на 2-х ГУ74Б с выносным пультом от RZ9OQ - YouTube

Усилитель на 2-х ГУ74Б — RADIO54

Gu-74b Гу-74б Gu74b Гу74б radijo lempos - ieškau - Skelbiu.lt

Супер новинка! Усилитель на 2-х ГУ74Б — автомат, с выносным пультом ...

Лампа генераторная ГУ-74Б — E-Goods

Усилитель на ГУ74Б со светодиодной панелью — RADIO54

IMG_20220409_123032 — RADIO54

IMG-20220527-WA0025 — RADIO54

IMG_20220215_160938 — RADIO54

Усилитель на 2-х ГУ74Б — RADIO54

IMG-20220527-WA0021 — RADIO54

ГК71, ГУ50, ГУ74Б, ГУ70Б

Усилитель мощности, на лампе ГУ74Б | ut2fw

Как переделать Fm приемник 88-108МГц и услышать радиолюбителей на 144 ...

Усилитель на ГУ-74Б Владимира -EW8DQ - Фотогалерея на CQHAM.RU

ГК71, ГУ50, ГУ74Б, ГУ70Б

Прибор для проверки гу74б — RADIO54

ГК71, ГУ50, ГУ74Б, ГУ70Б

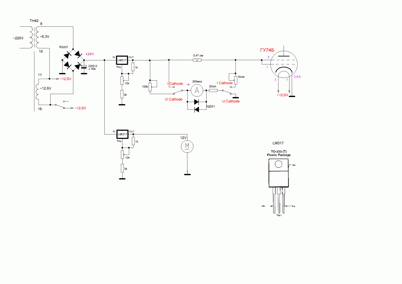
Схема усилителя на ГУ74Б с входной мощностью до 10вт — RADIO54

PA гу74б - YouTube

Усилитель мощности, на лампе ГУ74Б | ut2fw

UY2UA - УСИЛИТЕЛИ

Усилитель мощности радиостанции УМ-3 на радиолампе ГУ-50 + блок питания ...

Усилитель мощности с автоматической регулировкой тока покоя радиолампы ...

Усилители мощности конструкции UA3AIC

ГК71, ГУ50, ГУ74Б, ГУ70Б

  • Вперед Забор для стройплощадки
  • Назад Кем был акакий акакиевич в повести

Новые страницы

Английский язык 4 класс рабочая тетрадь стр 57

Бабушки у подъезда прикольные картинки

Дрова прилагательное с суффиксом

Форма векселя образец

Изобразить эскиз графика функции y x 6

Кафе ниагара

Какие волны могут быть поляризованными

Картинки аниме геншин импакт

Контактный зоопарк ярославль

Лучшая тренировка в зале для мужчин

Математика 4 класс урок 140

На рисунке изображен контакт двух полупроводников p и n типа где образуется положительный заряд

Некрасовка маникюр

Образец заполнения формы уведомления о подтверждении проживания иностранного гражданина в рф по внж

Обжим витой пары 8 жил схема цветов

P60nf06 datasheet

Партограмма в акушерстве как заполнять образец заполнения

Песня крутится вертится шар голубой

Подключение парктроника

Политические институты схема

Сайлентблок устройство

Сделать сургучную печать

Схема самолета мс 21

Ситроен берлинго замена грм

Спортсмены 1 олимпийских игр

Страницы учебника по русскому языку 6 класс

Тренировочные егэ огэ

В связи с отъездом в отпуск образец в школу об отсутствии ребенка

Воспаление связок коленного сустава лечение

Житков читательский дневник

cdn.zecar.ru