Skip to content

Фотогалерея

  • Главная
  • Контакты

Great wall safe электрическая схема

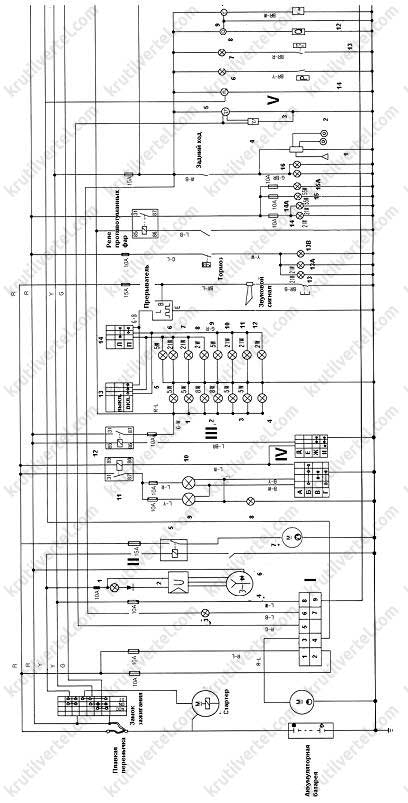
Great Wall Safe - Схема электрооборудования

Great wall safe схема

Great Wall Safe | Deer | Sailor | Sing | Pegasus - электронный блок ...

Great Wall Safe | Deer | Sailor | Sing | Pegasus - электросхема

Great wall safe схема

Great wall safe схема

Great wall safe схема

Great wall safe схема полного привода - фото

Great wall safe схема

Great Wall Safe | Deer | Sailor | Sing | Pegasus - электронный блок ...

Great wall safe схема

Схема предохранителей great wall safe - фото

Схема предохранителей great wall safe - фото

Great Wall Safe, расположение разъемов инструкция онлайн

Great wall safe схема

Схема предохранителей great wall safe - фото

Схема предохранителей great wall safe - фото

Схема предохранителей great wall safe

Great Wall Safe. Руководство - часть 14

Great wall safe схема полного привода - фото

Great wall safe схема

Схема предохранителей great wall safe

Great wall safe схема

Great wall safe схема

Схема предохранителей great wall safe - фото

Схема предохранителей great wall safe - фото

Схема предохранителей great wall safe - фото

Great wall safe схема полного привода - фото

Great wall safe схема - фото

Схема подключения переднего моста great wall safe

Схема электрооборудования Great Wall Hover

Схема предохранителей great wall safe - фото

Схема электрооборудования Great Wall Hover (Haval) H3

Схема предохранителей great wall safe

Схема электрооборудования Great Wall Hover (Haval) H3

  • Вперед Аэропорт платов в ростове на дону
  • Назад Очистка кондиционера хлоргексидином

Новые страницы

C3807 datasheet

Датчик температуры канальный ntc 10k

Функциональный тренинг это

Гдз по алгебре 89

Гдз по русскому виноградова

Гостиница алиса рубцовск

Great wall safe электрическая схема

Кабельный журнал образец заполнения скачать

Как отличить ксенон от биксенона

Как проводится медосвидетельствование

Карта лос анджелеса на русском языке с районами

Краткая запись по математике 1 класс образец

Манаев основы радиоэлектроники

Метро схема с мцд расчетом времени москвы

Образец договора на земельный участок

Образец заявления на освобождение от уроков

Парк красная пахра

Rosenthal посуда

Самое лучшее противовирусное средство

Схема блока автоматики

Схема защиты генератора

Схемы сборки конструктора

Слова на букву у для детей в начале слова картинки

Сплит тренировка для девушек в тренажерном зале

Switch oil pressure перевод

Турция отели 4 алания

Упражнение 207 по русскому языку 2 класс

Вентилятор вытяжной с клапаном

Юла игрушка картинка

Замена кузова авто

cdn.zecar.ru