Skip to content

Фотогалерея

  • Главная
  • Контакты

Горит предохранитель при включении зажигания

Горит предохранитель замка зажигания — DRIVE2

Электрика. Горит предохранитель на замок зажигания — Mitsubishi Lancer ...

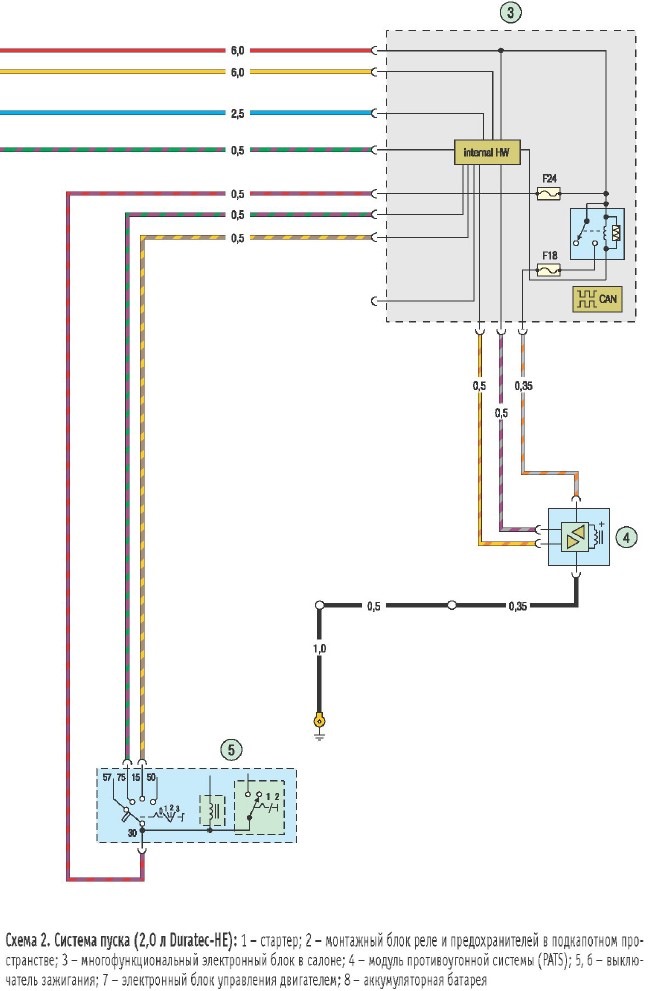
Горит предохранитель катушек зажигания и пуска двигателя — Hyundai ...

Горит индикатор дальнего при включении зажигания Chery Tiggo - YouTube

Ниссан р12 не горит чек при включении зажигания - YouTube

Нужна помощь. При включении зажигания не горит индикатор акб — KIA ...

Кондиционер ланос горит предохранитель - 81 фото

Не горит лампа по включении зажигания и нет зарядки ! — Lada 4x4 3D, 1 ...

Горит предохранитель модуля зажигания ваз 2112 - фото

Нива Шевроле. Сгорает предохранитель F9 при включении зажигания. Ремонт ...

Горит стоп при включении зажигания. — DRIVE2

Не горит лампа epc при включении зажигания — Volkswagen Passat B5, 1,6 ...

Не Горит Лампочка Аккумулятора При Включении Зажигания Приора

Ремонт усилителя, горит предохранитель при первом включении - Песочница ...

НЕ ГОРИТ ЛАМПОЧКА ДАВЛЕНИЯ МАСЛА ПРИ ВКЛЮЧЕНИИ ЗАЖИГАНИЯ НА ВАЗ, ЛАДА ...

Как сделать чтобы долго не выключалось зажигание Рено Меган3/Сценик3 ...

(Решено)при включении зажигания не горит контрольная лампа code и чек ...

Не горит лампа зарядки аккумулятора при включении зажигания: что делать ...

Ремонт усилителя, горит предохранитель при первом включении - Песочница ...

Toyota corolla 120 не заводится не горит панель | ⚡ Записки ...

Шевроле лачетти не горит чек при включении зажигания - фото

Горит предохранитель Выключателя зажигания — Сообщество «Ford Club» на ...

Не горит лампа по включении зажигания и нет зарядки ! — Lada 4x4 3D, 1 ...

Ремонт усилителя, горит предохранитель при первом включении - Песочница ...

Сгорает предохранитель при включении обогрева зеркал и стекла задней ...

При включении зажигания не горит лампа аккумулятора (генератора). Не ...

Не горит лампа аккумулятора при включении зажигания автомбиля

Горит чек на ВАЗ-2110: с 8, 16 клапанами, на холостых оборотах, при ...

Звук при включении зажигания - YouTube

Ремонт усилителя, горит предохранитель при первом включении - Песочница ...

Мерседес W 202 С180 згорают предохранитель на топливном датчике при ...

Загорелась лампочка "авто с горящим задним светом" - Клуб любителей ...

Ваз 2114 горит предохранитель печки при включении зажигания • ваз 2114 ...

Ваз 2114 горит предохранитель печки при включении зажигания • ваз 2114 ...

Co dělat, když se při zapnutí zapalování auta nerozsvítí kontrolka ...

  • Вперед Skoda балашиха
  • Назад Какие геометрические фигуры используются в блок схеме

Новые страницы

Афина певица сейчас

Анекдот про бабника и онаниста

Авито крым профнастил бу

Авторазборка в архангельске на краснофлотском

Безопасные места в автобусе дальнего следования схема

Фитнес браслет программа на телефон

Гараж на час в минске

Гдз по математике 2 класс нефедова 2 часть

Горит предохранитель при включении зажигания

Грибы подпиши рисунок схему

Как поменять патрубки на печку ваз 2114

Какие бывают специи

Картина розовый конь кто написал

Крым санаторий орен крым

Магнитное поле как возникает

Машина аурус цена

Мировая экономика экспорт и импорт товаров

Отваривая картофель клубни опускайте в уже кипящую воду впр

Подмотка моточасов

Преследовать преклонный привинтить

Прочитайте внимательно стихотворение каждый труд благослови удача чем поэту близки люди труда есенин

Ремонт газовой поверхности аристон

Русские пословицы и поговорки о характере качествах человека проект

Схема контактной группы замка зажигания

Схемы и описания свитеров для женщин

Снегирев карликовая береза

Спорт эндуро мотоциклы

Спорткомплекс услуги

В чем особенность правописание падежных окончаний существительных типа армия задание

Валфекс краны шаровые

cdn.zecar.ru