Skip to content

Фотогалерея

  • Главная
  • Контакты

Функциональная схема электропривода

Функциональная схема электропривода. Структурная схема тиристорного преобразователя. Структурная схема электромеханического привода. Функциональная схема автоматизированного электропривода. Структурная схема электропривода 1м63.

Функциональная схема электропривода. Функциональная схема автоматизированного электропривода. Функциональная схема электрического привода.. Функциональная схема электропривода крана. Структурная схема автоматического электропривода.

Функциональная схема электропривода

Функциональная схема электропривода

Функциональная схема электропривода

Функциональная схема электропривода

Функциональная схема электропривода

Функциональная схема электропривода. Схема электропривод лебедки буровой. Функциональная схема электропривода ТП-ДПТ. Схема электропривода ваерной лебедки.

Функциональная схема электропривода. Функциональная схема электропривода станка. Функциональная схема фрезерного станка с ЧПУ. Структурная схема электропривода фрезерного станка. Структурная схема привода подач станков с ЧПУ..

Функциональная схема электропривода. Обобщенная функциональная схема автоматизированного электропривода. Электропривод на схеме автоматизации. Структурная схема автоматизированного электропривода. Автоматизированный электропривод схема функциональная.

Функциональная схема электропривода. Функциональная схема электропривода постоянного тока. Функциональная схема электропривода крана. Функциональная схема электропривода станка. Автоматизированный электропривод схема функциональная.

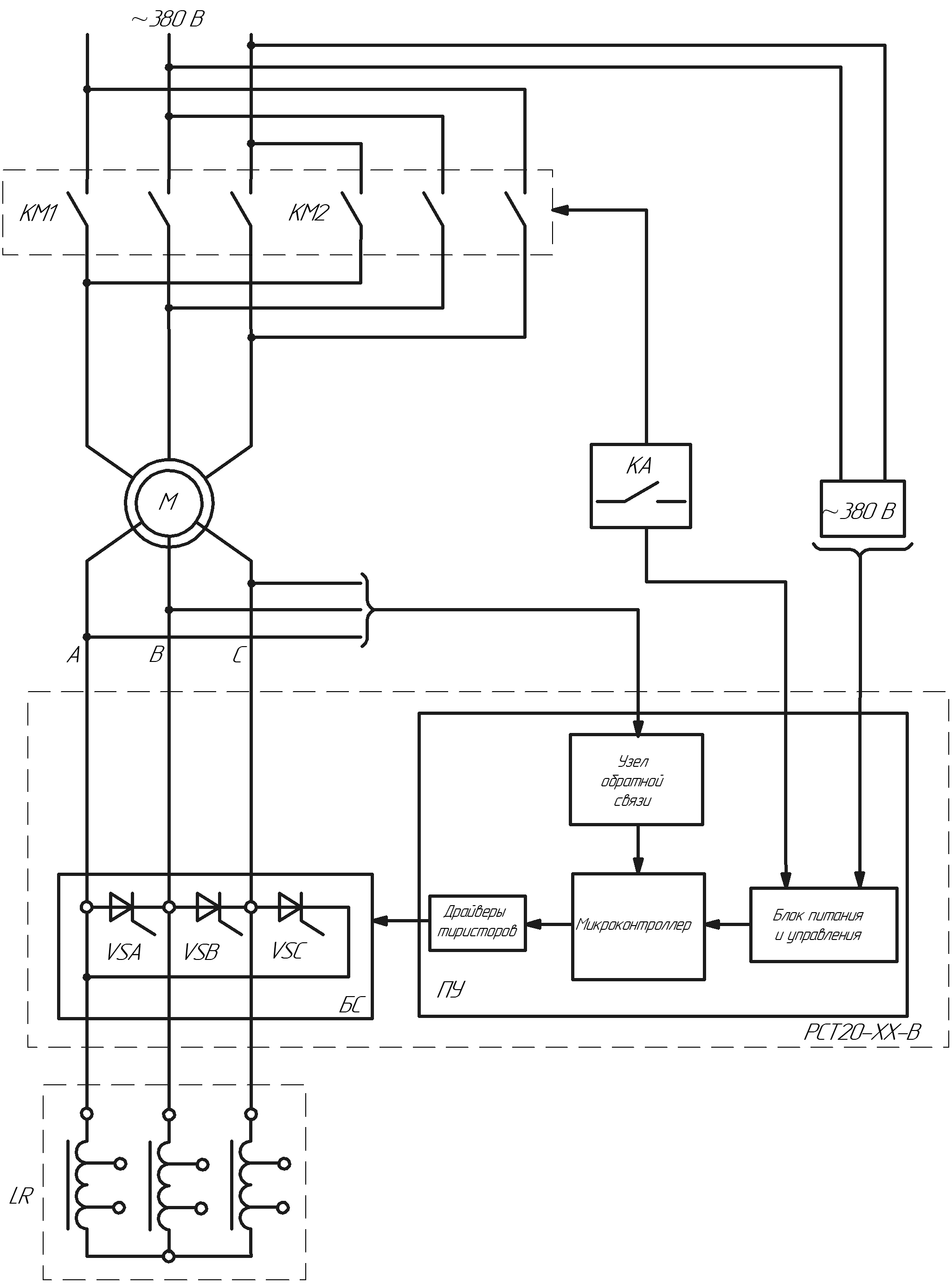
Функциональная схема электропривода. Блок тиристорный схема электрическая соединений. Блок силовой регулятора скорости РСТ 05-01. Универсальный регулятор скорости Урс 5. Функциональная схема тиристорного управления.

Функциональная схема электропривода. Структурная схема силовой части электропривода. Структурная схема электропривода со скалярным управлением. Структурная схема электропривода 1м63. Структурная схема управления асинхронным двигателем.

Функциональная схема электропривода. Частотно-регулируемый асинхронный электропривод схема. Принципиальная схема частотно регулируемого электропривода. Стенд частотно регулируемый электропривод 5 проводов схема. Структурная схема частотного управления асинхронного двигателя.

Функциональная схема электропривода. Функциональная схема автоматизированного электропривода. Схема замкнутой электропривода системы вентиляции. Замкнутые системы электропривода структурная схема. Структурная схема автоматического электропривода.

Функциональная схема электропривода

Функциональная схема электропривода. Принципиальная схема разомкнутой системы электропривода. Основные этапы проектирования электромеханического привода. Схема управления электроприводом проектируемой установки. Проектирование электромеханический привод.

Функциональная схема электропривода

Функциональная схема электропривода

Функциональная схема электропривода. Функциональная схема асинхронного двигателя. Функциональная схема частотного управления асинхронным двигателем. Структурная схема частотного регулирования асинхронного двигателя. Линеаризованная структурная схема асинхронного двигателя.

Функциональная схема электропривода

Функциональная схема электропривода

Функциональная схема электропривода. Схема электропривода медогонки 12в. Функциональная схема электропривода 6р13ф3. Принципиальная схема электропривода MTF. Функциональная схема электропривода станка.

Функциональная схема электропривода. Лифт функциональная схема автоматизированного электропривода. Схема электропривода бм21. Автоматический выключатель на функциональной схеме. Структурная схема автоматизированного электропривода лифта.

Функциональная схема электропривода

Функциональная схема электропривода

Функциональная схема электропривода. Структурная схема следящего электропривода. Функциональная схема привода постоянного тока.

Функциональная схема электропривода. Схема привода Альфарда. Схема привода канон 2520. Схема ЭЛСИЭЛ. HP 1200 схема привода.

Функциональная схема электропривода. Схема управления скоростью асинхронного двигателя. Схема управления конвейером с датчиком скорости. Векторное регулирование асинхронных двигателей схема. Асинхронный электродвигатель с векторным управлением.

Функциональная схема электропривода

Функциональная схема электропривода. Принципиальная схема разомкнутой системы электропривода. Функциональная схема электропривода постоянного тока. Блок схема автоматизированного электропривода. Функциональная схема комплектного электропривода теплогенератора.

Функциональная схема электропривода

Функциональная схема электропривода

Функциональная схема электропривода. Структурная схема электропривода переменного тока. Функциональная схема электропривода постоянного тока. Функциональная схема электропривода переменного тока. Принципиальная схема электропривода переменного тока.

Функциональная схема электропривода. Функциональная схема электропривода 6р13ф3. Разомкнутые схемы управления автоматизированными электроприводами. Шаговый привод схема функциональная автоматизации. Функциональная схема шагового двигателя.

Функциональная схема электропривода. Функциональная схема электропривода постоянного тока. Скалярный частотный преобразователь схема. Функциональная схема частотно-регулируемого электропривода. Скалярное управление частотным преобразователем.

Функциональная схема электропривода. Функциональная схема системы управления электропривода. Функциональная схема Эл.привода. Механическая схема электропривода. Механическая часть электропривода.

Функциональная схема электропривода. Принципиальная схема разомкнутой системы электропривода. Функциональная схема автоматизированного электропривода. Замкнутая схема электропривода с частотным управлением ад. Структурная схема разомкнутой системы электропривода..

Функциональная схема электропривода. Схема электропривода медогонки 12в. Схема асинхронного тягового электропривода троллейбуса. Схема управления тяговым приводом. Электропривод это-2 привод схема электрическая.

Функциональная схема электропривода. Функциональная схема электропривода Unidrive. Функциональная схема электропривода acs880. Блок схема электропривода. Функциональная схема лебедки с частотным преобразователем.

Функциональная схема электропривода. Функциональная схема системы управления. Функциональная схема игры. Функциональная модель математическое моделирование. Схема из функциональных элементов.

Функциональная схема электропривода. Структурная схема электропривода переменного тока. Электропривод переменного тока схема. Функциональная схема синхронного электропривода. Функциональная схема электропривода переменного тока.

Функциональная схема электропривода. Функциональная схема автоматизированного электропривода. Структурная схема механической части электропривода. Принципиальная электрическая схема силовой части электропривода.

Функциональная схема электропривода

Функциональная схема электропривода

Функциональная схема электропривода. Функциональная схема система автоматизирование электропривод лифта. Схема автоматизации лифт. Структурная схема автоматизации лифта.

Функциональная схема электропривода. Функциональная схема электропривода с преобразователем частоты. Функциональная схема частотного электропривода. Схема частотно регулируемого привода с преобразователем частоты. Схемы с использованием преобразователей частоты электропривода.

Функциональная схема электропривода. Асинхронный электропривод ленточного конвейера. 15 Функциональная схема испытаний электрических машин.. Схема электропривода с частотным преобразователем. Стенд частотно регулируемый электропривод 5 проводов схема.

Функциональная схема электропривода. Электромеханический привод схема. Функциональная схема автоматизированного электропривода. Принципиальная схема электропривода эскалатора. Функциональная схема электропривода 6р13ф3.

Функциональная схема электропривода

Функциональная схема электропривода

Функциональная схема электропривода

Функциональная схема электропривода

Функциональная схема электропривода

Функциональная схема электропривода

Функциональная схема электропривода

Функциональная схема электропривода. Функциональная схема преобразователя частоты. Схема система регулирования частотного преобразователя. Схема управления электроприводом с частотным преобразователем. Структурная схема системы управления электроприводом.

Функциональная схема электропривода. Схема регулирования электропривода с БПР 3и. Схема щита управления частотно-регулируемым электроприводом 4 КВТ. Схема регулирования электропривода с ППР-е3. Схема асинхронного привода подъемной установки.

Функциональная схема электропривода. Принципиальная схема силовой части электропривода. Схема автоматизированного электропривода. Структурная схема автоматизированного электропривода. Функциональная схема автоматизированного электропривода.

Функциональная схема электропривода

Функциональная схема электропривода

Функциональная схема электропривода. Схема силовой части электропривода. Принципиальная схема силовой части электропривода. . Принципиальная схема управления приводом робота. Схема силовой части электропривода 280s4.

Функциональная схема электропривода

Функциональная схема электропривода

Функциональная схема электропривода. Функциональная схема частотного управления асинхронным двигателем. Схема частотного преобразователя с векторным управлением. Функциональная схема асинхронного электропривода. Асинхронный двигатель с частотным приводом схема.

Функциональная схема электропривода. Асинхронный электродвигатель с векторным управлением. Схема электропривода с потокосцеплением. Структурная схема векторного управления асинхронным двигателем. Схема векторного управления вентильным двигателем.

Функциональная схема электропривода

Функциональная схема электропривода

Функциональная схема электропривода. Функциональная схема электропривода станка. Структурная схема электромеханического привода. Структурная схема электропривода механизма подъема. Функциональная схема автоматизированного электропривода.

Функциональная схема электропривода

Функциональная схема электропривода. Схема управления электроприводом эп 32/33. Принципиальная схема СУЭП. Функциональная схема системы стабилизации. Система стабилизации скорости привода функциональная схема.

Функциональная схема электропривода. Функциональная схема автоматизированного электропривода. Структурная схема автоматизированного электропривода. Функциональная схема электропривода переменного тока. Обобщенная функциональная схема автоматизированного электропривода.

Функциональная схема электропривода

Функциональная схема электропривода

Функциональная схема электропривода. Функциональная схема автоматизированного электропривода. Структурная схема автоматизированного управления приводом ворот. Функциональная схема электропривода насоса. ТОМПРИН электропривод схема автоматизации.

Функциональная схема электропривода. Система ТП-Д принципиальная схема. Электропривод постоянного тока с системой ТП-Д симулинк. Схема электропривода система ТП Д. Схема электропривода системы УВД.

Функциональная схема электропривода. Структурная схема частотного регулирования асинхронного двигателя. Принципиальная схема частотно регулируемого электропривода. Функциональная схема асинхронного двигателя. Схема управления асинхронным двигателем с преобразователем частоты.

Функциональная схема электропривода. Схема электропривода ПЧ-ад. Комплектные электроприводы схема. Принципиальная схема электропривода ПЧ-ад. Схема управления комплектного электропривода.

Функциональная схема электропривода. Электрическая схему узла электропривода тн229. Электрическая схема электропривода тн229.00.000. Функциональная схема автомобиля.

Функциональная схема электропривода

Функциональная схема электропривода. Схема следящего электропривода постоянного тока релейного действия. Структурная схема следящего электропривода. Структурная схема электропривода переменного тока. Контактная бесконтактная схема электропровода насоса.

Функциональная схема электропривода

Функциональная схема электропривода. Схема электропривода с микропроцессорным управлением. Схема электрическая принципиальная следящего электропривода. Принципиальная функциональная электрическая схема. Блок-схема электропривода с микропроцессорным управлением.

Функциональная схема электропривода

Функциональная схема электропривода. Функциональная схема электропривода датчик тока. Структурная схема силовой части электропривода. Функциональная схема механической части эп. Структурная схема эп.

  • Вперед Вентилируемый фасад панельного дома
  • Назад Трубная беременность лечение

Новые страницы

Акт выполненных работ от ип образец

Английский язык 5 класс spotlight страница 99 номер 5

Чемодан сергей довлатов книга

Доверенность на ребенка бабушке образец от родителей

Eaton m22 r10k

Флаг красный с черным рисунком

Функциональная схема электропривода

Гдз по алгебре 7 класс теляковский номер 289

Гдз по английскому языку 11 класс enjoy english учебник

Гдз по математике 4 класс 2 часть учебник нефедорова

Характеристики ссангйонг актион

Как переделать автомагнитолу под флешку

Как снять зеркальный элемент

Контурная карта по истории 5 класс просвещение ответы

Лачетти или альмера

Множественные пропуски зажигания шевроле лачетти

Образец протокола урегулирования разногласий к протоколу разногласий

Отель вертолет

Распиновка магнитолы teyes cc3

Регулятор давления в рампе ваз 2110

Рябина ярус

Схема черепашки крючком амигуруми

Схема древа человека

Снятие шестерни коленвала ваз 2114

Sport area

Трубы толстостенные

В схеме радиоприемника изображенной на рисунке 6.21

Vp234

Задвижка клиновая с невыдвижным шпинделем

Заявление на исполнительный лист в суд образец

cdn.zecar.ru