Skip to content

Фотогалерея

  • Главная
  • Контакты

Fr604

FR604 400V 6A Fast Recovery Diode - Datasheet

FR604 Diode - FR604 400V 6A Fast Recovery Diode - Robomart

FR604 400V 6A Fast Recovery Diode - Datasheet

Summitone FR604 - SOLD! - item number 2430089

FastRotator FR604 | Fastrotator

FR604 Mini-Palm Set - Flexcut Tool Company

6A 400V Fast Recovery Rectifier Diode Fr604 - China Diode and Diodes

SR360 Datasheet - 3.0A SCHOTTKY BARRIER DIODE

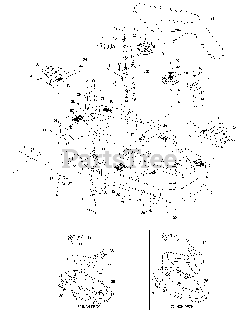
Parts For Exmark Lawn Mower

FR604,FR605,快恢复二极管,原装,送样!!!_快/超快/特快恢复二极管_维库电子市场网

How to solder wires to connectors - Hobby electronic soldering and ...

FR604 FRASHE

Electronic Solder 60/40 0.8mm (0.031") Diameter 1 lb. Spool

Flexcut FR604 Mini - Palm Set

Flexcut FR604 Mini Carving Tools Palm Fitting Wooden Handles Set of 4 ...

Импульсный диод 6А 400В, FR604, пассивные компоненты, 5 шт - купить с ...

Permittivity - en | Absolute, Relative & Vacuum | Definition & Values

二极管FR601/FR602/FR603/FR604/FR605/FR606/FR607长期供货!_电子元器件_维库仪器仪表网

Readypower FR604 - Case 988P — ontrackplant.com

20PCS FR607 6A 1000V R-6 FR605 FR604 FR603 FR602 FR601 FR608 Fast ...

Sistem rotire profile - FR604

20 قطعة الصمام الثنائي المعدل 1N5408 1N5404 1N5401 1N5822 1N5818 1N5400 ...

FR607/FR606/FR605/FR604/FR603/FR602/FR601,ASEMI DO diode

(10ตัว) FR607 , 6A 1000V ใช้แทน FR601 FR602 FR603 FR604 FR605 FR606 ได้ ...

Sistem rotire profile - FR604

FR604,FR605,快恢复二极管,原装,送样!!!_快/超快/特快恢复二极管_维库电子市场网

Кантователь для плит перекрытия - 80 фото

10 Best Soldering Wires For Engineers And Hobbyists

FR604 - YouTube

Exmark FR604 - Exmark 60" Front Runner Deck (SN: 670000 - 719999) (2007 ...

Hfzt Fast Recovery Rectifiers Diode Fr601 Fr602 Fr603 Fr604 Fr605 Fr606 ...

Dioden

Machine Metal: Le guide des machines outils de Tôlerie

Exmark FR604 - Exmark 60" Front Runner Deck (SN: 720000 - 789999) (2008 ...

Exmark LZ27KC604 - Exmark 60" Lazer Z Zero-Turn Mower, 27hp Kohler (SN ...

  • Вперед Исаакиевский собор в спб
  • Назад Спортивная клиника санкт петербург

Новые страницы

3Л ед ч

Алгебра 619

Бобровая струя что лечит как принимать

Договор аренды квартиры на безвозмездной основе образец скачать

Договор на рекламу образец

Доработки салона ваз 2109

Кадастровая карта переславля залесского публичная

Карта цкад с развязками подробная схема

Картинка насос для детей на прозрачном фоне для детей

Когда волнуется желтеющая нива метафоры

Колобок сочинение

Математика 5 класс номер 1179

На диаграмме показано содержание питательных веществ в семенах кунжута к прочему относятся вода

Неполярный конденсатор 10 мкф

Один из смежных углов в 11 раз больше другого найдите эти смежные углы с чертежом

Omron h3cr

Предлоги творительного падежа

Распиновка предохранителей пежо 308

Растворитель в бензобак инжектор

Рыба моей мечты ханты мансийск ресторан

Схема переключения коробки

Спортивная одежда ru

Ставки спорт тв

Уничтожение тараканов

Вокзал ванино

Запах жженой резины в салоне

Заявление на восстановление сроков и отмену судебного приказа образец

Жк солнечный в яблоновском с какой канализацией

Зона покрытия билайн самарская область карта 4g

Зона высотной поясности это

cdn.zecar.ru