Skip to content

Фотогалерея

  • Главная
  • Контакты

Формирователь коротких импульсов

40. Формирователь коротких импульсов на интегрирующей rc-цепи.

1285571 - Формирователь импульсов — PatentDB.ru

40. Формирователь коротких импульсов на интегрирующей rc-цепи.

3. Описание лабораторной установки

Формирователь импульсов напряжения ФИН-01

Простой генератор импульсов большой скважности

Формирователь импульсов на брелок, пульт ДУ - YouTube

1403352 - Формирователь импульсов из синусоидального сигнала — PatentDB.ru

Одиночный импульс на реле – Генераторы импульсов — Мир Антенн ...

1665313 - Устройство отображения коротких одиночных импульсов сложной ...

Формирователь биполярных прямоугольных импульсов большой длительности

Селектор-формирователь импульсов заданной длительности для системы ...

Формирователь импульсов

Формирователь импульсов

Блок формирователя импульсов урм-35ф

4.1.Формирователи импульсов

Импульс 24 схема подключения - 81 фото

Шифратор и дешифратор пропорционально-дискретных команд для ...

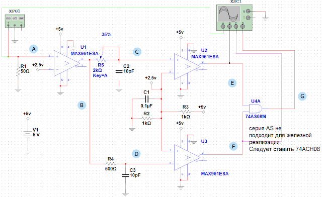
Наносекундные импульсы: делаем на компараторах (для приставки 200 мгц к ...

Шифратор и дешифратор пропорционально-дискретных команд для ...

Формирователи импульсов

ЧАСТОТНО-ФАЗОВОЕ РЕЛЕ. Патент № RU 2239904 МПК H01H47/18 | Биржа ...

Формирователь импульсов

Формирователи длинных импульсов (одновибраторы)

Тест - Физика 8

Формирователи длинных импульсов (одновибраторы)

Формирователи коротких импульсов на транзисторах

2.2. Формирователи импульсов управления

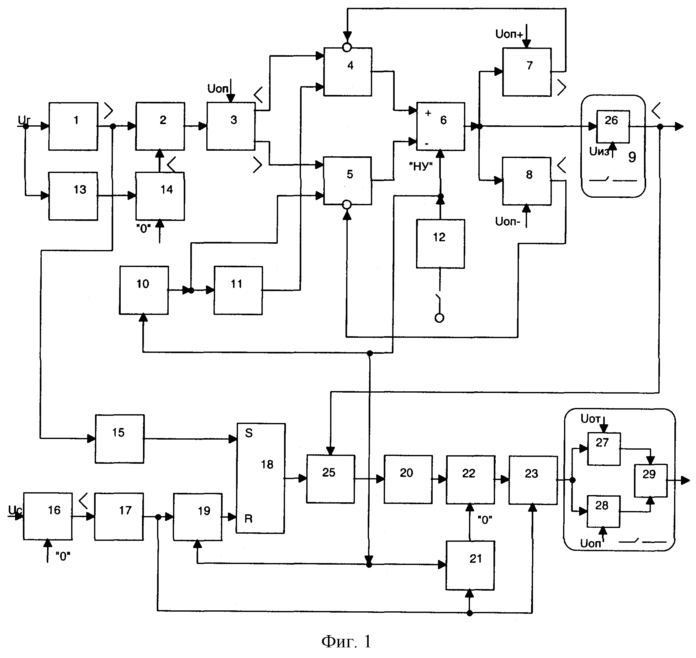
Разработка формирователя импульсов для тиристорного преобразователя ...

Генератор импульсов. Подмотка импульсная, Универсальная ( 5в...32в ...

Формирователи импульсов - обзор и схемотехника

Генератор импульсов для шокера схемы — купить по низкой цене на Яндекс ...

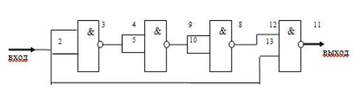
Формирователи импульсов на логических элементах: 3.11. Формирователи ...

Мультивибратор на логических элементах – Telegraph

Простой генератор импульсов большой скважности

  • Вперед Надо собираться вода льется листья осыпаются
  • Назад Рисунок с днем рождения папе своими руками

Новые страницы

Деление рациональных чисел 6 класс мерзляк презентация 1 урок

Договор с нпд плательщиком образец

Фаза напряжения

Формирователь коротких импульсов

Фосфорная кислота кислотный остаток

Гдз по матем 2 класса

Ixtq460p2

Карта турции с городами на русском языке географическая крупная бесплатно

Картинка кот в мешке для презентации

Картинки с днем рождения женщине на башкирском языке

Контент анализ как делать

Логан жрет масло

Мариинский театр новая сцена схема зала

Математика 3 класс учебник стр 70 номер 2

Обратный клапан на водоснабжение

Очертания низких берегов пропадают так как по горизонту весь день слоями лежит тяжелая мгла

Ограничитель тока на полевом транзисторе схема и расчет

Озеро ореховое ивановская область

Прием отчетов о производственном контроле ростехнадзора образец

Проект мой дед участник великой отечественной войны презентация

Пурпурная наперстянка

Разболтался рычаг переключения передач

Реле предохранителей ваз 2115

Сколько раз нужно заниматься спортом

Стандарт размер кирпича

Такси лидер динская телефон

Убить сталкера читать с картинками манхва на русском

Учебник по английскому языку 7 класс эванс

Замена салонного фильтра hyundai getz

Заявление на увольнение по собственному на испытательном сроке образец

cdn.zecar.ru