Skip to content

Фотогалерея

  • Главная
  • Контакты

Ford eec iv диагностика

ДИАГНОСТИКА EEC-IV ДВИГАТЕЛЕЙ АВТОМОБИЛЕЙ FORD

ford-eec-iv-diagnostic/README.md at master · babroval/ford-eec-iv ...

teste do módulo do Ford EEC-IV Ford - YouTube

EEC-IV PCM Diagnosis - Ford Truck Enthusiasts Forums

The Hidden Engine Health Test in Ford EEC-IV PCMs that you need to know ...

| Repair Guides | Trouble Codes -eec-iv System | Eec-iv Diagnostic ...

EEC IV Self Test - Ford Fuel Injection and EEC IV Electronic Engine ...

ДИАГНОСТИКА EEC-IV ДВИГАТЕЛЕЙ АВТОМОБИЛЕЙ FORD

Диагностика EEC-IV — Ford Thunderbird X, 3,8 л, 1991 года | электроника ...

Ford ECM Repair EEC IV | Fix Multiple Issues | 1980-1996 Ford Bronco ...

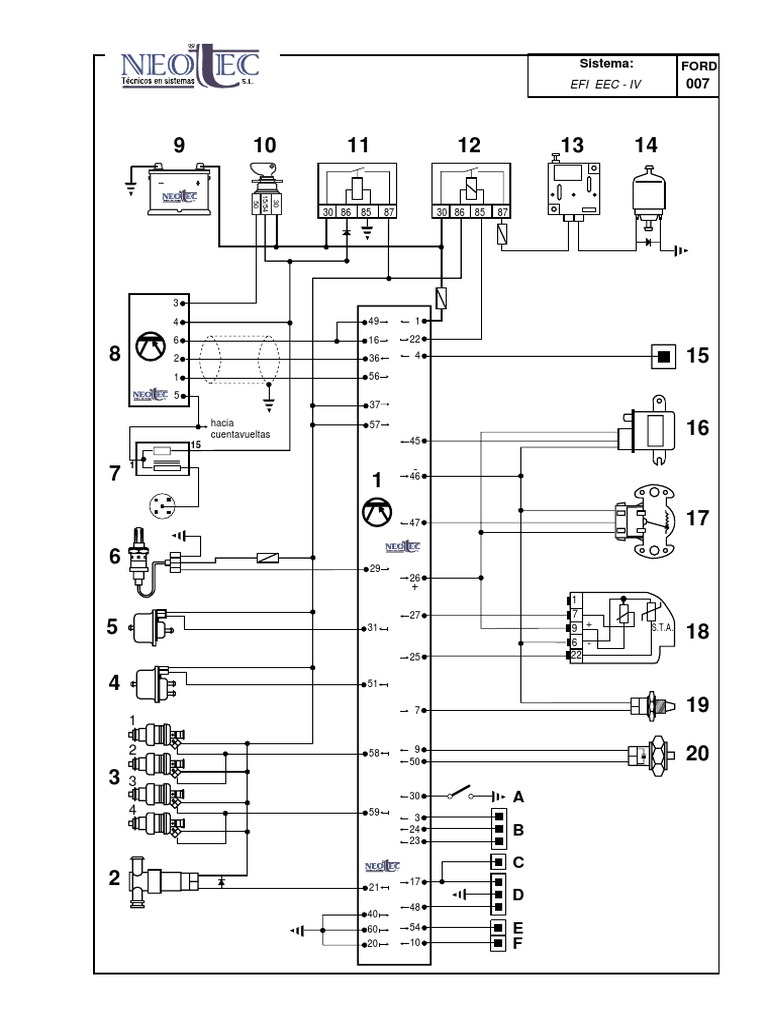
Sistema de inyección electrónica Ford EFI EEC-IV: ficha de diagnosis ...

Ford EEC IV - Operation and Testing | Automotive Software, Repair ...

Ford EEC-IV

Ford EEC IV - Operation and Testing | Automotive Software, Repair ...

Ford EEC-IV and TFI Diagnostics Manual - Bronco Corral

EEC-IV PCM Diagnosis - Ford Truck Enthusiasts Forums

| Repair Guides | Self Diagnostic Systems And Trouble Codes | Eec-iv ...

Ford Eec-iv Test 10 - Year Book Including 1992 - Covers Cars & Light ...

Tema 1 (EEC-V) FORD - ford maual - Análisis Electrónica a la PCM EEC-V ...

Ford Eec Iv System - moplaicon

Ford EEC-IV/TFI-IV Electronic Engine Control Troubleshooting

Ford EEC-IV Self-Test Diagnostic Connector RED Wiring Pigtail Test Plug ...

(PPT) Ford EEC IV Operation and Testing. Overview ECT MAP/BARO TPS CKP ...

Ford Eec Iv Pinout

Ford Bronco EEC IV

Ford Eec Iv Computer Identification - lmqlero

Ford EEC-IV Module testing

EEC-IV Identification | Ford Mustang Forums

FORD EEC IV - OBD II .COMO FUNCIONA

Ford EEC IV

Ford Eec Iv Schematic

Electronic Engine Control (EEC)

Ford Eec Iv Schematic - trueoload

Ford EEC IV

Ford Eec Iv Schematic - bestdup

  • Вперед Пошаговая схема кашпо макраме
  • Назад Обрезка малины весной для начинающих в картинках пошагово со схемой

Новые страницы

3 Класс математика страница 60 упражнение 25

Биатлонистки словакии

Час это сколько

Фланец стальной гост 12820 80

Галогены в природе схема

Ид 3

Как осуществляется спортивная подготовка граждан

Как разобрать боковое зеркало на газели

Как стройный тополь носился он

Карта ивнянского района белгородской области подробная с деревнями с дорогами

Киа рио в брянске

Нарисовать сказку колобок для 1 класса поэтапно карандашом

Николаев музей им верещагина

Нормативы спортивного комплекса

Продвижение в соц сетях

Рабочая тетрадь английский язык третий класс афанасьева

Расписание манго фитнес

Реле регулятор генератора своими руками схема

Схема орион pw 325

Схема подключения турникета

Сигнализация пантера кнопки на брелке

Сочинение теркин кто он такой

Сорока тату эскиз

Стук при торможении приора

Тойота прадо или субару аутбек

Учебник по английскому языку 10 класс афанасьева михеева баранова

Установка газовой варочной панели бош

Во сколько нужно лечь спать чтобы выспаться

Занятие с подростками тренинг

Заявление на утерю трудовой книжки образец

cdn.zecar.ru