Skip to content

Фотогалерея

  • Главная
  • Контакты

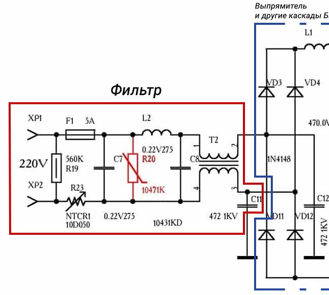
Фильтры питания от импульсных помех

Сетевые магистральные фильтры «Квазар» и «Квазар» Ф-Р с элементами ...

Модуль платы фильтра питания Фильтр электромагнитных помех Очистка сети ...

Фильтр электромагнитных помех, фильтр переменного тока, входной фильтр ...

Защита светильников от импульсных помех

Сетевые фильтры питания HI FI и High End аудио систем - YouTube

Как защитить компьютер от импульсных помех? - YouTube

Фильтр подавления импульсных помех в сети 220 вольт купить в Москве ...

Фильтр Подавления Импульсных Помех - YouTube

Что такое снабберная цепь в блоке питания и как она обеспечивает защиту ...

Сххема импульсного блока питания. Импульсные блоки питания: принципы ...

Устройство защиты от импульсных перенапряжений Стример РИФ-Э-II 275/20 ...

Сетевые фильтры «КУБ» для ИБП

Фильтр импульсных помех - Источники питания для электроники (кроме ИБП ...

Сетевые фильтры «КУБ» для ИБП

Хочу предоставить вашему вниманию четыре разные схемы импульсных блоков ...

УЗИП – что за приборы, и какими они бывают | Лампа Электрика | Дзен

Cетевой фильтр. - YouTube

Схема бытового миксера.

Подавление помех в цепях питания радиоэлектронных устройств

защита от импульсных помех - Схемотехника - Форум ELECTRONIX

Выходные фильтры импульсных блоков питания. . Обзоры техники.

Сетевой Фильтр Для Аудиотехники Своими Руками – Telegraph

Защита светильников от импульсных помех

Сетевой фильтр от помех своими руками

Плата фильтра питания 0-50В, 4А, для подавления электромагнитных помех

Сетевой фильтр питания Gembird SPX-B-6 (SPG5-X-6G) – фото, отзывы ...

Импульсный блок питания на одном транзисторе своими руками сборки ...

Фильтр питания carmedia filt-позволяет избежать помех на экране при ...

Импульсный блок питания для усилителя мощности схема на

Фильтр питания электромагнитных помех: продажа, цена в Кропивницком ...

Сетевой фильтр из стиральной машины.Для чего он нужен и где его можно ...

Как подавлять электромагнитные помехи в импульсных источниках питания

Как сделать фильтр от помех? Схема и реализация. - YouTube

Фильтр устранения помех автомобильной камеры заднего вида (ID ...

Twist Filter фильтр по питанию для подавления помех от импульсных БП DC ...

  • Вперед Надключичные и подключичные лимфоузлы расположение схема
  • Назад Гдз по алгебре 7 класс 1056

Новые страницы

3D печать на заказ в спб

Билеты спортивные матчи

Блин сабвуфера

Что делать при затоплении квартиры соседями

Гдз окруж мир 2 класс учебник

Гдз по английски 4 класс

Играть заниматься спортом

Изображение иконы семистрельная богородица

Как писать в тетради в широкую линейку образец 2 класс

Как правильно написать объяснительную на работе за прогул по здоровью без больничного листа образец

Как снять бензобак на ниве 2121

Кустик земляники картинка для детей

Лента ремонт телефонов

Мама сын на море

Модальность в психологии

Не выжимается сцепление ланос

Ногтинорм от вросшего ногтя

Облицовка бампера что это

Отзыв на товар образец

Предохранители ваз 21214 нива инжектор описание

Претензия о невыполнении условий договора образец по поставке товара

Про экстремальные виды спорта

Qistore pcba

Рабочая тетрадь английский в фокусе 3 класс

Рабочая тетрадь по немецкому языку 7 класс бим рыжова

Сочинение по лирике цветаевой

Соленоиды на вариаторе

Спортивный комплекс физкультурно оздоровительный комплекс

Станционный смотритель читательский дневник

Таблица варианты развития стран исламского мира

cdn.zecar.ru