Skip to content

Фотогалерея

  • Главная
  • Контакты

Fhp740

FHP740_7694380.PDF Datasheet Download --- IC-ON-LINE

Transistor Fhp740 Original | MercadoLivre

5Pcs Original FHP740 HP3205 FHP3710 TO-220 10A/400V Inverter MOSFET ...

FHP740/FHF740参数/规格书_10N40/11N40/IRF740场效应管替代型号_飞虹电子

10PCS IRFB4020 IC NEW TO-220 | eBay

10PCS FHP740 TO-220 IC NEW | eBay

FHP740 N-Channel Mosfet 400V 11A 193W | Shopee Thailand

许画霞 from the best shopping agent yoycart.com

稳定AC-DC开关电源的场效应管——FHP740高压MOS管 - 知乎

FHP740 Mosfet TO220 集成电路 MOSFET FHP740| Alibaba.com

Fhp740 ถูกที่สุด พร้อมโปรโมชั่น ก.พ. 2024|BigGoเช็คราคาง่ายๆ

FHP740 100% Новый оригинальный 10 шт./50 шт. | Обустройство дома ...

10PCS FHP24N40 FHP630 FHP640 FHP730 FHP740 FHP75N07 FHP75N08 FHP75N100 ...

Free Delivery.FHP740 10A 400V - AliExpress

きさから ヤフオク! フクシマ 縦型冷凍庫 U... - R017-3 となります - www.dgb.gov.bf

Store Home Products Feedback

推荐电源转化器厂家替代国外10N40场效应管具体参数特点!_搜狐汽车_搜狐网

还是关于F7607P的问题-光猫/adsl/cable无线一体机-恩山无线论坛

New imported original IRF740 IRF740PBF = FHP740 field effect tube 10A ...

(10個)FHP740 10A 400V TO-220 場效應管 全新進口 | 蝦皮購物

فروشگاه قطعات الکترونیکی اسکای تکنولوژی

きさから ヤフオク! フクシマ 縦型冷凍庫 U... - R017-3 となります - www.dgb.gov.bf

10pcs FHP3205 FHP740 FHP3710 Inverter Field Effect Tube 15N60FDA ...

(10個)FHP740 場效應管 全新進口現貨 10A 400V TO-220 | 蝦皮購物

มอสเฟตทรานซิสเตอร์ อินเวอร์เตอร์ FHP740 TO-220 10A/400V 1 ชิ้น | Lazada ...

Транзистор MOSFET Транзистор MOSFET FHP740-2шт: 90 грн. - Аксесуари й ...

Транзистор MOSFET Транзистор MOSFET FHP740-2шт: 90 грн. - Аксесуари й ...

FHP740 100% Новый оригинальный 10 шт./50 шт. | Обустройство дома ...

【楽天市場】【4個入】 パワーMOSFET FHP740 400V 7A N-Channel 電子工作 電子部品:YMS PARTS

稳定AC-DC开关电源的场效应管——FHP740高压MOS管 - 知乎

10ชิ้น FHP740 TO-220 FHP 740 TO220 400โวลต์/10A N-ช่อง MOSFET ...

10-FHP740-FHP640-FHP8N60-FHP3205-FHP10N60-FHP13N50-FHP20N60-FHP20N40 ...

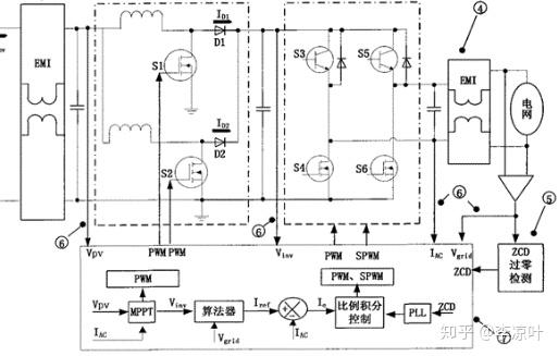
高压H桥PWM马达驱动应用FHP740型号,替代10N40场效应管!

새로운 원본 수입 FHP740 TO 220 400V 10A 10 50 개/몫|lot lot|lot 10pcslot 10 ...

FHP740 100% nieuwe originele 10 STKS/50 stks|50pcs| - AliExpress

  • Вперед S8050 аналог
  • Назад Схема границы россии

Новые страницы

Бумбокс на плече картинки

Дворники на гетц размеры

Гдз математика 2 класс 2 часть стр 22

Халдекс ремонт

Ходатайство об отложении рассмотрения материалов налоговой проверки образец

Как добраться до мегаспорта на метро

Как нарисовать прямоугольный параллелепипед 5 класс

Как снять обшивку задней двери шевроле круз

Кропоткин грузоперевозки

Лечение цитомегаловирусной инфекции

Локализованная склеродермия лечение

Люфт тормозного диска относительно ступицы

M5218al

Мавзолей ленина перевод на английский

Nhm 30570

Nina ricci духи

Образец акта о прогуле работника без уважительной причины

Отвод 110 45

Перья барилла

Письма огэ по английскому образцы

План схема туалета

Простые рисунки мелом на асфальте простые

Репетитор по итальянскому языку

Решебник по русскому языку 4 учебник

Самодельный высоковольтный конденсатор

Санаторий в краинка отзывы

Схема путевого развития московского метрополитена

Видео игра спорта и прочего

Заявление о выдаче копии определения об отмене судебного приказа мирового судьи образец

Зрительные залы театров

cdn.zecar.ru