Skip to content

Фотогалерея

  • Главная
  • Контакты

Fga25n120 datasheet

FGA25N120 datasheet, igbt equivalent, ON Semiconductor

fga25n120 Datasheet_PDF文件下载_芯片资料查询_维库电子市场网

FGA25N120 IGBT Pinout, Datasheet, Features & Alternatives

FGA25N120ANTD 1200V NPT Trench IGBT Pinout, Equivalent, 45% OFF

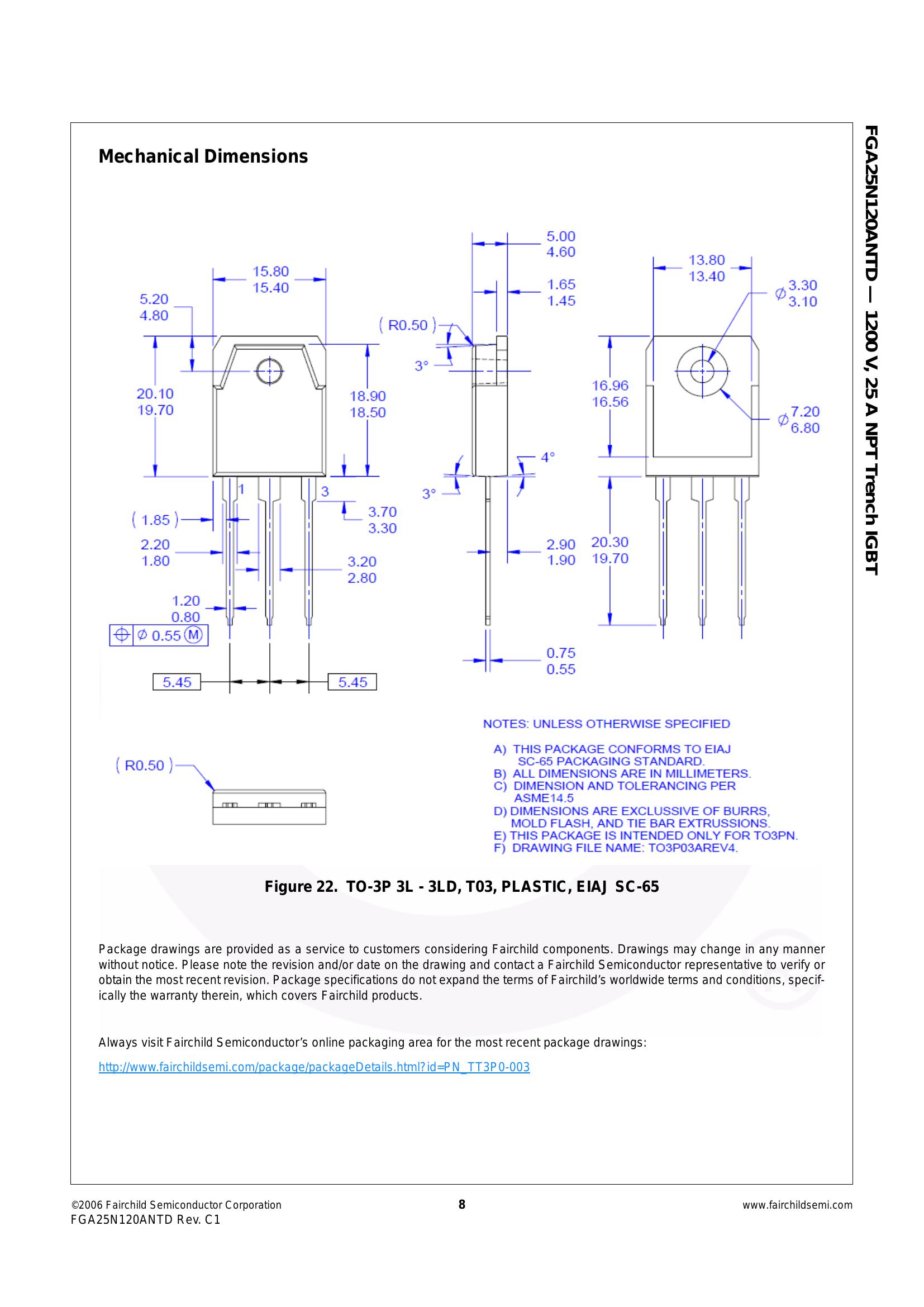
FGA25N120 datasheet(1/9 Pages) ONSEMI | 1200 V, 25 A NPT Trench IGBT

FGA25N120 IGBT: Application, Datasheet, Pinout, 44% OFF

FGA25N120_291758.PDF Datasheet Download --- IC-ON-LINE

FGA25N120 IGBT: Application, Datasheet, Pinout, 44% OFF

FGA25N120 datasheet, igbt equivalent, ON Semiconductor

FGA25N120 IGBT: Application, Datasheet, Pinout, 44% OFF

FGA25N120 datasheet, igbt equivalent, ON Semiconductor

FGA25N120 IGBT: Application, Datasheet, Pinout, 44% OFF

FGA25N120 IGBT: Application, Datasheet, Pinout, 44% OFF

FGA25N120全国供应商【维库电子市场网】FGA25N120资料|PDF Datasheet|价格_维库电子市场网

FGA25N120ANTD 1200V NPT Trench IGBT Pinout, Equivalent, 45% OFF

FGA25N120 IGBT Pinout, Datasheet, Features Alternatives, 59% OFF

[Tìm hiểu] IGBT FGA25N120 - Blog Mecsu

10PCS FGA25N120ANTD FGA25N120 IGBT 1200V 50A TO3P-in Integrated ...

IGBT FGA25N120 FGA 25N120 FGA25N120ANTD 25A 1200V

FGA25N120 IGBT: Application, Datasheet, Pinout, 44% OFF

Arduino Based Temperature Controlled Fan - Engineering Projects

FGA25N120 IGBT Pinout, Datasheet, Features Alternatives, 59% OFF

Como projetar o valor do resistor de porta?

FGA25N120 IGBT Pinout, Datasheet, Features Alternatives, 59% OFF

Транзистор FGA25N120 ANTD (заміна для XNS15N120T, IGW15T120F, BT15T120 ...

FGA25N120 IGBT Pinout, Datasheet, Features Alternatives, 59% OFF

H20MR5 TO-247 原装代替FGA25N120 40A 1200V -阿里巴巴

Транзистор FGA25N120 Оригинал (замена для xns15n120t, igw15t120f ...

FGA25N120 - YouTube

FGA25N120ANTD 1200V NPT Trench IGBT Pinout, Equivalent, 45% OFF

fga25n120引脚接线图,逆变焊机电路原理图 - 伤感说说吧

Транзистор FGA25N120 Оригинал (замена для xns15n120t, igw15t120f ...

FGA25N120 Транзистор - RadioMart.kz - Робототехника и радиодетали

[5pcs]100%new Original: Fga25n120antdtu-f109 Fga25n120antdtu ...

Транзистор FGA25N120 Оригинал (замена для xns15n120t, igw15t120f ...

  • Вперед Заказать газель для перевозки недорого московская область
  • Назад Мэи рейтинг

Новые страницы

1А

6 Вольтовая лампочка

Аэроплан звуковая схема

Английский язык 5 класс учебник ваулина 1 часть

Архив тиражей лотереи спортлото 6 из 45

Бантик крючком для игрушки амигуруми схема и описание

Что можно подарить девочке которая любит рисовать на день рождения

Дерево магнолия

Диагностический разъем шевроле авео

Договор аренды квартиры между физическим и юридическим лицом образец с ндфл образец

Гараж из баннера своими руками

Гдз по географии 10 класс практическая

Измеритель емкости конденсаторов

Как поменять пыльник шруса на ниссан кашкай

Как заработать на падении акций

Картинки соника exe

Ледовый дворец спорта татнефть арена

Математика 5 класс мерзляк номер 803

Метро опалиха

Образец отзыва о работе сотрудника

Печать арбитражного управляющего образец

Подбор усилителя по параметрам

Работа наборщик текста на дому

Работают ли спортивные

Распиновка проводки ваз 2109 инжектор

Равные фигуры это в геометрии

Разблокировать магнитолу хонда срв

Резина из пва

Стругацкие мир полудня

Заменить гидрокорректор фар на гранте

cdn.zecar.ru