Skip to content

Фотогалерея

  • Главная
  • Контакты

F9222l

F9222L, POWER IC, F9222L MOSFET, VDS 500V, RDS 0,9 Ohm, VCC 16,5V IC

SKYWORTH 168P-P32TTU-10 IC F9222L L6563 A6159 LM393 LCD POWER-SUPPLY ...

Circuito integrado F9222L

F9222l - Electronica Garcia Marquez

F9222L Datasheet Meta Search

F9222L SIP QUAD INVERTING TRANSISTOR SWITCH - Atvparts Èlectronique

F9221L_154427.PDF Datasheet Download --- IC-ON-LINE

F9222L: продажа, цена в Киеве. интегральные микросхемы от "Интернет ...

Circuito integrado F9222L

F9222L FUJITSU Transistors - Jotrin Electronics

F9222L FUJI circuito integrado, encapsulado ZIP-13, 13 pines - Bierzo ...

F9222L F92223L F9221L Skyworth Konka LCD commonly used power supply ...

F9222L F9222 ZIP 13 LCD Switch Power Management Module Thick Mode ...

F9222L datasheet(10/10 Pages) FUJI | F9222L VDS 500V,RDS 0.9 Ohm,VCC 16.5V

F9222L FUJITSU Transistors - Jotrin Electronics

Чем заменить f9222l. Ремонт SAMSUNG LE23R82B - YouTube

F9222L Datasheet - DataSheet-PDF.info

Купить F9222L Микросхема за 590

Samsung syncmaster 245B - Forum - Circuits Online

Circuits Online - Forum - Samsung syncmaster 245B

F9222L для телевизоров / мониторов, цена 75 грн, Украина, Киев — UkrGO ...

F9222L F92223L F9221L Skyworth Konka LCD commonly used power supply ...

D78F9222 Datasheet ( Pinout, Equivalent )

Momentus FD229R-02KR Erkek Saati

F9222L, POWER IC, F9222L MOSFET, VDS 500V, RDS 0,9 Ohm, VCC 16,5V IC ...

5PCS F9222L ZIP 13 F9222 ZIP|Integrated Circuits| - AliExpress

F9222L INTEGRATED CIRCUIT | Hackaday.io

F9222L FUJITSU Transistors - Jotrin Electronics

Electro help: SAMSUNG BN-96 SCHEMATIC - Bordeaux - Ver-1 and Ver2 - LCD ...

FUJI ELECTRIC M-POWER F9221L F9222L MT5F11478C LCD POWER IC Service ...

4pcs/lot F9222L 9222L ZIP 13 In Stock|Integrated Circuits| - AliExpress

F9222L | ELEKTRO-IVICIC.CZ

F9222L Datasheet PDF - Fuji Electric

F9222L F9222 zip 4pcs-in Relays from Home Improvement on Aliexpress.com ...

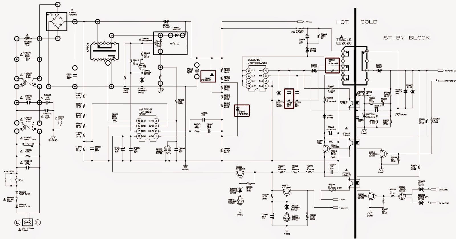
F9222L схема включения: особенности и применение в импульсных ...

  • Вперед Работа свежие вакансии маляра штукатура спб
  • Назад Анализ техники чтения в 5 классе по фгос образец

Новые страницы

Акт на списание образец

Доброй ночи оля картинки

F9222l

Говяжья лопатка карта разделки

Химчистка прайс лист

Инструмент wiha

K3567 datasheet

Как почистить карбюратор ваз 2105

Как смазать рулевую рейку на ваз 2110

Кардиган реглан сверху схема описание

Карта маршрута поезда кисловодск москва 143

Картинки с днем рождения с французскими бульдогами

Образец самопрезентации о себе кратко и красиво

Отделка дома сайдингом под камень

Пиратский день рождения

Подключение аккумулятора к зарядному устройству

Применяемость свечей зажигания

Рапорт на увольнение по предельному возрасту военнослужащего образец

Рисунок ландыш майский для детей

Seas h1456

Схема газовой установки

Схема освещения 220в

Смешные картинки по джоджо

Спецтехтрейд

Список телефонов сотрудников образец

Тренировочный вариант 27 2023

Usb 3.0 разъем

Ушинский худо тому кто добра не делает никому 1 класс презентация

Являются ли танцы спортом

Журнал учета выдачи нарядов допусков образец

cdn.zecar.ru