Skip to content

Фотогалерея

  • Главная
  • Контакты

Элинж

Элинж С1 | Рефавто, Москва

Рефрижератор Элинж С07Air - Автотерм

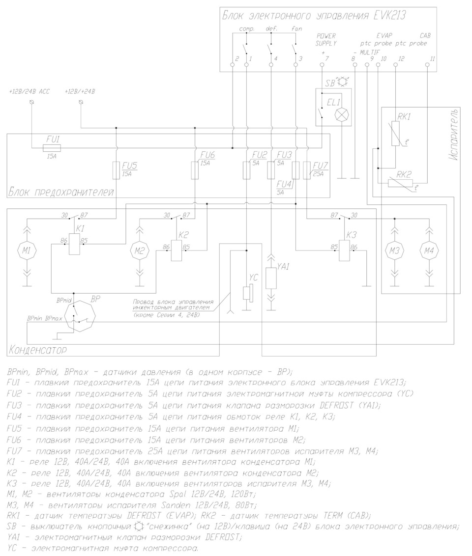
ЭЛИНЖ С2, ЭЛИНЖ С2Т | ЮРВИС

Производственный холдинг Элинж

Производственный холдинг «Элинж» - online presentation

рефрижератор Элинж... - YouTube

Элинж С2 - Термо Кинг Стикс - сервисный центр Thermo King в ...

Рефрижераторное оборудование Элинж - от \"COND\"\"

Производственный холдинг Элинж

Производственный холдинг Элинж

покупка реф элинж 3 — ГАЗ Газель, 2,5 л, 2007 года | просто так | DRIVE2

покупка реф элинж 3 — ГАЗ Газель, 2,5 л, 2007 года | просто так | DRIVE2

Купить Рефрижератор Элинж на Валдай НЕКСТ недорого от 174 000₽ он-лайн ...

покупка реф элинж 3 — ГАЗ Газель, 2,5 л, 2007 года | просто так | DRIVE2

Рефрижератор Элинж С1

Ресивер-осушитель Элинж C07, С01(Т), Газель Next | Festima.Ru – частные ...

Холодос мне в мозги )))) — ГАЗ Газель, 2,7 л, 2010 года | своими руками ...

08.10.2023, ХК \"ЭЛИНЖ \" - ХК \"ТСН-ЭЛЕКТРО\" (4 ЛИГА) - YouTube

Диагностика и ремонт рефрижераторов Элинж в Москве

11.09.2022, ХК \"ЭЛИНЖ\" - ХК \"АЛЬТАИР\" - YouTube

облицовка (кожух) элинж

Купить рефрижератор Элинж С4Т в Нижнем Новгороде

19.12.2022, ХК \"ЛЕГИОН\" - ХК \"ЭЛИНЖ\" (3 ЛИГА) - YouTube

16.10.2022, ХК \"ЭЛИНЖ\" - ХК \"ЭСКЕЙПЕР\" (3 ЛИГА) - YouTube

Стояночная секция 220В

18.10.2023, ХК \"ЛЕГИОН\" - ХК \"ЭЛИНЖ\" (4 ЛИГА) - YouTube

06.11.2022, ХК \"DIZEL\" - ХК \"ЭЛИНЖ\" (3 ЛИГА) - YouTube

Элинж

Датчик давления Элинж 4-х контактный LP-0.196MPa OFF, MP-1.52MPa ON, HP ...

Элинж: Рефрижератор \"Элинж\" С5Тmax

Рефрижератор Элинж C5 MAX - купить, цены в Москве

Рефрижератор Элинж C5 MAX - купить, цены в Москве

Купить Автокондиционер Элинж с передним расположением конденсора 9 кВт ...

Рефрижератор Элинж С07

Рефрижератор Элинж С4Т

  • Вперед Предохранители газель 402 карбюратор
  • Назад Протокол проведения обучения персонала образец

Новые страницы

Аллергия на глазах лечение

Автозаводская схема проезда

Бизнес план для соцконтракта образец

Боинг 737 800 схема салона

Цепочка металлов

Чемоданное настроение картинки с надписями

Демпинг синдром лечение

День занятий фитнесом

Договор дарения квартиры сыну от матери образец 2023

Договор намерения образец

Договор об оказании услуг питания образец

Джип гранд чероки 2022 цена

Гдз по английскому языку 3 класс учебник 2 часть стр 72

Горнолыжный курорт амирсой

Игры логические схемы

Как сделать пригласительные на день рождения своими руками

Kia rio или vw polo

Математика стр 83 номер 7

Окрас агути

Рисунок шмеля для детей карандашом

Русский язык 3 класс учебник страница 105

Сауна в новосибирске с бассейном недорого правый берег калининский район цена

Схема электропроводки калина седан

Схема подключения счетчика через трансформаторы тока

Схема юсб модуля

Спортмастер йошкар ола режим работы

Университет в китае

Ведомость переработки давальческих материалов образец

Замена пыльника внутреннего шруса 2114

Звуковая схема слова яблоко

cdn.zecar.ru