Skip to content

Фотогалерея

  • Главная
  • Контакты

Электросхема субару

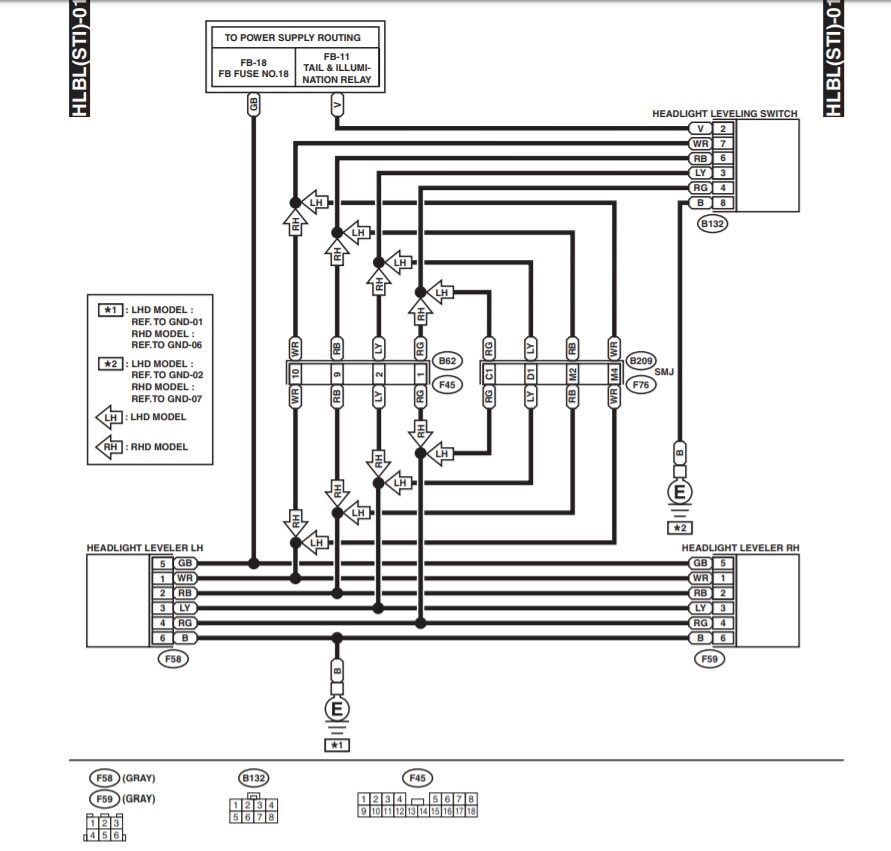
Электросхема субару. Схема электропроводки Форестер сф5. Схема электрооборудования Subaru Forester 2009. Subaru Forester sf5 электросхема. Электросхема Subaru Forester sg5.

Электросхема субару. Электрическая схема Субару Форестер 2014. Электрическая схема Субару Форестер sg5. Схема электрооборудования Субару Форестер sf9. Электрическая схема Субару Форестер 2001г.

Электросхема субару. Схема электрооборудования Subaru Forester 2009. Subaru Impreza 2008 электросхема кондиционера. Электрическая схема кондиционера Subaru Forester 2014. Электрическая схема Субару Форестер 2001г.

Электросхема субару. Электрическая схема Субару Форестер 2020. Схема электрооборудования Subaru Forester 1997. Электрическая схема Субару Форестер 2001г. Электрическая схема Субару Форестер sg5.

Электросхема субару. Электрическая схема Субару Импреза 2002. Схема стеклоподъемника Субару Импреза 2004 года. Схема электрическая Субару Импреза. Схема кнопки противотуманных фар Subaru Impreza.

Электросхема субару. Схема электрическая Субару Импреза. Электрическая схема Субару Импреза 2008. Схема центрального замка Субару Импреза 2008 года. Форестер схема топливного насоса.

Электросхема субару. Электрическая схема двигателя Субару Форестер sg5. Схема электрооборудования Subaru Forester 1997. Схема электрооборудования Субару Форестер sf9. Схема электрооборудования Subaru Forester 2009.

Электросхема субару. Схема двигателя ej204. Схема управления двигателем ej20d. Субару Аутбек EJ 254 2000г. Электросхемы. Ej20 схема управления двигателем.

Электросхема субару. Схема электрооборудования Subaru Forester 2009. Электрическая схема Субару Форестер 2001г. Схема электрооборудования Субару Легаси 1998. Электрическая схема Субару Легаси 1997.

Электросхема субару. Схема электрооборудования Субару Импреза 2005. Субару Импреза 1 электросхема. Электросхема управления двигателем Subaru ej25. Субару Форестер 2002 года 2.0 электросхемы.

Электросхема субару. Электрическая схема Субару Легаси 1996 года. Электрические схемы Subaru Impreza 1997. Электрические схемы Subaru Legacy. Электрическая схема Субару Легаси 2004.

Электросхема субару. Subaru Legacy Outback 2012 электросхема. Схема электрооборудования Subaru Pleo. Электросхема ЭБУ Subaru 2j. Электрическая схема Субару Плео.

Электросхема субару. Схема электрооборудования Subaru Legacy. Электрические схемы Subaru Legacy. Схема электрооборудования Субару Легаси. Subaru Legacy 2 поколение схема электрооборудования.

Электросхема субару. Электрическая схема Субару Аутбек 2014. Эл.схема Subaru Legacy 2007. Электрическая схема Субару Аутбек 2007. Электрическая схема Субару Аутбек 2010.

Электросхема субару. Электрическая схема Субару Форестер 2007 года. Электросхема Субару Форестер 2005. Электросхема Subaru Forester sg5. Электросхема Субару Форестер 2008.

Электросхема субару. Схема электропроводки Субару Форестер sh 2008 года. Схема электрооборудования Субару Форестер sh. Электросхема Subaru Forester sg5. Схема электрооборудования Subaru Forester 1997.

Электросхема субару

Электросхема субару. Схема электрическая Subaru Outback 2004. Электрическая схема Субару Аутбек 2010. Электрическая схема Субару Аутбек 2004. Outback 1999 схема управления двигателем.

Электросхема субару. Электрическая схема Субару Форестер sg5. Электрическая схема Субару Форестер 2011г. Схема электрооборудования Субару Форестер sh. Форестер sg5 схема электропроводки.

Электросхема субару

Электросхема субару. Электросхема ABS Форестер sg5. Электрическая схема кондиционера автомобиля Субару. Электросхема Субару Форестер sf5. Электросхема Субару Форестер 2002.

Электросхема субару. Электрические схемы Subaru Outback 2012 схема. Электрическая схема Субару Легаси 1996 года. Схемы электропроводки Subaru. Схема электрооборудования Subaru Legacy.

Электросхема субару. Электросхема Субару Форестер 2005г. Электрическая схема Субару Форестер sg5. Электрическая схема Субару Форестер 2014. Схема электрооборудования Субару Форестер sf5 2008г.

Электросхема субару

Электросхема субару. Электрическая схема Subaru Forester 2011. Электрическая схема Subaru Forester 2008. Электросхема Subaru Forester sg5. Электрическая схема Субару Форестер 2014.

Электросхема субару. Схема электрооборудования Субару Легаси 1997 года. Схема электрооборудования Subaru Legacy. Электрические схемы Subaru Impreza 1997. Схема электрооборудования Субару Легаси.

Электросхема субару

Электросхема субару. Схема электрическая Субару Импреза. Subaru Impreza 2008 электросхема кондиционера.

Электросхема субару. Subaru Impreza WRX STI электрическая схема. Субару Легаси 1999 электросхемы. Схема электрооборудования Subaru Forester 2009.

Электросхема субару. Схема Субару XV. Электрооборудование Субару. Субару Стелла электросхема. Электросхема Subaru BRZ.

Электросхема субару. Схема электрооборудования Subaru Forester 1997. Электрическая схема Субару Форестер sg5. Схема проводки Субару Форестер sg5. Субару Форестер схема электрооборудования.

Электросхема субару. Схема электрооборудования Субару Легаси 1998. Схема электрооборудования Subaru Legacy система зарядки. Схема электрооборудования Субару Легаси. Схема электрооборудования Subaru Legacy.

Электросхема субару. Электрическая схема Субару Форестер sg5. Схема электропроводки Субару Форестер sg5. Схема электрооборудования Subaru Forester 2009. Схема электрооборудования Субару Форестер sh.

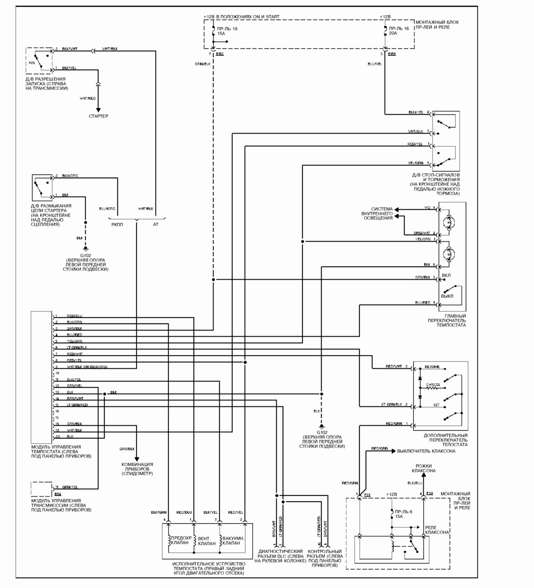
Электросхема субару. Схема света Subaru Legacy 2005. Схема ближнего света Subaru Legacy 2005. Система зарядки Subaru Legacy. Схема света Subaru Legacy 2003.

Электросхема субару. Схема электрооборудования Subaru Forester 1997. Схема электрооборудования Subaru Forester 2009. Электрическая схема Субару Форестер sg5. Схема проводки Субару Форестер sg5.

Электросхема субару. Схема электрооборудования Субару Легаси 1998. Схема электропроводки Субару Легаси bh5. Схема электрооборудования Subaru Legacy. Схема электрооборудования Субару Легаси b11.

Электросхема субару. Схема электропроводки Subaru Outback 2004. Subaru Legacy Outback 2012 электросхема. Схема электропроводки Субару Аутбек 2004. Электросхемы стеклоподъемников Subaru Legacy 2012.

Электросхема субару. Электрическая схема Субару Форестер 2007 года. Субару Форестер sf5 электрические схемы. Электрическая схема Субару Форестер 2014. Электрическая схема Субару Форестер.

Электросхема субару. Электрическая схема Субару Легаси 1996 года. Схема электрооборудования Subaru Forester 2009. Электрическая схема Субару Форестер 1999 года. Субару Легаси 1999 электросхемы.

Электросхема субару. Электрическая схема Субару Форестер sg5. Схема электропроводки Субару Форестер sh 2008 года. Схема электрооборудования Subaru Forester 2009. Электрическая схема Субару Форестер 2001г.

Электросхема субару. Электрические схемы Subaru Legacy. Схема электрооборудования Субару be 5. Subaru Legacy схема электропроводки. Электросхема противотуманных фар Subaru Legacy bl5.

Электросхема субару. Электрическая схема Субару Аутбек 2014. Эл схема Субару Форестер 1998 года. Схема поворотников Subaru Legacy. Схема центрального замка Субару Легаси 2001.

Электросхема субару. Электрическая схема Субару Форестер 2011г. Схема обогрева зеркал Субару Форестер. Электрическая схема управления зеркалами. Схема подключения бокового зеркала Subaru Impreza 2005.

Электросхема субару. Подогрев сидений Субару Форестер sg5. Субару Форестер электросхемы. Ниссан Кашкай схема включения подогрева сидений. Электрическая схема Субару Форестер sg5.

Электросхема субару. Схема электрооборудования Subaru Forester 2009. Схема электрики на Субару Легаси 2000 год. Форестер sh5 электросхема. Схема электрооборудования Subaru Legacy.

Электросхема субару. Схема кнопок стеклоподъемников Субару. Схема электрооборудования Subaru Forester 2009. Схема блока управления стеклоподъемниками Субару. Электрическая схема Субару Форестер 2001г.

Электросхема субару. Схема электрооборудования Субару Легаси. Forester 2000 фары схема. Схема электрооборудования Subaru Legacy. Схема ближнего света Subaru Legacy 2005.

Электросхема субару. Субару Легаси электрическая схема. Схема электрооборудования Субару Легаси. Электрические схемы Subaru Legacy. Схема электрооборудования Subaru Legacy.

Электросхема субару. Схема электрооборудования Субару. Схема электрооборудования Subaru Forester 1997. Электрическая схема Субару Форестер sg5. Субару Форестер схема электрооборудования.

Электросхема субару. Legacy 2006 схема электрическая. Subaru Forester 2000 электросхема АКПП. Схема электрооборудования ej20x. Sf5 схема АКПП.

Электросхема субару. Схема электрооборудования Subaru Forester 2009. Электросхема Субару Форестер 2005. Электрическая схема Субару Форестер 2003. Электрическая схема Субару Форестер 2001г.

Электросхема субару. Электрическая схема Субару Форестер sg5.

Электросхема субару. Схема электрооборудования Subaru Forester 1997. Схема электрооборудования Subaru Legacy система зарядки. Схема электрооборудования Subaru Forester 2009. Схема блока управления стеклоподъемниками Субару.

Электросхема субару. Электрическая схема Субару Форестер 2001г. Схема света Subaru Legacy 2005. Электрическая схема Субару Легаси 1996 года. Схема ближнего света Subaru Legacy 2005.

Электросхема субару. Схема электропроводки Субару XV. Электросхема омывателя лобового стекла Субару Форестер sh 2008. Электрическая схема фары Субару Форестер 2008. Электрическая схема блок фары Субару Форестер 2008.

Электросхема субару. Субару Импреза 2007 схема вентилятора. Схема электрооборудования Subaru Legacy система зарядки. Схема центрального замка Subaru Legacy 2001. Электрическая схема Субару Легаси 2004.

Электросхема субару. Схема электрооборудования Subaru Forester 2009. Схема электропроводки Субару Форестер 4 поколения. Электрическая схема Субару Форестер sg5. Схема электрооборудования Subaru Forester 1997.

Электросхема субару. Электросхема Субару Легаси ej25. Схемы Легаси bd. Электрическая схема hau478 Atlas White отзывы.

Электросхема субару. Электрическая схема Субару Форестер 2001г. Схема электрооборудования Субару Легаси 1997 года. Схема электрических соединений Subaru Legacy 1990 года. Схема электрооборудования Subaru Legacy система зарядки.

Электросхема субару. Схема электропроводки Subaru Outback 2004. Электрические схемы Subaru Legacy. Электрическая схема Субару Легаси 1996 года. Электрическая схема Subaru Outback 2008.

Электросхема субару

Электросхема субару

Электросхема субару. Электросхема света Субару Импреза 2002. Subaru Legacy схема электропроводки. Схема электрооборудования Субару Легаси. Subaru Impreza 2004 электросхема.

Электросхема субару

Электросхема субару. Электрическая схема Субару Форестер sg5. Электрическая схема Субару Форестер сф5. Субару Форестер схему фар. Электросхема Субару Форестер 2005.

Электросхема субару. Схема электрооборудования Субару. Схема электрооборудования Subaru Legacy система зарядки. Электрическая схема Субару Форестер sg5. Схема подключения генератора Субару.

Электросхема субару. Схема электрооборудования Субару. Схема электрическая Субару Импреза. Схема электрооборудования Субару Импреза 2005. Схема электрооборудования Subaru Forester 1997.

Электросхема субару. Электрическая схема Субару Форестер sf5 1999. Схема электрооборудования ej20x. Subaru Legacy 1997 схема. Электрические схемы Subaru Impreza 1997.

Электросхема субару. Электрическая схема Субару Легаси 1996 года. Схема электрооборудования Субару Легаси. Электрическая схема Субару Легаси 2009. Электрическая схема Субару Легаси 2007.

Электросхема субару. Электрическая схема Субару Легаси 1996 года. Электрические схемы Subaru Outback 2012 схема. Эл.схема Subaru Legacy 2007. Электрическая схема Субару Аутбек 2007г.

Электросхема субару

Электросхема субару. Электрические схемы Subaru Legacy. Электрическая схема Субару Аутбек 2014. Субару Легаси электрическая схема. Схема света Subaru Legacy 2003.

Электросхема субару. Электрическая схема Субару Легаси 2009. Электрическая схема Субару Легаси 1996 года. Схема звукового сигнала Subaru Impreza. Схема реле Субару Аутбек 2007.

  • Вперед Ремонт акпп chevrolet cruze
  • Назад 4 Спорта москва

Новые страницы

Гдз по русскому 7 класс упражнение 402

Гдз по русскому языку 1 класс рабочая тетрадь канакина стр 43 упр 3

Германия мерседес бенц

Исковое заявление на снятие с регистрации по месту жительства образец

Как изменить показания счетчика электроэнергии

Как подключить фару на иж

Как соединить антенный кабель с усилителем

Карта осадков бегомль

Картинки машина форд мустанг

Концерт картинки для презентации

Кристальный костный мозг геншин где найти карта

Квартира после пожара фото

Мастер шин спб шиномонтаж

Набережная газовиков

Не крутит стартер ваз 2114 инжектор

Осциллограф н313

Подключение противотуманок акцент

Проект по технологии 6 класс для девочек ночная сорочка на бумаге

Прошу рассмотреть без моего участия в суде образец текста

Русский язык 7 класс ладыженская учебник гдз белый учебник

Шевроле лачетти не заводится

Шланг резиновый 32мм

Спортивные игры прыжки

Tft color monitor схема подключения

Узоры хитоми шида схема

Внутренняя политика российской федерации план егэ

Замена порогов дэу ланос

Замена тросика печки ваз 2106

Журнал осмотра помещений перед закрытием по пожарной безопасности образец заполнения

Зимние виды спорта рисовать

cdn.zecar.ru