Skip to content

Фотогалерея

  • Главная
  • Контакты

Электросхема ман тга

Электросхема ман тга. Ман ТГА EBS 5 схема. Схема EBS 5 man TGA. Электросхема EBS man TGA. Схема EBS 2 Knorr.

Электросхема ман тга. Датчик а0061532728 на схеме. Ман ТГА что означает Uбат разводка контактов а302 r1/9.

Электросхема ман тга

Электросхема ман тга

Электросхема ман тга

Электросхема ман тга

Электросхема ман тга

Электросхема ман тга

Электросхема ман тга

Электросхема ман тга. Схема электрооборудования man TGA. Схема ман ТГА электрическая. Man TGA 18.430 электросхема ECAS. ECAS 1 man TGA электросхема.

Электросхема ман тга. Схема ман ТГА электрическая. Ман Командор цветная схема электрооборудования. Man TGA датчик давления воздуха схема. Датчик давления воздуха ман ф2000 схема.

Электросхема ман тга. Схема ман ТГА электрическая. Предохранители ман ТГС С расшифровкой. Блок предохранителей ман ТГА схема. Man TGS схема блока предохранителей.

Электросхема ман тга

Электросхема ман тга

Электросхема ман тга

Электросхема ман тга. Схема электрооборудования ман f2000. Электросхема Webasto Air Top 2000st. Webasto Thermo Air Top 2000st схема.

Электросхема ман тга. Схема электрооборудования ман ТГА. Ман Командор схема электрооборудования.

Электросхема ман тга

Электросхема ман тга. Схема электрооборудования ман ТГС. Схема электропроводки ман ТГА 2003. Схема стеклоочистителя ман TGS. Холодильник ман ТГА электросхема.

Электросхема ман тга. Схема ман ТГА электрическая. Электросхема центрального замка man TGA 2008. Схема электрооборудования EDC ман Командор. Схема электрооборудования man TGA.

Электросхема ман тга

Электросхема ман тга

Электросхема ман тга

Электросхема ман тга. Схема электрооборудования ман. Схема электрооборудования ман ТГА. Схема проводки ман f2000. Man TGS схема электропроводки.

Электросхема ман тга. Схема электрооборудования ман ТГА. Схема электрооборудования man TGA. Схема электрооборудования ман 4008. На man TGA схема электрооборудования 2002г.

Электросхема ман тга. Схема электрооборудования man TGA. Электрическая схема блока FFR man TGA. Электросхема ман ТГС 33.440. Электрическая схема ман ТГС.

Электросхема ман тга. Man f2000 электрическая схема EDC MS-5. Электрическая схема Шакман f2000. Shacman f2000 схема электрооборудования. Шакман ф2000 схема электрооборудования.

Электросхема ман тга

Электросхема ман тга. Man TGS схема электропроводки. Схема электропроводки ман ТГА 18.480. Электрическая схема датчиков давления воздуха ман. Схема ман ТГА электрическая.

Электросхема ман тга. Ман Командор f2000 электросхема пневмоподвески. Ман f2000 электросхема. Ман Командор f2000 электросхема ЭБУ. Ман 8-163 схема электрооборудования.

Электросхема ман тга

Электросхема ман тга. Man TGX схема электрооборудования. Схема электрооборудования man TGA. Схема блока FFR man TGA. Схема электрооборудования EDC ман Командор.

Электросхема ман тга

Электросхема ман тга

Электросхема ман тга. Схема ЗБР 2 ман ТГС. Электрическая схема ман TGM. Электросхема сигналов ман ТГА. Схема электрооборудования man TGA.

Электросхема ман тга. Схема ман ТГА электрическая. Электрическая схема ман ТГС. Man TGA 18.480 распиновка разъема диагностики. Схема проводки ман ТГС.

Электросхема ман тга. Схема подключения блокировки дифференциала ман ТГА. Схема блокировки ман ТГА. Схема датчиков блокировки ман. Датчик блокировки моста ман схема.

Электросхема ман тга

Электросхема ман тга. Схема электропроводки ман ТГА 18.480. Man TGS схема электрическая. Схема электрооборудования ман ТГА. Схема электрооборудования ман ТГС.

Электросхема ман тга

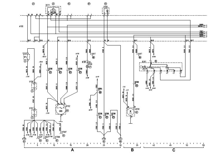
Электросхема ман тга. Схема электрооборудования man TGA. Схема генератора ман ТГС.

Электросхема ман тга. Man TGA управление стеклоподъемниками схема. Ман ТГС электросхема стеклоподъемников. Дверной модуль ман ТГА схема. Ман тягач электросхема стеклоподъемников.

Электросхема ман тга. Электросхема центрального замка man TGA 2008. Схема ман ТГА электрическая. Схема электрооборудования гидроборта. На man TGA схема электрооборудования 2002г.

Электросхема ман тга

Электросхема ман тга. Ман ТГС клапан моторного тормоза (y281) электросхема. Электросхема датчика давления масла ман ТГС. Ман ТГС схема PTM. Электросхема ман ТГС 2011 год.

Электросхема ман тга

Электросхема ман тга

Электросхема ман тга. Схема электрооборудования ман f2000. Ман Командор f2000 электросхема 2000. Электрическая схема ман ф2000. Ман Командор схема электрооборудования.

Электросхема ман тга

Электросхема ман тга. Man TGA управление стеклоподъемниками схема. Электросхема ман ТГА дверной модуль. Электросхема ман TGS. Электросхема центрального замка man TGA 2008.

Электросхема ман тга

Электросхема ман тга. Эл схема ман ТГА. Схема электропроводки ман ТГА 18.480. Схема проводки ман ТГС. Схема электрооборудования ман ТГЛ.

Электросхема ман тга

Электросхема ман тга

Электросхема ман тга. Схема электрооборудования EDC ман Командор. WABCO ECAS 6x2 схема. ECAS WABCO man 6*2 электрическая схема. Can шина блока EDC man TGA.

Электросхема ман тга. Man f2000 EDC MS 5 схема. Man f2000 электрическая схема EDC MS-5. Ман Командор f2000 электросхема ЭБУ. Схема электрооборудования EDC ман Командор.

Электросхема ман тга

Электросхема ман тга. Man TGA дверной модуль электросхема. Распиновка дверного модуля ман. Схема дверного модуля ман ТГХ. Схема замков дверей ман ТГА.

Электросхема ман тга

Электросхема ман тга. Схема электропроводки ман ТГА 18.480. Man TGA управление стеклоподъемниками схема.

Электросхема ман тга

Электросхема ман тга

Электросхема ман тга. Схема электрооборудования EDC ман Командор. Man TGA edc7 схема. Управление коробки передач на ман Командор ф 2000 и электрическая схема. Man TGA MS6.1 схема.

Электросхема ман тга. Электросхема блока управления Pfaff 1163. Альтендорф электросхема управления. Блок управления замедлителем Mid 222. Ман ТГА что означает uбат разводка контактов а302 r1/11.

Электросхема ман тга

Электросхема ман тга

Электросхема ман тга

Электросхема ман тга. Электрическая схема ман ТГС. Man TGX схема электрооборудования. Man TGS схема электрическая. Man TGS схема электропроводки.

Электросхема ман тга. Man TGA управление стеклоподъемниками схема. Электросхема двери ман ТГА. Схема стеклоподъемников ман ТГА. Электро схема дверного модуля ман ТГА.

Электросхема ман тга. Man TGS 41.400 электросхема. Ман ТГС электросхема PTM. Электросхемы ман TGS/TGX. Схема FFR man TGA.

Электросхема ман тга

Электросхема ман тга. Разводка контактов ман а302. Модуль регулировки давления заднего моста y264. Разводка контактов а302 ман ТГА. Модуль регулировки давления ман ТГА.

Электросхема ман тга

Электросхема ман тга. Схема электрооборудования man TGA. Схема ман ТГА электрическая. Man TGS схема электропроводки. Схема электропроводки ман ТГА 18.480.

Электросхема ман тга

Электросхема ман тга

Электросхема ман тга. Электрическая схема ман ТГС. Электросхема ман TGS. Схема электрооборудования ман ТГА. Man TGS схема электропроводки.

Электросхема ман тга

Электросхема ман тга. Схема пневмо ман TGA 2002г. Схема системы кондиционирования автомобиля man TGS. Схема кондиционера ман ТГС. Схема панели приборов man TGA.

Электросхема ман тга

Электросхема ман тга. Блок PTM man TGS распиновка. Блок PTM man схема. Схема PTM man TGS. Man TGX схема.

Электросхема ман тга. Схема электрооборудования man TGA. Схема ман ТГА электрическая. Схема спидометра ман ТГА. Ман f2000 схема стеклоподъемников.

Электросхема ман тга

Электросхема ман тга. Схема блока FFR man TGA. Блок PTM man TGS распиновка. Can шина блока EDC man TGA. Схема PTM man TGS.

Электросхема ман тга

  • Вперед Please keep the grass the gardener said to the children in the park
  • Назад Алгебра 7 класс упражнение 102

Новые страницы

Акт брака образец

Анастасия ермолаева

Для чего нужны встроенные функции информатика 9

Гдз 3 класс математика страница 71 номер 4

Гдз математика 6 класс номер 1296

Гдз по математике 2 петерсон рабочая

Гдз по русскому языку 7 класс упр 359

Хонда набережные челны

Как образуется эндосперм

Как поменять ремень грм на ваз 2115

Как вылечить зоб щитовидной железы

Карта архипо осиповка с улицами и магазинами

Карта по районам города барнаула

Недельный отчет о проделанной работе образец

Пингвин драчун

Пропало сцепление приора

Рамочное соглашение о сотрудничестве между организациями образец

Распечатка куба для склеивания с рисунком

Расположение тросиков печки ваз 2114

Растяжение ноги лечение

Схема маршрута 18

Штукатурка потолок

Сорвана регулировка фар опель зафира

Состояние здоровья заворотнюк на сегодняшний день

Спортивный план на год

Три капитана база отдыха

Виды аэробных тренировок

Визитка такси образец

Ювелирные магазины котлас

Замена масла в пушкине спб

cdn.zecar.ru