Skip to content

Фотогалерея

  • Главная
  • Контакты

Электросхема легаси

Электросхема легаси. Subaru Outback 1999 электросхема. Электросхема освещения Subaru Outback b12. Subaru Impreza 2008 электросхема кондиционера.

Электросхема легаси. Электрическая схема Субару Аутбек 2008. Схема электрооборудования Subaru Legacy. Электрическая схема Субару Форестер 2001г. Эл.схема Subaru Legacy 2007.

Электросхема легаси

Электросхема легаси. Схема Субару Аутбек 1999. Воздушная система Subaru Legacy схема. Схема система кондиционирования Субару Аутбек. Эл. Схема кондиционера Subaru Outback.

Электросхема легаси. Схема электрооборудования Субару Легаси 1998. Схема электрооборудования Subaru Legacy система зарядки. Схема электрооборудования Субару Легаси. Схема электрооборудования Subaru Legacy.

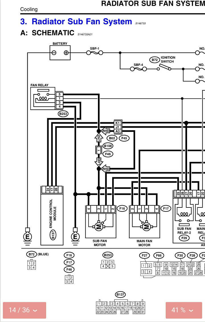
Электросхема легаси. B4 Subaru Legacy схема вентилятора. Схема подключения вентиляторов охлаждения Субару Легаси. Схема включения вентилятора охлаждения Субару Форестер 2007 года. Схема вентилятора Impreza.

Электросхема легаси. Электрические схемы Subaru Legacy. Электрическая схема Субару Аутбек 2014. Субару Легаси электрическая схема. Схема света Subaru Legacy 2003.

Электросхема легаси. Электрическая схема Субару Аутбек 2014. Эл схема Субару Форестер 1998 года. Схема поворотников Subaru Legacy. Схема центрального замка Субару Легаси 2001.

Электросхема легаси. Схема электрооборудования Субару. Схема электрическая Субару Импреза. Схема электрооборудования Субару Импреза 2005. Схема электрооборудования Subaru Forester 1997.

Электросхема легаси. Схема электрооборудования Субару. Схема электрооборудования Subaru Legacy система зарядки. Электрическая схема Субару Форестер sg5. Схема подключения генератора Субару.

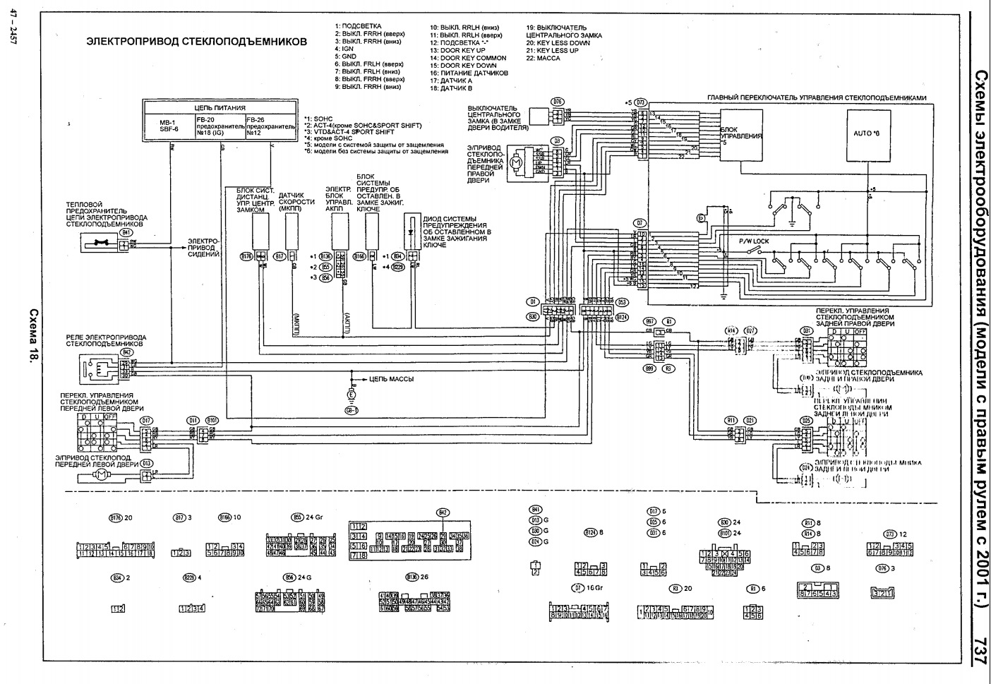
Электросхема легаси. Схема центрального замка Subaru Legacy 2001. Схема блока управления стеклоподъемниками Субару. Схема центрального замка Субару Легаси 2001. Схема центрального замка Субару.

Электросхема легаси. Схема предохранителей Субару Легаси 1996 года. Проводка салона Subaru Legacy bh5 схема. Схема предохранителей Субару Легаси б4 бе5. Реле Субару Импреза 2002 схема.

Электросхема легаси. Схема распиновки двигателя ej204. Распиновка ej204. Распиновка ЭБУ EJ-de. Распиновка ЭБУ к6а 26/34.

Электросхема легаси. Электрическая схема Субару Форестер 2011г. Схема обогрева зеркал Субару Форестер. Электрическая схема управления зеркалами. Схема подключения бокового зеркала Subaru Impreza 2005.

Электросхема легаси. Электрическая схема Субару Легаси 1996 года. Схема электрооборудования Субару Легаси. Электрическая схема Субару Легаси 2009. Электрическая схема Субару Легаси 2007.

Электросхема легаси. Схема обогрева кресла Subaru XV. Схема подогрева сидений Субару. Схема обогрева сидений Subaru Impreza 2008. Схема проводки сиденья Subaru Legacy.

Электросхема легаси. Электрическая схема Субару Легаси 1996 года. Схема электрооборудования Subaru Forester 2009. Электрическая схема Субару Форестер 1999 года. Субару Легаси 1999 электросхемы.

Электросхема легаси. Схема электропроводки Subaru Outback 2011. Схема электрическая Subaru Outback. Электрическая схема Субару Легаси 1997. Схема электрическая Subaru Outback 2004.

Электросхема легаси. Электросхема Субару Легаси ej25. Схемы Легаси bd. Электрическая схема hau478 Atlas White отзывы.

Электросхема легаси. Схема электрооборудования Субару Легаси 1997 года. Схема электрооборудования Subaru Legacy. Электрические схемы Subaru Impreza 1997. Схема электрооборудования Субару Легаси.

Электросхема легаси. Электрическая схема Субару Форестер sg5.

Электросхема легаси. Электросхема Субару Форестер sg5 2002. Subaru Forester 2012 electrical diagram.

Электросхема легаси. Схема замок зажигания Subaru Forester sg5. Схема дальнего света Subaru Forester sf5. Схема кнопки противотуманных фар Subaru Impreza. Схема кнопки ПТФ Subaru Impreza.

Электросхема легаси. Схема климат контроля Субару Легаси. Распиновка климат контроля Forester sf5. Электросхема климат контроля Легаси.

Электросхема легаси. Схема электрооборудования Митсубиси Либеро. Схема электропроводка Subaru Sambar. Схема проводки на Mitsubishi libero. Электросхема libero Mitsubishi.

Электросхема легаси. Схема электрическая Subaru Outback 2004. Схема электропроводки Субару Аутбек 2004. Схема электропроводки Субару Легаси bh5. Электрическая схема Субару Аутбек 2010.

Электросхема легаси

Электросхема легаси. Схема электрооборудования Subaru Forester 1997. Схема электрооборудования Subaru Legacy система зарядки. Схема электрооборудования Subaru Forester 2009. Схема блока управления стеклоподъемниками Субару.

Электросхема легаси

Электросхема легаси

Электросхема легаси. Электрическая схема Субару Форестер sf5 1999. Схема электрооборудования ej20x. Subaru Legacy 1997 схема. Электрические схемы Subaru Impreza 1997.

Электросхема легаси. Селектор АКПП схема электрическая. Схема проводки селектора АКПП. Схема селектора Камри 30. Схема селектора АКПП w210.

Электросхема легаси. Схема кнопок стеклоподъемников Субару. Схема электрооборудования Subaru Forester 2009. Схема блока управления стеклоподъемниками Субару. Электрическая схема Субару Форестер 2001г.

Электросхема легаси

Электросхема легаси. Электрические схемы Subaru Impreza 1997. Схема кондиционера Субару Импреза. Электрическая схема кондиционера Subaru Forester sg5. Forester sf5 электрическая схема климат контроля.

Электросхема легаси

Электросхема легаси. Схема электрооборудования Субару Импреза 2005. Subaru Impreza WRX STI электрическая схема. Электрические схемы Subaru Impreza 1997. Блок ABS Субару Форестер электросхема.

Электросхема легаси. Подогрев сидений Субару Форестер sg5. Субару Форестер электросхемы. Ниссан Кашкай схема включения подогрева сидений. Электрическая схема Субару Форестер sg5.

Электросхема легаси. Subaru Forester SG реле стартера схема. Реле управления светом Субару Форестер sf9. Электросхема Форестер sg5. Subaru Forester sg5 распиновка проводов света.

Электросхема легаси

Электросхема легаси. Схема подключения вентиляторов охлаждения Субару Легаси. B4 Subaru Legacy схема вентилятора. Схема зажигания Субару 2003 г. Субару Импреза 2006 схема вентилятора.

Электросхема легаси. Электрические схемы Subaru Outback 2012 схема. Схема электрооборудования Субару be 5. Схема электрооборудования Subaru Legacy. Электрическая схема Субару Аутбек 2014.

Электросхема легаси. Схема центрального замка Субару. Схема электрооборудования Субару Легаси. Электрические схемы Subaru Legacy. Схема электрооборудования Subaru Legacy.

Электросхема легаси

Электросхема легаси. Схема катушки зажигания Субару SF. 1996 Subaru Legacy катушка зажигания схема. Схема катушки зажигания Субару. Dis система зажигания схема.

Электросхема легаси. Forester sg5 схема ЭБУ. Субару Форестер 1999 электросхема. Проводка ej20 схема. Электросхема двигателя Subaru Forester.

Электросхема легаси. Схема электрооборудования ej20x. Электрическая схема Субару Легаси 2009. Схема SRS Subaru Outback. Электрическая схема Субару Аутбек 2004.

Электросхема легаси. Схема электрооборудования Toyota Camry sv40. Схема электрооборудования Toyota Camry 40. Электро схема стоп сигнала Камри 40. Электросхема стоп сигналов Тойота Камри 2015.

Электросхема легаси. Схема электрооборудования Subaru Legacy. Subaru Legacy 1998 электрическая схема АКПП. Subaru Legacy 1997 схема. Электрическая схема габаритов Субару Легаси 2004.

Электросхема легаси

Электросхема легаси

Электросхема легаси

Электросхема легаси. Схема электрическая Субару Импреза. Subaru Impreza 2008 электросхема кондиционера.

Электросхема легаси. Схема центрального замка Subaru Legacy 2001.

Электросхема легаси. Электрическая схема двигателя Субару Форестер sg5. Схема электрооборудования Subaru Forester 1997. Схема электрооборудования Субару Форестер sf9. Схема электрооборудования Subaru Forester 2009.

Электросхема легаси. Схема электрооборудования Subaru Forester 2009. Схема электрики на Субару Легаси 2000 год. Форестер sh5 электросхема. Схема электрооборудования Subaru Legacy.

Электросхема легаси. Схема габаритов Subaru Legacy 2003. Электрическая схемаsubaru Legazi BH. Схема света Subaru Legacy 2003. Схема корректора фар Subaru Impreza.

Электросхема легаси. Legacy 2006 схема электрическая. Subaru Forester 2000 электросхема АКПП. Схема электрооборудования ej20x. Sf5 схема АКПП.

Электросхема легаси. Распиновка ECU ej25d. Субару распиновка 22611ah751. Распиновка электроники Субару Легаси bg5.

Электросхема легаси

Электросхема легаси. Схема центрального замка Субару Легаси 2001. Субару Импреза 2007 схема центрального замка. Схема центрального замка Субару. Схема центрального замка Subaru Impreza 1995 года.

Электросхема легаси. Схема подключения зоны подогрева дворников. Схема подключения подогрева сидений Субару Легаси. Subaru Impreza реле подогрева. Схема подогрева сидений Субару Форестер 2008.

Электросхема легаси. Субару Легаси электрическая схема. Схема электрооборудования Субару Легаси. Электрические схемы Subaru Legacy. Схема электрооборудования Subaru Legacy.

Электросхема легаси. Ej201 катушка зажигания схема. Электрическая схема катушки зажигания ej254. Распиновка катушки Субару Легаси. Схема индивидуальных катушек Субару.

Электросхема легаси. Электрическая схема Subaru Outback 2008. Электросхема Субару Легаси 1999. Схема электрооборудования Субару Легаси. Схема электрооборудования Субару be 5.

Электросхема легаси. Схема электропроводки Subaru Outback 2004. Схема электропроводки Субару Легаси bh5. Электрическая схема Субару Легаси 2007. Схема электропроводки Субару Аутбек 2004.

Электросхема легаси

Электросхема легаси

Электросхема легаси. Электрическая схема стеклоподъемников Субару Форестер 2003 г. Схема стеклоподъемника Субару Форестер 2008. Схема электропривода стеклоподъемников Форестер сф5. Электрическая схема Субару Аутбек 2014.

Электросхема легаси. Схема двигателя ej204. Схема управления двигателем ej20d. Субару Аутбек EJ 254 2000г. Электросхемы. Ej20 схема управления двигателем.

Электросхема легаси. Схема электрическая Subaru Outback 2004. Электрическая схема Субару Аутбек 2010. Электрическая схема Субару Аутбек 2004. Outback 1999 схема управления двигателем.

Электросхема легаси. Схема электрооборудования Subaru Legacy. Электрические схемы Subaru Legacy. Схема электрооборудования Субару Легаси. Subaru Legacy 2 поколение схема электрооборудования.

Электросхема легаси. Таймер обогрева заднего стекла Субару Форестер. Электрическая схема подогрева зеркал Субару Легаси bh5. Субару Форестер реле подогрева зеркал.

Электросхема легаси. Электрическая схема Субару Легаси 2007. Эл.схема Subaru Legacy 2007. Схема дистанционного управления центральным замком Subaru Legacy 2003. Электрическая схема Субару Аутбек 2007г.

Электросхема легаси. Система управления Субару Форестер SG. Схема электропроводка Subaru Sambar. Subaru Forester sg5 распиновка ЭБУ. Электросхема двигателя Subaru Forester.

Электросхема легаси

Электросхема легаси. Электрическая схема Legacy b4 2000. Схема управления двигателем ej20d. Распиновка блока АБС Субару Аутбек. Subaru блок управления автоматом схема.

Электросхема легаси. Subaru Impreza WRX STI электрическая схема. Субару Легаси 1999 электросхемы. Схема электрооборудования Subaru Forester 2009.

Электросхема легаси. Электросхема света Субару Импреза 2002. Subaru Legacy схема электропроводки. Схема электрооборудования Субару Легаси. Subaru Impreza 2004 электросхема.

Электросхема легаси. Распиновка приборной панели Subaru Legacy. Распиновка панели приборов Subaru Legacy be5. Распиновка панели приборов Субару. Subaru Outback схема приборной панели.

Электросхема легаси

Электросхема легаси. Электрические схемы Subaru Legacy. Схема электрооборудования Субару be 5. Subaru Legacy схема электропроводки. Электросхема противотуманных фар Subaru Legacy bl5.

Электросхема легаси. Субару Импреза 2007 схема вентилятора. Схема электрооборудования Subaru Legacy система зарядки. Схема центрального замка Subaru Legacy 2001. Электрическая схема Субару Легаси 2004.

Электросхема легаси

Электросхема легаси

  • Вперед Гдз по алгебре 8 класс упр 969
  • Назад Табель для бюджетных учреждений форма 0504421 образец заполнения

Новые страницы

Акт инвентаризации источников ионизирующего излучения образец

Анализаторы жидкостей

Ауди в белгороде

Фиксатор поворота

Формула расчета аннуитетного платежа по кредиту

Гдз дорофеев 2 класс 2 часть учебник

Кабель силовой гост 31996 2012

Как слить масло с гидроусилителя руля

Какой врач вставляет зубы

Картинки пингвинов мультяшных

Математика номер 192

Netology ru бесплатные курсы

Нужен ли касперский на андроид

Объемная буква и нарисовать

Оклейка авто под такси в видном

Остеоартроз периферических суставов

Ожирение 3 степени лечение

План проведения совещания о внедрении новой системы стимулирования на предприятии таблица

Покраска стен на балконе

Pr стратегия образец

Приказ о проведении конкурса в доу образец

Прививка от клещевого энцефалита схема вакцинации

Прошивка магнитолы 2190

Пятнистый проверочное

Тренировочный вариант 9 фипи по математике

Учебник русский язык 6 класс ладыженская 2 часть скачать

Ул спортивная 3 1

Утрк спорт

Заявление о привлечении к субсидиарной ответственности вне рамок дела о банкротстве образец

Жалоба в прокуратуру на регионального оператора по вывозу мусора образец

cdn.zecar.ru