Skip to content

Фотогалерея

  • Главная
  • Контакты

Электросхема land cruiser

Электросхема land cruiser. Электрооборудование Тойота ленд Крузер 80. Электрическая схема ленд Крузер 80 электрооборудования. Ленд Крузер 80 дизель Электрооборудование. Электрическая схема Тойота ленд Крузер 80.

Электросхема land cruiser. Электрическая схема ленд Крузер 80. Электросхемы Land Cruiser 80. Toyota Land Cruiser 80 электросхема бензонасоса. Электрические разъемы Тойота ленд Крузер 80.

Электросхема land cruiser. Land Cruiser 100 схема электрооборудования магнитола. Toyota Land Cruiser 100 электросхема. Электросхемы Land Cruiser 100. Ленд Крузер 100 схема электрическая.

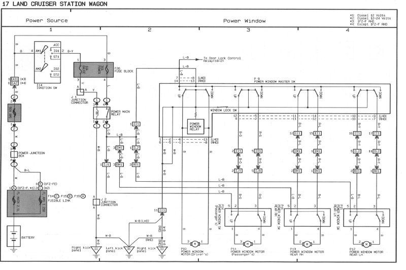
Электросхема land cruiser. Схема подключения центрального замка Тойота Прадо 120. Ленд Крузер 80 схема подключения стеклоподъемников. Схема центрального замка Тойота. Схема управления стеклоподъемниками ленд Крузер.

Электросхема land cruiser. Схема парктроника Прадо 150. Prado 150 схема парктроников. Схема зарядки ленд Крузер 100. Схема подключения парктроников Прадо 150.

Электросхема land cruiser. Схема зарядки Тойота ленд Крузер 100. Схема генератора Прадо 120. Схема генератора ленд Крузер 100. Ленд Крузер 100 система зарядки.

Электросхема land cruiser. Схема приборной панели ленд Крузер 100. Схема панели приборов ленд Крузер 80. Схема щитка приборов LC 80. Крузер 105 электросхема.

Электросхема land cruiser. Ленд Крузер 200 2008 Эл.схема стеклоподъёмников. Схема блока стеклоподъемников ленд Крузер 100. Land Cruiser 200 Центральный замок. Ленд Крузер 200 схема климат-контроля.

Электросхема land cruiser. Ленд Крузер 80 дизель Электрооборудование. Ландкрузер 80 схема подключения стеклоподъемников. Ленд Крузер 80 схема подключения стеклоподъемников. Электросхема фар Land Cruiser 80.

Электросхема land cruiser. Схема проводки Toyota Land Cruiser 100. Ленд Крузер 100 схема электрическая. Ленд Крузер 100 электросхема стеклоподъемников. Схемы электрооборудования ТЛК 100.

Электросхема land cruiser. Land Cruiser Prado 90 схема электрооборудования. Схема подключения Toyota Land Cruiser Prado 150. Схема электропроводки Крузер 80. Схема электрооборудования Toyota Land Cruiser Prado 120.

Электросхема land cruiser. Схема управления двигателем1kr-Fe. Схема системы управления двигателем 1fz-Fe. Тойота ленд Крузер 1fz-Fe электросхема двигателя. Land Cruiser 100 1 HD электросхемы.

Электросхема land cruiser. Land Cruiser 200 электросхема. Электросхема ленд Крузер 200 дизель. Схемы электрики блока управления турбин Тойота ленд Крузер 200. Тойота ленд Крузер 1vd FTV электросхема.

Электросхема land cruiser. Электросхема Тойота ленд Крузер 80. Ленд Крузер 80 дизель Электрооборудование. Электропроводка Тойота ленд Крузер 80. Электросхема Тойота Крузер 200.

Электросхема land cruiser. Ленд Крузер 80 дизель схема электрооборудования. Схема электрооборудования ленд Крузер 100. Электросхема Toyota Land Cruzer 100. Схема блока управления Toyota Land Cruiser 100.

Электросхема land cruiser. Схема электрооборудования ленд Крузер 150. Электросхема Toyota Land Cruiser 80 дизель. Схема электрооборудования ленд Крузер 80. Ленд Крузер 80 дизель схема электрооборудования.

Электросхема land cruiser. Схема проводки Toyota Land Cruiser 100. Схема электрооборудования ленд Крузер 100. Схема блока управления Toyota Land Cruiser 100. Land Cruiser 100 схема электрооборудования магнитола.

Электросхема land cruiser

Электросхема land cruiser. Схемы электрооборудования ТЛК 100. Схема проводки Toyota Land Cruiser 100. Схема электрооборудования ленд Крузер 100. Land Cruiser 100 схема электрооборудования магнитола.

Электросхема land cruiser. Ленд Крузер 80 дизель Электрооборудование. Электросхемы Тойота ленд Крузер 200. Toyota Land Cruiser 80 4.2 дизель схема зажигания. Схема управления дизельным двигателем Land Cruiser 105.

Электросхема land cruiser. Land Cruiser 200 электросхема. Электрическая схема Тойота Прадо 120. Схема электрооборудования ленд Крузер 200. Прадо 150 схема электрооборудования.

Электросхема land cruiser. Land Cruiser Prado 120 электрическая схема. Схема электрооборудования Toyota Land Cruiser Prado 120. Схема электрооборудования Прадо 120. Схема электрооборудования Тойота Прадо 150 2.7.

Электросхема land cruiser. Land Cruiser 80 электросхема. Схема электрооборудования ленд Крузер 80. Схема включения стартера ленд Крузер 80. Электросхема Toyota Land Cruiser 80 дизель.

Электросхема land cruiser. Схема электропроводки ленд Крузер 100. Электрическая схема Тойота ленд Крузер 100. Схема проводки Toyota Land Cruiser 100. Land Cruiser 100 схема электрооборудования магнитола.

Электросхема land cruiser. Электросхема Тойота Крузер 200. Электросхема Тойота ленд Крузер 70. Электросхемы Land Cruiser 80. Toyota Land Cruiser 200 схема SRS.

Электросхема land cruiser. Ленд Крузер 100 электросхема стеклоподъемников. Toyota Land Cruiser 100 электросхема. Схема блок управления стеклоподъемниками Тойота ленд Крузер 100. Электросхема стеклоподъемников Тойота ленд Крузер 100.

Электросхема land cruiser. Электросхемы АКПП Toyota Land Cruiser 80. Toyota Land Cruiser 80 схема печки. Схема аудиосистемы Toyota Land Cruiser 200 2011 год. Схема проводки Land Cruiser 200.

Электросхема land cruiser. Схема электрооборудования ленд Крузер 100. Land Cruiser 105 схема кондиционера. Схему кондиционера Toyota Land Cruiser 120. Ленд Крузер 100 схема электрическая.

Электросхема land cruiser. Схема электрооборудования ленд Крузер 100. Схема электропроводки ленд Крузер 80 дизель. Toyota Land Cruiser 100 электросхема. Ленд Крузер 100 схема электрическая.

Электросхема land cruiser. Ленд Крузер 100 электросхема стеклоподъемников. Схема стеклоподъемников Тойота ленд Крузер 100. Электросхема стеклоподъемников Тойота ленд Крузер 100. Cruiser 100 схема блокировки.

Электросхема land cruiser. Land Cruiser 100 схема электрооборудования магнитола. Ленд Крузер 100 Эл схема. Схема приборной панели Prado 120. Схема салонного освещения Тойота Прадо 150.

Электросхема land cruiser. Электрическая схема ленд Крузер 80 электрооборудования. Электрооборудование Тойота ленд Крузер 80. Схема электрооборудования ленд Крузер 200. Электрическая схема ленд Крузер 80.

Электросхема land cruiser

Электросхема land cruiser. Land Cruiser 80 электросхема. Эл схема Land Cruiser 80. Электрическая схема ленд Крузер 80. Электрическая схема Тойота ленд Крузер 80.

Электросхема land cruiser. Toyota Land Cruiser 100 дизель схема проводки. Схема электрооборудования ленд Крузер 100. Электросхема Тойота ленд Крузер 105. Электросхема Крузер 100 дизель.

Электросхема land cruiser. Toyota Land Cruiser 100 электросхема. Схема проводки Toyota Land Cruiser 100. Схема управления двигателем Land Cruiser 105. Схема электрооборудования TLC 100 4.7.

Электросхема land cruiser. Toyota Land Cruiser 100 электросхема. Схема электрооборудования ленд Крузер 100. Схемы электрооборудования ТЛК 100. Схема проводки Toyota Land Cruiser 100.

Электросхема land cruiser. Ленд Крузер 80 схема подключения стеклоподъемников. Ландкрузер 80 схема подключения стеклоподъемников. Эл схема Land Cruiser 80. Электрическая схема Тойота ленд Крузер 80.

Электросхема land cruiser. Электрооборудование Тойота ленд Крузер 80. Электросхемы Land Cruiser 80. Схема электрооборудования ленд Крузер 80. Схема схема электрооборудования Toyota Лэнд Крузер 80.

Электросхема land cruiser. Эл схема Land Cruiser 80. Электросхемы Land Cruiser 80. Электрическая схема Тойота ленд Крузер 80. Ленд Крузер 100 схема электрическая.

Электросхема land cruiser. Ленд Крузер 100 схема электрическая. Тойота ленд Крузер 80 схема электрическая блокировки дифференциала. Схема блокировки ленд Крузер 100. Схема динамиков Toyota Land Cruiser 100.

Электросхема land cruiser. Электросхемы Land Cruiser 80. Электросхема Toyota Land Cruiser 80. Электропроводка Тойота ленд Крузер 80. Тойота ленд Крузер 80 схема электрооборудования.

Электросхема land cruiser. Схема приборной панели ленд Крузер 100. Ленд Крузер 70 схема электрооборудования. Ленд Крузер 80 дизель Электрооборудование. Электрическая схема Тойота ленд Крузер 100 дизель.

Электросхема land cruiser

Электросхема land cruiser. Land Cruiser 80 блок управления стеклоподъемников. Ленд Крузер 100 электросхема стеклоподъемников. Блок управления электростеклоподъемников на Toyota Land Cruiser 100. Прадо 120 схема стеклоподъемников.

Электросхема land cruiser. Land Cruiser 105 электросхема. Электросхема Land Cruiser Prado 150. Электросхема ленд Крузер Прадо 150. Электросхема Тойота ленд Крузер 105.

Электросхема land cruiser. Электросхема Тойота ленд Крузер 70. Land Cruiser 100 схема электрооборудования магнитола. Лендрузер 100 электросхема зеркал. Прадо 150 схема электрооборудования.

Электросхема land cruiser. Toyota Land Cruiser 100 электросхема. Схема аудиосистемы Toyota Land Cruiser 100. Land Cruiser 100 схема электрооборудования магнитола. Cruiser 100 схема генератора.

Электросхема land cruiser. Электросхема Тойота ленд круизер 200. Land Cruiser 200 схема парктроников. Разъемы проводки Toyota Land Cruiser 200. Электросхема Тойота Крузер 200.

Электросхема land cruiser

Электросхема land cruiser. Toyota Land Cruiser 100 электросхема. Ленд Крузер 100 схема электрическая. ТЛК 80 схема электрооборудования. Схемы электрооборудования ТЛК 100.

Электросхема land cruiser. Электрооборудование Тойота ленд Крузер 80. Электросхемы Land Cruiser 80. Электрическая схема ленд Крузер 80 электрооборудования. Ленд Крузер 80 дизель Электрооборудование.

Электросхема land cruiser. Land Cruiser 100 схема электрооборудования магнитола. Toyota Land Cruiser 100 электросхема. Ленд Крузер 100 схема электрическая. Схема подогрева сидений Тойота ленд Крузер 100.

Электросхема land cruiser

Электросхема land cruiser. Land Cruiser 80 электросхема. Схема электрооборудования ленд Крузер 80. Электрическая схема Тойота ленд Крузер 80. Схема фар Toyota Land Cruiser 80.

Электросхема land cruiser. Схема спидометра ленд Крузер 105. Land Cruiser 200 электросхема. Ленд Крузер 100 электросхема стеклоподъемников. Toyota Land Cruiser Prado 150 Electric scheme.

Электросхема land cruiser. Ленд Крузер 70 схема электрооборудования. Электросхема Toyota Land Cruiser 80 HDJ. Электросхема Тойота ленд Крузер 70. Ленд Крузер 80 бензин Эл.схема.

Электросхема land cruiser. Toyota Land Cruiser 100 схема электрооборудования. Ленд Крузер 100 схема электрическая. Схема очистителя фар Toyota Land Cruiser 100. Схема электропроводки генератора Тойота ленд Крузер 100.

Электросхема land cruiser. Ленд Крузер 100 схема электрическая. ТЛК 80 схема электрооборудования. Электросхема Toyota Land Cruzer 100. Схема проводки Toyota Land Cruiser 100.

Электросхема land cruiser. Электросхемы Тойота ленд Крузер 200. Электросхема Тойота ленд круизер 200. Схема электрооборудования Тойота LC 200. Land Cruiser 200 схема парктроников.

Электросхема land cruiser. Схемаэлетрооборудовпния tlc100. Ленд Крузер 100 схема электрическая. LC 100 схема генератора. Схема зарядки аккумулятора ленд Крузер 100.

Электросхема land cruiser. Электросхема Тойота Крузер 200. Toyota LC 200 схема подогрева сидений. Электросхема Toyota Land Cruzer 100. Схема электрооборудования ленд Крузер 200.

Электросхема land cruiser. Toyota Land Cruiser 100 электросхема. Схема Тойота ленд Крузер 100. Схема кондиционера Toyota Land Cruiser. Схема проводки Toyota Land Cruiser 100.

Электросхема land cruiser. Схема блокировки ленд Крузер 100. Cruiser 100 схема климата. Схема подключения магнитолы на ТЛК 80. Схема зарядки ленд Крузер 100.

Электросхема land cruiser. Схема проводки Toyota Land Cruiser 80 дизель. Схема зарядки Прадо 150. Ленд Крузер 70 схема электрооборудования. Прадо 150 схема электрооборудования.

Электросхема land cruiser. Ленд Крузер 100 система зарядки. Схема зарядки ленд Крузер 100. Ленд Крузер 100 электросхема стеклоподъемников. Электрическая схема Тойота ленд Крузер 100.

Электросхема land cruiser. Схема динамиков Toyota Land Cruiser 100. Ленд Крузер 100 схема электрическая. Схема очистителя фар Toyota Land Cruiser 100. Схемы электрооборудования ТЛК 100.

Электросхема land cruiser. Ленд Крузер 100 электросхема стеклоподъемников. Схема блокировки дифференциала Тойота ленд Крузер 100. Схема электропроводки Тойота фортунер. Лендрузер 100 электросхема зеркал.

Электросхема land cruiser. Схема электрооборудования ленд Крузер 80. Схема электрооборудования Land Cruiser 80 дизель. Реле стартера на Land Cruiser 105. Реле Land Cruiser 80 дизель.

Электросхема land cruiser. Ленд Крузер 80 дизель Электрооборудование. Ленд Крузер 70 схема электрооборудования. Тойота ленд Крузер 1fz-Fe электросхема двигателя. Тойота ленд Крузер 80 1fz-Fe электросхема.

Электросхема land cruiser. Toyota Land Cruiser 100 электросхема. Ленд Крузер 100 схема электрическая. Схема проводки Toyota Land Cruiser 100. Land Cruiser 100 схема электрооборудования магнитола.

Электросхема land cruiser

Электросхема land cruiser. Прадо 150 схема электрооборудования. Электросхемы Прадо 150. Тойота ленд Крузер 80 4.2 дизель схема зарядки. Электросхемы Toyota Prado 150.

Электросхема land cruiser. Электросхема стеклоподъемников Тойота ленд Крузер 200. Электросхема Тойота ленд круизер 200. Land Cruiser 200 электросхема передних парктроников. Распиновка китайской фары на TLC 200 2016.

Электросхема land cruiser. Электросхемы Toyota Prado 150. Land Cruiser 200 электросхема. Электросхема Тойота Прадо 150. Электрическая схема Toyota Prado 120.

Электросхема land cruiser. Land Cruiser 120 схемы электрические. Toyota Land Cruiser 100 электросхема. Схема стеклоподъемников Крузер 105. Электросхема Toyota Land Cruzer 100.

Электросхема land cruiser. Toyota Land Cruiser 100 электросхема. Схема очистителя фар Toyota Land Cruiser 100. Электросхема на Тойота ленд Крузер 100. Land Cruiser 100 схема электрооборудования магнитола.

Электросхема land cruiser. Схема блока стеклоподъемников ленд Крузер 100. Toyota Land Cruiser 105 схема стеклоподъемников. Схема блок управления стеклоподъемниками Тойота ленд Крузер 100. Электрическая схема ленд Крузер 80 электрооборудования.

Электросхема land cruiser. Схема электрооборудования ленд Крузер 80. Электрическая схема ленд Крузер 80 электрооборудования. Система пуска Land Cruiser 80. Схема включения стартера ленд Крузер 80.

Электросхема land cruiser. Схема управления двигателем Land Cruiser 105. Схема блока управления Toyota Land Cruiser 100. Электросхема Toyota Land Cruiser 80. Тойота ленд Крузер 80 схема электрооборудования дизель.

Электросхема land cruiser. Toyota Land Cruiser 100 электросхема. Электросхема Toyota Land Cruzer 100. Схема динамиков Toyota Land Cruiser 100. Схема электрооборудования ленд Крузер 100.

Электросхема land cruiser. Схема стеклоподъемников Тойота ленд Крузер 100. Ленд Крузер 200 2008 года электросхема стеклоподъемников. Ленд Крузер 80 схема подключения стеклоподъемников. Cruiser 100 стеклоподъёмники схема.

Электросхема land cruiser. Land Cruiser 80 электросхема. Ленд Крузер 100 схема электрическая. Схема электрооборудования ленд Крузер 80. Система пуска Land Cruiser 80.

Электросхема land cruiser. Схема электрооборудования Toyota Land Cruiser Prado 120. Схема противотуманных фар Toyota Land Cruiser 100. Прадо 150 схема электрооборудования. Реле дальнего света prado90.

Электросхема land cruiser

Электросхема land cruiser

  • Вперед В обтягивающем в спортзале
  • Назад Схема слова юноша 1 класс

Новые страницы

6 Сумма каких двух чисел равна их произведению сумма каких двух чисел равна их разности

Чертеж футбольных ворот 5х2

Электросхема land cruiser

График функции f x ax2 bx c изображен на рисунке 1 найди f 5

Как правильно писать расписку на деньги в долг образец

Карта тайников болота чистое небо

Картина из денег своими руками на день рождения для женщины с юмором

Каталог спорт краснодар

Коэффициент коррекции

Ксенон в kia ceed jd

Лекарства из таиланда

Математика 2 класс страница 60 задача 3

Можно ли пить анальгин при беременности

Насосы промышленные

Органы власти и спорт

Парк пехорка в балашихе карта

Поезд индия

Покраска бампера свао

Принципиальная схема печатной платы

Профсоюзная карта метро на карте москвы

Проспект вернадского метро схема

Радар ммс санкт петербург

Рибосома схема

Схема зажигания уаз 469 с вариатором

Синдром навязчивых движений

Совещание руководителей

Tle8209

Вентиль вб 2

Врезать противотуманки в бампер 2114

Вязание наволочки для подушки крючком схемы и описание

cdn.zecar.ru