Skip to content

Фотогалерея

  • Главная
  • Контакты

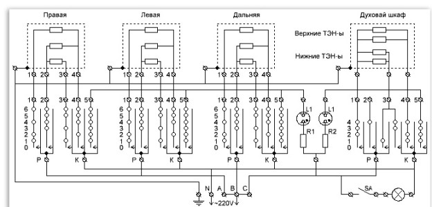
Электросхема электроплиты гефест 2140

Электроплита гефест схема электрическая принципиальная: Схема ...

Электроплита гефест схема электрическая принципиальная: Схема ...

Электроплита гефест схема электрическая принципиальная: Схема ...

Электроплита гефест схема электрическая принципиальная: Схема ...

Электроплита гефест схема электрическая принципиальная: Схема ...

[Страница 20/40] - Инструкция: Электрическая плита GEFEST 2140 К19 ...

Gefest 2140, 2140-02, 2140-03 - Инструкция по эксплуатации

Стол электроплиты gefest 2140 03 к80 белый - фото

Схема электрической плиты – Схема электроплиты - наглядный пример и ...

Схема электроплиты - наглядный пример и общее описание

Схема электроподжига газовой плиты гефест

Схема электрической плиты – Схема электроплиты - наглядный пример и ...

Схема электроподжига газовой плиты гефест

Gefest 2140, 2140-02, 2140-03 - Инструкция по эксплуатации

Схема электрической плиты – Схема электроплиты - наглядный пример и ...

Схема устройства и принцип работы электроплиты

Схема электроплиты – Схема электроплиты - наглядный пример и общее описание

Электроплита \"Электра 1001\" инструкция. | Электро, Заклинания, Артефакты

Принципиальная Электрическая Схема Электроплиты - tokzamer.ru

Схема подключения электроплиты мечта – Какая схема электроплиты Мечта?

Схема подключения электроплиты мечта – Какая схема электроплиты Мечта?

Электроплитка \"Россиянка-2\"

Схема подключения электроплиты мечта – Какая схема электроплиты Мечта?

Электросхема электроплиты: Схема электроплиты — наглядный пример и ...

Электросхема электроплиты: Схема электроплиты — наглядный пример и ...

Схема подключения электроплиты мечта: Как заменить ТЭН с тремя выводами ...

Схема подключения электроплиты мечта – Какая схема электроплиты Мечта?

Эл схема плиты мечта – Электроплита МЕЧТА 15 М схема замена ...

Какая схема электроплиты Мечта?

Схема подключения электроплиты (47 фото) » Знаки, таблички, карты и ...

Схема электроподжига / электророзжига плиты Статьи

Как подключить электроплиту самостоятельно и пошагово: схемы, видео

Схема подключения электроплиты электролюкс: схемы подключения к ...

Виды и типы электрических схем, их характеристика и назначение

Принципиальная электрическая схема электроплиты: Схема электрической ...?

Терморегулятор духовки электроплиты Гефест-1140, GEFEST-2140, GEFEST ...

Электросхема электроплиты лысьва эп 301 — купить по низкой цене на ...

Крышка плиты Гефест 2140, GEFEST 2160 коричневая — Профит-ГАЗ

Ремонт электроплиты Гефест (Gefest) ЭПНД 2140 Старый Оскол

Ремонт электроплиты Гефест (Gefest) ЭПНД 2140 Старый Оскол

Термостат-термореле электроплиты Gefest(Гефест) - Купить с доставкой

Моторедуктор (электродвигатель) вертела плиты Гефест-1140, Гефест-2140 ...

Электроплита МЕЧТА 221ч электросхема - Электроплиты ремонт - Крупная ...

Схема электроплиты мечта 2 х конфорочная с духовкой

Электросхема управления двигателем 4S-FE (Тойота Камри Виста V40, 1994 ...

Электросхема стеклоподъемников с электроприводом (Хендай Соната 4, 2001 ...

Электросхема МАЗ 256 - Автозапчасти и автоХитрости

ЭЛЕКТРОСХЕМА ЯВА - МОТОЦИКЛ - СХЕМА ЭЛЕКТРООБОРУДОВАНИЯ

Что такое электрическая схема - Все про электрику

Купить терморегулятор,термостат духовки электроплиты Гефест в Минске.

Как расшифровать электросхему автомобиля? - YouTube

Продается электроплита гефест б/у купить в Минске | Объявление №104380 ...

Электросхема электроплиты: Схема электроплиты — наглядный пример и ...

Подключение электроплиты | Заметки электрика

Электрическая Схема Плиты

Электросхема На Электро Плиту Мечта 15М - delightspecification

ВАЗ-2110 инжектор 8 клапанов: электросхема с описанием

Тэн вентилятора духовки для плиты Гефест - купить тэн с вентилятором

Электроплита МЕЧТА 221ч электросхема - Электроплиты ремонт - Крупная ...

Переключатели мощности для электроплиты МЕЧТА - ЗАПЧАСТИ и РЕМОНТ ДЛЯ ...

Горелки (конфорки) для газовой плиты Гефест: продажа, цена в Полтаве ...

Схема электроплиты - наглядный пример и общее описание

Электросхема электроплиты: Схема электроплиты — наглядный пример и ...

Электроплита МЕЧТА 221ч электросхема - Электроплиты ремонт - Крупная ...

Персональный сайт - электрика

Электросхема кондиционера митсубиси паджеро

Проводка для электроплиты своими руками

Электроплита гефест 1140-07, характеристика электроплиты, переключатели ...?

Схема подсоединения электроплит и варочных панелей к электросети

Электросхема системы пуска двигателя и зарядки АКБ (Электрооборудование ...

Термостат плиты GEFEST 1102, 1140, 1202, 2140, 2160, 3101, 3102 (EGO 55 ...

ЭЛЕКТРОСХЕМА ШЕВРОЛЕ АВЕО - СХЕМА ЭЛЕКТРООБОРУДОВАНИЯ

Электросхема электроплиты: Схема электроплиты — наглядный пример и ...

Конфорка для электроплиты D=180mm, 2000W, EGO (Италия)

Каталог радиолюбительских схем. Электрическая схема ВАЗ-2106 (370 кбт ...

Переключатель духовки Gottak 7LA 850617

ЭЛЕКТРОСХЕМА ФОРД ФИЕСТА - СХЕМА ЭЛЕКТРООБОРУДОВАНИЯ | Форд, Автомобиль

Ремонт и модернизация старой электроплиты «Лысьва».

Электросхема электроплиты: Схема электроплиты — наглядный пример и ...

ЭЛЕКТРОСХЕМА НИССАН МИКРА - СХЕМА ЭЛЕКТРООБОРУДОВАНИЯ

Мечта 1203, 12-06-03, 12-06, 12-06-02 - Руководство по эксплуатации

Ремонт электроплит в Москве на дому | Сервис

Схема устройства и принцип работы электроплиты - Производство, техника ...

Электросхема системы электропитания (Тойота Карина Т190, 1992-1996 ...

Регулятор мощности электроплиты

Принципиальная электросхема дизель 1.8 (Электрооборудование / Схемы ...

ЭЛЕКТРОСХЕМА ДЭУ НУБИРА - СХЕМА ЭЛЕКТРООБОРУДОВАНИЯ

Скания электросхема задних фонарей

Схема подключения электроплиты индезит

Мечта 1203, 12-06-03, 12-06, 12-06-02 - Руководство по эксплуатации

СТОРОЖ-НЕВИДИМКА | МОДЕЛИСТ-КОНСТРУКТОР

Электросхема силовых цепей электровоза BЛ80C

Электросхема измерителей и указателей (Хендай Соната 4 2001-2012 ...

Электроплита МЕЧТА 221ч электросхема - Электроплиты ремонт - Крупная ...

Электросхема - вспомогательные цепи электровоза BЛ80C

Электросхема электроплиты: Схема электроплиты — наглядный пример и ...

Электросхема авто научиться читать

ЭЛЕКТРОСХЕМА КИА СЕРАТО - СХЕМА ЭЛЕКТРООБОРУДОВАНИЯ

Двухкомфорочные духовки для газовой и электрической плиты

Электроплита МЕЧТА 221ч электросхема - Электроплиты ремонт - Крупная ...

Электросхема электроплиты: Схема электроплиты — наглядный пример и ...

ЭЛЕКТРОСХЕМА ЯВА - МОТОЦИКЛ - СХЕМА ЭЛЕКТРООБОРУДОВАНИЯ

ЭЛЕКТРОСХЕМА КИА - СХЕМА ЭЛЕКТРООБОРУДОВАНИЯ

  • Вперед Авангард вязьма
  • Назад Клуб уаз патриот

Новые страницы

3740

Аниме картинки мужские

B57164k0103j000

B857 транзистор характеристики

Бревис отель

Гдз 2 класс математика страница 77 номер 4

Hoff интернет магазин краснодар

Карта заброшек воронежа

Клинит заднее колесо

Кусачка из фиксиков картинки

Лечение множественной миеломы

Маша и медведь мультсериал сборник

P6ke10a чем заменить

Площадь душевых при спортивном зале

Проволока для катушек индуктивности

Работа монтажником металлоконструкций в москве

Рассмотрение гражданских дел военными судами

Русский язык 7 класс ладыженская номер 468

Самостоятельная по геометрии 8 класс мерзляк

Самостоятельная работа по алгебре 7 класс график функции мерзляк

Шкода октавия мощность

Смарт часы спортивные круглые

Снятие ступицы приора

Совет свой себе посоветуй картинка

Study the examples and answer the questions

Титул реферата образец школьника

Точка приложения силы тяжести рисунок

Туристическая карта абхазии с достопримечательностями

Воспаление мочевыводящих путей у женщин симптомы лечение

Заявление в рэо гибдд образец на постановку транспортного средства учет

cdn.zecar.ru