Skip to content

Фотогалерея

  • Главная
  • Контакты

Электросхема додж

Электросхема додж. Схема электрооборудования Додж Караван 2001 2005. Электросхема Додж Караван 2004. Додж Караван 3.3 электросхема. Электросхема Додж Караван 2.4 2002 года.

Электросхема додж. Dodge Durango 2001 электросхема. Схема проводки Додж Калибр. Электрическая схема dodge Durango 2001. Электросхема Додж Стратус 2.4 автомат.

Электросхема додж. Додж Караван 2001 электросхема. Электрическая схема Додж Караван 2.4. Электросхема Крайслер Вояджер 2.4. Схема проводки Додж Караван 2003 года.

Электросхема додж. Электрическая схема Додж Джорни 2008. Додж Джорни схема предохранителей. Схема предохранителей Додж Джорни 2008. Dodge Avenger схема.

Электросхема додж. Dodge Journey wiring. Электрическая схема Додж Джорни 2008. Схема электрооборудования dodge Джорни. Электрическая схема Додж Джорни 2012 года.

Электросхема додж. Электрическая схема Додж Стратус 2. Схема электрооборудования dodge Stratus 2000 года. Электросхема Eco Додж Стратус 2. Схема электропроводки dodge Ram 1500.

Электросхема додж

Электросхема додж

Электросхема додж

Электросхема додж. Электросхемы dodge Ram 1500 4.7. Додж Дюранго 2 электросхемы. Додж Авенджер 2007 2.4 электросхема. Схема электрооборудования dodge Stratus 2000 года.

Электросхема додж. Wiring diagram for body Control dodge Challenger SXT 2014. Wiring diagram for Automatic transmission 2009 dodge Challenger se. Instrument Cluster wiring diagram for dodge Challenger r/t Plus 2011. Left Memory Rear Seat wiring diagram for dodge Challenger r/t 2011.

Электросхема додж. Электросхема Додж Калибр 2007. Электросхемы Додж Калибр. Электросхема Додж Калибр 2007 года. Электросхема Додж Калибр 1.8 механика.

Электросхема додж

Электросхема додж. Dodge Durango 2002 электросхема ЭБУ АКПП. Додж неон электросхема. Додж неон электрическая схема. Электрическая схема Додж Стратус 2.

Электросхема додж. Додж Калибр схема электрооборудования. Электросхема Додж Калибр 2.0 автомат. Dodge Caliber 2007 схема зарядки. Схема проводки Додж Калибр.

Электросхема додж. Схема электропроводки dodge Ram 1500. Электросхемы dodge Ram 1500 4.7. Dodge Ram схема. Dodge Ram wiring diagram.

Электросхема додж

Электросхема додж. Электросхемы dodge Ram 1500 4.7. Электросхемы Додж рам 2012. Додж Ram 350 электросхема. Hummer h3 электрические схемы.

Электросхема додж. Схема электропроводки Додж неон 2. Электросхемы dodge Ram 1500 4.7. Dodge Ram wiring diagram. Dodge Ram 1500 Dash wiring diagram.

Электросхема додж

Электросхема додж. Додж Калибр 2008 схема электрооборудования. Dodge Avenger электросхема. Схема электрооборудования dodge Джорни. Додж Калибр схема электрооборудования.

Электросхема додж. Додж Караван 2001 электросхема. Додж Караван 2.4 электросхемы. Додж Караван 2001 бензин Эл. Схема. Схема электрооборудования Додж Караван 2001 2005.

Электросхема додж

Электросхема додж. Додж Караван 2001 электросхема. Додж Караван 2.4 электросхемы. Додж Караван 2.4 электросхемы ДВС. Додж Караван 2.4 электросхема стартера.

Электросхема додж. Додж Калибр схема электрооборудования. Схема Додж Калибр электрооборудования кондиционера. Электросхема dodge Caliber. Электрическая схема Додж Калибр.

Электросхема додж

Электросхема додж. Dodge Caliber схема блока реле. Dodge Caliber 2007 схема зарядки. Wiring diagrams dodge Charger 2007. Схема реле Додж Калибр.

Электросхема додж. Додж Караван 2.4 электросхемы. Электросхема Додж Калибр 2.0 автомат. Додж Калибр схема электрооборудования. Додж Караван 3.3 электросхема.

Электросхема додж

Электросхема додж. Схема электрооборудования dodge Джорни. Электрическая схема Додж Джорни 2008. Схема электрооборудования dodge Джорни 2008 года. Dodge Durango 2001 электросхема.

Электросхема додж. Электрическая схема Крайслер 300 ц. Электрическая схема Chrysler 300c. Dodge Charger 1970 Electric diagram. Электросхема Крайслер 300м.

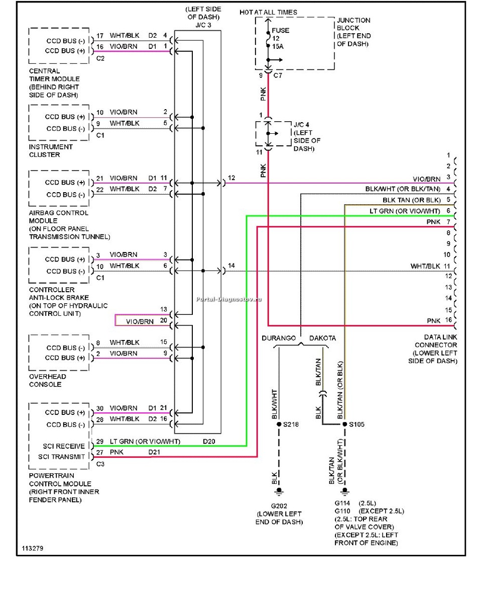
Электросхема додж. Додж Дюранго 2 электросхемы. Электрическая схема dodge Durango 2001. Dodge Durango 2005 5.7 схема проводки двигателя. Охлаждения для Додж Дуранго электросхема.

Электросхема додж. Схема электрооборудования dodge Stratus 2000 года. Схема зажигания Додж Калибр. Электросхемы стеклоподъемников dodge Stratus 2000. Крайслер Стратус 2.5 v6 электросхема ЭБУ.

Электросхема додж

Электросхема додж

Электросхема додж. Додж Караван 2001 электросхема. Схема проводки Додж Караван 2003 года. Додж Караван 2.4 электросхемы. Электросхема Додж Караван 2.4.

Электросхема додж

Электросхема додж. Схема электропроводки Додж Калибр 2.0 автомат. Додж Калибр схема электрооборудования. Электросхема dodge Caliber. Dodge Caliber электрическая схема.

Электросхема додж. Dodge Durango 2001 электросхема. Схема электрооборудования dodge Джорни. Электросхема Додж неон 2. Додж Калибр схема электрооборудования.

Электросхема додж

Электросхема додж. Схема стеклоочистителя Додж Калибр. Dodge Caravan 2000 электросхема стеклоочистители. Электросхема звукового сигнала Додж Калибр. Dodge Caravan электросхема стеклоочистители.

Электросхема додж. Схема электрооборудования dodge Джорни. Электросхема Додж неон 2. Dodge Caravan схема электрооборудования. Распиновка магнитолы dodge Caravan 2003 2.4.

Электросхема додж. Додж Калибр схема электрооборудования. Додж Караван схема круиз контроль электрооборудования. Додж Калибр 2008 схема электрооборудования. Электросхема круиз контроля Додж Караван.

Электросхема додж. Схема ЭБУ dodge Stratus 2. Схема ЭСУД Додж Стратус 2001 года. Dodge Ram 1500 2014 года схема электропроводки ABS. Додж неон 2 распиновка блока.

Электросхема додж. Схема Додж Калибр электрооборудования 2007. Схема зарядки dodge Caliber. Электросхема Додж Калибр 2007. Электросхема Додж Калибр.

Электросхема додж. Электрическая схема Додж Караван 2.4. Додж Караван 2.4 электросхема стартера. Додж Караван 4 электросхема. Электрическая схема Додж Караван 2.4 4.

Электросхема додж

Электросхема додж. Dodge Durango 2001 электросхема. Додж Авенджер 2007 электросхемы. Схема электрооборудования dodge Джорни. Додж Дюранго 2 электросхемы.

Электросхема додж. Wiring diagram for Automatic transmission dodge Neon ACR 2002. Cool Box wiring diagram for dodge Neon ACR 2001. Wiring diagram for System dodge Neon 2002. Wiring diagram for climate Control dodge Neon Sport 1996.

Электросхема додж. Электросхемы dodge Ram 1500 4.7. Dodge Caravan 2002 wiring. Додж Караван 2001 2.4 схема жгутов. Dodge Neon 2005 wiring.

Электросхема додж. Схема блока электрики Додж Челленджер 3.6 бензин.

Электросхема додж. Chrysler Pacifica 2003 электросхема. Схема электрическая Крайслер Себринг 2,4л. Схема электрооборудования Крайслер Вояджер 2003. Схема проводки Крайслер.

Электросхема додж

Электросхема додж. Блок реле Додж Калибр схема. Блок предохранителей Додж Калибр 2.0 схема. Схема реле dodge Caliber. Додж Калибр 2.0 2010 год электрическая схема.

Электросхема додж

Электросхема додж

Электросхема додж. Схема электрооборудования dodge Stratus 2000 года. Электросхема Додж Стратус 2.4 автомат. Электросхема Eco Додж Стратус 2. Электросхема dodge Nitro.

Электросхема додж. Додж Калибр схема электрооборудования. Dodge Caliber 2007 схема зарядки. Схема зарядки dodge Caliber. Электрическая схема Додж Калибр.

Электросхема додж

Электросхема додж. Схема электрооборудования dodge Джорни. Электрическая схема Додж Джорни 2008. Dodge Caravan 2000 электросхема стеклоочистители. Додж Караван 2000 схема омывателя.

Электросхема додж. Электрическая схема dodge Durango 2001. Схема электрооборудования dodge Джорни. Додж Дюранго 2 электросхемы. Электрические схемы dodge Journey 2018.

Электросхема додж. Схема электропроводки Додж Калибр 2.0 автомат. Схема проводки Додж Калибр. Додж Калибр схема электрооборудования. Схема зарядки dodge Caliber.

Электросхема додж. Электросхема Додж Караван 2.4 2002 года. Додж Караван 2.4 2002г электросхема зарядки АКБ. Электрическая схема Додж Караван 2.4. Электросхема Grand Caravan 2002.

Электросхема додж

Электросхема додж. Схема электрооборудования dodge Stratus 2000 года. Схема электропроводки Додж неон. Схема проводки Крайслер. Схема электропроводки Крайслер Циррус 2.5 1995.

Электросхема додж. Схема электрооборудования dodge Джорни. Dodge Durango 2001 электросхема. Электрическая схема Додж Джорни 2012 года. Додж рам 1500 электро схема АВС.

Электросхема додж. Electromechanical Power Steering wiring diagram for dodge Dakota r/t 2003. Active Power Steering wiring diagram for 1999 dodge Dakota. Wiring diagram for Central Locking Handy Hydraulics dodge Dakota 1998. Wiring diagram for electrical System 1999 dodge Dakota.

Электросхема додж

Электросхема додж. Электросхема Додж Караван 2.4 2002 года. Электросхемы Крайслер Конкорд 3.5. Схема электропитания Додж Караван 3.3. Электросхема Додж Караван 2.4 1999.

Электросхема додж. Электрическая схема Додж Стратус 2. Dodge Neon 2005 wiring. Схема ЭБУ dodge Stratus 2. Схема электропроводки Додж неон.

Электросхема додж. Додж Караван 2001 электросхема. Электрическая схема Додж Караван 2.4 2002. Додж Караван 2.4 электросхемы. Додж Караван 3.3 электросхема.

Электросхема додж

Электросхема додж. Схема круиз контроля Додж Караван. Схема подключения автомагнитолы Додж Караван. Схема подключения магнитолы Додж Караван 4. Dodge Neon 2005 wiring.

Электросхема додж. Dodge Durango 2001 электросхема. Электрическая схема Додж Авенджер. Электросхемы Додж Spirit. Электрическая схема разпиновки 5103309аа dodge Durango.

Электросхема додж. Додж Караван схема проводов аудиосистемы. Dodge Caliber 2008 схема. Схема реле стартера Додж Калибр 1 и 8. Электросхема Додж Калибр 1.8 механика.

Электросхема додж

Электросхема додж. Додж неон 1995 схема электропроводки. Схема электрооборудования Додж неон 1. Крайслер неон проводка схема. Схема электропроводки Додж неон 2 1999.

Электросхема додж. Электросхема Додж Стратус 2.4 автомат. Схема зарядки Додж неон 2005. Додж Калибр электросхема стартера. Схема электропроводки Додж неон 2.

Электросхема додж

Электросхема додж. Dodge Caliber электрическая схема. Электрическая схема Додж Калибр. Додж Калибр схема электрооборудования. Электросхема Додж Калибр 2011.

  • Вперед Как подзаряжать аккумулятор
  • Назад Тренировки 3 1

Новые страницы

Ангельские трубы бругмансия древовидная

Бененсон 3 класс рабочая тетрадь

Бмв кемерово

Электрическая схема ваз 2107

Электросхема додж

Если болят мышцы можно продолжать тренировки

Гдз по английскому языку 6 класс spotlight учебник 2016 года

Гдз по математике 6 класс номер 113

Гдз по русскому 5 класс упражнение 646

Гдз тренировочные упражнения 7 класс

Глобус фитнес екатеринбург

Как подсоединить реле на противотуманки

Какое предложение является повествовательным

Картинки нидерланды

Картинки с выставки мультик мусоргского

Конкурс рисунков мой друг интернет

Копицентр рядом

L402

Методы оценки персонала схема

Ооо додо франчайзинг

Пежо боксер дымит на холодную

Программа тренировок в зале подростку

Реле прерыватель своими руками

Рисунок папе на день рождения карандашом легкие

Синдром альцгеймера

Снятие щитка приборов хендай солярис

Составить схему строения атома углерода

Услуги для мужчин на дому

Установка елм 327 на андроид

Жаккард схемы

cdn.zecar.ru