Skip to content

Фотогалерея

  • Главная
  • Контакты

Электросхема 16

Электросхема 16

Электросхема 16. Эл схема 16к20. Электрическая схема токарно-винторезного станка 1к62. Электрическая схема токарного станка 16к20. Принципиальная электрическая схема токарно винторезного станка.

Электросхема 16. Схема электрооборудования ВАЗ 2170 Приора. Электропроводка Приора 2170. Схема электрооборудования Приора 16. Проводка Приора схема.

Электросхема 16. Электронный блок управления двигателем схема. Электронный блок управления двигателем схема подключение. Схема блока управления двигателем 2lthe. Схема блока управления двигателем g25a.

Электросхема 16

Электросхема 16. Токарно револьверный станок 1341 электрическая схема. Схема электрическая принципиальная токарного станка 16б20п. Электросхема токарного станка 16б16кп. 16б16 токарный станок схема.

Электросхема 16. Электрическая схема станка 16б16п. 16е16кп токарный станок схема электрическая принципиальная. Принципиальная электрическая схема станка 16б16кп. Токарный станок 16е16кв электрическая схема.

Электросхема 16. Схема электрооборудования Лада Ларгус 16 клапанов с кондиционером. Эл.схема Ларгус с 21129 двигатель. Электрооборудование Лада Ларгус 16 клапанов. Схема электрооборудования Ларгус 16 клапанов.

Электросхема 16. Схема электрооборудования трактора ЮМЗ 6 кл. Схема электрооборудования трактора т28 Владимировец. Схема электрооборудования трактора Вт-150. Схема электрооборудования трактора ЮМЗ-6 цветная.

Электросхема 16. Электросхема токарного станка 16к20. Принципиальная электрическая схема токарно винторезного станка. Электрическая схема токарно винторезного станка 16к20. Станок 16к20 схема электрическая принципиальная.

Электросхема 16. Схема электрооборудования ВАЗ 2170 Приора. Схема электрооборудования ВАЗ 2172 Приора. Схема электропроводки ВАЗ 2170 Приора. Схема электрооборудования ВАЗ 2170 Приора норма.

Электросхема 16. Схема электрооборудования ВАЗ 2103. Схема электрооборудования ВАЗ 2106. Электрооборудование ВАЗ 2106 электросхема. Схема электрическая принципиальная ВАЗ 2103.

Электросхема 16. Схема электропроводки 2112 инжектор. Схема электропроводки ВАЗ 2112 16 клапанов. Схема электрооборудования ВАЗ 2112 инжектор 16 клапанов. Эл проводка ВАЗ 2112.

Электросхема 16. Электросхема BMW e70. BMW e90 схема. BDC блок BMW 5 электросхема. Электросхема двигателя ADR.

Электросхема 16. Схема электрооборудования Daewoo Nexia 16 клапанная. Схема электрооборудования Нексия 8 клапанов. Схема электрооборудования автомобиля Daewoo Nexia. Электрическая схема Дэу Нексия 8 клапанов.

Электросхема 16. Схема электропроводки т 25. Схема электрооборудования трактора т-25 цветная. Схема проводки трактора т30. Электрооборудование трактора т 16 схема электрооборудования.

Электросхема 16. Схема электрооборудования трактора т 16. Электросхема трактора т40. Электрическая схема трактора т-16м. Схема проводки т 25.

Электросхема 16. Схема электрооборудования ВАЗ 1119. Схема электрооборудования ВАЗ 2190 Люкс. Схема электрооборудования ВАЗ 1118. Электрическая схема на калине 2.

Электросхема 16. Схема электрооборудования ВАЗ 2170 Приора норма. Схема электропроводки ВАЗ 2170 Приора. Электрическая схема ВАЗ Приора 2170. Электрическая проводка ВАЗ 2170.

Электросхема 16. Электрические схемы Nissan Almera н16.

Электросхема 16. Схема электрооборудования ВАЗ 2170 Приора. Электропроводка Приора 2170. Схема электрооборудования ВАЗ 2170 Приора норма. Схема электрических соединений жгута проводов панели приборов ВАЗ 2170.

Электросхема 16. Станок мк6056 электросхема. Са564с100 станок токарный паспорт. Станок 1а64 электросхема. Электросхема токарного станка Саста са 562с150.

Электросхема 16. Atlanta ATH-334 электрическая схема электрическая. СРН 05м2 схема электрическая. СРН-05м1 схема. Psr16 электросхема.

Электросхема 16. Электропроводка трактора т 25. Схема проводки трактора т 25. Схема проводки трактора т 25 цветная. Схема Эл проводки трактора т 25.

Электросхема 16

Электросхема 16. 16к20 токарный станок шкаф управления. Монтажная схема станка 16к20. Электрошкаф токарного станка 16к20. Схема электрическая принципиальная токарный 16к20.

Электросхема 16. Схема системы управления двигателем ВАЗ 2170. Схема ЭБУ Приора. Схема ЭСУД ВАЗ-2170. Лада Калина 16 кл система управления двигателем.

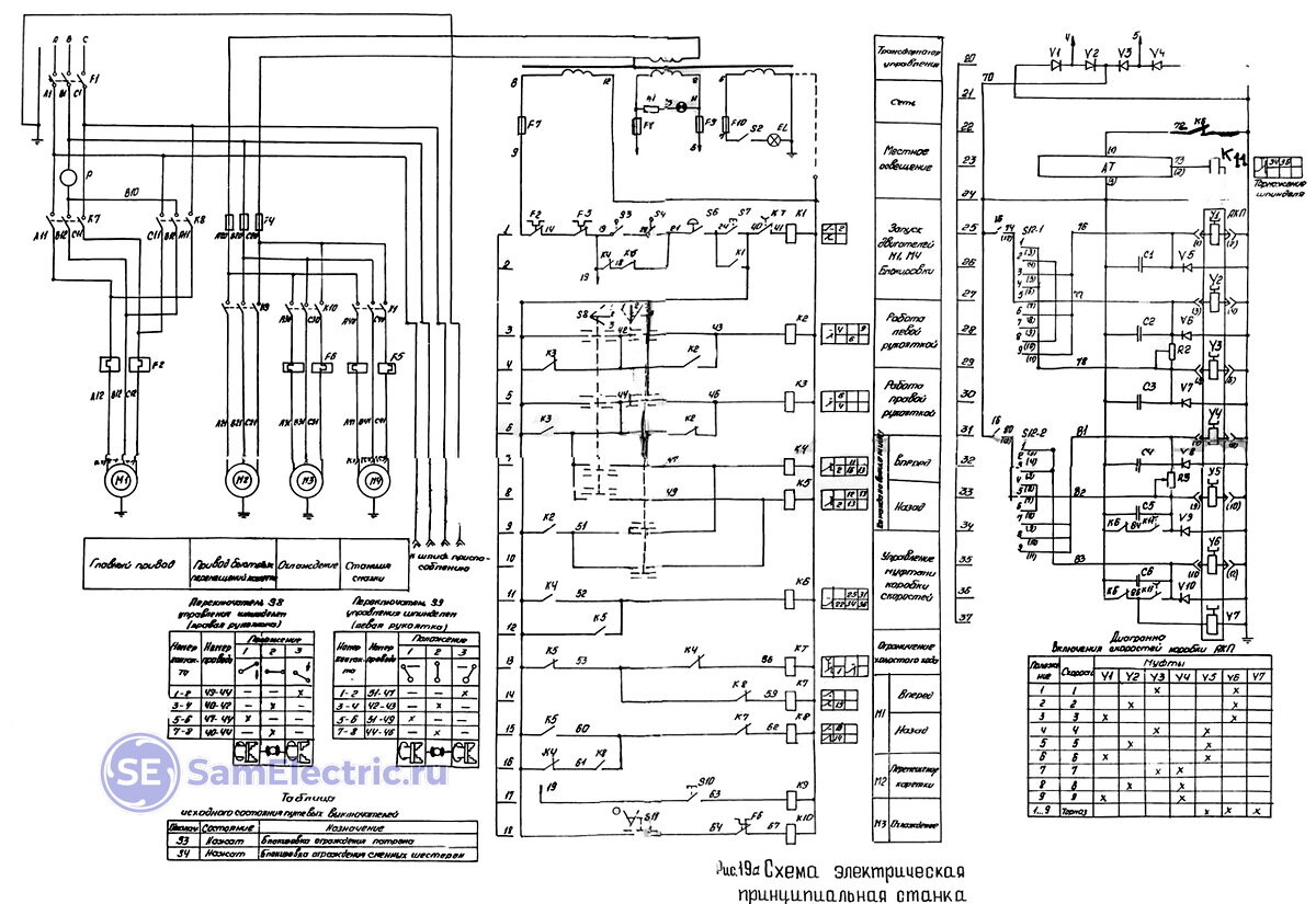
Электросхема 16. Принципиальная электрическая схема токарно-винторезного станка 16к20. Эл схема токарного станка 16к20. Принципиальная электрическая схема токарного станка 16к20. Станок 16к20 схема электрическая принципиальная.

Электросхема 16. Схема электрооборудования ВАЗ 2106 цветная. Схема электрооборудования ВАЗ 2106 карбюратор. Электрооборудование ВАЗ 2106. Схема электропитания ВАЗ 2106.

Электросхема 16. Схема электрооборудования ВАЗ 2170 Приора. Схема электропроводки ВАЗ 2170 Приора. Схема электрооборудования ВАЗ 2170 Приора норма. Схема электрооборудования ВАЗ Приора 2.

Электросхема 16. Схема электрооборудования трактора т-25. Схема Эл проводки т 25. Схема Эл проводки трактора т 25. Схема электропроводки трактора т 25 цветная.

Электросхема 16. Электросхема токарного станка 16е16кв. 16е16кп токарный станок схема электрическая принципиальная. 16б16кп принципиальная электрическая схема. Схема электрическая принципиальная токарного станка 16б20п.

Электросхема 16. Схема электрооборудования ВАЗ 2110 инжектор 8 клапанов. Схема электрооборудования 2110 инжектор. ВАЗ 2110 схема электрооборудования инжектор. Схема Эл проводки ВАЗ 2110 инжектор.

Электросхема 16. Электросхема двигателя а180. Электросхема двигателя t5g. Электросхема двигателя 8040.45. Электросхема двигателя d20dtr.

Электросхема 16. Электрическая схема станка 16к20. Электрическая схема токарного станка 16к20. Станок 16к20 схема электрическая принципиальная. Эл схема токарного станка 16к20.

Электросхема 16. Схема электрическая токарно винторезного станка УТ 16в. Ут16пм электрическая схема токарного станка. Электрическая схема токарного станка ке16кп. Электрическая схема станка ут16пм.

Электросхема 16. Электрическая схема станка 16д25. Станок 16к20 схема электрическая принципиальная. Станок токарный 16б05 Эл схема. Принципиальная электрическая схема токарно винторезного станка.

Электросхема 16. Схема электрооборудования ВАЗ 2111 инжектор 8. Электросхема ВАЗ 2111. Электрическая схема ВАЗ 2111 инжектор. Схема электрооборудования ВАЗ 2111 инжектор 8 клапанов.

Электросхема 16. Электрическая схема ВАЗ Приора 2170. Схема электрическая жгута 2170. Схема электрической соединений жгута системы зажигания 2170. Схема электропроводки Приора 16 клапанов двигатель.

Электросхема 16. Схема электрооборудования ВАЗ 2170 Приора. Электрическая схема ВАЗ Приора 2170. Схема электрооборудования Приора хэтчбек. Схема электрооборудования ВАЗ 2170 Приора норма.

Электросхема 16. Схема электрическая Шкода Фабия 2 1.2 стеклоподъемник. Схема АБС Skoda Fabia 2. Схема стеклоподъемников Шкода Фабия 2011 года. Электрическая схема стеклоподъемников Фабия 1.

Электросхема 16. Электросхему экскаватора Hyundai 210. Электросхема погрузчика Комацу fg15t-20. Электросхема экскаватора Комацу. Электросхема бульдозера Komatsu 375 а.

Электросхема 16. Электросхема токарного станка 16д25. Схема электрическая принципиальная токарного станка 16б20п. Токарный станок 16д25 электрическая схема. Схема электрическая принципиальная винторезного станка 16е16кв.

Электросхема 16. Принципиальная электрическая схема токарно-винторезного станка 16к20. Электрическая схема токарного станка 16к20. Станок 16к20 схема электрическая принципиальная. Электрическая схема станка 16б16т1.

Электросхема 16. Электрическая схема ВАЗ 2110 инжектор. Проводка ВАЗ 2110 инжектор 8. Схема электрооборудования ВАЗ 2110 инжектор 8 клапанов. Схема электрооборудования ВАЗ 2110.

Электросхема 16. Схема электрооборудования УАЗ Патриот инжектор 409 двигатель. Bosch edc16c39 УАЗ схема. Bosch edc16c39-6.h1 схема подключения. Электрическая схема УАЗ Патриот с двигателем Ивеко.

Электросхема 16. Блок управления двигателем ВАЗ-21067(евро 3) схема. Схема ЭБУ ВАЗ 2114 инжектор 8 клапанов. ЭСУД ВАЗ 2114. Схема ЭБУ И датчиков ВАЗ.

Электросхема 16. Lada Largus электросхема. Электрическая схема Лада Ларгус 2013 года. Схема Ларгус электрическая. Электрическая схема Лада Ларгус кросс 2016.

Электросхема 16. ФТ-11 токарный станок схема электрическая. Электрическая схема токарного станка ФТ-11м. Токарный станок 16б25псп электросхема. Станок токарный ФТ-11д электрическая принципиальная схема.

Электросхема 16. Мастер схема электрическая соединений Веста Люкс. Схема электрооборудования Веста Люкс. Схема электрооборудования Веста 1.6. Схема электрооборудования Веста св кросс.

Электросхема 16. Схема электрооборудования трактора т-25 цветная. Схема электрооборудования т 40 цветная. Схема проводки трактора т 25. Схема электрическая трактор т25.

Электросхема 16. Станок 16к20 схема электрическая принципиальная. Фрезерный станок с ЧПУ принципиальная электрическая схема. Станок 16а20ф3 схема электрооборудования. Электрическая схема станка 16к20ф3 ЧПУ.

Электросхема 16

Электросхема 16. Схема электрооборудования ВАЗ 2170 Приора. Схема электропроводки ВАЗ 2170 Приора. Схема электрооборудования ВАЗ 2170 Приора норма. Электрическая схема ВАЗ Приора 2170.

Электросхема 16. Система управления двигателем ВАЗ-2111. Схема электрооборудования ВАЗ 2110 инжектор 16 клапанов. Схема зажигания ВАЗ 2110 16 клапанов. Схема системы управления двигателем ВАЗ 2114.

Электросхема 16

Электросхема 16. TCD 2013 L блок управления. TCD 2012 электросхема EDC 16. Deutz edc16. Схема электрооборудования Дойц TCD 2013.

Электросхема 16. Схема проводки на ВАЗ 2112 16 клапанов инжектор. Схема электрооборудования ВАЗ 2112 8 клапанов. ВАЗ 2112 схема электрооборудования инжектор. Схема электрооборудования ВАЗ 2112 инжектор 16 клапанов.

Электросхема 16. Схема ЭБУ ВАЗ 2115. ВАЗ 2111 схема ЭБУ. ВАЗ 2114 январь 5.1 схема. Схема электрооборудования ЭБУ ВАЗ 2114.

Электросхема 16. Схема электропроводки ВАЗ 2110. Электрическая схема ВАЗ 2110 инжектор. Схема электрооборудования ВАЗ 2111 инжектор 8 клапанов. Схема Эл проводки ВАЗ 2110.

Электросхема 16. Электрическая схема станка 16б16т1. Токарно-винторезный станок 16к20 схема принципиальная. Токарный станок 1д95 электросхема. Принципиальная электрическая схема токарно винторезного станка 1к62.

Электросхема 16. Схема электрическая принципиальная ВАЗ 2106. Схема Эл проводки ВАЗ 2106 карбюратор. Схема электрооборудования ВАЗ 2106. Схема проводки ВАЗ 2106 карбюратор.

Электросхема 16. Электрооборудование МТЗ 80 малая кабина. Схема проводки трактора МТЗ 80 цветная. Электросхема трактора МТЗ 80. Схема проводки трактора МТЗ 80.

Электросхема 16. Электросхемы Исузу Трупер. Схема щитка приборов Исузу 75. Электрическая схема панель приборов Исузу. Электросхема щитка приборов Исузу НКР 75.

Электросхема 16. ДЭК-251 схема электрическая принципиальная. Кран РДК 250 схема электрическая принципиальная. Электрическая схема крана КДЭ 163. Электрическая схема железнодорожного крана КДЭ-163.

Электросхема 16. Лада Калина 16 кл система управления двигателем. Схема электрооборудования ВАЗ Калина 8 клапанов. Схема электрооборудования Лада Калина 1.4 16 клапанов. Схема электрооборудования ВАЗ Калина 1 универсал.

Электросхема 16. Принципиальная электрическая схема токарного станка 16к20. Принципиальная электрическая схема токарно-винторезного станка 16к20. Принципиальная электросхема токарного станка 16к20. Электросхема токарного станка 16к20.

Электросхема 16. Схема электрооборудования ВАЗ 2111 инжектор 16 клапанов. Схема проводки ВАЗ 2112 8 клапанов инжектор. Электрооборудование ВАЗ 2112. Схема электрооборудования ВАЗ 2111 инжектор 8 клапанов.

Электросхема 16. Схема системы управления двигателем ВАЗ-2111. Система управления двигателем ВАЗ 2110. Электрическая схема ВАЗ 2111 инжектор 8 клапанов. Система управления двигателем 2110 инжектор.

Электросхема 16. Электрическая схема ВАЗ 2106 карбюратор. Схема электрооборудования ВАЗ 2106. Схема электрооборудования ВАЗ 2106 карбюратор. Электрическая схема ващ2106.

Электросхема 16. Схема моторной проводки ВАЗ 2112. Схема электрооборудования ВАЗ 2112 инжектор 16 клапанов 1.5. Схема ЭБУ ВАЗ 2115. Эл проводка ВАЗ 2112.

Электросхема 16

Электросхема 16. Форд Фиеста 1.6 2007 года электросхемы. Электрическая схема Форд Фиеста 2007. Электрическая схема Форд Фиеста 2008. Электросхема Ford f750.

Электросхема 16. Электросхема Ситроен c5 II. #Электросхема освещения промтоварного фургона#. Citroen c5 схема ксенон. Автобус МАЗ 103 электросхема подсветки панели приборов.

Электросхема 16

Электросхема 16. Схема электрооборудования Форд Скорпио 1988 года. Электросхема Форд Скорпио 2 2.3. Форд Скорпио 2 1997 схема электрооборудования. Электросхема Форд Скорпио 1987.

Электросхема 16. Электрическая схема токарно-винторезного станка 1к62. Принципиальная схема токарного станка 1к62. Электрическая схема токарного станка 1к62. Принципиальная схема токарно винторезного станка 1к62.

  • Вперед Кератоконус причины
  • Назад Сайт санаторий подмосковье фнс россии официальный сайт

Новые страницы

Чертеж газ 24 волга

Что такое координатная плоскость

Что такое выветривание география

День памяти андрея первозванного

Династия схема

Гармошка из бумаги оригами для начинающих схема

Гдз по математике 5 класс виленкин 2 часть номер 549

Гойя ужасы войны картины

Характеристика с места работы на уборщицу образец

Химчистка одежды южно сахалинск дом быта

Художественный фильм 300 спартанцев

Jack 3 5 6 3

Как устранить запор кишечника у взрослого

Какой мяч для фитнеса

Малахит при нагревании

Математика 4 класс 2 часть гдз стр 65

Метро москвы схема новая крупным планом 2023

Мягкая мебель в железнодорожном

Ну что завтра на работу картинки приколы

Образец жалобы в роспотребнадзор о защите прав потребителей

Пеноплекс укладка

Поставить забор

Рассмотрение частного определения суда

Роберт гэлбрейт зов кукушки скачать

Русский язык 3 класс 2 часть все ответы

Сколько стоит бмв x6

Соборы ру карта

Сопротивление проводов

Спортивный костюм 50 52 размера

Взлелеянный какое спряжение

cdn.zecar.ru