Skip to content

Фотогалерея

  • Главная
  • Контакты

Электрические схемы радиостанций

Электрические схемы радиостанций. Радиостанция РБМ-1 схема. Радиостанция сейнер схема принципиальная. Радиостанция РБМ-5 схема. Р105д рация схема.

Электрические схемы радиостанций. Схема радиостанции 70ртп2чм. Радиостанция сейнер схема принципиальная. Радиостанция Днепр 70 РТП-2-ЧМ схема принципиальная. Радиостанция р-862 схема принципиальная.

Электрические схемы радиостанций

Электрические схемы радиостанций. Схема передатчика простой радиостанции. Схема ам передатчика на 27мгц для радиостанции. Схема приемника начинающего радиолюбителя. Схема простой рации.

Электрические схемы радиостанций. Выпрямитель стабилизированный стендовый ВСС-10 схема. Стабилизированный выпрямитель тока тес 12-3-НТ схема. Стабилизированный выпрямитель тока тес 13-5-НТ схема. Схема стабилизированный выпрямитель тока Tec 12 3 HT.

Электрические схемы радиостанций. Схема радиостанции 42ртм-а2-ЧМ. Схема радиостанции карат 2м. Радиостанция р-107м схема принципиальная электрическая. Радиостанция карат-м схема.

Электрические схемы радиостанций. Радиостанция Беркут 601 схема. Схема радиостанция м333. Радиостанция Таис РМ 41 схема. Схема радиостанции карат 2н.

Электрические схемы радиостанций. Р130 радиостанция параметры. Схема радиостанции 42ртм-а2-ЧМ. Р-130 радиостанция схема электрическая принципиальная. Р-107м радиостанция схема преобразователя.

Электрические схемы радиостанций. Схема радиостанции 42ртм-а2-ЧМ. Радиостанция р-159м схема. Схема радиостанции карат 2м. Радиостанция гранит 50 РТМ -а2-ЧМ схема.

Электрические схемы радиостанций. Рация схема электрическая принципиальная. Схема радиостанции 70ртп2чм. Схема радиостанции связь м333. Радиостанции си-би схема принципиальная электрическая.

Электрические схемы радиостанций. Р-107м радиостанция схема. Радиостанции схемы электрические принципиальные. Принципиальная схема радиостанции Баклан. Радиостанция р-107м схема принципиальная электрическая.

Электрические схемы радиостанций. Портативная радиостанция с ЧМ на диапазон 27 МГЦ. Схема ЧМ радиостанции на 27мгц. Схема приемника на 27мгц с двойным преобразованием частоты. Радиостанция 27 МГЦ ам fm схема.

Электрические схемы радиостанций

Электрические схемы радиостанций. Р-107м радиостанция схема. Р-107 радиостанция схемы. ГПД от р-107м схема. Микротелефонная трубка МТ-69 схема.

Электрические схемы радиостанций. Схема портативной радиостанции на 27мгц. Радиоконструктор rf013. Портативная радиостанция 27 МГЦ. Усилитель 27 МГЦ для радиостанции схема. Приемник радиостанции 27 МГЦ схема.

Электрические схемы радиостанций. Схема ам радиостанции 27мгц. Схема ам передатчика на 27мгц для радиостанции. Схема ам рации на 27мгц. Радиостанция 27 МГЦ ам fm схема.

Электрические схемы радиостанций. Радиоприемник на транзисторах п402. Принципиальная схема приемника 402. Альфатон РП-204 схема радиоприемник. Схема радиоприемника Нейва 402.

Электрические схемы радиостанций

Электрические схемы радиостанций. Схема радиостанции MEGAJET MJ-100. MEGAJET MJ 2701. Схема рации MJ-600. Схема рации MJ-300.

Электрические схемы радиостанций. Электрическая схема радиоприемника. Схема простейшего радиоприемника с питанием. Радиоприемник с низковольтным питанием схема. Принципиальная схема рефлексного приемника.

Электрические схемы радиостанций

Электрические схемы радиостанций. Структурная схема УКВ радиостанции малой мощности. Структурная схема передатчика радиостанции.. Радиостанция р-159м схема. Структурная схема радиостанции «гранит р-24».

Электрические схемы радиостанций. Простые рации на 27 МГЦ схемы. Усилитель 27 МГЦ схема. Схема простой радиостанции на 27мгц. Радиостанция на 28 МГЦ.

Электрические схемы радиостанций

Электрические схемы радиостанций

Электрические схемы радиостанций. Электросхема радиоприемника minerva415w. Электросхема радиоприемника рп313. Электрическая схема радиоприемника e9901. Электрическая схема приемника atlanta8811.

Электрические схемы радиостанций. Синхронный ам детектор схема. Синхронный ам приемник схема. Синхронный ам приёмник Полякова. Схема приемника св Полякова.

Электрические схемы радиостанций. Схема радиостанции РН 12б. Радиостанция гранит 50 РТМ -а2-ЧМ схема. Принципиальная схема радиостанции гранит 2р-23. Лён- радиостанция микрофонный усилитель схема.

Электрические схемы радиостанций. Н Марушкевич радиостанция на трех транзисторах. Радиостанция на 27 МГЦ на трех транзисторах. Схема рации на 3 транзисторах. Схема радиостанции на транзисторах.

Электрические схемы радиостанций. Жучок прослушка принципиальная схема. Радиожучок для прослушки схемы. Схема простого радиопередатчика для начинающих на транзисторах. Простые схемы для начинающих радиолюбителей.

Электрические схемы радиостанций. Радиостанция Паркс 008 схема. Радиостанция РСИУ-3м схема. Гроза 2 радиостанция схема. Радиостанция Колибри м1 1992 схема.

Электрические схемы радиостанций

Электрические схемы радиостанций. Простые рации на 27 МГЦ схемы. Схема уоки токи. Схема рации на 27 МГЦ. Принципиальная схема уоки токи.

Электрические схемы радиостанций

Электрические схемы радиостанций

Электрические схемы радиостанций. Радиостанция РСИУ-3м схема. Принципиальная схема радиостанции полоса 2. Радиостанция РБМ-1 схема. Радиостанция Север схема принципиальная.

Электрические схемы радиостанций. Радиостанция лен схема УНЧ. Схема усилителя мощности радиостанции лен в. Схема УНЧ радиостанции лён б. Схема микротелефонной трубки радиостанции лен.

Электрические схемы радиостанций. Схема автомобильной радиостанции на 27мгц. Электрическая схема передатчика радиостанции кв диапазона. 27 МГЦ радиостанция передатчик. Принципиальная схема передатчика.

Электрические схемы радиостанций. Схема усилителя мощности передатчика радиостанции р 104. Р-109м радиостанция схема. Схема радиостанции р 106м. Р105м рация схема.

Электрические схемы радиостанций

Электрические схемы радиостанций. Радиостанция РБМ-1 схема. Радиостанция РБМ-2 схема. РБМ радиостанция схема. Радиостанция РБМ-5 схема.

Электрические схемы радиостанций. Схема радиостанции р-861. Радиостанция р-140 м1 электрические схемы. РВ-1м радиостанция схема. Функциональная схема радиостанции РС-23м.

Электрические схемы радиостанций

Электрические схемы радиостанций. Принципиальная электрическая схема радиостанции vector VT-27. Радиостанция сейнер схема принципиальная. Схема радиостанции связь м333. Радиостанция Таис Вт 31 схема.

Электрические схемы радиостанций. Р105м рация схема. Схема радиостанции р 106м. Радиостанция р-860 схема. Радиостанция р-860-2 схема.

Электрические схемы радиостанций. Схема лампового приемника Балтика р3-1. Радиоприемник арз схема. Радиоприемник арз-49 схема. Принципиальная схема лампового приемника Балтика.

Электрические схемы радиостанций

Электрические схемы радиостанций. Радиостанция р-104м схема. Р-104 радиостанция схема. Схема усилителя мощности передатчика радиостанции р 104. Блок питания радиостанция р 104.

Электрические схемы радиостанций. Р-107м радиостанция схема. Р-107 радиостанция схемы. Радиостанция р-107м схема принципиальная электрическая. Радиостанция р 607 Меркурий схема.

Электрические схемы радиостанций. Принципиальная схема радиостанции Баклан. Баклан 20 радиостанция схема. Радиостанция Баклан-РН схема принципиальная. Усилитель у3м-01 схема.

Электрические схемы радиостанций

Электрические схемы радиостанций

Электрические схемы радиостанций. Р-107 радиостанция схемы. Р-107м радиостанция схема. Схема радиостанции р855. Р-107м радиостанция схема преобразователя.

Электрические схемы радиостанций. Схема УНЧ радиостанции лён б. Принципиальные схемы радиостанции лен. Схема радиостанции Таис рм43. Блок питания радиостанции лен схема.

Электрические схемы радиостанций. Схема радиостанции 42ртм-а2-ЧМ. Р-107м радиостанция схема. Радиостанция р-118 блок 3 схема. Р-107 радиостанция схемы.

Электрические схемы радиостанций. Ламповый приемник схема принципиальная. Радиостанция р-838кн схема. Схема лампового радиоприемника звезда 52. Схема лампового радиоприёмника Урал 57.

Электрические схемы радиостанций

Электрические схемы радиостанций

Электрические схемы радиостанций

Электрические схемы радиостанций

Электрические схемы радиостанций. Схема радиостанции РН 12б. Приемник прямого преобразования радиостанции 27 МГЦ схема. Схема си би передатчик. Самодельная радиостанция ЧМ на 27мгц с.

Электрические схемы радиостанций

Электрические схемы радиостанций

Электрические схемы радиостанций. Схемы раций на транзисторах. C5121 схема рация. Рация Оптим 270 схема платы. Рация схема электрическая принципиальная.

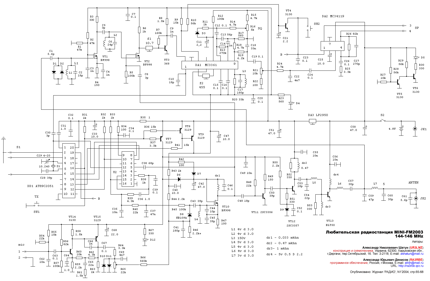
Электрические схемы радиостанций. Кварцованный передатчик 144 МГЦ. УКВ ЧМ радиостанция на 144 МГЦ. Передатчик ЧМ на 144мгц. Электрическая схема передатчика радиостанции кв диапазона.

Электрические схемы радиостанций. Схема ам передатчика на 27мгц для радиостанции. Св рации 27 МГЦ 05ватт на кт 603. Схема ам радиостанции 27мгц. Радиостанция 27 МГЦ ам fm схема.

Электрические схемы радиостанций. Р-107м радиостанция схема. Радиостанция р-107м схема принципиальная электрическая. Схема электрическая принципиальная радиостанции р-168-5ут. Р-107 радиостанция схемы.

Электрические схемы радиостанций. Радиостанция а-7-б схема. Радиостанция Нива-м схема принципиальная. Ламповые автомобильные радиостанции схема. Радиостанция рейд-1 схема.

Электрические схемы радиостанций. Схема радиостанции передатчик усилитель приемник. Принципиальная схема передатчика с частотной модуляцией. Схема радиостанции на транзисторах. Радиостанция 28 МГЦ транзисторах.

Электрические схемы радиостанций. Схема простого передатчика на транзисторах. Усилитель 27 МГЦ для радиостанции схема. Усилитель передатчика 27 МГЦ схема. 27 МГЦ радиостанция передатчик.

  • Вперед Как почистить меховые чехлы из овчины
  • Назад Сколько стоит утеплить пол

Новые страницы

Ц4317 схема электрическая принципиальная

Дает блок схем

Гдз по алгебре номер 1015

Гдз по английскому языку 8 класс ваулина страница 102

Гдз по математике 2 класс 2 часть учебник страница 84

Гдз по математике 4 класс 2 часть номер 19

Гдз по математике страница 94 номер 7

Иммуномодулятор трансфер фактор

Индивидуальный проект аллергия как фактор проявления иммунодефицита

Индуктивность катушки измеряется в

Какими величинами характеризуется колебательное движение

Константин коротков теплоход

На рисунке показана схема строения

Не греет печка на рено логан

Оао взрд монолит

Отделка фасада деревом

Ремонт компьютеров в брагино ярославль

Решебник по русскому языку 4 канакина горецкий

Сайт управление физической культуры и спорта

Шатер в москве

Схема развития аскариды

Сколько нормальный сахар в крови

Солим красную рыбу

Танк абрамс фото крупным планом

Техцентр кунцево фольксваген горбунова

Творцы возрождения

В любой команде есть такие люди картинка

Замок зажигания москвич 2140 схема подключения

Заявление приставу о снятии ареста со счета образец

Жестокость тезис

cdn.zecar.ru