Skip to content

Фотогалерея

  • Главная
  • Контакты

Электрические схемы ноутбуков

Электрические схемы ноутбуков. Схема материнской платы Тошиба Сателлит. Схема питания ноутбука Toshiba l850. Схема платы ноутбука Тошиба Сателлит l40-170. Схема материнской платы Тошиба l850.

Электрические схемы ноутбуков. Схема материнской платы THINKPAD x240. Принципиальная схема ноутбука леново. Схема аккумуляторной батареи леново. Схема подключения материнской платы леново.

Электрические схемы ноутбуков. Схема контроллера аккумулятора ноутбука ASUS. Схема АКБ ноутбука ASUS. Ноутбук ASUS x54h схема. Схема блока питания ноутбука ASUS 550.

Электрические схемы ноутбуков. Схема материнской платы Packard Bell. Электрическая функциональная схема материнской платы. Схема материнской платы daor53mb6eo. Структурная схема материнской платы ноутбука.

Электрические схемы ноутбуков. Схема материнской платы ноутбука Делл. Dell Материнские платы dell схемы. Схема мат платы HP 8200. Схема материнской платы 8200.

Электрические схемы ноутбуков. Ноутбук dell SRS Premium Sound схема материнской платы. Схема материнской платы Block diagram Socket. Материнская плата ноутбука схема. Wistron.

Электрические схемы ноутбуков

Электрические схемы ноутбуков. Toshiba Satellite l750-14h схема включения. Схема платы Тошиба а 205. Toshiba Satellite l750-14h схема включения кнопка. Toshiba Satellite l750-14h схема кнопка питания.

Электрические схемы ноутбуков. Схема материнской платы ноутбука Acer. Схема материнской платы Aspire 5520. Принципиальная электрическая схема ноутбука Acer. Acer 2519 схема платы.

Электрические схемы ноутбуков

Электрические схемы ноутбуков. Функциональная схема материнской платы ноутбука. Внутренняя схема ноутбука. Схема процессора ноутбука. Схематичная схема ноутбука.

Электрические схемы ноутбуков

Электрические схемы ноутбуков. Схема материнской платы ich7. Aspire 9510. Схема Acer Aspire z5771 материнская плата. Схема звуковой платы ноутбука.

Электрические схемы ноутбуков. Схема материнской платы THINKPAD x240. Схема мат платы ноутбука. Принципиальная схема материнской платы ноутбука Samsung. Lenovo z570 схема материнской платы.

Электрические схемы ноутбуков. Схема материнской платы Тошиба Сателлит. Схема материнской платы Packard Bell. Схема материнской платы ноутбука Packard Bell EASYNOTE. Схема ноутбука Toshiba Satellite l350.

Электрические схемы ноутбуков. Схема материнской платы ноутбука Lenovo g580. Lenovo g700 материнская плата схема. Схема материнской платы Lenovo p585. Схема материнской платы ноутбука леново g560.

Электрические схемы ноутбуков. Принципиальная схема ноутбука Тошиба Текра 8000. Функциональная схема ноутбука Тошиба. Схема ноутбука Huawei. Упрощенная схема ноутбука Тошиба.

Электрические схемы ноутбуков. Схема аккумуляторной батареи ноутбука асус. Схема контроллера аккумулятора ноутбука ASUS. Схема питания ноутбука ASUS k53s. Схема контроллера аккумулятора ноутбука Samsung.

Электрические схемы ноутбуков

Электрические схемы ноутбуков. Dell 630 схема. <<Схема ноутбука dell p24t>>. Схема запуска материнской платы. Ноутбук Делл блок схемы.

Электрические схемы ноутбуков. Pavilion g6 схема материнской платы. HP Pavilion g6 схема материнской платы. Схема материнской платы на HP Pavilion. Схемы материнских плат HP.

Электрические схемы ноутбуков

Электрические схемы ноутбуков. Схема питания материнской платы ноутбука HP Pavilion v6. Схема платы ноутбука HP dv7. Материнская плата HP Laptop схема. Схема мат платы HP Pavilion dv6.

Электрические схемы ноутбуков. Электрическая схема ноутбука ASUS. Функциональная схема ноутбука Асер. Электрическая схема ноутбука Асер. Электронная схема ноутбука ASUS.

Электрические схемы ноутбуков. Контроллер аккумуляторной батареи ноутбука схема. Схема контроллера аккумулятора ноутбука ASUS. Схема аккумуляторной батареи ноутбука ASUS.. Схема контроллера аккумулятора ноутбука Acer.

Электрические схемы ноутбуков. Lenovo b590 схема материнской платы. Схема платы нетбука леново. Lenovo IDEAPAD y450 Quanta kl1 Rev:a1a schematic. Схема материнской платы ноутбука Lenovo.

Электрические схемы ноутбуков. Блок питания LITEON pa-1900-24 схема. Блок питания LITEON pa-1650-02 схема. БП LITEON pa 1650-02 схема. Блок питания LITEON PS 5900 2h схема.

Электрические схемы ноутбуков

Электрические схемы ноутбуков. Схема питания материнской платы ноутбука HP Pavilion v6. Схема мат платы ноутбука. Схема материнской платы питания ноутбука HP Pavilion dv6. Схема питания материнской платы ноутбука HP.

Электрические схемы ноутбуков. Схема материнской платы ноутбука Делл. Схема материнской платы dell Latitude d505. Схема ноутбука dell Latitude 5510. Схема материнской платы ноутбука dell Latitude d530 - Quanta dm6-integrated dm5 - Rev 1a.

Электрические схемы ноутбуков. Схема материнской платы THINKPAD x240. Схема материнской платы Lenovo. Схема материнской платы ноутбука Lenovo. Схема платы нетбука леново.

Электрические схемы ноутбуков. Схема мат платы ноутбука ms17f4. Структурная схема материнской платы ноутбука. Схема материнской платы ноутбука k52n. Структурная схема материнской платы ASUS.

Электрические схемы ноутбуков. Структурная схема материнской платы ноутбука. Блок схема ноутбука ASUS. Структура материнской платы ноутбука ASUS. Структурная схема ноутбука ASUS.

Электрические схемы ноутбуков. Acer Aspire v5 571g схема материнской платы. Схема ноутбука Acer. Схема материнки Acer Aspire 5810t. Acer es1 731 схема PLL.

Электрические схемы ноутбуков. Блок питания ноутбука схема принципиальная. Блок питания для ноутбука HP 19v схема. Блок питания ASUS pa-1900-24 схема. Схема блока питания ноутбука леново.

Электрические схемы ноутбуков. Схема распайки материнской платы ноутбука. Acer Aspire схема материнской платы. Схема материнской платы ноутбука Acer. Схема платы ноутбука Acer 5349.

Электрические схемы ноутбуков

Электрические схемы ноутбуков. Toshiba l755 schematic. Ноутбук Toshiba l300 схема. Toshiba l750 schematic. L750 Toshiba схема.

Электрические схемы ноутбуков

Электрические схемы ноутбуков. Схема платы ноутбука ASUS x550c. Принципиальная схема материнской платы ASUS. Схема материнской платы ноутбук ASUS x540m. ASUS x502c схема материнской платы.

Электрические схемы ноутбуков. Схема ноутбука dell Inspiron. Схема контроллера аккумулятора ноутбука dell Inspiron 1545. Схема АКБ ноутбука dell Inspiron 1525. Схема для ноутбука dell Inspiron 6400.

Электрические схемы ноутбуков

Электрические схемы ноутбуков. Acer Aspire 3 схема. Схема мат платы Acer v5 472. Схема материнской платы ноутбука Acer. Принципиальная схема ноутбука Acer 5560g.

Электрические схемы ноутбуков. 6050a2219901-MB-a03 схема. HP Compaq 6530b схема. 6050a2252701-MB-a03 схема. Схемы материнских плат HP.

Электрические схемы ноутбуков. Acer Aspire схема материнской платы. Схема материнской платы Acer 3 Aspire-3. Схемы ноутбуков Acer. Схема материнской платы Acer Nitro 5.

Электрические схемы ноутбуков

Электрические схемы ноутбуков. Схема материнской платы Тошиба Сателлит. Материнская плата Тошиба Сателлит схема. Схема материнской платы Toshiba. Схема материнской платы Тошиба Сателлит l750.

Электрические схемы ноутбуков. Lenovo g710 схема материнской платы. Схема ноутбука леново. Принципиальная схема ноутбука леново. Схема ноутбука леново g700.

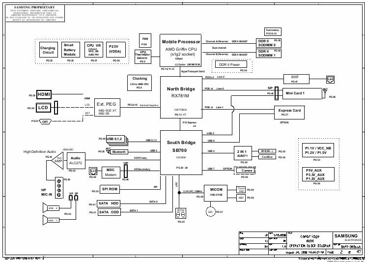
Электрические схемы ноутбуков. Схема материнской платы ноутбука Samsung RF 712. Схема платы ноутбука самсунг np305e5a. Samsung np900x3c материнская плата схема. Схема материнской платы самсунг np350e5c.

Электрические схемы ноутбуков. Схема контроллера аккумулятора ноутбука самсунг. Принципиальная электрическая схема ноутбука Acer. Контроллер аккумуляторной батареи ноутбука схема. Схема батареи ноутбука Acer Aspire.

Электрические схемы ноутбуков. Схема материнской платы нетбука. Схема материнской платы нетбука DNS 0155951. Схема материнской платы Toshiba. Схема материнской платы ноутбука 3515.

Электрические схемы ноутбуков. Схема ноутбука Acer 5552. Acer Aspire 5542 BIOS. Acer Aspire 5560 schematic diagram. HP диаграмма.

Электрические схемы ноутбуков

Электрические схемы ноутбуков. Как понимать схему ноутбука. IPAD Pro 3rd Generation USB Type-c schematic diagram.

Электрические схемы ноутбуков. Схема платы ноутбука асус x550vl. Схема материнской платы ноутбука асус. Схема распайки материнской платы ноутбука. Схема аккумуляторов ноутбука асус k53s.

Электрические схемы ноутбуков. Схема ноутбука Acer 5530. X75vb Rev 2.0 схема. Схема материнской платы ноутбука Асер 5536. Схема платы ASUS k54ly.

Электрические схемы ноутбуков. Схема материнской платы ноутбука Acer. Acer Aspire 3 схема. Ноутбук Acer Aspire 3 схема. Схема материнской платы Acer 3 Aspire-3.

Электрические схемы ноутбуков. Схема материнской платы Тошиба Сателлит. Схема ноутбука Toshiba Satellite. Материнская плата Toshiba схема. Схема материнской платы Тошиба l775a1w.

Электрические схемы ноутбуков. Схема ноутбука Toshiba. Toshiba Satellite l50 схема. 6050a2041301-MB-a05 Rev.2.31 схема. Toshiba Satellite lb-50 схема.

Электрические схемы ноутбуков. Схема материнской платы Тошиба Сателлит. Ноутбук Toshiba l300 схема. Схема платы Toshiba l655. Схема материнской платы ноутбука Toshiba Satellite p755.

Электрические схемы ноутбуков. Схема материнской платы Packard Bell. Схема ноутбука Packard Bell EASYNOTE. Схема материнской платы ноутбука Паккард Белл te11hc. Схема питания ноутбука Packard Bell.

Электрические схемы ноутбуков. Lenovo материнская плата схема. Схема Lenovo THINKPAD 15 0301. Cg520 NM-a804 Rev 1.0 схема. NM-a751 Rev 1.0 схема.

Электрические схемы ноутбуков. Ea50_hw материнская плата. Схема USB 3.0 на материнской плате ноутбука Acer Aspire zas. ASUS k53sv схема материнки. Микросхема PLL В Acer Aspire.

Электрические схемы ноутбуков

Электрические схемы ноутбуков. Схема материнской платы ноутбука HP Compaq nx9010. Схема материнской платы на HP Pavilion. Схема блок питания ноутбука HP Pavilion g7. Схема мат платы HP 8200.

Электрические схемы ноутбуков

Электрические схемы ноутбуков. Lenovo IDEAPAD s145 схема. Архитектурная схема ноутбука Lenovo IDEAPAD. Архитектурная схема ноутбука Lenovo IDEAPAD 520. Lenovo IDEAPAD схема питания.

Электрические схемы ноутбуков. Леново 570 ноутбук схема. Схема ноутбука Lenovo g570. Схема ноутбука Lenovo g505. Lenovo THINKPAD l540 схема.

Электрические схемы ноутбуков. Схема питания ноутбука ASUS k53s. Принципиальная электрическая схема ноутбука Acer. Электрическая схема ноутбука ASUS k540u. Схема включения ноутбука ASUS.

Электрические схемы ноутбуков. Схема материнской платы леново g580. Схема материнской платы ноутбука Lenovo g580. Схема материнской платы леново a536. Схема материнской платы ноутбука леново идеапад 330.

Электрические схемы ноутбуков. Схема контроллера аккумулятора ноутбука самсунг. Схема АКБ ноутбука ASUS. Схема аккумуляторной батареи ноутбука асус. Контроллер аккумуляторной батареи ноутбука схема.

Электрические схемы ноутбуков. Схема материнской платы Lenovo. Схема платы Lenovo y540. Lenovo IDEAPAD s145-15ast схема. Gs44b gs54b NM-c561 схема.

Электрические схемы ноутбуков. Схема платы ноутбука DNS. Ноутбук DNS m100p схема. Схема материнской платы DNS w271elq. Схема ноутбука DNS a15he.

Электрические схемы ноутбуков. Gateway mt6711 ноутбук схема материнской платы. Схема ноутбука Fujitsu e736. Схема процессора ноутбука. Структурная электрическая схема ноутбука.

Электрические схемы ноутбуков

Электрические схемы ноутбуков. X540ubr main Board Rev 2.0 схема. Pwi2004sl c Rev.1.0 схема. Схема x551ma main Board Rev 2.0. X551ma rev2 схема.

Электрические схемы ноутбуков. Схема платы ноутбука DNS. Материнская плата a15hc схема. DNS a15hc материнская плата схема. Pegatron b74y Rev 2.0.

Электрические схемы ноутбуков. Схема ноутбука dell Inspiron. Compal la-c781p схема. La c781p схема материнской платы. Dell Inspiron 1300 схема.

Электрические схемы ноутбуков

Электрические схемы ноутбуков. Входная цепь питания ноутбука схема. Схема входных цепей ноутбука HP. Блок питания HP Pavilion g6 схема. Цепь питания ноутбука леново.

Электрические схемы ноутбуков. Apple IMAC 27" a1312 schematic + Boardview - схема расположение элементов. IMAC a1418 2017 схема питания. Петли в ноутбуке схема. Apple налоговая схема.

Электрические схемы ноутбуков. Схема материнской платы a15hc. MACBOOK Air m1 схема. Схема блока питания MACBOOK Pro. Электрическая схема аккумуляторной батареи ноутбука ASUS.

Электрические схемы ноутбуков. Схема материнской платы леново g570. Схема блока питания ноутбука леново. Принципиальная схема материнской платы ноутбука леново g570. Схема платы ноутбука Lenovo b570e.

  • Вперед Подработка в москве наборщик текста
  • Назад Вязать кукол схемы описание

Новые страницы

Алекс фитнес кудрово занятия

Алгебра 7 класс мерзляк 1120

Бабушкин разряд прилагательного

Балансировка колес в архангельске

Что наблюдали в неживой природе 2 класс окружающий

Единый центр экономии ресурсов поверка счетчиков

Енот смешные картинки

Гдз по математике 2 класса дорофеев 2 часть

Гдз по математике ершов

Golden sport

Ground wire перевести на русский

Как правильно кормить кота

Как выставить метки грм нива шевроле инжектор

Какие виды рекламы есть в интернете

Кулон 405 схема

Кузнечики стрекочут в траве

Образец заполнения информированное добровольное согласие на медицинское вмешательство

Образец заявления на семейное обучение в школе

Работа инженер электрик в спб

Ремонт дверной ручки входной двери в квартире

Рисунок для бабушки на день рождения от внука 10 лет

Схема московского метро как проехать

Сочинение рассуждение человечность

Спринтер распиновка магнитолы

Стриженные волосы почему две нн

Тренировочный экзамен по русскому

Вариант 4 алгебра 7 класс

Вышел схема

Замена задних тормозных колодок тигуан электронный

Звукоинженер обучение

cdn.zecar.ru