Skip to content

Фотогалерея

  • Главная
  • Контакты

Электрическая схема usb

Электрическая схема usb. USB to LPT переходник atmega8. USB-LPT переходник схема. USB LPT адаптер схема. USB to LPT переходник своими руками.

Электрическая схема usb. Схема адаптер USB A - Ethernet. Схема Ethernet адаптера. Схема сетевой карты Realtek. USB В lan адаптер схема.

Электрическая схема usb. Ez-USB fx2lp cy7c68013a схема. Cy7c68013a осциллограф. Cy7c68013a логический анализатор схема. Схема USBEE AX.

Электрическая схема usb. Адаптер USB rs232 схема. USB.com адаптер схема. USB to rs232 схема. Переходник USB com rs232 распиновка.

Электрическая схема usb

Электрическая схема usb. USB зарядное устройство схема. Схема УСБ зарядки. Зарядное устройство для телефона схема USB. Схема USB зарядки для телефона iphone.

Электрическая схема usb. USB концентратор схема. Юсб хаб схема. Fe 1.1 USB 2.0 Hub схема. Хаб USB 3.0 схема.

Электрическая схема usb. Схема переходника RS 232. Ch340g + max232. Rs232 USB переходник схема. USB rs232 ch340 схема.

Электрическая схема usb. Fe 1.1 USB 2.0 Hub схема. Fe1.1s USB 2.0 Hub Datasheet. USB разветвитель 3.0 схема. USB 3.0 Hub схема.

Электрическая схема usb. Электрическая схема флешки USB. USB на схеме электрической принципиальной. Схема распайки USB флешки. Схема USB флешки Transcend.

Электрическая схема usb. Wtg049v4.PCB схема. Принципиальная схема USB колонок. Схема блютуз флешки. Аудио модуль (mp3-плеер) gpd2846a.

Электрическая схема usb

Электрическая схема usb. Схема подключения USB разъема микроконтроллеру. USB 1.1 схема порта. Схема подключения USB VCC. Тестер USB портов схема.

Электрическая схема usb. Fe 1.1 USB 2.0 Hub схема. USB 2.0 Hub схема. Схема USB2.0 хаба. USB 3.0 Hub схема.

Электрическая схема usb. Схемы на микроконтроллер attiny2313. Микроконтроллер AVR tiny 2313. Программатор для прошивки микросхем 2313. SD Card Arduino схема.

Электрическая схема usb

Электрическая схема usb. Концентратор USB С внешним питанием схема. Kn309-1 USB схема. Схема питания USB порта. Схема USB блока питания.

Электрическая схема usb

Электрическая схема usb. Схема драйвера шагового двигателя tb6600hg. Драйвер 6600 для шагового двигателя. Драйвер шагового двигателя tb6600 схема. Tb6600 распиновка.

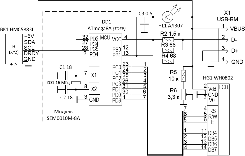
Электрическая схема usb. Схемы на микроконтроллерах atmega8. Atmega8 принципиальная схема. Принципиальная схема микроконтроллера atmega16. USB термометр на atmega8.

Электрическая схема usb. Stm32 USB схема. USB киллер схема. A600f схема USB. Omicom Skystar 4 USB схема.

Электрическая схема usb

Электрическая схема usb

Электрическая схема usb

Электрическая схема usb. Программатор plcc32. Программатор для прошивки 49lf004b. Программатор для прошивки биоса plcc32. Plcc32 схема программатор.

Электрическая схема usb. Mp707 USB- термометр / термостат. Цифровой USB-термометр mp707. Цифровой термометр термостат схема электрическая. Bm1707 термометр цифровой USB модуль.

Электрическая схема usb. Схема WIFI модуля USB. Принципиальная схема Wi-Fi модуля. Схема подключения Wi-Fi Module TWFM-b006d. Распиновка вай фай модуля.

Электрическая схема usb

Электрическая схема usb

Электрическая схема usb. Attiny85 USB схема. Схема подключения юсб флешки. Принципиальная схема USB флешки. Электрическая схема USB флешек схема.

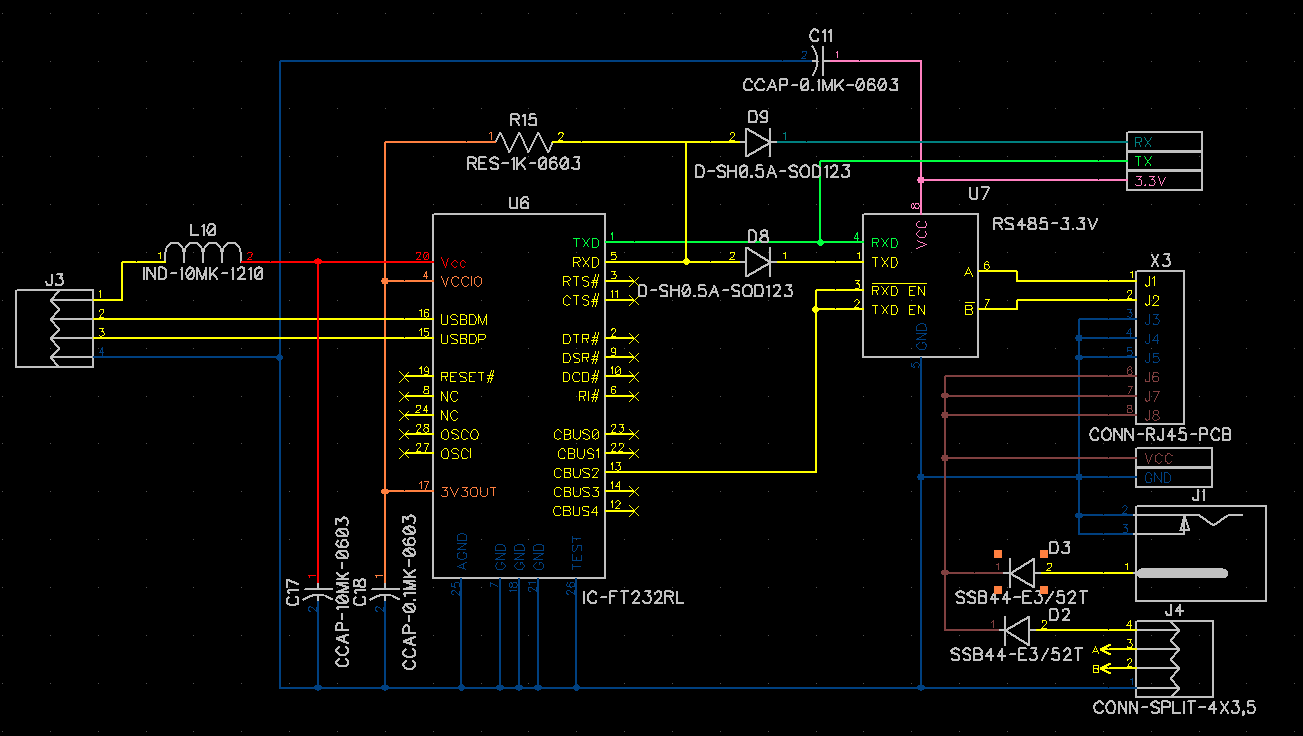
Электрическая схема usb. USB rs232 FTDI схема. USB rs232 схема подключения. Преобразователь USB rs232 схема. USB rs232 переходник ft232rl схема max213.

Электрическая схема usb

Электрическая схема usb. Схема разъема юсб порта ПК. Схема подключения проводов микро USB. Схема подключение USB 2 проводов. Разъем питания микро USB схема.

Электрическая схема usb. Переходник PLAYSTATION 2 на USB схема. Схема адаптер джойстика ps2. Схема переходника геймпада ps2 на USB. Геймпад ps2 схема.

Электрическая схема usb

Электрическая схема usb

Электрическая схема usb

Электрическая схема usb

Электрическая схема usb. Устройство флешки USB схема. Принципиальная схема USB флешки. Электрическая схема USB флешек схема. Схема питания флешки USB.

Электрическая схема usb

Электрическая схема usb. ЦАП на pcm2706 схема. Pcm2706 USB схема. Звуковая карта USB плата. Юсб звуковая карта схема.

Электрическая схема usb

Электрическая схема usb

Электрическая схема usb. Схема JTAG 74hc244d Интерфейс. JTAG программатор на 74hc244n. USB переходник JTAG схема. Схема LPT программатора JTAG.

Электрическая схема usb

Электрическая схема usb

Электрическая схема usb. Программатор на микросхеме cp2103. USB–UART адаптер (bm8051). Преобразователь USB UART схема cp2102. Cp2104 USB to UART Bridge Controller схема подключения.

Электрическая схема usb

Электрическая схема usb. Принципиальная схема юсб. Принципиальная схема USB флешки. Схема юсб флешки. Схема флешки USB 2.0.

Электрическая схема usb. Bm8020 USB осциллограф. Осциллограф bm8020 схема. Схема цифрового осциллографа 100мгц. USB осциллограф 8020.

Электрическая схема usb. Интерфейс RS-232 UART. Интерфейс USB/UART. UART протокол 232. UART USB Уго.

Электрическая схема usb. Плата HDD Seagate схема. Принципиальная схема HDD диска SATA. Электрическая схема подключения жесткого диска. Жестких дисков Toshiba схема принципиальная.

Электрическая схема usb. Mon08 программатор. Программатор mon08 USB. Mon08 программатор схема. Программатор Мон 08 схема.

Электрическая схема usb. Atmega8 программатор схема. Схема USB программатора AVR. Схема программатор AVR-isp500. Bm9010 программатор.

Электрическая схема usb. Cm108 звуковая карта схема. Схема внешней звуковой карты USB. Схема китайской звуковой карты USB. USB звуковая карта на pcm5102.

Электрическая схема usb. Юсб хаб схема. USB концентратор схема. Юсб хаб с внешним питанием своими руками. Пассивный USB хаб схема.

Электрическая схема usb. Переходник USB rj45 схема. Переходник USB rj45 своими руками схема. Переходник USB rj45 схема распайки. Адаптер USB 2.0 to Ethernet lan rj45 схема.

Электрическая схема usb

Электрическая схема usb. Разъём мини USB распиновка для питания видеорегистратора. Распиновка USB разъема регистратора. Распиновка мини USB разъема для видеорегистратора. Mini USB распиновка видеорегистратор.

Электрическая схема usb

Электрическая схема usb

Электрическая схема usb. Схема разветвителя USB схема разветвителя USB. Hs8836a схема подключения. Fe 1.1 USB 2.0 Hub схема. Микросхемы USB Hub - gl850g.

Электрическая схема usb

Электрическая схема usb. RS-232 юсб схема. Адаптер USB rs232 схема. Rs232 USB переходник схема. USB to rs232 схема.

Электрическая схема usb. Разъём Micro USB распиновка. Распайка Micro USB разъема. Разъём микро USB распиновка зарядки. Распайка Micro USB для зарядки.

Электрическая схема usb. Схема elm327 USB. Схема elm327 Bluetooth Mini. Схема elm327 obd2. Елм 327 схема адаптера.

Электрическая схема usb

Электрическая схема usb

Электрическая схема usb

Электрическая схема usb. Юсб схема питания. Схема разъема юсб порта ПК. Электрическая схема USB разъема. Схема разъема для подключения электропитания.

Электрическая схема usb. Micro USB схема распайки. ОТГ мини юсб распиновка. Схема питания микро USB кабеля. Электрическая схема USB разъема.

Электрическая схема usb. Схема зарядки геймпада ps3. Схема платы геймпада ps4. Геймпад ps2 USB схема. Схема платы джойстика Xbox 360.

Электрическая схема usb. Распиновка USB 4 Pin. USB A male USB A male распиновка. USB 3.0 распиновка. Распиновка Micro USB 3.0 am.

Электрическая схема usb. Схема подключения юсб портов. Схема разъема юсб порта ПК. Схема соединения устройств USB кабелем. Схема подключения USB К материнской плате.

Электрическая схема usb. Шина USB схема. Коммутатор питания микросхема. Характеристики шины USB. Микросхема коммутации питания USB порта.

Электрическая схема usb

Электрическая схема usb. 74ls05 программатор для АКБ ноутбука. Программатор на ch340g схема. Программатор stm32 панель. Программатор i2c USB схема.

Электрическая схема usb. Raspberry Pi Camera v2 схема. Raspberry Pi 3 электрическая схема USB. Принципиальная электрическая схема юсб. Raspberry Pi Camera схема.

Электрическая схема usb. Rs485 USB переходник схема. Pitust_USB_rs485 20161012.PCB. RS 485 USB обозначение контактов.

Электрическая схема usb. Avr910 USB программатор переделка. Avr910 USB программатор PROTTOSS. Схема подключения микроконтроллеров AVR. USB ISP программатор схема.

  • Вперед Видео как прыгать в резиночку схема
  • Назад Разъем модуля бензонасоса ваз

Новые страницы

Баунти реклама картинки

Благородные и подлые

Динозаврики и дракончики схемы описание

Долгосрочный договор аренды нежилого помещения образец

Фаберлик кз

Гдз по математике 5 класс упражнение 869

Глюкоза и глицерин

Гостиная орландо

Хомут 150 мм

Hyundai solaris замена масла в акпп

Картина золотые горы

Картинка леона из игры brawl stars

Клинок рассекающий демонов пнг картинки

Крутые картинки с доберманом

Математика фипи егэ ширяева тренировочный вариант база

Mvh s110ubw распиновка проводов

Образец докладной на имя директора школы на ученика

Osram opto semiconductors

Остановка площадь калинина новосибирск

Парк инн рэдиссон пулковская

План выпуска монет россии на 2023 год из недрагоценных металлов юбилейных монет

Стяжки черные 100 мм

Теннисный корт проект

Термометр сопротивления ктс б

Тренеры по спортивной акробатике

Установка бассейна из полипропилена

Вентиляция на крышу из ондулина

Задачи по сопротивлению схемы

Завод точной электромеханики

Заявление в суд об отсрочке исполнения решения суда образец

cdn.zecar.ru