Skip to content

Фотогалерея

  • Главная
  • Контакты

Электрическая схема микроволновки самсунг

Микроволновая печь «Samsung RE727TC»

Микроволновая печь «Samsung RE727TC»

Микроволновые печи «Samsung M6136», «Samsung M6138»

Микроволновые печи «Samsung M6148»

Микроволновая печь «Samsung RE1280»

Микроволновые печи «Samsung М6245»

Микроволновая печь «Samsung МX245»

Схема микроволновки samsung

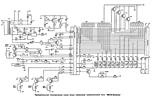
Микроволновая печь «Samsung М8145»

Микроволновая печь «Samsung RE1280»

Электрическая схема микроволновки samsung: схема электрическая ...

Микроволновая печь «Samsung RE1200»

Электрические и принципиальные схемы микроволновки - Холод

Микроволновая печь «Samsung МX146»

Замена электроники на механику в микроволновке Samsung. - Схемы&Ремонт ...

Схема микроволновки от samsung и принцип работы: общая схема устройства ...

Микроволновая печь «Samsung М8145»

Микроволновая Печь Самсунг Тдс Инструкция - signatureallege

Микроволновка Самсунг Инструкция - standartdry

Микроволновка Самсунг Инструкция - standartdry

МИКРОВОЛНОВАЯ ПЕЧЬ М7145 SAMSUNG - Ремонт СВЧ печей

Электрическая схема микроволновки samsung: схема электрическая ...

Радиосхемы. - Микроволновая печь Samsung M1712NR

Электрическая схема микроволновки samsung: схема электрическая ...

Электрическая схема микроволновки samsung: схема электрическая ...

Электрическая схема микроволновки samsung: схема электрическая ...

Схема микроволновой печи samsung: Радиосхемы. – Схемы микроволновок ...

Схема микросхемы на самсунг

Samsung VN32UO схема | Все для ремонта электроники

Электрическая схема микроволновки samsung: схема электрическая ...

Электрическая схема микроволновки samsung: схема электрическая ...

Схемы свч печей самсунг. Микроволновая печь Samsung: ремонт своими ...

Схемы свч печей самсунг. Микроволновая печь Samsung: ремонт своими ...

Ремонт микроволновых печей - Электросхемы

Электрическая схема микроволновки samsung: схема электрическая ...

  • Вперед Экспортный таможенный контроль
  • Назад Брэд питт торс бойцовский клуб

Новые страницы

Акт приема передачи квадроцикла образец

Автосервис бмв марьино

Дискинезия желчного пузыря лечение препараты

Электрическая схема микроволновки самсунг

Гдз по русскому языку 3 класс желтовский учебник

Кафе надежда на челябинской в астрахани

Как играть собачий вальс на пианино по клавишам для начинающих в картинках

Как нарисовать печатные объемные буквы

Как подтянуть ручник на фольксваген поло

Карта осадков екатеринбург сейчас в реальном времени

Кухни из германии цены

Микроволновая печь lg схема электрическая

Музей легенды ссср в каменске шахтинском

Найти объем правильной шестиугольной пирамиды

Обзор зу для автомобильного аккумулятора

Отвод из оцинкованной стали

Плавное включение ламп схема

Портьеры из турции

Программа тренировок колемана

Проточить тормозные барабаны в москве

Распиновка датчика тяги одноразки

Сабр хакида хикматли сузлар картинка

Самбо олимпийский вид спорта или нет

Шиномонтаж коньково беляево на карте

Спортивная аэробика 12 14

Спортсмены рисунок в графике

Узоры шаль схемы

В лаваше колпино доставка

Веранда в японском доме

Замена наружнего пыльника шрус

cdn.zecar.ru