Skip to content

Фотогалерея

  • Главная
  • Контакты

Электрическая схема газель 3302

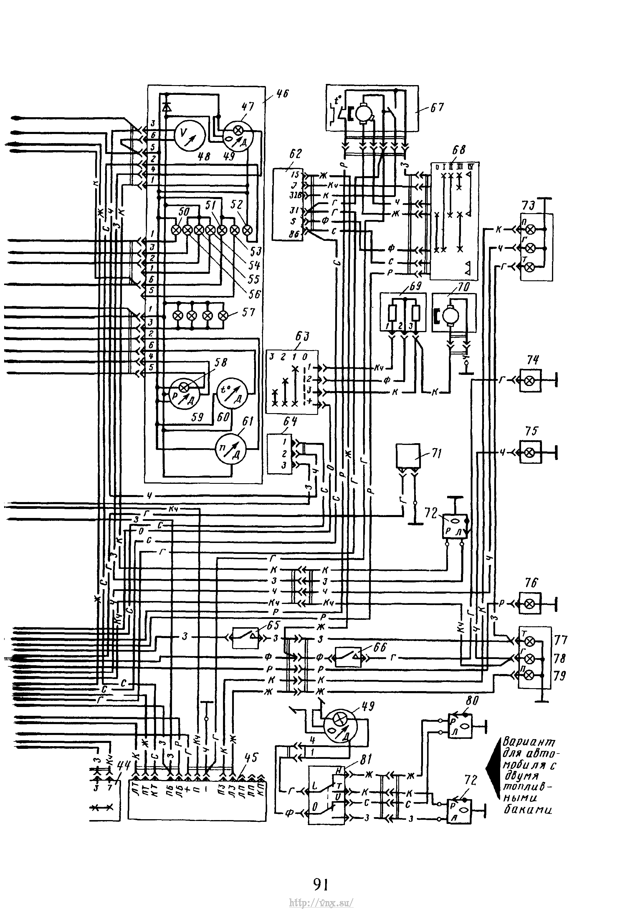
Электрическая схема газель 3302. Схема электрооборудования ГАЗ 3302 С двигателем 405. Схема проводки на Газель 405 двигатель. Схема проводки задних фонарей Газель 3302. Схема проводки габаритов Газель 3302.

Электрическая схема газель 3302

Электрическая схема газель 3302

Электрическая схема газель 3302

Электрическая схема газель 3302. Электрооборудование Газель 405 евро 2. Электрическая схема ГАЗ 2705. Схема электрооборудования Газель 405 инжектор. Схема электрооборудования ГАЗ 33023.

Электрическая схема газель 3302. Схема электрооборудования ГАЗ 3302. Электрическая схема ГАЗ 3302. Схема электрооборудования Газель 3302 405 евро. Газель 3302 схема электрооборудования 402.

Электрическая схема газель 3302. Схема электрооборудования Газель 405 евро 3. Схема электрооборудования Газель 4216 евро 3. Схема электрооборудования Газель 405 инжектор. Схема управления двигателем ЗМЗ 405 евро 3.

Электрическая схема газель 3302. Электрическая схема ГАЗ 3110 ЗМЗ 402. Схема электрооборудования ЗМЗ 406 инжектор. Схема электропроводки ГАЗ 3110 Волга ЗМЗ 406. ЗМЗ 406 схема электрооборудования.

Электрическая схема газель 3302. Блок управления Микас 7.1 цоколевка. Схема ЗМЗ 4062.10. ЗМЗ-4062.10 схема управления двигателем. Схема управления двигателем Микас 7.1 инжектор.

Электрическая схема газель 3302

Электрическая схема газель 3302

Электрическая схема газель 3302. Схема электрооборудования Газель 3302 406 карбюратор. Схема электрооборудования ГАЗ 3302 ЗМЗ 406 карбюратор. Схема электрооборудования ГАЗ 3302 двигатель ЗМЗ 402. Схема электрооборудования Газель ЗМЗ 402.

Электрическая схема газель 3302. Схема электрооборудования Волга 3110 с двигателем 406. Схема электрооборудования ГАЗ 3110 С 402 двигателем. Электропроводка ГАЗ 3110 402. Электропроводка ГАЗ 3307.

Электрическая схема газель 3302

Электрическая схема газель 3302. Реле под приборной панелью ГАЗ 3302. Жгут проводов ГАЗ 2217 на раме. ГАЗ 2752 панель приборов провода. Расположение реле поворотников Газель 2705.

Электрическая схема газель 3302. Схема электрооборудования Волга 3110 402 двигатель. Схема электрооборудования Волга 3110 с двигателем 406. Схема электрооборудования ГАЗ 3110 С 402 двигателем. Электрическая схема ГАЗ 3110 ЗМЗ 402.

Электрическая схема газель 3302. Схема электропроводки Волга 3110 с 402 двигателем. Схема электрооборудования ГАЗ 3102 С двигателем 402. Схема электропроводки ГАЗ 3110. Схема электрооборудования ГАЗ 3102.

Электрическая схема газель 3302

Электрическая схема газель 3302. Схема электрооборудования Волга 31105 Крайслер. Волга 31105 схема электрооборудования. Схема электропроводки Волга 31105 Крайслер. ГАЗ 31105 Крайслер схема электрооборудования.

Электрическая схема газель 3302

Электрическая схема газель 3302. Газель 402 двигатель схема электрооборудования. Схема электрооборудования ГАЗ 3302 двигатель ЗМЗ 402. Схема электрооборудования Газель 3302 двигатель 402. ГАЗ 2705 схема электрооборудования.

Электрическая схема газель 3302

Электрическая схема газель 3302. Электросхема Газель 402 двигатель карбюратор. Газель 402 двигатель схема электрооборудования. Электрооборудование Газель 405 евро 2. Схема ГАЗ 3302 С двигателем 406.

Электрическая схема газель 3302

Электрическая схема газель 3302. Электрическая схема ГАЗ 2752 Соболь. Схема электрооборудования ГАЗ 3302 406 инжектор. Схема электропроводки ГАЗ 2217 Соболь. Электрическая схема ГАЗ 2752 Соболь инжектор.

Электрическая схема газель 3302. Схема проводки Газель 406 двигатель. Электросхема Газель 406 двигатель. Схема электрооборудования ГАЗ 3302 ЗМЗ 406 карбюратор. Схема электрооборудования Газель 406 карбюратор.

Электрическая схема газель 3302

Электрическая схема газель 3302. Схема электрооборудования ЗМЗ 405 евро 2. Схема управления ЗМЗ 406 Микас 7.1. Схема проводки Газель 405 евро 2 Микас 7.1. Газель ЗМЗ 405 евро 2 схема электрооборудования.

Электрическая схема газель 3302

Электрическая схема газель 3302. Газель 406 схема электрооборудования. ГАЗ 31105 схема электрооборудования ЗМЗ 406. Электросхема ГАЗ 31029. Схема электропроводки Газель 406.

Электрическая схема газель 3302. Схема электрооборудования ГАЗ 3302 двигатель ЗМЗ 402. Схема электрооборудования Газель ЗМЗ 402. Схема электрооборудования Газель 3302 двигатель 402 в хорошем качестве. Схема электрооборудования автомобиля с двигателем ЗМЗ 405.

Электрическая схема газель 3302

Электрическая схема газель 3302. Схема проводки Газель 405 евро 2. Схема электрооборудования ЗМЗ 405 евро 2. Схема моторной проводки ЗМЗ 405 инжектор. Схема электрооборудования Газель 405 инжектор евро 2.

Электрическая схема газель 3302. Схема электрооборудования ГАЗ 33023. Схема электрооборудования ГАЗ 3302 двигатель ЗМЗ 402. Схема электрооборудования ГАЗ 3302. ГАЗ 3302 схема электрооборудования 406.

Электрическая схема газель 3302

Электрическая схема газель 3302. Схема электропроводки ГАЗ 2705 инжектор. Электрооборудование Газель 405 евро 2. Схема электрооборудования ГАЗ 33023 дв 402. Схема электрооборудования ГАЗ 3302 двигатель ЗМЗ 402.

Электрическая схема газель 3302

Электрическая схема газель 3302. Схема электрооборудования Соболь 2217. Газель бизнес схема электропроводки задних фонарей. Схема электрооборудования ГАЗ 2217 Соболь. Схема проводки задних фонарей Газель.

Электрическая схема газель 3302. Электрическая схема Газель 405 инжектор евро 3. Схема блока управления 406 двигателя. Схема управления двигателем ЗМЗ 406 инжектор. Схема управления двигателем ЗМЗ 406 инжектор Микас 7.1.

Электрическая схема газель 3302. Схема электрооборудования 405 двигателя. Электрооборудование Газель 405 евро 2. Схема проводки Газель 405 евро 2. Схема моторной проводки ЗМЗ 405 инжектор.

Электрическая схема газель 3302. Эл схема ГАЗ 3302. Электрическая схема ГАЗ 2705. Электрооборудование Газель 405 евро 2. Схема электрооборудования ГАЗ 3221.

Электрическая схема газель 3302. Электрооборудование Газель 405 евро 2. Соболь 2752 схема электрооборудования. Схема электрооборудования ГАЗ 2217 С двигателем 40522. Схема электрооборудования Соболь ЗМЗ 406.

Электрическая схема газель 3302

Электрическая схема газель 3302. Схема электропроводки ГАЗ 406 двигатель инжектор. Блок предохранителей Газель 2705. Схема электрооборудования Газель 3302 двигатель 402. Схема электрооборудования ГАЗ 3310.

Электрическая схема газель 3302

Электрическая схема газель 3302. Схема электрооборудования ГАЗ 33023. Схема электрооборудования ГАЗ 3302. Схема электрооборудования ГАЗ 3302 двигатель ЗМЗ 402.

Электрическая схема газель 3302. Схема электрооборудования Соболь ЗМЗ 406. Схема электрооборудования ЗМЗ 405 евро 2. Электрооборудование Газель 405 евро 2. Схема электропроводки двигателя ЗМЗ 406.

Электрическая схема газель 3302

Электрическая схема газель 3302. Схема электрооборудования ГАЗ 3302 двигатель ЗМЗ 402. Схема электрооборудования ГАЗ-2705 ЗМЗ-402. Система зажигания двигателя ЗМЗ 406 инжектор. Система зажигания 406 двигатель карбюратор.

Электрическая схема газель 3302. Схема электропроводки Газель 402 карбюратор. Электрооборудования ЗМЗ 402 Газель. ГАЗ 33021 схема электрооборудования. Схема электропроводки ГАЗ 33021.

Электрическая схема газель 3302. ГАЗ 3302 электрическая схема с 402 двигателем. Схема электропроводки Газель 2705 402 двигатель. Схема электропроводки зажигания ГАЗ 3110 С 402 двигателем. Схема проводки Газель 402 двигатель карбюратор.

Электрическая схема газель 3302

Электрическая схема газель 3302. Схема газобаллонного оборудования на Газель Некст. ГАЗ 3302 схема агрегатов. Газель 3302 грузовая расположение вин. Схема газового оборудования Газель Некст.

Электрическая схема газель 3302

Электрическая схема газель 3302. Схема управления двигателем Газель 405 евро 3. Схема управления двигателем ЗМЗ 405 инжектор евро 3. Схема управления двигателем ЗМЗ 405 евро 3. ЗМЗ 40524 евро 3 схема электропроводки двигателя.

Электрическая схема газель 3302. Схема ГАЗ 3110 ЗМЗ 402. Схема электрооборудования Газель 3302 двигатель 402. Электросхема ГАЗ 3302 ЗМЗ 402. Электрическая схема ГАЗ 3110 ЗМЗ 402.

Электрическая схема газель 3302

Электрическая схема газель 3302

Электрическая схема газель 3302. Схема электрооборудования ГАЗ 3302 двигатель ЗМЗ 402. Схема электрооборудования Газель 3302 двигатель 402 в хорошем качестве. Схема электрооборудования Газель 402 карбюратор. Схема электрооборудования Газель 3302 двигатель 402.

Электрическая схема газель 3302. Газель 402 двигатель схема электрооборудования. Схема электропроводки Газель 402 двигатель. Схема электрооборудования Газель ЗМЗ 402. Схема электрооборудования Газель 405 двигатель.

Электрическая схема газель 3302

Электрическая схема газель 3302. Схема электрооборудования Газель 406 инжектор ЗМЗ. Эл схема ЗМЗ 406 инжектор. Схема электрооборудования Газель 3302 с двигателем ЗМЗ 406. Схема электропроводки ГАЗ 2217 Соболь.

Электрическая схема газель 3302

Электрическая схема газель 3302. Система зажигания ЗМЗ 406 карбюратор. Газель схема электрооборудования двигатель 406. Схема электропроводки ЗМЗ 406 карбюратор. Схема проводки Газель 406 карбюратор.

Электрическая схема газель 3302

Электрическая схема газель 3302

Электрическая схема газель 3302. Электрооборудование Газель 405 евро 2. Схема проводки ЗМЗ 405 евро 2. Схема электропроводки Газель 405 евро 3. Схема электрооборудования Газель 2705 двигатель 405.

Электрическая схема газель 3302. Схема электрооборудования Газель 406 инжектор ЗМЗ. Схема электрооборудования ГАЗ 3302 двигатель ЗМЗ 402. Схема электропроводки ГАЗ 31105 406 двигатель. Схема электрооборудования ГАЗ 3302 ЗМЗ 406 карбюратор.

Электрическая схема газель 3302. Схема электрооборудования ГАЗ 3302 ЗМЗ 406 карбюратор. Схема электропроводки ГАЗ 3302 ЗМЗ 406. Схема электрооборудования Газель 405 инжектор евро. Электрооборудование Газель 405 евро 2.

Электрическая схема газель 3302

Электрическая схема газель 3302. Электрическая схема ГАЗ 2705. Электросхема ГАЗ 3302. Схема электрооборудования ГАЗ 3302 двигатель ЗМЗ 402. ГАЗ 3302 схема электрооборудования 402.

Электрическая схема газель 3302. Система управления двигателем ЗМЗ 406 Микас 7.1 схема. Схема ЭБУ Газель 405 евро 2. Проводка двигателя ЗМЗ 405 евро 2 Микас 7.1. Электросхема Газель 4216 двигатель инжектор.

Электрическая схема газель 3302. Схема электропроводки Газель 405 евро 3. Электрическая схема жгута управления двигателем ЗМЗ 405. Проводка двигателя ЗМЗ 406 Микас 7.1 инжектор. Схема электрооборудования Газель 405 инжектор.

Электрическая схема газель 3302. Схема замок зажигания ЗМЗ 402 Газель. Схема замка зажигания Газель 3302. Схема замка зажигания Газель 406 инжектор. Схема замка зажигания Газель 405 евро 3.

Электрическая схема газель 3302

Электрическая схема газель 3302

Электрическая схема газель 3302. Газель схема электрооборудования двигатель 406.

Электрическая схема газель 3302. Схема управления двигателем Микас 7.1 ЗМЗ 405. Схема моторной проводки ЗМЗ 405 инжектор. Схема ЭБУ Микас 7.1 инжектор ЗМЗ 406. Схема блока управления двигателем 406 инжектор.

Электрическая схема газель 3302. Схема управления двигателем ЗМЗ 406 инжектор. Электрическая схема Волга 3110 двигатель 406 инжектор.

Электрическая схема газель 3302. Схема электрооборудования ГАЗ 3302 ЗМЗ 406 карбюратор. ГАЗ 3110 ЗМЗ 406 схема электрооборудования. Электрическая схема ГАЗ 3110 ЗМЗ 402. Схема электрооборудования ГАЗ 406.

Электрическая схема газель 3302. Схема электрооборудования ГАЗ 3302 двигатель ЗМЗ 402. Схема электрооборудования ГАЗ 3302. Электрическая схема Газель 402.

Электрическая схема газель 3302. Схема электрооборудования ГАЗ 3302 двигатель ЗМЗ 402. Схема электропроводки ГАЗ 2705 инжектор. ГАЗ 3302 схема электрооборудования 402. Схема электрооборудования ГАЗ 3302 С двигателем ЗМЗ 406 инжектор.

Электрическая схема газель 3302. ГАЗ 3110 схема электрооборудования 406 инжектор. Схема электропроводки ГАЗ 3110 406 двигатель. Схема электрооборудования ГАЗ 3110 С 402 двигателем. Электрическая схема ГАЗ 3110 ЗМЗ 402.

Электрическая схема газель 3302. Электрическая схема Газель ЗМЗ 405 евро 3. Электрическая схема газели с двигателем 405 евро 3. Схема двигателя ЗМЗ 405 евро 3. Схема моторной проводки ЗМЗ 405 инжектор.

Электрическая схема газель 3302. Схема электрооборудования Газель 3302 двигатель 402. Схема электрооборудования ГАЗ 3302 двигатель ЗМЗ 402. Схема электрооборудования ГАЗ 33023. Схема электрооборудования ГАЗ 3302 ЗМЗ 406.

Электрическая схема газель 3302

Электрическая схема газель 3302. Схема замка зажигания Газель 3302 инжектор. Схема электропитания Газель 3302. Замок зажигания Газель 402 карбюратор. Схема электрооборудования ГАЗ-2705 ЗМЗ-402.

Электрическая схема газель 3302. Схема электрооборудования 406 двигателя инжектор. Схема управления двигателем 406 инжектор Волга. Схема электрооборудования Газель 405 инжектор. Схема электропроводки двигателя ЗМЗ 406.

  • Вперед Тупоугольный треугольник вписать окружность
  • Назад Что можно нарисовать если не умеешь рисовать

Новые страницы

1С давальческая схема

Акт контрольного заезда расхода топлива образец

Ассирийская церковь в москве

Астраханская область село вышка карта

Динисторы это

Фоторамки на могилу с изображением

Гдз по русскому языку 8 класс упражнение 309

Гостиница завистливый откашлялся выздоравливать недоумевать строевой

Hcl fecl

Хлеб всему голова презентация для средней группы

Как нарисовать итачи учиха карандашом легко и красиво

Как нарисовать омон газ

Как понять что яйцо испортилось сырое

Кому из лицейских друзей посвятил а с пушкин стихотворение к другу стихотворцу

Крепление для перевозки мотоцикла в прицепе чертеж

Маркировка на литых дисках расшифровка

Математика второй класс стр 85

Меню для клуба

Печать россельхозбанка образец

Ref перевод

Реклинатор ортопедический

С днем рождения мужу и жене в один день картинки

Схема маршруток иваново

Схема верхних и нижних границ легких скелетотопия

Схемы процессов жизнедеятельности растений

Спортивное питание орг

Трение 7 класс физика определение

Услуги копки траншей

Внедорожник ламборджини

Замена матрицы на телевизоре lg 43 дюйма

cdn.zecar.ru